Hornady 085520 Lock-N-Load Iron Press Ammo Loader
EXPLODED VIEW
PARTS LIST
| Item No. | Part No. | Qty. | Description |
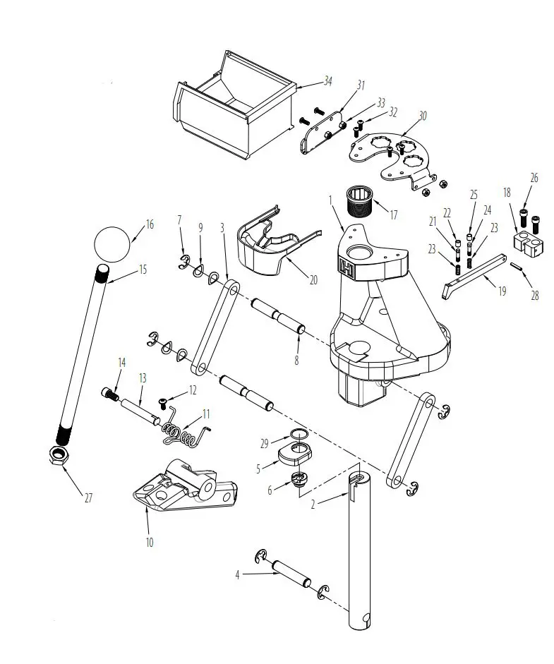
| 1 | 399600 | 1 | Iron Press® Frame |
| 2 | 399605 | 1 | Iron Press® Ram |
| 3 | 399602 | 2 | Iron Press® Link |
| 4 | 399604 | 1 | Iron Press® Ram Pin |
| 5 | 399608 | 1 | Shell Assist Collar |
| 6 | 390541 | 1 | Shell Holder (not included) |
| 7 | 390081 | 6 | E-Clip 1/2 inch |
| 8 | 399603 | 2 | Iron Press® Pin Link |
| 9 | 392424 | 4 | Spring Washer |
| 10 | 399601 | 1 | Iron Press® Toggle |
| 11 | 399617 | 1 | Toggle Spring |
| 12 | 399618 | 1 | 10-32 Flange Screw |
| 13 | 399635 | 1 | Guide Rod Toggle Spring |
| 14 | 399636 | 1 | Screw SHCS 5/16-18 x 5/8 |
| 15 | 390657R | 1 | Handle – Lock-N-Load® AP,™ Classic & 366 |
| 16 | 480003 | 1 | Ball Handle, Plastic |
| 17 | 392301 | 1 | Lock-N-Load® Bushing Press |
| Item No. | Part No. | Qty. | Description |
| 18 | 399619 | 1 | MP Pivot Block |
| 19 | 399620 | 1 | MP Swing Arm |
| 20 | 399637 | 1 | Catch Tray, Iron Press® Manual Prime |
| 21 | 390034 | 1 | Small Primer Seater Punch |
| 22 | 390005 | 1 | Small Primer Seater Cup |
| 23 | 390007 | 2 | Primer Cup Spring |
| 24 | 390035 | 1 | Large Primer Seater Punch |
| 25 | 390006 | 1 | Large Primer Seater Cup |
| 26 | 390199 | 2 | Screw SHCS 1/4-20 x 3/4 |
| 27 | 390027 | 1 | Nut Jam 5/8-18 |
| 28 | 392427 | 1 | Pin Roll 1/8 x 7/8 |
| 29 | 399504 | 1 | O-Ring Buna-N 019 |
| 30* | 399669 | 1 | Die Caddy |
| 31* | 399668 | 1 | Iron Press® Cartridge Box Bracket |
| 32* | 399136 | 6 | BHCS 8-32 x 1/2 |
| 33* | 398698 | 4 | Nut Hex 8-32 Nylon Lock |
| 34* | 480039 | 1 | Cartridge Catcher Box |
AUTO PRIMER FEEDER EXPLODED VIEW
| Item No. | Part No. | Qty. | Description |
| 1 | 399609 | 1 | SSPF Base |
| 2 | 399610 | 1 | SSPF Cap |
| 3 | 399611 | 1 | SSPF Primer Shuttle |
| 4 | 399612 | 1 | SSPF Gate Pin |
| 5 | 392231 | 5 | Screw BHCS 8-32 x 3/8 |
| 6 | 398322 | 1 | AP™ Primer Housing Tube |
| 7 | 390035 | 1 | Large Primer Seater Punch |
| 8 | 390006 | 1 | Large Primer Seater Cup |
| 9 | 399615 | 1 | Spring Stud 8-32 |
| 10 | 399614 | 2 | SSPF Shuttle Retainer Block |
| 11 | 398318 | 1 | Primer Tube Support |
| 12 | 398357 | 1 | Small Press Primer Tube |
| Item No. | Part No. | Qty. | Description |
| 13 | 398358 (LG) | 1 | Large Press Primer Tube |
| 14 | 390007 | 3 | Primer Cup Spring |
| 15 | 399665 | 1 | SSPF Shuttle Spring |
| 16 | 390034 | 1 | Small Primer Seater Punch |
| 17 | 390005 | 1 | Small Primer Seater Cup |
| 18 | 398319A | 1 | Body Primer Tube Housing |
| 19 | 399616 | 1 | Primer Catch Tray |
| 20 | 392719 | 1 | Screw BHCS 10-32 x 3/8 |
| 21 | 398355 | 1 | Small Primer Pick-Up Tube |
| 22 | 398356 | 1 | Large Primer Pick-Up Tube |
| 23 | 398359 | 1 | Primer Follower |
HOW LOCK-N-LOAD® WORKS
The Lock-N-Load® Reloading System is Hornady’s unique bushing system that lets you change dies with a simple flick of the wrist. With Lock-N-Load® technology in your reloading press, you can stop loading, change dies, and start loading another caliber in seconds. If you load more than one caliber, Lock-N-Load® will dramatically speed up your reloading efforts.
This unique technology is featured on our Lock-N-Load® Iron Press®, Lock-N-Load Classic™ and Lock-N-Load® AP™ (Auto Progressive) reloading presses.
The Hornady Lock-N-Load® system is as easy as 1-2-3:
- Insert the Lock-N-Load® die bushing into the press bushing and lock it into place with a twist. The six locking lugs on the die and press bushings will hold it securely in position.
- Insert your standard die into the Lock-N-Load® Bushing.
- Adjust the die to the proper position and lock your setting into place with Hornady’s unique Sure-Loc™ lock ring. To change calibers, simply twist the die counter-clockwise, remove die and insert your next preset Lock-N Load® die and bushing. Because they remain locked in their Lock-N-Load® Bushings, your dies will remain exactly as you set them. The positive locking action of the Lock-N-Load® Bushings holds the dies in rock solid, perfect alignment. Once you try Lock-N-Load® from Hornady, you’ll NEVER want to go back to your old system.
Six Locking Lugs
The combination of the six lugs and the close tolerance of the tooling firmly grip the die bushing in place in the press for maximum rigidity and accuracy in reloading.
Rubber O-Ring on Die Bushing
The O-ring on our die bushings gives you a better feel when the die is inserted and holds the die tight against the locking lugs to prevent accidental loosening.
INSTRUCTIONS
Mount your new press securely to a solid, level bench. Position the press on the bench with the mounting holes far enough back to provide firm support and still allow clearance for the toggle.
Select a shell holder for the cases you will be reloading.
The shell holder is retained in the recess in the top of the ram by the shell assist collar. With a shell holder in the ram, the collar is installed over top of the shell holder, and its O-Ring should provide a snug fit.
NOTE: Only Hornady, RCBS, and Lee shell holders are compatible with the shell assist collar.
Insert and adjust the sizing die.
Take note, these presses slightly cam over to allow you to exert maximum pressure with reduced effort. Screw die down until it is firmly against the shell holder. The sizing die must be set when the ram is at the top of the stroke and not after the ram has cammed over.
Priming system assembly.
A. If using the manual prime system
Screw the proper seater punch/cup and spring for the size primer you are using into the swing arm. Install the manual priming arm by tightening down the two supplied ¼-20 screws (Figure 1).
The arm can be left in the down position for priming (Figure 2), or lifted up and back into a “resting” position when not in use (Figure 3).
With the ram in the up position, install the spent primer tray by squeezing in the arms to lock it into the press frame (Figure 4).
NOTE: Do not leave spent primer tray in press when not in use.
NOTE: When de-priming with the manual system, the primer arm must remain in the down position to deflect spent primers into the catch tray.
B. If using the auto prime system
Refer to the exploded view on page 4 for visual reference and part names.
If your Iron Press® was purchased as a kit, the main body (base and cap) of the priming system should be installed and set correctly from the factory. If you purchased an Auto Prime Upgrade, install it now with the same ¼-20 screws that were supplied for the manual priming system:
- First, remove the primer shuttle using the steps in Section C.
- Thread down the ¼-20 mounting screws, but do not tighten. The priming base should still be able to move (Figure 5).
- Insert the primer shuttle through the opening in the front of the ram, so that it goes into the slot formed by the cap and base (Figure 6).

- Ensure that the primer shuttle can slide freely, and tighten down the ¼-20 screws. Keep moving the shuttle while tightening to check for binding. If the shuttle begins to bind, loosen the mounting screws, adjust the position of the priming base, and re-tighten.
- SLOWLY test the operation of the priming system using the press handle. If resistance is felt, stop the operation and check for binding or interference. Also, keep in mind that the system will become smoother once broken in.
- If the primer punch already installed on the shuttle is not the correct size for the primers you are using, refer to Section C for instructions on changing punches.
C. Removing the primer shuttle/changing punches
To ease installation of the priming system, or for the changing of primer punches, the primer shuttle is removed by doing the following:
- Remove the primer slide spring (Figure 7).

- Unscrew/remove the spring stud (Figure 8).

- Raise the ram to move the shuttle away from the front of the press, and lift up on the shuttle retainer block to remove it (Figure 9).

- The primer shuttle should now slide out through the slot in the front of the ram (Figure 6). When finished changing punches, reverse the above steps to re-install the shuttle.
- Once the priming system is assembled and you have verified that it is operating correctly, insert the correct size primer tube into the threaded housing. Be sure the notched end of the tube goes down into the housing(Figure 10).

- Install the primer housing tube over the primer tube by threading it onto the housing (Figure 11).

- Attach the primer tube support by pushing it onto the tube from above (Figure 12).

- Install the primer catch tray by snapping it onto the cap piece in the direction shown (Figure 13).

- REMEMBER: Primers are explosives. When using either priming system, do not try to force a primer. If something seems to be stuck, stop and see why. Never try to force the operation. Use extreme care when handling primers, and always wear safety glasses.
Loading the Primer Tube
Carefully transfer the primers out of their factory package into a Hornady Primer Turning Plate and orientate them “shiny side up.” Then holding the Primer Filler Tube (large or small) like a pencil bring the plastic primer pick up tip over each primer and gently press it over the primers. The primers will be pushed into the filler tube one on top of a inue loading the primer filler tube until yo ed up approximately 100 primers.
Make sure the cotter pin is in place; turn the Primer Filler Tube upside down. At the top of the exposed Primer Filler Tube, there may be several primers still held and visible. Gently shake the tube to release the primers.
Align the Primer Filler Tube (large or small) to the Primer Feed Tube (large or small) using the Primer Tube Support. Remove the cotter pin from the Primer Filler Tube (large or small) and fill the Primer Feed Tube (large or small). The capacity of the primer tube is 100 primers.
Do not over fill the primer tube.
Insert the Primer Follower into the Primer Tube (large or small). This will help the primers feed more reliably.
Clean, inspect and lubricate all cases before resizing
Using a case lube pad or Hornady® One Shot® Case Lube, it is easy to lubricate the body portion of the bottle neck cases. A minimum of lubricant should be used on the neck portion since trapped lubricant may cause the shoulder to buckle. Too little or no lubricant may easily result in a stuck case.
Place a lubricated case in the shell holder and pull the operating handle.
If using the manual prime system, you will need to insert a primer before inserting a case into the shell holder. The case can then be sized/de-primed, and re-primed on the downward stroke of the ram.
If using the auto prime system, you should see the priming shuttle start to move as the ram moves upwards (Figures 14 and 15). If there is tension and the shuttle does not move, check to make sure there are no obstructions, and the shuttle is lightly lubricated.

As the ram moves upwards and the shuttle moves to the rear, it should release a primer from the tube and into the priming cup. The spent primer being removed from the case should also fall into the primer catch tray. Adjustments to the decap pin in the size die may be necessary to “time” the dropping of the spent primer – see below. Ideally, the spent primer will be ejected from the case at the very top of the ram’s stroke.
Setting Decap Timing
Primers falling too soon, missing the tray – Move decap pin up by threading it counter-clockwise.
Primers not falling (timing too slow) – Move decap pin down by threading it clockwise.
Check case for length and do case prep work
After the case has been sized and de-primed, the case may be removed from the press for case prep. First, measure for overall length. If needed, trim the case, and chamfer/deburr the mouth. This is also the ideal time to ream the primer pocket if it has a military crimp.
With a fully prepared case, seat the primer
Once your case is prepared, re-insert it into the shell holder and continue moving the ram downwards. You should feel some resistance when the primer seats, but should not have to use your “weight” to seat the primer. Remember, the force you exert on the handle is magnified many times over by the linkage system of the press. If it feels like you’re exerting a lot of force, stop and make sure the primer is sitting with its anvil up (Figure 16), and that the case’s primer pocket has enough chamfer to accept a new primer. Some military calibers such as 5.56/223 or 7.62/308 have a staked primer. This may leave a sharp edge on the primer pocket, and seating a new primer will be difficult. Using a primer pocket reamer or swage tool will remove this stake, allowing primers to be pressed in more easily.
Once a primer is seated, you may release the handle and the ram should spring back to its neutral position. The case may then be removed and charged with powder.
Charge prepared cases with selected powder
Weigh using either a scale, or powder measure in conjunction with a scale. Refer to the Hornady Handbook of Cartridge Reloading or any other reputable source for proper loads.
Replace the sizing die with the seating die according to instructions furnished with the die set. At this time you may move the manual prime arm up and out of the way, or remove the auto priming shuttle using the process found in Section C. Insert a case with the proper powder charge into the shell holder, and seat a bullet.
DIE BUSHINGS & PRESS BUSHINGS
Lock-N-Load® Die Bushing
Part #392302
Lock-N-Load® Die Bushings
- Lock-N-Load® die bushings are available in convenient packs of two, three, or ten. Put a Lock-N-Load® die bushing on all of your favorite dies for maximum reloading efficiency.
- Lock-N-Load® Die Bushings (2-pack) No. 044094
- Lock-N-Load® Die Bushings (3-pack) No. 044093
- Lock-N-Load® Die Bushings (10-pack) No. 044096


































