Oceanic Graff Incanto Wall Mounted Shower Column Instructions
Terms of use
- Minimum pressure: 1 bar / maximum: 5 bars (beyond, install a pressure reducer). – Make sure that the supply pressures for hot and cold water are well balanced.
- Recommended temperature for adjusting the hot water installation: 60 ° C (maximum: 80 ° C)
- Minimum cold water temperature: 10 ° C (a lower temperature would damage your tap). Very hard water is heavily loaded with lime stone which accelerates the scaling of your taps. Treating your water with a softener helps protect your facilities and extend the life of your equipment.
Unpacking
Before handling, make sure that all components are present and visually check their good surface condition. When mounting and / or installing, make sure that by respecting any instructions, you do not experience any difficulty in screwing, tightening, fitting.
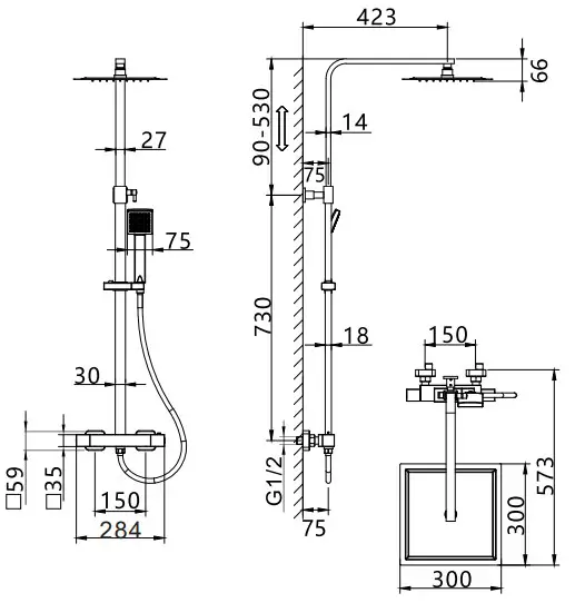
Installation
[Drawing part 1]
- During assembly, the connection threads must not be damaged (it must be easy to screw the nuts on the threads).
- Place a PTFE ribbon (such as Teflon) on the offset male-male connectors to ensure the water tightness, then screw them into the hot and cold water supply hoses inside the wall and make them correspond to the distance between the connectors of the mixer. Check the level of the connectors during the fastening, it must be horizontal.
- Place the cover cups on the connectors.
[Drawing part 2]
- Place the gasket into the female connectors of the mixer before to proceed to the tightening.
- When using for the first time, make sure that your product is working (in particular that the water flows at the right temperature and with the right flow rate).
NB : For the fitting to your installation: tighten the fitting or the nuts securely using a wrench. Avoid excessive tightening, which could break the thread or cause micro cracks which could expand over time and the pressure of the water and cause a leak.
[Drawing part 3]
The column needs a wall fastening point.
- Identify this fastening point vertically aligned with the water output on the top of the mixer. For the height, see the the measurements given in the drawing.
- Drill the wall with 6mm bit with a 40 mm depth in order to introduce a suitable wall plug into it according to the material of your wall.
- Place the wall fastening support of the column with the suitable screw.
[Drawing part 4]
- Engage the column into the wall fastening support
- Engage the lower part of the column into the mixer top connector with the gasket in between to ensure the water tightness
- Tighten the lower part to the connector with a hex key
- Tighten the wall fastening support with the provided hex key
[Drawing part 5]
- Connect the flexible to the mixer and tighten with a wrench
- Connect the head of the hose – Screw the shower head on the column
Use
The mixer allows you to use either the column head or the hose. To switch from one to the other, it depends of the position of the spur on the left side tap.
- Spur up : the tap is closed
- Spur facing the wall : to use the column head
- Spur in front : to use the hose
This product is equipped with a thermostatic mixer which allows you to preserve your water temperature.
- To set a higher water temperature, turn the tap
counterclockwise.
- To set a lower water temperature, turn the tap clockwise.
Installation









Function



Cold body technology
WALL MOUNTING
IMPORTANT: for the wall support fixation kit, use screws and wall plugs adapted to the nature of the wall, in case of any doubt please contact your DIY store.
There is a large diversity of all types, therefore we do not provide the exact fastening type with the product. You need firstly to identify the type of your wall in order to find the suitable fastening type. Here are several example of wall types and the recommended fastening type. The screws and wall plugs are not included. Choose the proper screw and wall plug according to your wall material. In case of doubt, contact a specialized seller.
HOLLOW WALL
| WALL PLUG | METALLIC ANCHOR |
![]() | ![]() |
![]() | ![]() |
HOLLOW WALL
| EXPANSION PLUG | HOLLOW WALL EXPANSION ANCHOR | MOLLY BOLT ANCHOR |
![]() | ![]() | ![]() |
![]() | ![]() | ![]() |
Use a drill bit size suitable with the monger and the type of wall.




























