RINO XY3721-B3 Wifi Module

Product Overview
XY3721-B3 is a low-power embedded Wi-Fi module developed by Shenzhen Rinocloud Technology Co. It is equipped with a BL2028N Bluetooth 5.1 and Wi-fi 802.1lnA chip that can operate either standalone or as a slave to other MCUs. Ihe module is capable of booting directly from the internal Flash when carrying external applications and acting as the only application processor in the device; it als0 includes a low-power ARM-CM4 MCU, 1TIR WLAN, up to 120MHz main frequency, built-in 256K SRAM, 2Mbyte flash and rich peripheral resources. XY3721-B3 WIFI module supports IEEE 802.1l b/g/n protocol standard, BLE5.1, lightweight TCP/IP protocol stack, and STA, AP, AP+STA modes. Users can use the module to add networking functions to existing devices or build standalone network controllers.
Features
- Built-in lightweight TCP/IP protocol stack
- Support 802.11 b/g/n/BLE5.1 standard protocol
- Built-in TR switch, Balun, LNA, PA, and integrated on-board antenna (also compatible with external antenna)
- MCU up to 120M clock frequency + 256KBSRAM<
- Built in 2Mbit Flash
Confidential, not for distribution without written permission from Rino Version1.0.2
- Support remote firmware OTA upgrade, can start upgrading via mobile APP, AI Command
- Support STAAPAP+STA working mode Support WEP/TKIP/WPA/WPA2 security protocol
- Support 802.1le and WMM/WMM PS protocols
- Support Rino Smart intelligent networking function
- Support HT20 and 802.11n40
- Support 6-way hardware PWM
- Voltage range 2.4V-3.6VDC, recommended to use 3.3V 500mA single power supply
- On- board antenna, compatible with external antenna
Main application fields
- Smart Lighting Smart Home Smart Sensing Smart Office
- Smart Gateway Smart Industry Smart Home Appliance Smart Security
Module Interface
Size Package
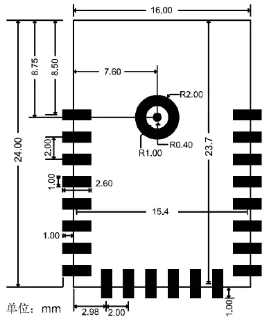
XY3721-B3 Wi-Fi module has 3 rows of pins, total 22 pins, pin pitch 2mm. XY3721-B3 Wi-Fi module size: 16t0.35 mm (W) X 24t0.35mm (L) X 3.00.15mm (H), where the PCB thickness 0.8mm-0.l mm, package as shown in Figure 2.1:

Pin Definition
The interface pins are defined in Table 2.1.


Note: Vindicates power supply pins, 1/0 indicates input and output pins, ADC Indicates analog input
Electrical parameters

Antenna Info
Antenna Type
The XY3721-B3 Wi-Fi module uses either the on-board PCB antenna or the IPX antenna interface
Reduce antenna interference
To ensure optimal RF performance, it is recommended that the distance between the antenna portion of the module and other metal parts be kept at least 15mm. If use the environment of the antenna Surrounding wrapped metal materials, etc., Will largely attenuate the wireless signal, and thus deteriorate the RF performance. Since the module is installed in the form of plug-in, needs to leave enough space for the antenna area.

Module package size
Top view
Note: The default module form factor tolerance is0.35mm, the key size tolerance t 0.lmm Module left in the round pad for the module RF test points, packaging library may not draw this part of the pad.
Recommended furnace temperature curve
Please refer to the reflow profile for SMT patching, peak temperature 245° C, reflow temperature profile as shown below: Refer to IPC/JEDEC standard; Peak Temperature:<250°C; Number of Times:ś2 times 
Appendix: Circuit Schematic
Module MOQ and Packaging Information
- Product Model
XY3721-83 - MOQ (PCS)
3600 - packaging method
Carrier tape reel - Package Quantity
900 - Number of reels per
4
Integration instructions for host product manufacturers according to KDB 996369 D03 OEM Manual v01
List of applicable FCC rules FCC Part 15 Subpart C 15.247 & 15.209
Specific operational use conditions.
The module can be used for mobile applications with a maximum 2.54dBi antenna. The manufacturer installing this module into their product must ensure that the final compos it product complies with the FCC requirements by a technical assessment or evaluation to the FCC rules , including the transmitter operation . The host manufacturer has to be aware not to provide information to the end user regarding how to install or remove this RF module in the users manual of the end product which integrates his module . The end user manual shall include all required regulatory information / waning as show in this manual.
Limited module procedures. Not applicable .
The module is a Single module and complies with the requirement of FCC part 15.212.
Trace antenna designs .Not applicable .
The module as its ow antenna , and does’ t need a host sprinted board micros trip trace antenna etc.
RF exposure considerations
The module must be installed in the host equipment such that at least 20cm is maintained between the antenna and users ” body , and if RF exposure statement or module layout is changed , then the host product manufacturer required to take responsibility of the module through a change in FCC ID or new application . The FCC ID of the module cannot be used on the final product In these circumstance , the host manufacturer will be responsible for evaluating the end product ( including the transmitter ) and obtaining a separate FCC authorization.
Antennas
Antenna Specification are as follows :
- Type : PCB Antenna
- Gain : 2.54dBi Max
This device is intended only for host manufacturers under the following conditions:
The module shall be only used with the intimal antennas ) that has been originally tested and certified with this module . The antenna must be either permanently attached or employ a unique antenna coupler .
As long as the conditions above are met , further transmitter test will not be required However , the host manufacturer is still responsible for testing their end-product for any additional compliance requirements required with his module installed for example , digital device emissions , PC peripheral requirements , etc : )
Label and compliance information
Host product manufacturers need to provide a physical or e-label stating ” Contains FCC ID:2A9TO-3721B3 with their finished product.
Information on st modes and additional testing requirements
Host manacor ms pa orm s of aiad & oced mission and spurious emission a in ac test modes for a stand – alon modular transmitter in host , as well as for multi Silenus ramming modules or other transmitters in a host product.
Only when all the test results of test modes comply with FCC requirements , then the end product can be sold legally.
Additional testing , Part 15 subpart B disclaimer
The modular transmitter is only FCC authorized for FCC Part 15 Subpart c 15.247 & 15. 209 &15 . 407 and that the host product manufacturer is responsible for compliance to any other FCC rules that apply to the host not covered by the modular transmitter grant of certification.
If the grantee markets their product as being art 15 Subpart B compliant when it also contains unintentional-radiator digital circuity , then the grantee shall provide a notice stating that the final host product still requires art 15 Subpart B compliance testing
FCC Requirement
Any changes or modifications not expressly approved by the party responsible for compliance could void the user’s authority to operate the equipment.
This device complies with Part 15 of the FCC Rules. Operation is subject to the following two conditions:
- This device may not cause harmful interference, and
- This device must accept any interference received, including interference that may cause undesired operation.
Note: This equipment has been tested and found to comply with the limits for a Class B digital device, pursuant to Part 15 of the FCC Rules. These limits are designed to provide reasonable protection against harmful interference in a residential installation. This equipment generates, uses, and can radiate radio frequency energy, and if not installed and used in accordance with the instructions, may cause harmful interference to radio communications. However, there is no guarantee that interference will not occur in a particular installation. If this equipment does cause harmful interference to radio or television reception, which can be determined by turning the equipment off and on, the user is encouraged to try to correct the interference by one or more of the following measures:
- Reorient or relocate the receiving antenna.
- Increase the separation between the equipment and receiver.
- Connect the equipment into an outlet on a circuit different from that to which the receiver is connected.
- Consult the dealer or an experienced radio/TV technician for help.
This equipment complies with FCC radiation exposure limits set forth for an uncontrolled environment. This equipment should be installed and operated with a minimum distance of 20cm between the radiator & your body. This transmitter must not be co-located or operating in conjunction with any other antenna or transmitter.
CAUTION: Any changes or modifications not expressly approved could void the user’s authority to operate the equipment.”




















