Mircom i3 Series Reversing Relay Synchronization Module

Description
The CRRS-MODA reversing relay/synchronization module enhances the operation of 2 and 4-wire i3 series detectors equipped with a sounder.
Installation Ease
The module includes a Velcro attachment for easy installation into the fi re alarm control panel cabinet. A quick-connect harness and colour-coded wires simplify connections.
Intelligence
The module’s design is fl exible to accommodate virtually any application. The CRRS-MODA is compatible with both 2 and 4-wire i3 series detectors operating over 12V and 24V systems. The module can be used with either bell/alarm, alarm relay, or NAC outputs, and its field-selectable switch accommodates both coded and continuous alarm signals.
Instant Inspection
To meet fi re alarm requirements, the CRRS-MODA activates all i3 sounders on a loop when one alarms. Additionally, the module synchronizes the output of the i3 sounders, regardless of whether the panel’s alarm signal is continuous or coded, to ensure a clear alarm signal.
Features
- Compatible with 2- and 4-wire i3 detectors equipped with a sounder
- Activates all i3 sounders on a loop when one alarms
- Synchronizes all i3 sounders on the loop for a clear alarm signal
- Can be used with bell/alarm, alarm relay, or NAC outputs
- Includes a fi eld-selectable switch to accommodate both coded and continuous alarm signals
- Allows i3 detector silencing from the panel or keypad
- Operates on 12- and 24-volt systems
- Quick-connect harness and color coded wires facilitate connections
Engineering Specifications
Reversing relay/synchronization module shall be a an i3 Series model number CRRS-MODA, listed to Underwriters Laboratories as a smoke detector accessory. The module shall allow all 2-wire and 4-wire i3 Series detectors equipped with a sounder on a loop to sound when one alarms. The module shall provide a switch to toggle between coded mode and continuous mode. When in coded mode, the module shall synchronize the i3 sounders on the loop to mirror the input signal. When in continuous mode, the module shall synchronize the i3 sounders on the loop to the ANSI S3.41 temporal coded pattern. In either coded or continuous modes, the module shall permit sounders to be silenced at the panel. The module shall operate between 8.5 and 35 VDC, and shall provide 18 AWG stranded, tinned conductors connected to a quick-connect harness.
Electrical Specifications
Operating Voltage
- Nominal: 12/24 V
- Min: 8.5 V
- Max: 35 V
Avg. Operating Current
- 25 mA
Relay Contact Rating
- 2 A @ 35 VDC
Physical Specifications
Operating Temperature Range
- 32°F–131°F (0°C–55°C)
Operating Humidity Range
- 5 to 85% non-condensing
Wire Connections
- 18 AWG stranded, tinned, 16” long
Dimensions
- Height: 2.5 inches (63 mm)
- Width: 2.5 inches (63 mm)
- Depth: 1 inch (25 mm)
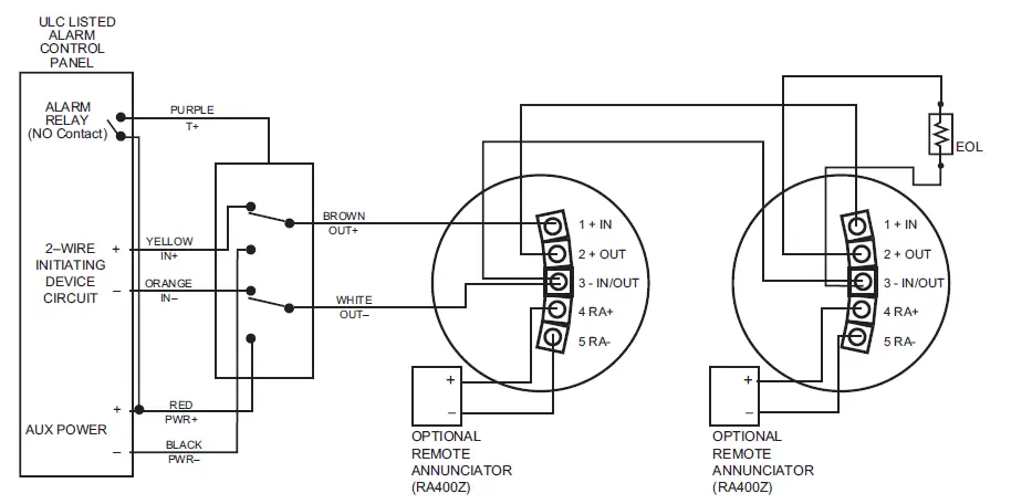
Wire System Triggered from Alarm/Bell Circuit

2-Wire System Triggered from Alarm Relay Contact

NOTE: These diagrams represent two common wiring methods. Refer to the CRRS-MODA installation manual for additional wiring configurations.
Ordering Information
Model Number Description
CRRS-MODA Reversing relay/synchronization module for i3 series smoke detectors
U.S.A.
4575 Witmer Industrial Estates Niagara Falls, NY 14305
Toll Free: (888) 660-4655 Fax Toll Free: (888) 660-4113
Canada
25 Interchange Way Vaughan, Ontario L4K 5W3 Telephone: (905) 660-4655 Fax: (905) 660-4113
Web page: http://www.mircom.com
Email: [email protected]



















