ELATEC RFID TWN4 Multi Tech 2 M BLE

INTRODUCTION
ABOUT THIS MANUAL
This integration manual explains how to integrate ELATEC RFID reader module TWN4 MultiTech 2 M BLE into a host device and is mainly intended for integrators and host manufacturers. The content of this integration manual is subject to changes without prior notice and printed versions might be obsolete. Integrators and host manufacturers are required to use the latest version of this integration manual. For the sake of better understanding and readability, this manual might contain exemplary pictures, drawings and other illustrations. Depending on your product configuration, these pictures might differ from the actual design of your product.
ABOUT TWN4 MULTITECH 2 M BLE
The TWN4 Multi Tech 2 M BLE reader module has integrated RFID (LF & HF) and Bluetooth Low Energy (BLE), which is supported by mobile phones with Android version 4.3 or greater, iOS 8.0 or greater and PCs with Windows (new Bluetooth hardware integrated). The app on the reader communicates with the BLE module with easy commands and has direct enhancement to the GATT structure, which gives you the flexibility to write your custom apps.
ELATEC SUPPORT
In case of any technical questions, refer to the ELATEC website (www.elatec.com) or contact ELATEC technical support at:
REVISION HISTORY
| VERSION | CHANGE DESCRIPTION | EDITION |
| 02 | Chapters “Safety Information” and “Compliance Statements” updated | 07/2021 |
| 01 | First edition | 05/2021 |
SAFETY INFORMATION
- ELATEC TWN4 MultiTech 2 M BLE is an electronic component and should be installed exclusively by a trained and qualified personnel.
- ELATEC recommends the integrators to follow general ESD protective measures during the installation of TWN4 MultiTech 2 M BLE into a host device, e.g. the use of an antistatic wristband or special gloves.
- The integrator should not touch the antennas (if not shielded), printed circuit boards, connectors or other sensitive components on TWN4 MultiTech 2 M BLE.
- Before installing TWN4 MultiTech 2 M BLE into a host device, the integrator should also make sure that he/she has read and understood the ELATEC technical documentation related to TWN4 MultiTech 2 M BLE, as well as the technical documentation related to the host device. In particular, the instructions and safety information given in the user manual of TWN4 MultiTech 2 M BLE should be read carefully and listed in the technical documentation of the host manufacturer as well, as soon as these instructions and safety information are required for a safe and proper use of the host device containing TWN4 MultiTech 2 M BLE.
INTEGRATION INSTRUCTIONS
GENERAL
TWN4 MultiTech 2 M BLE may be installed in any host devices, as long as it is operated under the operational conditions stated in the user manual and other technical documents (e.g. data sheet). TWN4 MultiTech 2 M BLE is equipped with two integrated antennas. Thus, no antenna installation is required.
LIST OF APPLICABLE RULES
Refer to the approval certificates, grants and declarations of conformity issued for TWN4 MultiTech 2 M BLE, and to Chapter “Compliance Statements” for a detailed list of the rules applicable to TWN4 MultiTech 2 M BLE.
SPECIFIC OPERATIONAL USE CONDITIONS
There are no specific operational use conditions for TWN4 MultiTech 2 M BLE other than the conditions mentioned in the user manual and data sheet of TWN4 MultiTech 2 M BLE. The host manufacturer or integrator must ensure that these use conditions comply with the use conditions of the host device. In addition, these use conditions must be stated in the user manual of the host device.
LIMITED MODULE PROCEDURES
n/a
TRACE ANTENNA DESIGN
n/a
RF EXPOSURE CONSIDERATIONS
The module antenna(s) must be installed to meet the RF exposure compliance separation distance of 20 cm and any additional testing and authorization process as required.
Refer to Chapter “Compliance Statements” for detailed information about the radio frequency exposure conditions applicable to TWN4
Multi Tech 2 M BLE.
These RF exposure conditions must be stated in the end-product manual(s) of the host product manufacturer.
ANTENNAS
TWN4 Multi Tech 2 M BLE is equipped with the following antennas:

HF antenna (13.56 MHz)
Dimensions: 42 x 44 mm / 1.65 x 1.73 inch
Number of turns: 3
LF antenna (125 kHz)
Dimensions: 28 x 28 mm / 1.10 x 1.10 inch
Number of turns: 151
BLE (2.4 GHz)
The antenna for the BLE module is integrated in the BLE chip.
For more information, refer to the related product data sheet or other relevant technical documents.
LABEL AND COMPLIANCE INFORMATION
Refer to Chapters “Compliance Statements” and “Integrator and Host Requirements” for detailed label and compliance information.
TEST MODES AND ADDITIONAL TESTING REQUIREMENTS
No specific testing method has been defined by ELATEC for TWN4 MultiTech 2 M BLE.
TWN4 MultiTech 2 M BLE has been tested and found in compliance with the specifications noted on the approval certificates and other relevant approval documents. However, the integrator is still responsible for any additional testing and authorization process required for the end product. Refer to the KDB Publication 996369 D04 Module Integration Guide of the FCC Office of Engineering and Technology (OET) for detailed information about test modes and additional testing requirements for the host device.
ADDITIONAL TESTING, PART 15 SUBPART B DISCLAIMER
TWN4 MultiTech 2 M BLE is only FCC authorized for the specific rule parts (i.e., FCC transmitter rules) listed on the grant, and the host product manufacturer is responsible for compliance to any other FCC rules that apply to the host not covered by the modular transmitter grant of certification. In addition, the final host product still requires Part 15 Subpart B compliance testing with TWN4 MultiTech 2 M BLE installed.
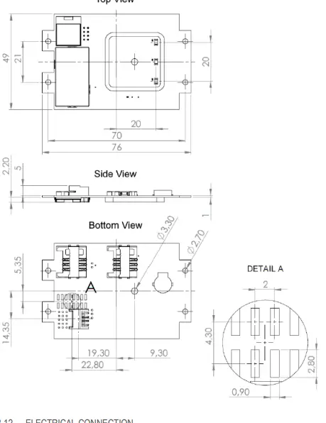
MECHANICAL INSTALLATION
The module can be fixed with four screws M2.5.
ELECTRICAL CONNECTION
The module can be connected to the host with a DF11 connector.

COMPLIANCE STATEMENTS
4.1 EU
TWN4 MultiTech 2 M BLE is in compliance with the EU directives and regulations as listed in the respective declaration of conformity.
FCC
This device complies with Part 15 of the FCC Rules. Operation is subject to the following two conditions:
- this device may not cause harmful interference, and
- this device must accept any interference received, including interference that may cause undesired operation.
Caution
The Federal Communications Commission (FCC) warns the users that changes or modifications to the unit not expressly approved by the party responsible for compliance could void the user’s authority to operate the equipment.
FCC §15.105 (b)
This equipment has been tested and found to comply with the limits for a Class B digital device, pursuant to part 15 of the FCC Rules. These limits are designed to provide reasonable protection against harmful interference in a residential installation. This equipment generates, uses and can radiate radio frequency energy and, if not installed and used in accordance with the instructions, may cause harmful interference to radio communications. However, there is no guarantee that interference will not occur in a particular installation. If this equipment does cause harmful interference to radio or television reception, which can be determined by turning the equipment off and on, the user is encouraged to try to correct the interference by one or more of the following measures:
- Reorient or relocate the receiving antenna.
- Increase the separation between the equipment and receiver.
- Connect the equipment into an outlet on a circuit different from that to which the Receiver is connected.
- Consult the dealer or an experienced radio/TV technician for help.
FCC ID: WP5TWN4F3
Contains FCC ID: QOQBGM111
IC
This device complies with Industry Canada’s license-exempt RSSs. Operation is subject to the following two conditions:
- This device may not cause interference; and
- This device must accept any interference, including interference that may cause undesired operation of the device.
IC: 7948A-TWN4F3
Contains IC: 5123A-BGM111
RF EXPOSURE COMPLIANCE
RF exposure statement (mobile and fixed devices)
This device complies with the RF exposure requirements for mobile and fixed devices. However, the device shall be used in such a manner that the potential for human contact during normal operation is minimized.


















