
InstructIons for:
INFRARED PARAFFIN/KEROSENE/
DIESEL HEATER 45.5kW 230V
MoDEL no: IR55
thank you for purchasing a sealey Heater. Manufactured to a high standard this product will, if used according to these instructions and properly maintained, give you years of trouble free performance.
IMPORTANT: PLEASE READ THESE INSTRUCTIONS CAREFULLY. NOTE THE SAFE OPERATIONAL REQUIREMENTS, WARNINGS AND CAUTIONS. USE THIS PRODUCT CORRECTLY AND WITH CARE FOR THE PURPOSE FOR WHICH IT IS INTENDED. FAILURE TO DO SO MAY CAUSE DAMAGE AND/OR PERSONAL INJURY AND WILL INVALIDATE THE WARRANTY. PLEASE KEEP INSTRUCTIONS SAFE FOR FUTURE USE.
SAFETY INSTRUCTIONS
ELECTRICAL SAFETY
WARNING! It is the responsibility of the owner and the operator to read, understand and comply with the following:
You must check all electrical products, before use, to ensure that they are safe. You must inspect power cables, plugs, sockets and any other connectors for wear or damage. You must ensure that the risk of electric shock is minimised by the installation of appropriate safety devices. A residual current circuit Breaker (rccB) should be incorporated in the main distribution board. We also recommend that a residual current Device (rcD) is used. It is particularly important to use an rcD with portable products that are plugged into a supply which is not protected by an rccB. If in any doubt consult a qualified electrician. You may obtain a residual current Device by contacting your sealey dealer. You must also read and understand the following instructions concerning electrical safety.
- The Electricity at Work Act 1989 requires that all portable electrical appliances, if used on business premises, are tested by a qualified electrician, using a Portable Appliance tester (PAt), at least once a year.
- The Health & Safety at Work Act 1974 makes owners of electrical appliances responsible for the safe condition of those appliances and the safety of the appliance operators. If in any doubt about electrical safety, contact a qualified electrician.
- Ensure that the insulation on all cables and on the appliance is safe before connecting it to the power supply. see 1.1.1. and 1.1.2. and use a Portable Appliance tester.

- Ensure that cables are always protected against short circuit and overload.
- regularly inspect power supply cables and plugs for wear or damage and check all connections to ensure that none is loose.
- Important: Ensure that the voltage marked on the appliance matches the power supply to be used and that the plug is fitted with the correct fuse – see fuse rating at right.
- DO NOT pull or carry the appliance by the power cable.
- DO NOT pull the plug from the socket by the cable.
- DO NOT use worn or damaged cables, plugs or connectors. Immediately have any faulty item repaired or replaced by a qualified electrician. When a Bs 1363/A uK 3 pin plug is damaged, cut the cable just above the plug and dispose of the plug safely. fit a new plug according to the following instructions (uK only). a)Connect the GREEN/YELLOW earth wire to the earth terminal `E’.
b)Connect the BROWN live wire to the live terminal `L’.
c)Connect the BLUE neutral wire to the neutral terminal `N’.
d)After wiring, check that there are no bare wires, that all wires have been correctly connected, that the cable outer insulation extends beyond the cable restraint and that the restraint is tight.
Double-insulated products, which are always marked with this symbol,
are fitted with live (brown) and neutral (blue) wires only. to rewire, connect the wires as indicated above. DO NOT connect either wire to the earth terminal. - Products which require more than 13 amps are supplied without a plug. In this case you must contact a qualified electrician to ensure that a suitably rated supply is available. We recommend that you discuss the installation of an industrial round pin plug and socket with your electrician.
- If an extension reel is used it should be fully unwound before connection. A reel with an rcD fitted is preferred since any appliance plugged into it will be protected. the cable core section is important and should be at least 1.5mm², but to be absolutely sure that the capacity of the reel is suitable for this product and for others which may be used in the other output sockets, we recommend the use of 2.5mm² section cable.
GENERAL SAFETY
DANGER! risk of carbon monoxide poisoning. failure to provide proper ventilation could result in serious illness or death.
√ check that the heater is in sound condition and good working order. Take immediate action to repair or replace damaged parts.
√ use recommended parts only. Unauthorised parts may be dangerous and will invalidate the warranty.
√ only use paraffin, diesel, or kerosene to fuel this heater, in accordance with instructions contained in this manual.
√ Locate heater on a level and stable surface.
WARNING! only use heater in well-ventilated areas. Ensure continuous ventilation is provided to the heater operating area via windows and doors etc. If people are not required to be present in the heated area, the volume of air to be heated (mtr³)/heat output (kW) ratio must be at least 10:1 and people must be advised not to remain in the heated area for prolonged periods. If people are required to be present in the heated area, the volume of air to be heated (mtr³)/heat output (kW) ratio must be at least 30:1. Ventilation must be to the outside of the premises in which the heater is to be operated. the total open area (mtr²) must be at least 0.003 times the total heat output (kW). the volume concentration of oxygen (o ² ) in the heated room, must always remain above 17%.
WARNING! DO NOT use the heater near flammable material, liquids, solids, gases or compressed gas cylinders, etc.
Χ DO NOT stand or place any object less than 3m from the heater output and keep the heater a minimum of 2m from any walls or objects.
Χ DO NOT use the heater in closed rooms, living areas, basements, or below ground level.
Χ DO NOT allow untrained persons to operate the heater and DO NOT operate the heater without the safety guard.
Χ DO NOT move or handle the heater when hot, without wearing protective gloves. never move the heater whilst it is operating.
Χ DO NOT leave the heater unattended for prolonged periods of time when in use. switch the heater off and unplug from the mains before leaving work area.
Χ DO NOT fill the fuel tank whilst the heater is running or still hot. DO NOT over-fill the fuel container. Wipe up any spilt fuel immediately.
Χ DO NOT obstruct the air inlet (rear) and air outlet (front) of the heater and DO NOT use duct work in front or at the rear of the heater.
Χ DO NOT allow children or animals near the heater when in use, or whilst still hot.
WARNING! RISK OF ELECTRIC SHOCK. DO NOT expose the heater to water spray, rain, dripping water, or wind.
Χ DO NOT operate the heater when you are tired or under the influence of alcohol, drugs or intoxicating medication.
Χ DO NOT touch the heater outlet or cone when in use, or for a period of time after it’s switched off, as these are VERY hot and will take time to cool down.
Χ DO NOT switch the heater off by disconnecting it from the mains. ALWAYS set the switch on the burner to the ‘off’ position and allow the cooling cycle to finish, before disconnecting from the mains.
Χ DO NOT use an external fuel tank. only use the tank that is fitted to the heater, and only fill it when the heater has cooled down.
√ Ensure that the heater is correctly turned off
√ When not in use for an extended period, store in a safe, dry area, out of reach of children.
Important: this appliance is not intended for persons (including children) with reduced physical, sensory or mental capabilities, or lack of experience and knowledge, unless they have been given supervision or instruction concerning use of the appliance by a person responsible for their safety. children should be supervised to ensure that they do not play with the appliance.
SPECIFICATION
Infrared heater suitable for well-ventilated indoor applications. features innovative new design to increase heat efficiency while eliminating the fragility and brittleness of ceramic cones. clean burning unit operates on paraffin, kerosene, or diesel. Produces an impressive 155,252 Btu/hr. the 65ltr tank allows a maximum of 15hrs running time, making this unit extremely economical. features electronic flame control with photo resistance sensor. outer cover cooled by forced air over the complete surface of the cone. complies with rigorous standards and is fitted with a safety cutout integrated into the automatic digital control system for oil burners.
Model no:………………………………………………Ir55
output:…………………………………………………..45.5kW (155,252 Btu/hr)
tank capacity:…………………………………………65ltr
Fuel Oil:………………………………………………….Paraffin/Kerosene/Diesel
supply:…………………………………………………… 230V – 1ph – 50hz (5A)
Running time per filling (maximum):…….15hr
transport Wheels:…………………………………. Yes
Automatic shut-off:………………………………. Yes
Heated Distance:…………………………………… 5M
Weight:…………………………………………………. 73kg
Combustion Throttle Slot (fig.15):………. (Position 2 )

fig.2
Although this heater operates with diesel fuel, when the temperatures are below 0°c, diesel additives are required to maintain the diesel’s viscosity. typically diesel can cloud in freezing conditions and will start to gel. You will need additives for your fuel in these conditions.
Kerosene/Paraffin does not start to gel until the ambient temperature is around -40°C.
WARNING!This heater is not suitable for use with Bio-Diesel; use of Bio-Diesel will damage the filter and seals. Damage caused by use of Bio-Diesel will not be covered by warranty.
SUB ASSEMBLY
The heater will be supplied assembled to a stage with minimal assembly required by the user (fig.3).
- slide axle through frame and fix with item [E]. slide on spacers [f] and wheels, retain the wheels with [G] and plug with [H].
- fix handlebar and heater rear stand with [B]. the heater is now free-standing and transportable.
- fit upper and lower heat deflector shrouds including mid-height front shield with [A]. fit the lower adjustable deflector with [I] and [L].
- fit lifting lugs with [c] and [D].

Table of fixings for sub-assembly
| A | TE M5x12 | 10 | |
| B | IC M6x20 | 8 | |
| C | TBEI M8x25 | 4 | |
| D | 08 x 024 x2 | 4 | |
| E | TE M6x20 | 4 | |
| F | 026 x 044 x4 | 2 | |
| G | Metal wheel holder 025 | 2 | |
| H | Plastic plug | 2 | |
| I | 05×015 x1,5 | 2 | |
| L | Knob M5x16 | 2 |

OPERATING CONDITIONS
- Principles of Operation
- Fuel and Air System: this heater is equipped with an oil pump that operates from an electric motor. the pump forces oil from the fuel tank, drawing fuel to the nozzle in the burner head. Air also passes through the nozzle via a fan and ducting where it mixes with the fuel, sprayed into the combustion chamber as a fine mist where it is super-heated and forced out the front of the chamber.
- Quick-Fire Ignition: A transformer sends high voltage to a two pronged spark plug. the spark ignites the fuel/air mixture as it is sprayed into the combustion chamber.
- Electrical System Protection: the heater’s electrical system is protected by a circuit breaker that protects the system components from damage. If the heater fails, check the fuse first, and replace if necessary.
- Flame Sensor: the heater uses a photocell to see the flame in the combustion chamber. should the flame extinguish, the sensor will stop electrical current and the heater will shut off.
- Fuel: the heater operates with paraffin, kerosene or diesel fuel. DO NOT use any other type of fuel.
- When used in the construction or agricultural industries ensure that the safety regulations in force are adhered to with regard to distances from animals, flammable materials and any other specified substances.
WARNING! Air contaminants taken into the heater may affect the heat output, damage the unit and may cause health problems.
Example: Bodyshop filler dust/paint overspray will damage the motor bearing, clog the filter and compressor and contaminate the combustion chamber causing flame flutter and health hazards. Please note that any parts damaged by filler dust/paint over spray will not be covered by warranty. Additionally, a cleaning charge will be made for any heaters damaged by filler dust/paint over spray. - Ventilation:
WARNING! only use the heater in well ventilated areas. careful consideration must be given to the placing of the heater to provide safe and comfortable heating. Ensure continuous ventilation is provided to the heater operating area. A ventilation opening must run to the outside of the premises in which the heater is to be operated.
The heater requires a fresh air opening of at least 2800cm².
For Example:- A two car garage door should be open at least 11cm.
- A single car garage door should be open at least 16cm.
- two 76cm windows should be open at least 20cm.

OPERATING INSTRUCTIONS
Starting the Heater.
NOTE: Always place on a flat, stable and level surface and check the electrical supply conforms to the data on the model plate. It is preferable to start the heater outdoors for the first time to allow any oils left over from the manufacturing process to be burnt off safely; run it for 10 minutes on this first burn. On first starting or if the heater is started after the oil tank has been emptied; the flow of oil to the burner may be impaired by air in the circuit. In this case the automatic digital control system will cut out (“safety lockout system”) the heater and it might be necessary to renew the starting procedure by depressing the reset button on the control panel (fig.6). This button will illuminate; wait two minutes before resetting. repeat if necessary.
- the drain plug is mid position beneath the tank and requires an 8mm hexagon key to operate. Ensure the plug is closed tight before care fully filling the fuel tank with approved fuel through either filler neck. DO NOT fill or drain whilst the heater is operating.
- Ensure both fuel caps are secure after filling.
- Plug the power cord into a suitable power socket, indication of power will be shown by the power light illuminating in fig.6. If using an extension lead see section 1.1.11.
- set the selector switch to “I” (ON) and the heater will start. Select “O” to turn off; the heater flame will extinguish with the fan continuing to run for approximately 90 seconds cooling the combustion chamber. set the selector switch to “II” (on) only when used in conjunction with a timer or a room thermostat. If the heater ceases operating and goes into a misfire sequence; set the selector switch to the “O” position and immediately switch the selector switch to the desired function “I” or “II”.
Note: The automatic digital control system of this heater is protected by a fuse in the module. If the heater fails to fire, check this fuse first, and replace if necessary. Also check the power source fuse and ensure that the correct voltage is being provided to the heater.
Inclined Feature.
- The flow of heat can be directed horizontally or inclined upward with an approximate 10° angle from the horizontal. Loosen the hand screws (fig.7) sufficiently but not completely from the side panels of the heater, using the handle bar as a lever locate the shoulder of the hand screws in the required hole position, and tighten the hand screws to secure. Utilise the lower adjustable deflector as required, fully extended when using horizontally to protect the floor for example.
To Stop the Heater.
- select “o” position on the control panel. combustion will stop, and the ‘cooling cycle’ (approximately 90 seconds) will begin.
- When the ‘cooling cycle’ is completed the fan stops running and it is safe to unplug the heater.
WARNING! Unplugging the heater before the ‘Cooling Cycle’ has finished may cause overheating, possible damage to the heater and heat plate, and will void the warranty.
To Restart the Heater.
- Be sure to follow all starting procedure precautions.
- Wait ten seconds after cooling cycle has completed.
- start heater by pressing “I” position on the selector switch, if required and linked to timer or thermostat choose “II” position. select “o” to stop.
Transporting.
- Before the heater is moved it must be stopped and unplugged from the mains.
- the heater must be totally cooled off.
- Ensure tank breather and filler caps are securely closed.
- for transporting short distances on level surfaces the handlebar and wheels are adequate. for more arduous locations and distances, lugs are fitted for lifting with rope, slings or chains.
WARNING! During handling and transporting, oil may leak. The fuel and breather caps are not an absolute seal, enabling air to enter and escape during operation. Never transport or service the heater while it is operating, while hot or plugged into the mains. Severe burns or electric shock could occur.


MAINTENANCE
use only original equipment replacement parts. the use of alternate or third party components can cause unsafe operating conditions, and will void the warranty. We suggest following a maintenance schedule as follows.

Fuel/Fuel Tank
flush every 200 hours of operation or as needed. DO NOT use water to flush the tank. The drain plug position which is shown in fig.5 and fig.7 requires an 8mm hexagon key to remove. It may be necessary to elevate the heater as ground clearance is small. After draining into a suitable container for recycling replace plug and
flush with a minimal amount of fresh kerosene/paraffin/diesel only.
Drain again into the container for recycling. clean drain plug, seal ring, seat and replace, tighten to seal.
Filters

the fuel filter and oil filter should be cleaned every 50 hours by rinsing them in clean kerosene/paraffin/diesel. The fuel filter can be viewed, accessed and removed through a cutout in the side panel (fig.9).This procedure shown in fig.10 should also be followed if the fuel is found to be contaminated. Replace the filter if damaged or old.
Nozzle

the nozzle should be cleaned or replaced at least once per heating season. this procedure should also be followed if the fuel is found to be contaminated.
- Remove the top cover and apron above fuel tank to access the blast tube area.
- remove the blast tube by unscrewing, not removing, the three hexagon headed machine screws through the flange. Unscrew approximately 4mm from the keyhole slots.
- rotate the blast tube anticlockwise until the large hole in the slots aligns with the fixings and remove/slide holding the tube horizontally (fig.11), finally resting the assembly as shown in fig.12.
Note! some internal parts are delicate and care is required in this process. - A 16mm A/F socket (fig.14) will be required to remove the nozzle. It will be necessary, with care to spring electrodes apart in removal.
DO NOT remove the top diffuser or damper disc. - to clean dirt from the nozzle, blow compressed air through nozzle nose. It may be necessary to soak the nozzle in clean kerosene/ paraffin/diesel to help loosen any particles (fig.14).
- replacement of the nozzle and blast tube is the opposite of removal.

Electrodes
Clean and re-gap every 600 hours of operation (fig.14), ensure electrode gap is between 2-3mm and they do not touch other components . to clean or replace the electrodes, the blast tube will require partial removal as described in 6.3.2, 6.3.3 and 6.3.4.
- offer a long screwdriver through the damper disc hole and slot to remove the cross head screw from the electrode tab.
- “unplug” locally the electrode from the high tension (Ht) lead.
- After removing the electrode, clean with a wire brush or replace.
Photocell

the Photocell should be cleaned at least once per heating season or more depending on conditions. It will be necessary to access the blast tube by removing the apron above the fuel tank as in 6.3.1.
- remove by pulling straight against the small resistance offered.
- use a cotton swab dipped in water or alcohol to clean the lens of the Photocell (fig.13).
- Align tang with a slot in the insert bush and replace by pushing straight against the small resistance offered.
Long Term Storage.
- Unscrew the drain plug and drain fuel into a suitable container (fig.5 and fig.7) Using a small amount of kerosene/paraffin/diesel, rinse and swirl the fuel around the fuel tank. Empty the tank completely. (All as described in 6.1)
- Never store leftover kerosene/paraffin/diesel over the summer. Using old fuel can damage the heater.
- store heater in a dry, well ventilated area.
- Be sure that the storage area is free of dust and corrosive vapours.
Keep this user’s Manual in an easily accessible place.
FACTORY SETTING
Damper disc (or throttle adjustment)
The nozzle head sub assembly large disc is a close fit inside the blast tube, hence directing and restricting (throttling) the airflow volume from the fan through the slotted holes to the diffuser. the diffuser mixes the supplied air with the fuel to give the optimum burn characteristics. this optimum setting for each burner is preset in the factory and this position is recorded and supplied with the heater instructions. the entire sub-assembly can be removed by loosening the cross head screw in the boss shown in fig.14. If removed for cleaning, for example, make a note of the phasing notch (fig.15) in the damper ring that aligns with the triangle apex in the bossed ring. It must be reassembled with the same notch to triangle apex orientation.

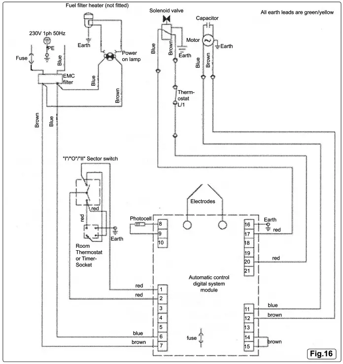
CIRCUIT DIAGRAM

Electrical hardware and wiring loom (see also fig.6)


TROUBLE SHOOTING
| Problem | Possible Cause | Possible Solution |
| Motor does not start, no ignition. | 1)No mains power. 2)Thermostat setting or other control setting 3)Thermostat or other control device defective. 4)Electric motor defective. 5)Burned out condenser. 6)Improper electrical connection to the automatic control digital system. | 1)Check mains, check fuse. 2)Check settings and function of switches. 3)Replace. 4)Replace. 5)Replace condenser. 6)Check all wiring connections using wiring diagram fig.16. |
| Motor starts, no ignition or the burner cuts out. | 1)Electric igniter 2)Flame control from the automatic control digiltal system. 3)Photocell defective. 4)Fuel delivery inadequate. 5)Moisture in fuelffuel tank. 6)Nozzle blocked. 7)Solenoid valve defective. | 1)Check HT leads, check electrode gap and condition (fig14). 2)A non serviceable item with expected trouble-free service of greater than 250,000 operations, contact your Sealey dealer for spare part or testing. 3)Clean/replace (fig.13) 4)Check motor pump coupling and fuel filter. 5)Rinse out fuel tank, and fill it with clean fuel. 6)Clean or replace oil nozzle (fig.14) see section 6.3. 7)Check connections and thermostat UT (fig.16) |
| Motor starts, heater emits smoke. | 1)Lack of air to support combustion. 2)Too much air supporting combustion. 3)Fuel contaminated. 4)Air leaks in fuel lines. 5)Not enough fuel at burner. 6)Too much fuel at burner. | 1)Ensure air inlets and outlets are free. Check manufacturers setting of damper throttling disc. See 7.1 and technical specifications in section 2. Clean burner discs and diffuser (fig.14). 2)Check damper disc setting (fig.15). 3)Drain fuel from tank, and fill with clean fuel. Clean or replace oil filter 4)Check filter glass cup is sealed and all pipe connections for integrity. See also section 5.1 on initial starting. 5)Pump pressure is factory set and should not be adjusted in normal circumstances |
| Contact your Sealey dealer for advice. Clean or replace nozzle. 6)Pump pressure is factory set and should not be adjusted in normal circumstances. Contact your Sealey dealer for advice. Clean or replace nozzle. |
Parts support is available for this product. To obtain a parts listing and/or diagram,
please log on to www.sealey.co.uk, email [email protected] or telephone 01284 757500.
| Environmental Protection. recycle unwanted materials instead of disposing of them as waste. All tools, accessories and packaging should be sorted, taken to a recycle centre and disposed of in a manner which is compatible with the environment. | WEEE Regulations. Dispose of this product at the end of its working life in compliance with the Eu Directive on Waste Electrical and Electronic Equipment. When the product is no longer required, it must be disposed of in an environmentally protective way. contact your local solid waste authority for recycling information. |
NOTE: It is our policy to continually improve products and as such we reserve the right to alter data, specifications, and component parts without prior notice.
IMPORTANT: no liability is accepted for incorrect use of this product.
WARRANTY: Guarantee is 12 months from purchase date, proof of which will be required for any claim.
INFORMATION: for a copy of our latest catalogue and promotions call us on 01284 757525 and leave your full name and address, including postcode. ![]()

Sole UK Distributor, Sealey Group,
Kempson Way, suffolk Business Park, Bury st. Edmunds, suffolk, IP32 7Ar
01284 757500
01284 703534
[email protected]
www.sealey.co.uk
![]()
Get In Touch
Call: 0845 6880112
Email: [email protected]
Our Address
Puravent, Adremit Limited, Unit 5a, Commercial Yard, Settle, North Yorkshire, BD24 9RH




















