KOHLER K-28246 ilestone 25 In Quartz Vanity Top with Rectangular Cutout

Features
- Designed for use with compatible 24″ (610 mm) KOHLER® vanities (sold separately).
- Available in many classic and warm neutral tones to work seamlessly in any decor.
- Pairs beautifully with select KOHLER® and Artist Editions® sinks for a complete solution.
- ½” (12.7 mm) countertop overhang per side.
- Flat, square edges give a crisp, finished look.
- Optional side and backsplashes available (sold separately).
- This product is covered under the Silestone® 25-Year Limited Warranty.
Material
- Silestone® quartz.
Installation
- Vanity top.
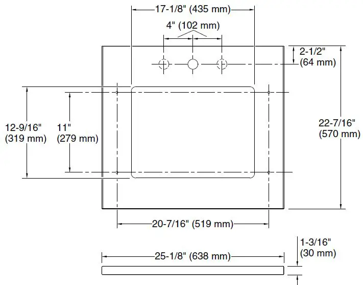
- Single faucet hole with pilot holes for optional 8″ (203 mm) widespread faucet configuration.
Recommended Products/Accessories
- K-2882 19-3/4″ rectangular undermount bathroom sink
- K-2330 Undermount bathroom sink
- K-20000 20-1/4″ rectangular undermount bathroom sink
Optional Products/Accessories
- K-28261 Silestone® quartz 25″ backsplash
- K-28266 Silestone® quartz side splash
Included Components
- Additional Components: Mounting Screws
Codes/Standards
None Applicable
Warranty
KOHLER® One-Year Limited Warranty
See the website for detailed warranty information. www.kohler.com.
Available Colors/Finishes
Color tiles are intended for reference only.

Dimension

Technical Information
All product dimensions are nominal.
- Installation: Vanity top/ITB
- Number of deck holes: 1
Notes
Install this product according to the installation instructions.
Contact Information
1-800-4KOHLER (1-800-456-4537)
Kohler Co. reserves the right to make revisions without notice to product specifications. For the most current Specification Sheet, go to www.kohler.com.
2-26-2023 22:43 – US/CA/MX.




















