95345 Titanium Heat Electric Storage Water Heater
User Manual
95345 Titanium Heat Electric Storage Water Heater
Electric storage water heater 
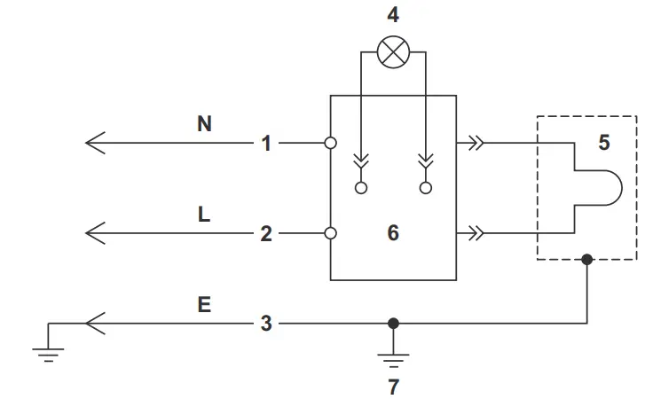
Wiring diagram
1. Sky blue
2. Brown
3. Yellow-green
4. Indicator lamp
5. THE 1.5 kW 230 V
6. Thermostat
7. EWH casing
Heating time and energy consumption rates
| Capacity, l | Heating time, | Constant loss, kWh/day | The actual annual energy consumption, kWh |
| 30 | 1 hour 05 min | 1,08 | 394,2 |
| 50 | 1 hour 45 min | 1,36 | 496,4 |
| 60 | 2 hour 10 min | 1,54 | 562,1 |
| 70 | 2 hour 30 min | 1,8 | 565,75 |
| 80 | 2 hour 50 min | 1,55 | 642,4 |
| 100 | 3 hour 30 min | 1,76 | 970,9 |
| 150 | 4 hour 40 min | 2,66 | 657 |
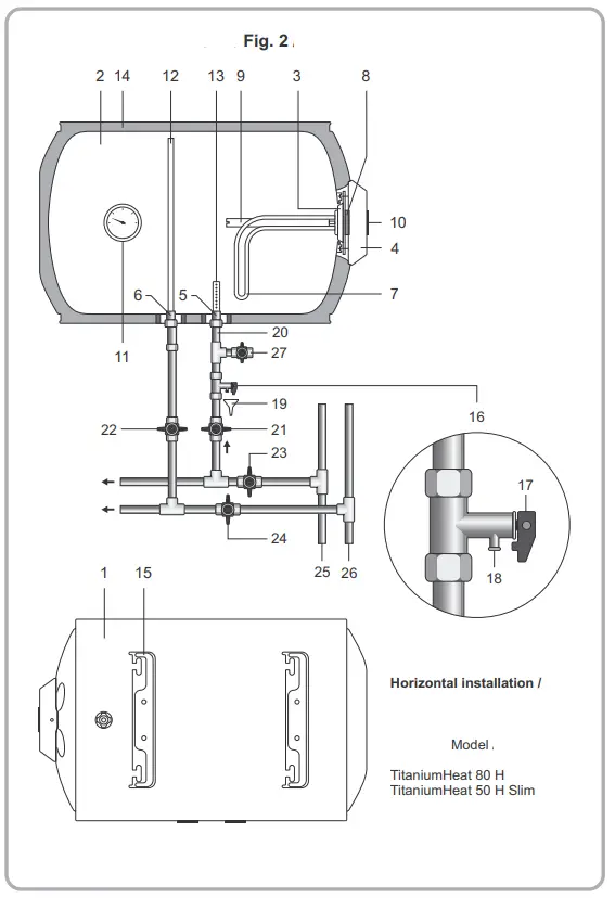
Description Fig. 1, 2
| 1 Outer casing 2 Inner tank (reservoir) 3 Removable flange 4 Protective cover 5 Cold water inlet pipe (with blue ring) 6 Hot water outlet pipe (with red ring) 7 Tubular electric heater (TEH) 8 Thermostat 9 Anode 10 Thermostat control unit 11 Temperature indicator 12 Hot water inlet pipe 13 Cold water disperser 14 Thermal insulation | 15 Mounting bracket 16 Relief valve 17 Relief valve control knob 18 Relief valve exhaust pipe 19 Drainage 20 Cold water inlet 21 Cold water inlet valve 22 Hot water inlet valve 23 Cold water cut-off valve 24 Hot water cut-off valve 25 Cold water main pipe 26 Hot water main pipe 27 Drain valve |
Dear customer,
Thank you for purchasing a Thermax water heater. Our company wishes you comfort when using our products!
Before using the electric water heater for the first time, please carefully read this manual and strictly adhere to the recommendations set forth herein.
We would like to draw your attention to the fact that it is particularly important for the marketing organization to correctly fill in the warranty certificate! The warranty period shall be calculated from the date of sale of the water heater.
Examine the product appearance in front of the seller’s representative with a view to detect the presence of mechanical damage (dents, scratches, etc.). Mechanical defects found at home will not be considered as warranty-relevant ones!
Do not install or switch on the product in fire-hazardous areas, with corrosive, acidic environment.
Do not connect the water heater to a power supply network that does not have a ground connection!
Particularly important items are marked with the Warning Sign.
This manual applies to electric household accumulative water heaters of Thermax trade mark with a volume from 30 to 150 liters. The full name of the model of the water heater that you purchased is indicated on the identification plate on the water heater casing.
Supply Package
Water heater with the residual current device …………. 1 pc.
Relief valve of GP type…………………………………. 1pc.
Anchor for attachment of…………….. 2 pcs. (4 pcs. for model Titanium Heat 150 V)
User manual…………………………………. 1 pc.
Package……………………………………………… 1 pc.
Intended Use
Electric water heater (hereinafter referred to as EWH) is designed to provide hot water to household and industrial facilities that have a cold water supply pipeline with the parameters shown in the table «Technical Specifications».
The EWH shall be operated in closed heated rooms and shall not be intended for operation in continuous flow mode.
Technical Specifications
| Pressure in the cold water line, min/max | 0,05 / 0,7 MPa |
| Power supply network – ingle-phase, voltage, frequency | ~230 V, 50 Hz |
| EWH Wattage | 1500 W |
| Diameter of the threads of the cold and hot water connection pipes | G1/2 |
| Protection class of the water heater | IPX4 |
| Operation at ambient temperature | +3…+40 °С |
| Adjustment range of water heating temperature | +18…+70 °С |
| Accuracy of temperature maintenance in storage mode | ±5 °С |
The manufacturer reserves the right to change the design and characteristics of the water heater without prior notice.
Information concerning the application area and the method of determining the manufacture date:
The release date of the product is encoded in a unique serial number located on the identification plate (sticker) placed at the bottom of the product. The serial number of the product consists of thirteen digits. The third and fourth digit of the serial number represent the year of issue, the fifth and sixth the month of release, the seventh and eighth the day of the EWH release date.
Indication of security measures
- All installation, plumbing, and electrical work shall be carried out by qualified personnel only!
- Electrical safety and anti-corrosion protection of the EWH are only guaranteed upon availability of efficient grounding performed in accordance with the current Electrical Installation Regulations (EIR).
- WHEN INSTALLING AND OPERATING THE EWH, IT SHALL BE FORBIDDEN TO:
• connect the power supply if the EWH is not filled with water; remove the protective cover when the power is on;
• use the EWH without grounding or use water pipes as grounding;
• plug the EWH in the water supply system with a pressure of more than 0,6 MPa. If the pressure in the water supply system exceeds 0,6 MPa or is not stable and periodically exceeds 0,6 MPa, it is necessary to install a suitable reducing valve (not included in the EWH supply package) at the inlet of cold water in the EWH, in front of the relief valve (in the direction of water flow) in order to reduce the pressure of cold water until it becomes normal.
• It shall be forbidden to install a pressure control valve between the EWH and the relief valve; connect the EWH to the water supply line without a relief valve;
• drain water from the EWH when the power is on;
• use spare parts not recommended by the manufacturer; use water from the EWH for cooking;
• use water containing mechanical impurities (sand, small stones) that can lead to the malfunction of the EWH and relief valve;
• switch on and use the EWH with closed input and output valves (branch pipes).
• change the design and mounting dimensions of EWH brackets; - Freezing of water in the device is unacceptable, as this leads to its failure, which is not a warranty case.
- The EWH is not intended for use by persons with reduced physical, tactile, or mental capabilities, or by persons who cannot use the EWH, except when it is monitored or in accordance with instructions from persons responsible for EWH safety. Children can use the EWH only under the supervision of persons who know how to safely operate it. One shall always bear in mind that there is a risk of scalding with water and electric shock.
- If the buyer does not comply with Clauses 1 4 of this section, the manufacturer’s warranty shall be canceled.
- It shall be forbidden to leave the EWH switched on in the power supply network in the absence of supervision for more than 1 day.
Description and principle of operation
The EWH consists of casing, a heating element, a thermostat, a relief valve, and a protective cover with control elements.
The EWH casing consists of a steel tank thermally insulated with environmentally friendly polyurethane foam and two threaded pipes: cold water inlet pipe (with a blue ring) and hot water outlet pipe (with a red ring). The inner tank has a special glass-porcelain coating, which reliably protects the inner surface from chemical corrosion.
The following components are mounted on a removable flange (3), Fig.1, 2: tubular heating element (THE) (7), a thermostat (8), and a magnesium anode (9). The heater is used for heating water, and the thermostat makes it possible to adjust the heating temperature to +70°C (± 5°C). The magnesium anode is designed to neutralize the effects of electrochemical corrosion on the inner tank.
The water temperature in the inner tank is adjusted by means of the thermostat handle (10) located on the protective cover of the water heater. The thermostat also contains a thermal switch the device protects the EWH from overheating, which disconnects the heater from the power supply network when the water temperature exceeds +93° (±5°). EWH may heat up during operation. The activation of the thermal protection of the water heater is not its malfunction. To return the water heater to the working state, press the thermo switch rod located under the protective cover of the EWH (Fig. 3).
The relief valve functions as a non-return valve by preventing the water from entering the water pipe in case of pressure drop in the latter and in case of increase in the pressure in the tank with strong water heating and as a relief valve by relieving the overpressure in the tank when the water is heated up strongly.
Depending on the EWH model, the protective cover (4) has one or two control lamps indicating the instrument operation or power selection keys.
In models with a single control lamp, the lamp indicates the EWH operation mode it is lit up when the water is heated and goes out when the set temperature has been reached.
In models with two control lamps, the «Heating» Lamp indicates the EWH operation mode it is lit up when the water is heated and goes out when the set temperature has been reached. The «Power» Lamp is lit up constantly it indicates the device connection to the power supply network.
For models with power selection keys, the indicator of the EWH operation mode is used for the lamps intended for highlighting power selection keys they are lit up when the water is heated and go out when the set temperature has been reached.
A Residual Current Device is mounted on the EWH electric cord, which ensures the EWH disconnection from the power supply network when a leakage current appears on the grounded elements of the electrical appliance.
Placement and Installation
It is advisable to install the EWH as close as possible to the place of use of hot water in order to reduce heat losses in the pipes.
When selecting the installation site, the total weight of the EWH filled with water shall be taken into account. The wall and the floor with a weak load-carrying capacity shall be strengthened, respectively. When drilling (making) holes in the wall, it is necessary to take into account the cables, channels, and pipes passing through it. The EWH is suspended using the casing brackets on the anchor hooks fixed in the wall.
The manufacturer shall not bear responsibility for the EWH fall due to its incorrect installation.
The installation of hooks in the wall shall prevent the spontaneous movement of the EWH brackets over them. For the purposes of EWH maintenance, the distance from the protective cover to the nearest surface in the direction of the removable flange axis shall be at least 0.5 meters.
In order to avoid causing harm to the property of the customer and (or) third parties in case of faulty hot water supply system, it is necessary to install the EWH in premises that are equipped with waterproofing floors and drainage to the sewage system, and under no circumstances should you place non-waterproof items exposed to water under the EWH. When placing the EWH in unprotected premises, it is necessary to install a protective tray (not included in the EWH supply package) under the EWH equipped with drainage into the sewage system.
In case EWH is installed in places that are difficult to access with a view to perform technical and warranty maintenance (mezzanines, alcoves, ceiling void, etc.), the EWH shall be installed and dismantled by the customer independently or at his/her own expense.
Connection to the water supply system
It is necessary to supply cold water to the EWH using a pre-treatment filter with a purification degree of at least 200m.
Install the relief valve (16) shown in Fig. 1, 2 at the cold water inlet (20) the pipe with a blue ring, for 3,5 4 turns and ensure the connection tightness with any sealing material (flax, thread-fill tape, etc.).
When the water heater is operating, water can leak from the relief valve outlet pipe to relieve excessive pressure, which occurs for the purpose of ensuring the water heater safety. The discharge pipe shall remain open to the atmosphere and be directed downward constantly. It is advisable to attach a rubber or silicone tube of the appropriate diameter to the drainage hole with a view to drain water. It is necessary to drain a small amount of water regularly (at least once a month) through the relief valve discharge pipe into the sewage system to remove calcareous sediments and to check valve efficiency.
The handle (17) is designed to open the valve (18). Make sure that during the operation of the water heater this handle is in the position preventing water from being drained from the tank.
The connection to the plumbing system shall be made in accordance with (Fig.1, 2) using copper/plastic pipes or special flexible plumbing designed for a temperature of at least 100°C at the maximum operation pressure. It shall be forbidden to use flexible connectors used in the past. Plumbing and locking accessories shall be in line with the parameters of the water supply network and have the necessary quality certificates. During installation, do not use excessive force to avoid damage to the pipe threads, as well as the glass and porcelain finish of the inner tank.
CAUTION! It shall be forbidden to use the EWH without a relief valve or use a valve made by other manufacturers.
After connecting the EWH, make sure that the cold water shutoff valve in the EWH (23) is open and the hot water shutoff valve (24) is closed. Open the cold water inlet faucet in the EWH (21), the hot water outlet faucet from the EWH (22) and the hot water faucet on the mixer to allow air to flow out of the EWH. When the EWH has been filled in full, water will flow from the mixer faucet in the form of a continuous stream. Close the hot water faucet on the mixer, check the flange for leaks and, if necessary, tighten the bolts.
When connecting the EWH in places not equipped with running water, it is acceptable to supply water to the EWH from the auxiliary reservoir using a pump station, or from a reservoir placed at a height of not less than 5 meters from the top of the EWH.
Connection to the power supply network
Before switching on the heater, make sure that its parameters are in line with the technical characteristics of the water heater.
CAUTION! Before switching on the power supply, make sure that the EWH is filled with water!
The water heater shall be grounded to ensure its safe operation.
The EWH is equipped with a regular power cord with or without a europlug and a residual current device (optional). The electrical socket shall have a grounding terminal with a ground wire supplied to it and be located in a place protected from moisture or meet the requirements not lower than IPX4.
It is important to constantly monitor the EWH after the initial powering. In case of any parameter mismatch (heating, temperature, indication, thermostat failure), contact the maintenance department.
Maintenance
Periodic maintenance and timely replacement of the magnesium anode are indispensable conditions for the long-term operation of the EWH. Failure to comply with these requirements is the basis for withdrawing the EWH from warranty service. Maintenance and replacement of the magnesium anode are not included in the manufacturer’s and the seller’s warranty liabilities.
During maintenance, the check is performed with respect to the condition of the magnesium anode and the presence of scale on the THE. Simultaneously, the sediment is removed, which may accumulate at the bottom of the EWH.
The magnesium anode shall be replaced at least once a year. If water contains a large number of chemical impurities, the magnesium anode shall be replaced every six months. The formation of scale on the heating element may lead to its failure, which is not a warranty case, and its replacement is not included in the manufacturer’s and the seller’s warranty liabilities.
If there is some scale on the heating element, it can be removed with the use of descaling agents or mechanically. When removing sediment from the EWH, do not apply excessive force and use abrasive cleaners to avoid damaging the protective coating of the inner tank.
The first maintenance procedure is particularly important, because the intensity of the formation of scale and sediment and the consumption of magnesium anode serve as the grounds for determining the timing of subsequent maintenance, which in turn provides an opportunity to extend the EWH life cycle. If the above requirements are not fulfilled, the EWH life cycle is shortened, the probability of EWH failure increases, and the warranty liabilities are terminated.
To carry out maintenance and replace the magnesium anode, one shall perform the following steps:
- Power off the EWH;
- Allow hot water to cool down or use it through a mixer;
- Block the flow of cold water into the EWH;
- Unscrew the relief valve or open the drain valve;
- Put the rubber hose on the cold water inlet pipe or on the drain valve by directing its second end into the sewage system;
- Open the hot water faucet on the mixer;
- Drain the water from the EWH through the cold water inlet or drain valve;
- Remove the protective cover, disconnect the wires, unscrew and remove the removable flange from the casing;
- Replace the magnesium anode, clean the THE from the scale, if necessary, and remove the sediment;
- Perform the assembly, fill the EWH with water and switch on power supply.
When carrying out the EWH maintenance using the resources of a specialized organization, a corresponding mark shall be made in the warranty certificate with the stamp of the organization that carried out the maintenance. When the magnesium anode is replaced by the customer, a sales receipt for the purchase of the magnesium anode shall be attached to this EWH manual.
Possible malfunctions and remedies
In case of malfunction in the product operation, it is necessary to disconnect it from the power supply network and shut off the water supply.
| Failure | Possible Reason | Remedy |
| The pressure of hot water from the EWH has decreased. Cold water pressure has not changed | Clogging of the relief valve inlet Opening | Remove the valve and rinse it with water |
| Heating time has increased | THE is covered with scale crust | Remove the THE and descale it |
| The voltage in the power supply network has decreased | Contact the organization responsible for the maintenance of the power supply network | |
| EWH works, but does not heat water | The valve 24 (Flg.l. 2) is not closed or failed | Close or replace the valve 24 (Fist 2) |
| Frequent triggering of the thermal switch | The set temperature is close to the temperature limit | Turn the thermostat knob toward temperature decrease (—) |
| The thermostat tube is covered with scale | Remove the removable flange from the EWH and carefully clean the pipe from scale | |
| The powered EWH does not heat water. There is no backlight of control lamps. | There is no voltage in the power supply network | Contact the organization responsible for the maintenance of the power supply network |
| The residual current device was triggered | Press the reset button of the residual current device. Check the voltage. | |
| The thermo switch was triggered or is not switched on | Disconnect the EWH from the power supply network. remove the protective cover. press the thermal switch button until it is secure. install the cover and switch on the power supply (Fig. 31 | |
| The mains cable is damaged | Contact the service center |

The abovementioned malfunctions are not defects of the EWH and shall be eliminated by the customer themselves or by a specialized organization at the customer’s expense.
Where impossible to eliminate the malfunction using the above recommendations or in case of any other problems, contact the service center specified in the user manual.
Transportation and storage of electric water heaters
Electric water heaters shall be transported and stored in accordance with the handling symbols shown on the package:
- The need to protect the cargo from moisture;
- Frailty of the cargo, condition of careful handling;
- Recommended temperature range for cargo storage: from +10° to +20°;
- Correct vertical position of the cargo;
Manufacturer’s Warranty
The manufacturer sets the warranty period for the water heater for 2 years, while the warranty terms for the constituent parts and components are as follows:
for water-containing reservoir (internal tank)- 5 years;
for other components (heating element, thermostat, indicator lamps, gaskets, relief valve) 2 years.
The temperature indicator located on the EWH casing is not an accurate measuring device and is intended for indicating the process of heating or cooling the water contained in the water heater tank. The incorrect operation of the temperature indicator is not a reason for replacing the EWH under the warranty.
The warranty period shall be calculated from the date of sale of the EWH. In the absence or correction of the date of sale and the store stamp, the warranty period shall be calculated from the date of release of the EWH. Claims during the warranty period shall be accepted if there is a warranty certificate with the dealer’s marks and the identification plate on the EWH casing.
CAUTION! The failure of the relief valve or power cord is not a malfunction of the EWH itself and shall not entail the EWH replacement. The responsibility for compliance with the installation and connection rules rests with the buyer (in case the buyer performs the connection using their own resources) or with the installation organization that performed the connection.
When installing and operating the EWH, the customer shall comply with the requirements ensuring trouble-free operation of the device during the warranty period:
- comply with the safety measures and installation, connection, operation, and maintenance rules
- set forth herein;
- exclude mechanical damage from negligent storage, transportation, and installation;
- eliminate the freezing of water in the EWH;
- use for heating in the EWH water without mechanical and chemical impurities; use the EWH with a properly operating relief valve from the EWH supply package.
The manufacturer shall not be liable for any shortcomings resulting from a violation by the customer of the rules for the installation, operation, and maintenance of the EWH described herein, in particular in cases where these shortcomings have arisen due to the unacceptable parameters of the networks (power and water supply networks) in which the EWH is used and due to the interference of third parties. The manufacturer’s warranty shall not apply to the claims for the EWH appearance.
Repair and replacement of parts and components within the warranty period do not extend the EWH warranty period taken as a whole, while the warranty period for replaced or repaired components ends after the expiry of the EWH warranty period.
Disposal
Subject to compliance with the rules for the installation, operation, and maintenance of the EWH and the conformity of the quality of the water used to the current standard, the manufacturer sets a service life of 7 years from the date of purchase of the EWH. All components of the water heater are made of materials that can be used, if necessary, for its environmentally safe disposal, which shall be in accordance with the rules and regulations of the country where the water heater is used.
Information concerning the Manufacturer
Manufacturer:
HEATING EQUIPMENT LTD
LLC Heating Equipment
44 Moscow highway, City of Tosno, Leningrad Region, 187000, Russia
All models have been certified and comply with requirements of Technical Regulations of the Customs Union, 004/2011, 020/2011, Certificate No. RU C-RU.A71.B.00205/19 and European Directives LVD – 2014/35/EU, EMC – 2014/30/EU.
Warranty and technical support service in Russia: tel.: +7 (800) 333-50-77
(Monday to Friday from 09:00 AM to 08:00 PM, Saturday and Sunday from 10:00 AM to 05:00 PM according to the Moscow time, call toll-free in Russia)
e-mail: [email protected]
Head Service Center EWH installation and connection, warranty and post-warranty repair:
63 Blagodatnaya Street, Saint Petersburg, 196105, Russia, tel.: +7 (812) 313-32-73.
For phone numbers and addresses of authorized service centers in other cities and regions of Russia, visit the website www.thermex.ru or contact the service center indicated by the dealer:
Warranty certificates
Note of sale
Model
Nr. series
Date of sale
Dealer
Service center indicated by dealer
Stamp of dealer
Warranty certificates
- Model
- Serial no
- Date of sale
- Dealer
- Stamp of dealer
- Filled in by dealer

- Date of acceptance
- Issue date
- Defect
- Executed work
- Specialist (name)
- Stamp of service center
- Filled in by service center


www.thermex.ru
https://tm.by
– TM.by




















