Vive PowPak Fixture Controls

Vive PowPak Fixture Controls
The PowPak wireless fixture control is a radio-frequency (RF)
device that controls either the Lutron EcoSystem or 0 –10 V
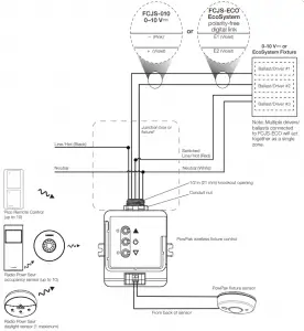
electronic fluorescent ballasts and LED drivers (depending on model). This is based on RF input from Pico remote controls, Radio Powr Savr wireless sensors, or wired inputs from the PowPak fixture sensor. The control module mounts to the exterior of a fixture or a U.S.-style junction box. Communication with RF input devices is accomplished using Lutron Clear Connect RF Technology. See Applications and Selecting the Right Control for more details on selecting the appropriate controls for your application.
The PowPak fixture sensor (optional) mounts to the ceiling or to a fixture and measures light in the space (daylighting) while detecting people moving within an area to determine passive infrared occupancy. The sensor controls the lights to balance light level in the space, combining convenience, exceptional energy savings, and ease of installation. The sensor contains two wires which connect to the PowPak wireless fixture control.
These products are also compatible with the Vive hub which enables a simple setup process using a standard web browser on any Wi-Fi enabled phone, tablet or computer. It also enables control and monitoring of all Vive devices. The Vive hub can be added at any time. System reprogramming will be required. For a complete list of features supported with the Vive hub, see specification submittal 369902 at www.lutron.com
Note for Replacement: FCJS – the “S” model can replace the non-”S” model.
Models Available
| Model Number | Description |
| FC-SENSOR | PowPak fixture sensor (occupancy) |
| FC-VSENSOR | PowPak fixture sensor (vacancy) 1 |
| FCJS-0102 | PowPak wireless fixture control for 0-10 V- ballasts and drivers |
| FCJS-ECO 3 | PowPak wireless fixture control for EcoSystem ballasts and drivers |
| FCJS-010-EM 4 | Emergency PowPak wireless fixture control for 0-10 V- ballasts and drivers |
| FCJS-ECO-EM 4 | Emergency PowPak wireless fixture control for EcoSystem ballasts and drivers |
- Lights do not turn on automatically with a vacancy sensor. A Pico remote control is needed to turn on the lights.
- For a bulk pack of 8 pieces, order FCJS-010-BULK8.
- For a bulk pack of 8 pieces, order FCJS-ECO-BULK8.
- See App Note #628 (P/N 048628) on www.lutron.com for emergency lighting applications.
Applications and Selecting the Right Control
Suggested applications:
PowPak Fixture Sensor:
– Great for individual control in cubicles
– Maximize energy savings (fixtures in unoccupied spaces do not turn on)
– Simplifies the determination of what’s needed for a job
Radio Powr Savr Sensors:
– Cover large areas with a single sensor
– Sensor can mount anywhere in the space
– Fixtures assigned to Radio Powr Savr occupancy sensors turn on and off together
– In order to have a row of fixtures dim up or down together in response to daylight, a Radio Powr Savr daylight sensor must be used
Daylighting:
Radio Powr Savr vs. PowPak Fixture Sensor
PowPak wireless fixture controls have two options for daylighting. The PowPak fixture sensor can be used for simple, out-of-the-box daylighting. The Radio Powr Savr wireless daylight sensor can be added for the ability to adjust and fine tune daylighting settings.
- Radio Powr Savr daylight sensors provide the ultimate flexibility in daylighting: target light level (tuning) and gain value (through calibration) can be adjusted independently. Daylighting rows / zones can be setup so that multiple fixtures dim in unison (also known as “grouping”). Radio Powr Savr daylight sensors can be placed anywhere since they are completely wireless, and performance can be optimized through placement and fine tuning.
- PowPak fixture sensors are an easy way to add simple
daylighting to a localized area without requiring setup.
PowPak fixture sensors are quick to install with a two wire connection, and calibrate automatically. Each PowPak fixture sensor should be mounted within 2 ft (0.6 m) of the fixture it is controlling.
The following can be used per each PowPak wireless fixture control:
| Wired: | |
![]() |
|
| Wireless: | |
![]() |
|
![]() |
|
![]() |
|

Notes:
- When using a Radio Powr Savr daylight sensor in conjunction with both a PowPak wireless fixture control and PowPak fixture sensor, the Radio Powr Savr daylight sensor will provide the daylighting input to the control module, and the PowPak fixture sensor daylighting input will be ignored.
- When using a Radio Powr Savr occupancy sensor in conjunction with both a PowPak wireless fixture control and PowPak fixture sensor, occupancy data from both sensors is used; either one detecting occupancy will turn the lights on, and the lights turn off only when both sensors have gone vacant (no longer detect occupancy).
- Grouping can be accomplished by following the basic procedure described in the install guide found at www.lutron.com for putting multiple control modules into association mode. This enables a Radio Powr Savr occupancy sensor or Radio Powr Savr daylight sensor to group and control more than one fixture together.
- Radio Powr Savr occupancy sensors can be used with the PowPak fixture sensor to add coverage area.
Specifications
PowPak Fixture Sensor
- FC-SENSOR, FC-VSENSOR:
– cULus Listed - Complies with requirements for use in other spaces used for environmental air (plenums) per NECR 2014 300.22(C)(3)
Power/Load
- Operating voltage: 12 V-
- Operating current: 25 mA
- IEC SELV / NECR Class 2
Environmental
- Ambient operating temperature: 32 °F to 104 °F (0 °C to 40 °C), 0%–90% humidity, non-condensing; indoor use only
Warranty
- 5 Year Limited Warranty. For additional Warranty information, please visit: Sensor_Warranty [PDF]
Wiring
• Sensor wires are IEC SELV / NECR Class 2 rated
Settings
- Occupancy sensor timeout (fixture sensor): 15 minutes
- Utilizes a green laser pointer (by others, not a Lutron product) to associate Pico remote controls and Radio Powr Savr sensors to PowPak wireless fixture controls via RF. See Lutron Application Note #407
(P/N 048407 at www.lutron.com) for more information.
– Green laser specifications:
∙ Wave output: constant
∙ Wavelength: 532 nm
∙ Output power: 5 mW maximum - 2-wire connection between a PowPak fixture sensor and a PowPak wireless fixture control
– The wires are interchangeable to eliminate miswiring
– The sensor comes with 2 ft (0.6 m) of wires
– If hanging pendant fixtures, the maximum wire length between fixture sensor and fixture control is 12 ft (3.7 m). Sensor should be mounted no more than 2 ft (0.6 m) from the fixture.
WARNING
DANGER
Eye injury and / or blindness hazard; avoid direct eye exposure to laser beam.

- Use of laser pointer is NOT recommended for use with Lutron products located near reflective surfaces.
- Do NOT aim or shine laser pointers at any person, pet, vehicle, or aircraft directly, or through reflection by mirrors or other shiny surfaces. Do NOT view the laser beam through binoculars, magnifying glass, or other optical devices.
- Do NOT allow children to use laser pointers.
- Read and follow the laser pointer manufacturer’s instructions on safe use. In the event of injury, get medical attention immediately.
Features
Occupancy Sensor:
- Passive infrared motion detection with exclusive Lutron XCT Technology for major and minor motion detection.
- 360˚ field-of-view.
- Up to 300 ft2 (27.9 m2 ) major motion coverage and 150 ft2 (13.9 m2 ) minor motion coverage.
Daylight Sensor:
- Daylight sensor has simple, automatic calibration out-of-the-box.
- Designed to give a linear response to changes in perceived light level.
- Detects ambient light level changes from 0 to 1600 lx (0 to 150 fc).
- Daylight compensation through Lutron reliable closed loop proportional control. For more information, see daylighting_white-paper [PDF]
PowPak Wireless Fixture Control
Regulatory Approvals
- Title 20 / 24 certified lighting control device. Complies with Title 20 and Title 24 section 110.9
- Enables compliance with lighting control requirements in ASHRAE 90.1 and IECC
- Complies with requirements for use in other spaces
used for environmental air (plenums) per NECR 2014 300.22(C)(3) - Listed in accordance to CAN / ULC S102.2-2010 with a Flame Spread Rating of 0 and a Smoke Developed Classification of 40, with a minimum spacing of 6 ft (1.83 m) off center
- FCJS-010, FCJS-ECO:
– cULus Listed
– IC (Canada)
– NOM Certified
– FCC Approved. Complies with the limits for a Class B digital device, pursuant to Part 15 of the FCC Rule - FCJS-010-EM, FCJS-ECO-EM:
– cULus Listed
– IC (Canada)
– NOM Certified
– FCC Approved. Complies with the limits for a Class B digital device, pursuant to Part 15 of the FCC rule
– UL 924 Listed
Environmental
- Ambient operating temperature: 32 °F to 104 °F (0 °C to 40 °C), 0%–90% humidity, non-condensing; indoor use only
- All drivers and ballasts used with Vive wireless controls must comply with the limits for a Class A device, pursuant to Part 15 of the FCC rules
Wiring
- Control wires can be run as either Class 1 or Class 2
– FCJS-010 (pink1 and violet wires)
– FCJS-ECO (violet wires)
This wire may be gray on older products or in retrofit applications
Power / Load
- Operating voltage: 120–277 V~ 50 / 60 Hz
220–240 V~ for Israel and Hong Kong - Power measurement: Accurate to ±2%, or 0.5 W, whichever is higher.
- 1 A switching maximum, electronic ballast or LED driver
- No more than 3 drivers or ballasts.
- Standby power consumption < 1 W
- Works with all ballasts and drivers that provide a current source compliant to IEC 60629 Annex E.2, and whose inrush current does not exceed NEMA410 standards for electronic ballast / driver.
- FCJS-010
– Controls up to 6 mA of 0–10 V- controlled fixtures.
∙ Controls up to 3 ballasts or drivers (IEC 60929 Annex E.2 requires the ballast or driver to limit the current draw to 2.0 mA maximum).
– 0–10 V- control link on FC-010 automatically sources or sinks to third-party fixtures. - FCJS-ECO
– Connects to Lutron EcoSystem LED drivers or ballasts.
∙ Controls up to 3 EcoSystem ballasts or drivers
∙ Multiple ballasts or drivers control only one combined zone of lighting.
Frequency
- 431.0– 437.0 MHz (U.S.A., Canada)
- 433.05 – 434.79 MHz (Israel, Hong Kong)
Range
- Wireless sensors and controls must be located within 60 ft (18 m) line of sight, or 30 ft (9 m), through walls, of the associated control module.
- Utilizes Lutron Clear Connect RF Technology.
Settings
- Low-end trim adjustment (default is 1 V- or ballasts / drivers minimum for Lutron EcoSystem).
- High-end trim adjustment (default is 10 V- or 100% for Lutron EcoSystem ballasts / drivers).
- Minimum Light Level Setting (optional). Certain applications, such as hallways, may require that the lights never turn off. For these areas, select the minimum light level option and the load will lower to programed low-end level.
- Daylighting dims lights down to OFF.
- Occupied light level can be changed via the Radio Powr Savr occupancy sensor.
- Favorite light level can be set using a Pico remote control.
- Power failure memory: If power is interrupted, connected loads will return to the previous level prior to interruption.
Mounting 1
- This device can be installed on a fixture / troffer, junction box, or marshalling box using the conduit nut or with mounting screws. The device must NOT be mounted inside a fixture or other metallic enclosure – only on the exterior of a fixture/troffer, junction box, or marshalling box. Improper installation can result in degraded wireless communications and intermittent or sustained communications failures and will not be covered under warranty. For applications (in U.S.A.) where code requires the PowPak fixture control to be installed inside an additional junction box, please see Lutron Application Note #423 (P/N 048423) at www.lutron.com for how to perform this installation. For all other installations, refer to the installation instructions and consult local and national electric codes for proper installation. The wireless fixture control needs to be accessible for some programming steps. Record where it is mounted so that it can be easily located later.
For more guidelines and installation best practices, refer to Lutron Application Note #620 (P/N 048620) at www.lutron.com
Emergency Model Sequence of Operation
With a Vive hub:
- Normal mode: The FCJS-010-EM / FCJS-ECO-EM can dim loads as normal and respond to local button presses, Pico wireless controls, and occupancy / daylight sensors.
- Emergency mode: Emergency override mode can be entered on the emergency PowPak either by receiving an override signal* from the Vive hub or by losing power for greater than 250 ms then being powered on again. When in emergency override mode the PowPak will go to full output / relay closed. It will not respond to any local button presses, Pico wireless controls, occupancy sensors, daylight sensors, timeclock events, or preset scene calls. The emergency light level of the emergency PowPak can be configured using the Vive hub.
Return from emergency mode to normal mode:
When normal power is restored to the Vive hub or the override signal* from the Vive hub is cleared, and power is restored to the emergency PowPak, the emergency PowPak will return to the previous light level in most cases within 3 minutes, but guaranteed within 10 minutes of normal power being restored. It will again respond to local button presses, Pico wireless controls, occupancy sensors, daylight sensors, timeclock events, and preset scene calls.
Without a Vive hub:
- Normal mode: The FCJS-010-EM / FCJS-ECO-EM can dim loads as normal and respond to local button presses, Pico wireless controls, and occupancy / daylight sensors.
- Emergency mode: If the emergency PowPak wireless fixture control loses power for greater than 250 ms, it will automatically go into emergency mode (full output, relay closed) for 90 minutes, when emergency power is restored to the PowPak. The FCJS-010-EM/ FCJS-ECO-EM will not respond to all local button presses, Pico wireless controls, occupancy and daylight sensors for 90 minutes.
- Return from emergency mode to normal mode:
When normal power is restored, the emergency PowPak will remain in emergency mode for 90 minutes (full output, relay closed). It will then return to the previous light level and accept local button control, inputs from Pico wireless controls, and occupancy / daylight sensors.
Warranty
- 1 year limited warranty. The customer can register the product to increase the warranty period from 1 year to 5 years. Please visit 369-119_Wallbox_Warranty [PDF] for warranty details.
Note: See App Note #628 (P/N 048628) on www.lutron.com for emergency lighting applications.
- Override signal triggered from the contact closure #2 on the Vive hub from one of the following inputs:
– Fire alarm control panel
– Security system
– LUT-ELI-3PH
For more information on the functionality of contact closure #2 on the Vive hub, see the Vive hub spec sheet (P/N 369902).
Dimensions
Wireless Fixture Control
Measurements shown as: in (mm)

Sensor
Measurements shown as: in (mm)

Sensor Detection Range

Definitions:
Major motion: Movement of a person entering or passing through an area.
Minor motion: Movement of a person occupying an area and engaging in small activities (e.g., reaching for a telephone, turning the pages of a book, opening a file folder, picking up a coffee cup).
Range Diagrams

NOTE: Wireless sensors and controls must be located within 60 ft (18 m) line of sight, or 30 ft (9 m), through walls, of the associated control module.
Wiring / System Diagram

- NOTE: The control module mounts to the exterior of a fixture or a U.S.-style junction box.
1 This wire may be gray on older products or in retrofit applications.
The Lutron logo, Lutron, PowPak, Radio Powr Savr, EcoSystem, Pico, Vive, XCT, and Clear Connect are trademarks or registered trademarks of Lutron Electronics Co., Inc. in the US and/or other countries.
All other product names, logos, and brands are property of their respective owners.























