Outdoor Water Solutions BYW0312 Large Wood Windmill Assembly Instructions


WINDMILL STAND COMPONENTS
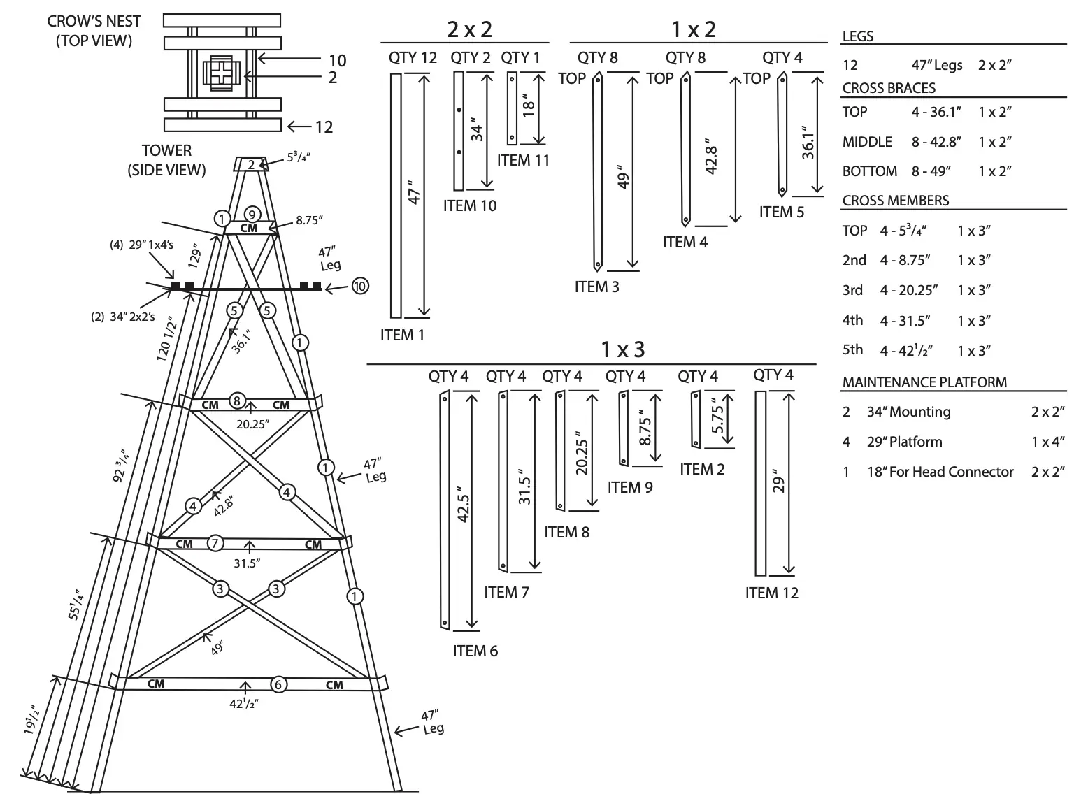
NOTE: Some of the wood measurements might be slightly different than what is shown above.
SUGGESTIONS
- Separate all stand components by item numbers before assembly.
- While assembling stand, flip each component as needed to provide the best appearance.
- Anchoring the windmill is critical, especially in areas of strong wind. Ground stakes should be set in concrete. You can also drill an auger into ground below center of windmill and attach to windmill using a steel cable.
- Use a waterproofing sealer to preserve wood on a yearly basis. A cedar or redwood stain can also be used as needed.
Hardware included in each LARGE Backyard Windmill includes:
Windmill Head Assembly – Labeled Package A
- 4 angle iron leg connectors – galvanized steel
- 10 long wood screws to attach Item 10, Item 11 and top mounting plate
- 88 medium length wood screws for tower cross braces and cross members
- 68 short wood screws for all leg connectors and to attach the mounting pole
Mounting Brackets on legs – Labeled Package B
- 8 Mounting Brackets
- 8 Bolts, 8 Nuts, 16 Washers
- 16 Short wood screws to attach the mounting brackets
TOOLS NEEDED
- Tape Measure
- Pencil
- Safety Glasses
- Power Drill with Phillips Bit (electric, cordless, air, etc..)
- Pliers
- Hammer
- Screwdriver

STEP 1
Stand Assembly
- Refer to Page 1 during assembly. Attach three of Item 1 together using the angle iron connectors and six short screws from Bag A. Repeat this step to produce four legs.

STEP 2
- Position the legs with the angle iron braces toward the inside and touching the ground. Measuring from the bottom of the legs, mark the outer edge of both legs at the following measurements: 19 ½”, 55 ¼”, 92 ¾”, 120 ½” and 129” (see Page 1). Using eight medium screws (two per board) from Bag A, attach an Item 2 even with the top and flush with the sides of the legs (NOTE: Try to get the angles of the top section equal if possible).

- Using medium screws attach an Item 6 above the 19 1/2” mark, an Item 7 above the 55 ¼” mark, an Item 8 above the 92 ¾” mark and an Item 9 above the 129” mark.

STEP 3
- Using eight medium screws from Bag A, attach two Item 3 boards in the lower section of the legs and two Item 4 boards in the middle section and 2 Item 5 boards in the upper section. The top cross piece will require some force to position and attach correctly. Repeat steps 2 and 3 to produce two sets of legs.

STEP 4
- Lift both leg braces and position as shown so you can build the 3rd side of the tower. Using two screws medium from Bag A, attach an Item 2 even with the top and flush with the sides of the legs.

STEP 5
- Using four medium screws (two per board) from Bag A, attach an Item 6 above the 19 1/2” mark and flush with the outside of the leg, an Item 7 above the 55 ¼” mark and flush with the outside of the leg, an Item 8 above the 92 ¾” mark and an item 9 above the 129” mark. Lastly, attach an item 10 at the 120 1/2” mark using the longer screws from Bag A. See figure 6.

STEP 6
- Repeat Step 3 by installing the cross braces on the lower and middle sections. Roll the stand over and repeat Steps 3 through 5 to complete the final side.

STEP 7
- Prop the upper portion of the stand on a stool or sawhorse. Using eight medium screws (two per board) from Bag A, center and attach four Item 12 components.

STEP 8
- Send ¾” round rod through top opening. Using two longer screws from Bag A, center and attach the Item 11 on top of the Item 10 pieces.

STEP 9
- Using four longer screws from Bag A, center and attach the 4” x 4” metal plate to the top of the legs. Using four short screws from Bag A, attach the ¾” rod to Item 10.
This completes the stand construction
STEP 10
- USE CAUTION WHEN HANDLING AND ASSEMBLING THE WINDMILL HEAD. EDGES CAN BE SHARP.
Windmill Head Assembly - Bolt bearing onto FRONT of windmill head by inserting bolts through the bearing front (welds in front) and using lock washers and nuts on the back of the head. Tighten securely.
- Slide windmill shaft thru the windmill head and secure with1 large washer and nylock nut. Tighten nylock nut, then loosen slightly until head spins freely. Note: This model does not require grease.

STEP 11
- Attach windmill tailfin by sliding it into slit of tailfin bracket. Slide bolts from Bag B through one side of bracket, attach washers and nuts from Bag B, then tighten with wrench or pliers. This completes the head assembly.

STEP 12
- Attach brackets (TWO per leg) using the 16 screws from Bag B at approximately 4” up from the bottom and 8” up from the bottom. The rebar anchors will go into each one of these and be secured with the four bolts, washers and nuts.

STEP 13
- Move windmill tower to a desired location. Make sure it is level. Hammer rebar into the ground or set in a concrete footing for maximum support.
NOTE: Extra anchoring is strongly recommended by using concrete footings for each of the four legs or by using a 30-36” screw-in anchor in the middle of the tower and securing all four corners with plastic coated aircraft cable and clamps.
This completes the windmill assembly.
CONGRATULATIONS!
1-866-471-1614
www.outdoorwatersolutions.com
Outdoor Water Solutions, Inc.
Assembly Instructions 3/14 (Mar. 2014)































