SCALETRON 1099 Chemical Process Controller

General Description
The Model 1099TM Chemical Process Controller provides a means for weighing chemicals, controlling the processes of batching, filling, emptying containers, and providing “scada friendly” information. This indicator can be used as the first step toward an automated system. The Model 1099TM will monitor up to four scale systems simultaneously and provides the data and ability to record daily usage reports. The large LED display (0.56″ high) provides digital weight. The LCD display is an alphanumeric display that provides 2 lines of 16 characters for the menu and options, which is backlit for easy reading. The electronics are housed in a NEMA 4X, UL approved enclosure. The indicator plugs into a wall power source and operates on 120/240 VAC, at 50/60 Hz. The Model 1099TM can be used with all of our electronic scale bases.
Standard parts
Indicator
Instruction Manual
Available Options
4-20mA signals after the first standard Set Points: a maximum of four available
Specifications
Channel: 1 – 4 Independent weighing channels with independent input / output controls
Input: Up to (16) 350 Ohm load cells on each indicator total
Display Units: pounds, kilograms, gallons, and liters
Range: Maximum Reading: 99,999
LED Display: 0.56” high, indicates the numeric result
LCD Display: alphanumeric display, 2 lines of 16 characters, backlit for easy reading, displays menu and function
Keyboard: 10 Function keys, 10 Numeric keys, Audible and Tactile feedback
Connector: Power cable sealed with plastic strain relief
Enclosure: NEMA 4X, UL Approved Enclosure
Performance: Overall system accuracy 0.1% to 0.25% Full Scale
Power Rating: nominal
Voltage: 120 / 240 VAC
Frequency: 50/60 Hz
Power: 0.10 / 0.05 A
MAINS supply operational range: +/- 10% of Nominal VAC
Battery: Lithium Coin battery (not replaceable in field). Lifespan estimate: 10 years.
Operational Temperature: 0 C – 40 C
Maximum Rated Altitude: 2000 m
Maximum Relative Humidity: 20% to 90% non-condensing
Pollution degree: 2
Weight of Indicator: approximately 7 lbs.
Dimensions of Indicator: 11.31” high, 9.31” wide, 5.43” deep
Recommended Indicator Location: This indicator should be located in a location that protects the indicator from being soaked with liquids or extreme weather locations. If the indicator is to be located outdoors, you must make sure not to exceed the operational temperature range, and it is recommended that you provide a covering to protect the indicator from the elements. Locations inside buildings should be at a height that protects it from chemical splashes and washdown areas, but still allow for easy operation of keypad.
Please note: It is imperative that you read the instructions in the manual. Indicator is fully tested and programmed to the corresponding base at the factory. If you experience a problem with this equipment, please disconnect all accessories to this equipment to isolate the problem. As we have taken great care to be sure your equipment is fully functional within factory specifications before it leaves our facility, it is best to familiarize yourself with the manual for set-up and operation procedures before you begin using this equipment. All safety precautions need to be observed for the safe operation of this equipment. Failure to operate this equipment as instructed can result in damage to the equipment, and can possibly cause
Assembly and Start-up Instructions
Before you begin, please notice the programming sheet that comes in the box with your indicator and instructions. This page tells you the parameters to which your unit has been programmed. Your unit is programmed at the factory as it is ordered. If there are incorrect parameters, please refer to this manual to see how any changes you make will affect the other options, and the calibration of your unit. It is imperative that you correctly set the menus in order for this unit to work. Any changes in the units, decimals, count-by, resolution, and calibration of the unit will affect the output! If you make any changes to the set-up, you must record the menus you alter so that you can inform customer assistance if you call for technical help. Without the changes, our factory will be trying to advise you using the factory set-up!
Indicator Precautions:
The indicator is sent with a door latch, and the door will have two screws holding the door shut. Those screws are to be removed in order to insert the connections to the various connectors in the box. When connections are complete, and the indicator door is latched closed, you must reinstall the screws that hold the indicator door closed. The power cord is attached at the factory using a liquid tight fitting. Do not modify or restrict the ability to disconnect the power cord from the outlet. Connections for bases using other fittings or conduit must be made in the field. Please take care to not damage the internal components when drilling a hole in the indicator box. All holes drilled MUST be sealed so that gasses and liquids cannot penetrate the box and damage the internal electronics. Do not drill holes where the internal cables are located. If there is a gap or opening in the box that isn’t sealed by the connector, use a silicon caulk to seal the opening from exposure. Please use fittings that are liquid tight fittings and are rated for NEMA 4X conditions. Do not use any type of conduit fitting or other fittings that do not have a tight seal to the indicator. Damage may occur if gasses and liquids have access to the electronics! The mounting location of the indicator should be at operational level, away from the floor. Indicator is a NEMA 4X rated enclosure; however, it is not designed to withstand wash-down procedures, or chemical contact beyond accidental exposure. Please choose a location that will protect the indicator from direct contact with chemicals, or regular soaking of water. Indicator is mounted to wall using the four holes in the tabs on the indicator box. If the indicator is mounted in a way that does not comply to the standards above, the resulting damage will not be considered for warranty repair, and may cause substantial damage to the electronics. If the indicator should require cleaning, a cloth damp with water would be recommended to wipe the display and keypad area, as long as the chemical conditions can allow for it. Due to the fact that the chemical environment in which the 1099TM may be located, can vary greatly, we cannot identify one specific cleaner to maintain the indicator. You must use your own discretion when cleaning with any substances. Mild cleaners should not affect the indicator box. Harsh or abrasive cleaners are NOT recommended for use as they may etch or scratch the finish on the mylar or enclosure.
Indicator Connections:
In order to start the Model 1099™ Chemical Process Controller, you must first install the bases according to their instructions. Please refer to the Base Installation portion of the Instruction Manual found on the front of the manual for the safe installation of your new base(s). The Orientation Diagram on page 23 will illustrate the layout of the area on the interface board where the wires need to be connected for base input, 4-20mA circuit, Set Point connections, and communication circuits, if ordered. If a “Remote Box” option is ordered, there will be instructions included for the wire connections at the remote box, and then to the Model 1099™. If you have multiple bases and channels, you must connect the bases as labeled, to the channels to which they were calibrated. Bases and indicators are clearly marked as to their connection location.
After bases are secured, according to factory instructions, connect them to the indicator as shown on Diagram 1. TB1 is the connection location for Channel #1. If more than one channel has been ordered, the connections are as follows: TB2 is the connection location for Channel #2, TB3 is the connection for Channel #3, and TB4 is the connection location for Channel #4. The wire color code is as follows: R = red, G = green, W = white, B = black, and S = shield (referring to the wires that come from the base to the indicator. The terminal blocks are labeled with the letters to guide you.
4-20mA Connection:
The 4-20 circuit for the Model 1099™is a LOOP POWERED circuit, or supplied or externally supplied with power. The circuit is designed to work with a supply range of 18-30 VDC, but the nominal supply rating is 24 VDC. The connection for this circuit is found on page 22 of the manual.
The 4-20mA signal connections are located at the connectors labeled: TB9, (and if optional 4-20mA connections are ordered), TB10, TB11, and TB12. The connectors are labeled with positive and negative respectively. TB9 is the connection site for 4-20mA reading at Channel #1, TB10 is the connection site for Channel #2, TB11 is the connection site for Channel #3, and TB12 is the connection site for Channel #4.
Set Point Connections:
The Model 1099™ has an option for up to set point circuits with a relay rated for 5 VDC, 40mA, and coil resistance of 125 Ohms. Relays are SPST- NO + SPST-NC.
The Set Point connections, if ordered as an option, are located at the connectors labeled: TB5, TB6, TB7, and TB8. Set-points may be configured to any of the channels, from one to four on one channel, or any combination limited to four separate set points. Relays may be latching or non-latching, may be set as HI, LO, or Control (no beeping buzzer, but contact closure), or may be deactivated by setting to NONE. When in use, the ACK key can be used to stop the alarm, but this also RESETS the coil and can reactivate the circuit. Please be aware of this when making connections. Printer
Port Connections:
If the printer option is selected, the connection location is at TB13. When connecting an RS 232 printer, the connection is as follows: At TB 13, #1 = Transmit, and #3 = Return. When connecting an RS 485 printer, the connection is as follows: At TB 13, #1 = Receive+, #2 = Receive – , #3 = Shield, #4 = Transmit – , #5 = Transmit+.
After these connections have been made, double check to be sure that the correct wires are connected in the correct location to prevent electrical damage to the scale and its components.
Now you are ready to plug the Model 1099TM indicator into the wall power supply source. When you plug in the indicator, you will see the LED display show a number, and the LCD display flash a message of the version number of the software, then it will show a reading “SCALE X (UNIT) NET WEIGHT”. In order to view the other channels (if activated) press the <SCALE SELECT> key.
General Operation Keys:
The following instructions are IMPORTANT FOR THE GENERAL OPERATION OF THE MODEL 1099™. These are general rules that apply to the navigation of the menus and sub-menus. The term: COMMON DISPLAY SCREEN refers to the screen that you see upon start-up. It is the screen that says Total, or Scale X (where x represents a channel number between 1-4) “Net Weight”. This screen may always be returned to by pressing the Esc key from any menu, but be aware that if you are making changes to any sub-menu that has not been completed, and you press ESC, you will erase your most recent changes! Make sure to “complete” a sub-menu by returning to the first screen of that sub-menu. For example, the “first screen” of the Zero a Scale sub-menu shows the following: “Zero A Scale “. Please refer to the Pro Gram™ Guide for a pictorial illustration of this concept. The Pro-Gram™ Guide makes this concept very obvious. It is the best tool for helping you to navigate the options!
- The ESC key is used to escape from any state (color code red on Pro-Gram™ Guide):
a. If in Operator’s Menu:
1] If in a sub-menu of the Operator’s menu, and ESC is pressed, the changes of that specific sub-menu will be erased. The screen will return to the head of that sub-menu first. Pressing ESC again returns the user to the Common Display Screen.
2] If at the head of a sub-menu, changes are not discarded. User will return to the Common Display Screen.
b. If in Set-up Menu:
1] If currently in the Set-up menu, at the head of a sub-menu, return to the Operator’s menu screen that says “GO TO SETUP
MENU ”. Pressing ESC a second time returns the user to the Common Display Screen. 2] If currently in a sub-menu of the Set-up menu, pressing the ESC key will return you to the head of the sub-menu, erasing the data you have just changed in that sub-menu. Pressing ESC again returns user to the Operator’s Menu at the “GO TO SETUP MENU” screen. Pressing ESC a third time returns you to the Common Display Screen. - is a prompt to press the ENTER key (color code blue on the ProGram™ Guide).
- is a prompt to press the ESC key (color code red on the Pro-Gram™ Guide)
- <DEL> is a prompt to press the DELETE key (color code purple in the ProGram ™ Guide).
- A blinking entry point indicates that a value is to be entered.
a. The symbols
, indicate to use the “Menu
” ,, or “Menu
” key to cycle through a circular list of values, then <ENTER>.
b. An “=” sign, (with no
present) means that the user will enter a number using the keypad, followed by the ENTER key. - In the OPERATOR’S MODE only:
a. the SCALE SELECT key scrolls through the available scales, including the TOTAL for all scaies when appropriate.
b. the DISPLAY SELECT key scrolls down through the list of display screen types, wrapping back to the top of the list.
c. “….” On the LED display indicates that the LED display is not used for this function. - In the SET-UP MODE only:
a. On the OPERATOR’S MENU screen, you can key in and <ENTER> a step number directly,
or
b. Use the MENU
, or MENU
key to scroll up and down through the numbered primary menus (head of the sub-menu).
c. In the sub-menus, the symbol
indicates to use the MENU
, or
MENU
key to cycle through a circular list of values, then press <ENTER> to select.
General Usage:
There are two separate menus that are available to the operator. The first menu is the “Setup Menu” which is where your options will be selected and locked, by the use of a password. If the factory is given all of the required information, the indicator can be programmed at the factory. We will assign a password and give it to you, if you wish, so that you may access the set-up menu if changes need to be made. This password can be changed at a later date, but should be kept on file in a secure location. This will prevent the data and output from being altered. This menu is accessible through the Operator’s menu. The Operator’s menu allows for easy access to the operational type information, while keeping it separate from the set-up of the indicator. Some of the options accessible in the Operator’s Menu include the ability to zero a scale, load scale, enter net or tare weight, and select different channels. Also, you may read amount used, the last time the scale was cleared, daily usage, and days until empty, and gross weight.
For specific information on the set up and operation of this scale, you may refer to this manual and to the Pro-GramTM Guide Flow Chart that provides a visual, step by step guide to the use of your new Model 1099TM Chemical Process Controller. The Model 1099TM Chemical Process Controller is designed for ease of use. Please follow the directions following, and use the flow chart as a reminder of how to operate the scales and indicator. The chart may be mounted on a wall near the indicator, and is laminated for your convenience. **Please refer to the Pro-GramTM Guide for a helpful visual representation of the menus and sub-menus** The following instructions are IMPORTANT FOR THE GENERAL OPERATION OF THE MODEL 1099TM. These are general rules that apply to the navigation of the menus and sub-menus.
The following instructions describe the general operation of the Model 1099TM Chemical Process Controller. The individual needs of the user may dictate an adjustment to this procedure. All users, regardless of the Tank Mode selected, must navigate the “Load Tank” or “Fill Tank” menu in the “Operator’s Menu”. This can be achieved by beginning at the Net Weight Screen, and pressing “Display Select” button once. If you have chosen the Load Tank (Net), or Load Tank (Tare) modes, you will be removing the empty cylinder. If you are set up to “Fill Tank”, you will not remove the empty tank. Please refer to the laminated Pro-GramTM Guide for pictorial illustration of these menus. Each time there is a cylinder change, this sub menu must be entirely completed in order to register a correct amount used. (You will know this has happened once the LCD prompt is showing the screen at the “top” of the sub-menu, according to the Pro-GramTM Guide.) If there is more than one base attached to any one channel, all cylinders / tanks on that channel must be removed simultaneously when loading a new cylinder/tank, even if only one will be replaced. (Multiple bases on one channel only have one signal going into indicator, therefore any channel with multiple bases per channel must have all bases on that channel cleared off when scale prompts user to “Remove Empty” and press enter!) Please see appropriate instructions below according to your custom set-up.
The first time that this scale is put into operation, all channels must be zeroed completely. If you are operating in “FILL” mode, then you will prepare scale base, mount and center the EMPTY, permanent tank on the base, and complete the “Zero a Scale” menu. If you are in “TARE or NET” mode, you will zero the empty base. This is accomplished by completing the “Zero a Tank” sub-menu in the Operator’s Menu. This may be reached from the main screen by pressing “Display Select” key two times. The heading reads: “Zero a Scale”. Complete this sub-menu and return to the main screen. If there are any readings on any channel at this point, you may have a residual net weight stored in the unit from when it was tested. If this is the case, you must complete the “Load a Tank” menu in a special way in order to clear out the net weight. From the Common Display Screen (Net Weight Screen), press Display Select key once. The sub menu will say, “Load a Tank” in whatever mode you are operating in (Tare, or Net). Press Enter key to access this sub-menu. The LCD will read: Enter Scale # (Use
) X” (Where X represents the channel that you are choosing). Press the Menu
keys to choose channel, and press Enter to accept that choice. The menu will now read: Remove Empty and Press Enter. Press Enter to see: Load A Tank And Press Enter. Press Enter. Now the LCD will read: Enter (Net or Tare) Wt. = X Lbs. At this point DO NOT LOAD THE TANK ON TO THE BASE! You will type in the number “0” and Press Enter. LCD will read: Are You Sure? You will press Enter. You will now be seeing the top of this sub-menu, which means you have successfully completed this sub-menu. You may press the Esc key one time to get back to the Common Display Screen. Your Net Weight readings should say “0”. Make sure this procedure is completed for each channel activated!
When you are ready to begin using the contents of the tank, you must start by entering the LOAD TANK (or FILL TANK) menu. Follow the instructions as prompted on the LCD. Do not load tank (or fill) until you are prompted to. Make sure you follow each step in the correct order. Doing steps out of order will register incorrect values into memory. Please choose the correct set of instructions below for your machine’s set-up.
Load Tank (Net):
From main screen (NET WEIGHT), press Display Select one time. You will see “Load Tank (Net)” on the LCD. Press ENTER to gain access to this Sub Menu. Your LCD will read “Enter Scale #1” with two up/down arrows. If you have only one channel activated, you will not change this screen by pressing the Menu ab keys. If you have more than one channel activated, you will be able to scroll through the different “scales”, or channels, that are active. Choose the “scale” or channel you wish to reload by pressing the ENTER key. Your LCD will read, “REMOVE EMPTY AND PRESS ENTER”. At this time, you must remove all cylinders/tanks that are on bases hooked to this channel before pressing anything! When scale base(s) are empty, proceed by pressing ENTER. Your LCD will read, “LOAD TANK AND PRESS ENTER”. You must load all cylinders on at this time (even if some are not full) before pressing anything. Please note: if you have a partially used cylinder that you are reloading on a base hooked to this channel, you must know the NET weight (the contents in the cylinder/tank) and add the Net Weights of all cylinders/tanks that are connected to this channel. Add the Net weight of all cylinders/tanks on this channel and type that number in, using the keypad. (It is wise to allow the contents to settle if possible, for 15 minutes before pressing enter.) When ready, press enter. The LCD will ask you: Are you sure? You will press ENTER for yes. This is now complete. Press ESC one time to see the Net Weight screen, which will now reflect the Net weight of the cylinders/tanks you have reloaded.
(Example: Two Ton bases are connected to channel one. You are loading on a new Ton cylinder with 2000 lbs of contents, and you have 1150 lbs. of contents in the second Ton cylinder. (You replace the empty tank with a full one, and load on the partially full tank as you proceed through the “LOAD TANK (NET) menu.) When the scale prompts to remove empties, you must clear off all bases. Then you are prompted to load new cylinders. Both cylinders are re-loaded, and you press enter. The next screen asks you to enter the net weight. ADD the NET weights of both cylinders you will have re-loaded, and type that number in using the keypad. Your combined net weight is: 3150. You type in 3-1-5-0- and press ENTER. The screen will ask: Are you sure? And you will press ENTER to say Yes. The screen will return to the head of the sub menu. At this time you know that you have completed this function. Press the ESC key to return to the main, “Net Weight” screen. Begin using the contents.)
Load a Tank (Tare):
From main screen (NET WEIGHT), press Display Select one time. You will see “Load Tank (Tare)” on the LCD. Press ENTER to gain access to this Sub Menu. Your LCD will read “Enter Scale #1” with two up/down arrows. If you have only one channel activated, you will not change this screen by pressing the Menu
keys. If you have more than one channel activated, you will be able to scroll through the different “scales”, or channels, that are active. Choose the “scale” or channel you wish to reload by pressing the ENTER key. Your LCD will read, “REMOVE EMPTY AND PRESS ENTER”. At this time, you must remove all cylinders/tanks that are on bases hooked to this channel before pressing anything! When scale base(s) are empty, proceed by pressing ENTER. Your LCD will read, “LOAD TANK AND PRESS ENTER”. You must load all cylinders on at this time (even if some are not full) before pressing anything. Please note: if you have a partially used cylinder that you are reloading on a base hooked to this channel, you must know the TARE weight (the weight of the cylinder/tank) and add the Tare Weights of all cylinders/tanks that are connected to this channel. Add the Tare weight of all cylinders/tanks on this channel and type that number in, using the keypad. (It is wise to allow the contents to settle if possible, for 15 minutes before pressing enter.) When ready, press enter. The LCD will ask you: Are you sure? You will press ENTER for yes. This is now complete. Press ESC one time to see the Net Weight screen, which will now reflect the Net weight of the cylinders/tanks you have reloaded.
If you only have one base per channel, you will only have to lift the cylinder/tank for that channel. Follow the same directions as written above, or see example below.
(Example: Two Ton bases are connected to channel one. You are loading on a new Ton cylinder with 1200 lbs tare weight (stamped on cylinder), and you have 1100 lbs. tare stamped on the second Ton cylinder. You replace the empty tank with a full one, and load on the partially full tank, and proceed through the “LOAD TANK (TARE) menu by pressing ENTER. When the scale prompts to remove empties, you have cleared off all bases. Then you are prompted to load new cylinders. Both cylinders are re-loaded, and you press enter. The next screen asks you to enter the net weight. ADD the TARE weights of both cylinders you will have re-loaded, and type that number in using the keypad. Your combined tare weight is: 2300. You type 2-3-0-0- and press ENTER. The screen will ask: “Are you sure?” and you will press ENTER to say Yes. The screen will return to the head of the sub menu. At this time you know that you have completed this function. Press the ESC key to return to the main, “Net Weight” screen. Begin using the contents.)
Fill Tank:
When operating in Fill Tank Mode, there are a few things done for the first use of the tank that are not repeated. It is imperative that these things be done in the correct order to assure proper readings of the weight.
For use the FIRST time: User should place the scale into its permanent position, level the scale if needed, and connect all wires accordingly. Once scale base is properly installed and the empty tank is loaded, the scale should be zeroed. This is accomplished by the following: From the NET WEIGHT (main screen), press Display Select key twice. The LCD will read: “ZERO A SCALE”. Press ENTER. The LCD will read: “ENTER SCALE #1
“. If there is more than one channel activated, you must zero each channel by going through the menu completely for each channel. Choose the “Scale” or channel, by pressing ENTER. (AT THIS TIME, BASE(S) LOADED WITH A COMPLETELY EMPTY TANK.) The LCD will ask “ARE YOU SURE?” and you will press ENTER to say Yes. Do this for each active channel. When each channel has been zeroed, return to the Net Weight Screen by pressing the ESC key. This should display a “0” for each channel activated. DO NOT ZERO THESE BASES AGAIN WHILE A CYLINDER/TANK IS IN USE! You must now proceed to the “FILL TANK” sub-menu by pressing the Display Select key one time. With the tank empty, press ENTER to navigate the Fill Tank submenu. This will be the process that is completed EACH TIME you are finished with a tank and need to refill that tank. The LCD will say, “ENTER SCALE #1” and you will use the Menu
keys to choose the correct channel. Press ENTER to select that channel. The LCD will prompt you to “FILL TANK AND PRESS ENTER.” Be sure to completely finish filling this tank before pressing enter! When tank is full, press ENTER. The LCD will ask, ARE YOU SURE? Press ENTER to say Yes. This procedure must be followed each time a tank is filled so that a proper record of amount used will be registered. Failure to follow these steps may result in an inaccurate weight reading.
** All methods of use: The rest of the Operator’s Menu will provide information about usage of your material, and can be accessed by pressing the Display Select key. Please refer to the Operator’s menu instructions for more details.
In order to move through the Operator’s Menu, press the Display Select key.
LOAD A SCALE:
Depending on your selections in the Set-up menu for #15 Tank Load Mode your sub-menu options will vary to one of the following choices:
LOAD TANK (NET):
The LED Display shows “….” and the LCD Display shows “LOAD TANK (NET)” “<ENTER>”. In this case, <ENTER> leads to “ENTER SCALE # (USE
) 1″ This screen is prompting you to use the Menu up and down keys to choose the number of the scale, or channel, you want to work on. Press the <ENTER> key to continue. If there is nothing on the scale base, then press <ENTER> at the screen that says “REMOVE EMPTY AND PRESS <ENTER>”. If there is something on the scale, remove it, and then press <ENTER>. The LCD screen will read: “LOAD TANK AND PRESS <ENTER>”. Load the tank on the scale, being sure that it is stable and centered according to the type of base you are using. Press <ENTER>. LCD Display asks the user to “ENTER NET WEIGHT = X LBS” The user will enter the weight using the number keys. (If a default net weight was assigned in the Set-up menu, it will appear here, but can be changed.) When finished, press <ENTER> and the screen will prompt user: “ARE YOU SURE?” “ENTER=YES ESC=NO” Press Enter when you are sure you have entered the correct amount of weight. The menu has now returned to the beginning of the “LOAD TANK (NET)” sub-menu.
LOAD TANK (TARE):
The LED Display shows “….” and the LCD Display shows “LOAD TANK (TARE)” “<ENTER>”. In this case, <ENTER> leads to “ENTER SCALE # (USE
) 1″ This screen is prompting you to use the Menu up and down keys to choose the number of the scale, or channel, you want to work on. Press the <ENTER> key to continue. If there is nothing on the scale base, then press <ENTER> at the screen that says “REMOVE EMPTY AND PRESS <ENTER>”. If there is something on the scale, remove it, and then press <ENTER>. The LCD screen will read: “LOAD TANK AND PRESS <ENTER>”. Load the tank on the scale, being sure that it is stable and centered, according to the type of base you are using. Press <ENTER>. LCD Display asks the user to “ENTER TARE WEIGHT = – X LBS”. The user will enter the weight, or volume, using the number keys. When finished, press <ENTER> and the screen will prompt user: “ARE YOU SURE?” “ENTER=YES ESC=NO” Press Enter when you are sure you have entered the correct amount of weight. The menu has now returned to the beginning of the “LOAD TANK (TARE)” sub-menu.
FILL TANK:
** Due to the nature of this option, the operator will have to complete the “ZERO A SCALE” option of the Operator’s Menu before the operator begins to fill the tank for the first time. Zero the scale only when changing (removing and replacing) the tank. **
The LED Display shows the weight and the LCD Display shows “FILL TANK” “<ENTER>”. In this case, <ENTER> leads to “ENTER SCALE # (USE
) 1″ This screen is prompting you to use the Menu
keys to choose the number of the scale, or channel, you want to work on. Press the <ENTER> key to continue. The LCD screen will read: “FILL TANK, THEN PRESS <ENTER>”. Fill the tank on the scale. The LED will display the weight as you fill the tank. When completely full, press <ENTER>. The screen will prompt user: “ARE YOU SURE?” “ENTER=YES ESC=NO” Press <ENTER>. The menu has now returned to the beginning of the “FILL TANK” sub-menu.
To Continue, press <Display Select> key. To return to that same menu to check amounts, or correct, press <ENTER>. To return to the main (Net Weight) screen, press <ESC>.
ZERO A SCALE:
From the Fill / Load Tank screen, pressing <Display Select> will advance to see the “ZERO A SCALE” sub-menu. Press <ENTER> to go into this sub-menu. The LCD Screen will say: “SELECT SCALE # (USE
) 1″. After using the <MEN
> key to select the channel, press <ENTER>. The LCD will then read, “ARE YOU SURE? ENTER=YES ESC=NO”. (Keep in mind that whatever weight is sitting on the base, will be zeroed!) If the user wants to zero the scale, press the <ENTER> key, or if user wants to cancel and return to the operator’s menu, press <ESC>. If <ESC> is chosen, the scale will not be zeroed. Press the <DISPLAY SELECT> key to continue.
SCALE X (UNIT), AMOUNT USED:
In order to receive a reading in this sub-menu, the scale and indicator must be running and have exceeded one sampling period. If it has not, the LED reading will be: “uuuuu”, meaning unavailable. On the LCD screen, user may select which scale to view by pressing the <SCALE SELECT> key. Only the channels, which have been programmed at the factory, will be available to be viewed. In order to delete the amount used and start at zero units, press the <DELETE> key. The LCD screen will prompt the user to answer, “ARE YOU SURE? ENTER=YES ESC=NO”. User presses the <ENTER> key to delete previous values, or <ESC> key to retain and continue the current reading. The screen will return to the sub-menu of AMOUNT USED. Press the <DISPLAY SELECT> key to continue. NOTE: In order to receive a reading in this sub-menu, the scale and indicator must be running and the “Amount Used” cleared at least once. If it has not, the LED reading will be: “uuuuu”, meaning unavailable.
SCALE X CLEARED:
This sub-menu shows the date and time the scale was last cleared. The LCD screen will provide the month, day, and year of the last time the scale was cleared, and also will provide the time in military time. The user may press the <SCALE SELECT> key to view when each scale was cleared last. The user continues by pressing the <DISPLAY SELECT> key.
SCALE X (UNIT/PERIOD) FEED RATE:
This sub-menu allows the user to read the feed rate of each activated channel. To read the amount, the numeric value will be displayed on the LED screen, and the LCD screen will identify which channel is being viewed, and the selected unit of measure that has been programmed. Example: (50) would show as the value on the LED, and (SCALE 1 LBS/DAY) would appear on the LCD. To view each different channel that has been activated, press the <SCALE SELECT> key. To continue to the next sub-menu, press <DISPLAY SELECT> key. Note: In order to receive a reading in this sub-menu, the scale and indicator must be running and have exceeded one sampling period. If it has not, the LED reading will be: “uuuuu”, meaning unavailable.
SCALE X DAILY USE:
This sub menu will remember, and display the Daily Usage of each channel, and total, for the past 10 days. In order to view this sub-menu, the user may press <SCALE SELECT> to view that particular channel, and then use the <MENUb> key to view the usage on each particular date up to the past 10 days. If the LED display is showing “uuuuu”, this means the reading is unavailable, which occurs until one complete day, from midnight to midnight, has been recorded. To exit this sub-menu, press the <ENTER> key, and then the <DISPLAY SELECT> key to continue.
SCALE X DAYS UNTIL EMPTY:
This sub-menu will calculate the number of days until empty, based upon the feed rate that has been programmed. To view each different channel, press the <SCALE SELECT> key and read the value on the LED screen. If the value on the LED reads “uuuuu”, then the data is unavailable due to insufficient information. The data should be available after the next sampling period. To continue, press the <DISPLAY SELECT> key.
SCALE X (UNIT) GROSS WEIGHT:
This sub-menu will allow the user to view the gross weight of each activated channel by pressing the <SCALE SELECT> key. The LED display will show the value of weight. Press the <DISPLAY SELECT> key to continue.
GO TO SETUP MENU:
If password has been assigned: This sub-menu asks for the password in order to enter the Set-up Menu. To access this sub-menu, press <ENTER>. If you wish to change the password, or start one, you will need to create a four-digit number that you will keep in a safe place. The only restriction is that you cannot start the password with the number zero. You may use it for the second, third, or fourth digit. The LCD will prompt the user to: “ENTER PASSWORD ****”, and press <ENTER>. (The password consists of four of the digits on the keyboard.) If the correct password is entered, the LCD screen will proceed to the “ENTER MENU# OR
= 0 <ESC> TO EXIT” screen. If an incorrect password is entered, the LCD screen will remain at the “ENTER PASSWORD ****” screen. If you type an incorrect digit, and want to erase one at a time, press the <DEL> key to “back-up”.
If password has not been assigned: This sub-menu is where the user will be restricted from entering the Set-up menu without the password. If none was assigned, the LCD will display “NO PASSWORD REQUIRED” <ENTER>. When the enter key has been pressed, the screen will say, “ENTER MENU# OR
= 0″. (If you want to start a password, you must go to the Set-up Menu #18 to create a new password.) Access the Set-up menu for the password by typing the number 18, and press enter. Refer to the instructions in SET-UP MENU to continue.
At this point, your Model 1099TM Chemical Process Controller has been programmed and is ready to act as your total electronic inventory system.
From the “Go To Set-up Menu” screen, you will press Enter. You will enter a password on the password screen, if a password has been programmed. If not, you will see a screen that says No Password Required, and you will just press Enter to proceed. At the Enter Menu Number screen, the user will be prompted to enter a number or use the Menu up/down keys. Press the <MENU b> key once.
- The LCD will read, “SETPOINT SETUP”, <ENTER>. This sub-menu allows the user to decide to “Latch alarms” or not. Latching the alarms makes the display blink and, if the alarm is to sound, keep sounding until the user presses the <ACK> (acknowledge) key. From the “SETPOINT SETUP” screen, press <ENTER>. The “LATCH ALARMS?”, “
.YES” screen will appear. To choose YES, press <ENTER> now. To choose NO, you must press the <MENU
> key once. The LCD screen will read, “LATCH ALARMS”, “
NO”. To choose No, press the <ENTER> key now. Press <ENTER> to return to sub-menu item #1: “SETPOINT SETUP” screen. - The UNITS sub-menu can be reached from menu [1] by pressing the <MENU
> key. Press <ENTER> to see the options of this sub-menu. The “units available” can be seen by pressing the <MENU
> key. The options are: lbs., ltr., gal., or kg. (Choosing a volume reading will require you to enter information into the Density sub-menu. The required input will be specific gravity. Also, you will need to consider the 4-20mA which will read by the volume if you enter a specific gravity and read in lbs. or kg.) To choose the unit, press <ENTER>. Press <MENU
> to continue. - The DECIMAL PLACES sub-menu will allow the user to choose NONE, which is reading a value in the One’s place, or user may choose XXXX.X, which is reading in the Tenth’s place. (If user chooses the Tenth’s option, you will not be able to access the next sub-menu for Fixed Zeros. This will not be available for use). Press <ENTER>. Press <MENU
> to contin - The FIXED ZEROS sub-menu will add a zero as a least significant digit. The options are to add NONE, or to add one, (XXXX0). Press <ENTER> to choose your option. Press <MENU
> t - The COUNT BY sub-menu will allow the user to read your weight values in different increments. The options available are: 1, 2, or 5. If your weight reads in ones, and you choose to count by 5, the readings would be seen as: 0, 5, 10, … Choose the COUNT BY value and press <ENTER>. Press <MENU .
> to - The RESOLUTION sub-menu allows the user to choose from options between 1000, to 32,000. The resolution should be as close to the channel’s net capacity of the scale, while not being less than, or equal to, the net capacity of the channel. (A second consideration: decimal points should not be counted when figuring capacity. Example, 150.0 lbs. Resolution should be seen as at least 1,500. Always choose a number that will exceed the Net Weight!) (Also, please note that changing this from factory settings will change the calibration of your unit, and you will then have to recalibrate on site! Do not do this before consulting the factory!) There should be no reason to change this setting unless the calibration is lost already, or scale can be accurately calibrated on site! Press <ENTER> to gain access to this sub- menu. Use the <MENU
> key to scroll through the choices, and press <ENTER> when finished. Press the <MENU
> key to continue. - The CAPACITY (READ) sub-menu prompts the user to read the value. There are no options to choos The <MENU
.> key will select the different channels that are available. (Check to see that the values are close to, but exceeding the net weight to be held on each channel. Refer to #6 above for details.) Press the <ENTER> key. Press the <MENU
> key to continue. - The AVERAGE BY sub-menu prompts the user to choose a quantity by which the readings will be averaged. Press <ENTER> to gain access to the sub- menu. The options are: Standard, 100 Readings, 50 Readings, or 20 Readings. Factory default is Standard. Press <ENTER> to choose the selection, and then press the <MENU
> key to - The DENSITY sub-menu prompts the user to enter the Specific Gravity of the compound being weighed. This option is required when looking at Liters or Gallons as a unit. Press the <ENTER> key to gain access to this sub-menu. The user enters the number using the numbered keypad, then presses <ENTER>. Press the <MENU
> key to continue - The FEED RATE sub-menu asks the user to choose a measure of feed rate. The options are: LBS/HR, LBS/DAY, KG/HR, KG/DAY, GAL/HR, GAL/DAY, LTR/HR, and LTR/DAY. (The choice should be appropriate to the usage per If there are only a few units used per day, then the user should choose the units per day. If there are many units used per hour, then the user should choose the units per hour. This makes the reading more accurate to fluctuations in usage.) The user chooses one of the options by pressing <ENTER>, and then continues to another sub-menu that allows the user to choose the FEED RATE PERIOD. The options available include: 12 hr., 8 hr., 6 hr., 4 hr., 2 hr., 1 hr., 30min., 20 min., 10 min., 5 min., or 2 min. (Once again, if there is little usage, a longer sample period will more accurately reflect the usage.) The user chooses an option by pressing <ENTER>, and is returned to the heading of the sub-menu. Press the <MENU
> key to continue - The 4-20 MA SETUP sub-menu allows the user to determine what to base the 4-20mA reading upon, by choosing one of the following: 4-20mA mode for Net Weight, or for Feed Rate. The user chooses one by pressing <ENTER>, and then continues into the second part of the sub-menu automatically, where they will assign a value to 20 mA, for each respective channel. The number of 4- 20mA outputs you have ordered will be available to The user presses <ENTER> for the next part of the sub-menu where they may enter a numeric value (using the numbered keys) to specify the 4-20mA range. If the 4-20mA is based on the net weight, the user will enter a range that equals the net capacity. (Please note that if the user is reading in a volume unit [gallons or liters], then the 20mA reading is based on the maximum net volume, or number of gallons or liters). If the user enters a 4-20mA range based on feed rate, the reading will reflect the rate of material being used, and the maximum feed rate should be slightly exceeded by the value entered for the 4-20mA range. In order to keep the selected values, the user presses the <ENTER> key. Press the <MENU
> key to continue. - The SET DATE sub-menu allows the user to change the month, day, and (four digit) year. Press <ENTER> to gain access to the sub-menu. The LCD screen will read, “DATE MM/DD/YYYY” “
.” with the corresponding numbers following. The user enters the two digit month, pressing the <MENU
or
> keys to reach the proper date. The blinking cursor indicates your location. Press <ENTER> again to change the day, and again to change the four digit year. This will be set at the factory, and needs only to be changed in the case of a leap year, or in the case of erased programming. Press enter, when date is correct, to return to the start of the sub-menu, and then press the <MENU
> key to continue. - The SET TIME sub-menu allows the user to adjust the time. The time is set in military standard, functioning on a 24-hour cycle. The screen prompts the user use the <MENU
or
> keys to reach a two digit hour, and a two digit (Note: any time that is p.m. after the hour of 12:00 will add 12 to the hour value. For example: 1:00 p.m. will be designated as 1:00 + 12 = 13:00) Press <ENTER> to move from the hour to minute. Press <ENTER> to return to the start of this sub-menu, and press <MENU
> to continue. (If you use Daylight Savings Time, you will need to change this menu at that time.) - The PRINTER SETUP sub-menu allows the user to set the print out as Display, or as Report. The Display option will print what you are viewing on the LCD screen in the Operator’s menu. For a full report of all items in the Operator’s menu, choose the Report option. Select one by pressing <ENTER> and continue to the second part of this sub-menu. The second option is setting the PRINT CYCLE. The options available (pressing the <MENU
> key) are: NONE (MANUAL), DAILY, or HOURLY. The NONE option allows the user to manually print a report by pressing the <PRINT> key. The DAILY or HOURLY report will automatically print according to the time kept by the MODEL 1099™.
Press <ENTER> to select. The third area of this sub-menu allows the user to select the BAUD RATE of the printer being used. The options are: 19.2K, 9600, 4800, 2400, 1200, 600, or, 300. Please refer to the manufacturer’s information for the printer that you have to find the baud rate. Press the <MENU…> key to scroll through the options and press <ENTER> to choose the option. This will return you to the beginning of the PRINTER SETUP sub-menu. Press the <MENU
> key to continue - The TANK LOAD MODE sub-menu allows the user to decide the way in which they will measure the change in usage. The three options are TARE WEIGHT, TANK FILL or NET WEIGHT. The Tare Weight option is chosen when the user wants to assign a known value for tare and allow the net weight to vary. If the tare weight is stamped on the cylinder, this is a good option to choose. Net Weight allows the user to focus on a known value for the net weight. For example: a chlorine cylinder is assumed to always have 150 lbs of chlorine. This is a good option to choose if the tare weight is not known. The Tank Fill option is used for platform scales where the tank is mounted on the base and hardly ever removed. The tank will be filled directly on that scale, and the user wants to measure as it is filled, and then as it is emptied again. (This is an example of when a “Hi” level indicating alarm can also be used.) Press <ENTER> to choose your option. If the user chooses the NET WEIGHT option, they will continue to another part of the sub-menu automatically. The screen will prompt the user to enter a “DEFAULT NET WT. =” value. The value is entered using the numbered keys, in order from left to right. The value should equal the maximum net weight for that channel. (Often, this number is set to zero at the factory and this requires the user to enter the number for the Net Weight when loading a new tank/cylinder in the Operator’s Menu.) This is a convenience option that will bring this value into the Operator’s menu, LOAD TANK (NET) sub-menu, so that it need not be entered by the number keys every time. It can however be changed at any time in the Operator’s menu, LOAD TANK (NET) sub-menu. Press <ENTER> to save this value. Press the <MENU
> key to - The SCALE ID# sub-menu allows the user to identify the different channels that are active, by a two digit number. Enter the number using the numeric keys, and press <ENTER>. If more than one channel has been activated, the user will be prompted to enter ID#’s for each channel activated. Press <ENTER> to save the ID#, and press the <MENU
> key to - The CALIBRATE sub-menu is where the scale calibration is set. STOP!!!!! DO NOT ATTEMPT TO CHANGE CALIBRATION OF THE SCALE UNLESS YOU HAVE BEEN TOLD TO DO SO BY THE FACTORY. ALL SCALES ARE CALIBRATED BEFORE THEY LEAVE THE FACTORY AND DO NOT NEED ADJUSTMENT UNLESS DAMAGE TO THE WEIGHING EQUIPMENT HAS OCCURRED. THE FACTORY RESERVES THE RIGHT TO CHARGE FOR THE RETURN AND RECALIBRATION OF A SCALE THAT HAS BEEN ALTERED WITHOUT NEED. TEST WEIGHTS ARE REQUIRED FOR CALIBRATION. PLEASE CONTACT THE FACTORY BEFORE YOU CONTINUE!!!! Press the <MENU
> key if you have not entered the sub- menu yet, or if you see “SELECT SCALE# TO CALIBRATE
1”, press <ESC> and then the <MENU
> key to continue.
If you receive instructions from the factory to recalibrate, and have a KNOWN weight that must exceed 20% of the net capacity of that channel, please continue by pressing <ENTER> key to access the CALIBRATE sub-menu. Press <MENU
> to select the scale to calibrate, then press <ENTER>. The screen prompts user to REMOVE THE WEIGHT AND PRESS <ENTER>. The scale is zeroing at this time, and will ask user to “PLEASE WAIT…” The screen will prompt user to LOAD CAL. WEIGHT AND PRESS ENTER. The user is then asked to enter a value, using the numeric keys, of the calibration weight being used. If the calibration weight is too small, the 1099™ will show this on the screen. It tells you that the value is too low, not the 20% min. of the resolution. (When a decimal is being used, ex: 150.0, the user must calibrate at a weight above 30lbs. If the user calibrates at 50 lbs., the user will press: 5 – 0 –.0 keeping the zero there to hold the tenths decimal place. Then press <ENTER>. When an appropriate value is entered, the screen will say “PLEASE WAIT…” while it is processing your request. The screen will then say “CALIBRATION DONE <ENTER>”. Press <ENTER> to return to the beginning of the sub- menu. To calibrate each additional channel, you must re-enter this sub-menu until finished. You MUST contact the factory before changing this sub-menu because there are specific ways to place a calibration weight in order to properly calibrate different bases! - The PASSWORD sub-menu is where the user may enter the password they choose to use. The factory has set a password for the unit as it was being calibrated. In order to change this password, the factory must have been instructed NOT to program a password, or you have to enter the factory password to access it. The user may wish to keep, or change this password. If the user keeps the factory password, you may press <ESC> key now and return to the “ENTER MENU # OR
= 0 <ESC> TO EXIT” screen of the Operator’s If you wish to change it, please create a 4-digit password using the numbered keypad. Please note: the first digit of your password CAN NOT BE ZERO! Be sure to record your password in a safe place. The user enters the numbers from the keypad, but will see “****” in place of the number. Press <ENTER>. The LCD screen will prompt the user to CONFIRM PASSWORD. Re-enter the password exactly the same way and press <ENTER>. If you have not entered the same exact password two times, the password will be rejected and return to the “ENTER PASSWORD” screen to try again. When the screen returns to the head of the Password sub-menu screen, the password has been recorded. The Set-Up Menu is now complete. The Model 1099™ is now ready for operation. To return to the Common Display screen, press the <ESC> key two times.
Troubleshooting
Please DO NOT ATTEMPT TO ALTER OR RE-CALIBRATE THIS INSTRUMENT ON YOUR OWN. IT HAS BEEN CALIBRATED AND TESTED BEFORE IT LEAVES THE FACTORY. Should you experience trouble, please read the following for easy diagnosis, and then call the factory for assistance.
If “88888” appears on the LED: This is a condition of overload in weight. The most likely cause is an improper entry of a value that the 1099TM uses to calculate. Go through each step in the Set-up menu to verify that chosen options are correct.
If “99999” appears on the LED: This is a condition of overload in value of the TOTAL of available 4-20mA circuits (99,999 maximum). Please go to the Set-up menu, #11, to check the settings of the 4-20mA. Make sure the values are set at the maximum net value, or feed rate value, that will be used.
If indicator is not receiving any power: DO NOT, AT ANY TIME, STICK ANYTHING INTO THE OPEN FRAME POWER SUPPLY OR TOUCH THE COMPONENTS! YOU WILL RECEIVE AN ELECTRIC SHOCK!!!!! Check outlet for power. Check to see that scale is plugged into an outlet with the proper voltage. Check the small green light on the power supply board (on the top right corner of the Interface board in the back of the indicator box) to make sure it is lit (not blinking). If the light is completely out, or blinking, the problem exists in something before the power supply, or something is placing the power supply in “current overload”. Check all equipment that is connected to the unit, and be sure all wires are in the correct place, and not shorting out with something else on the board. Please disconnect the plug immediately to prevent further damage. Call the factory about the problem and describe the condition to a technical advisor.
If the scale will not return to zero once a tank has been removed: This is a result of miscalculating the net or tare amounts when entering the value in the LOAD TANK Mode. This is easily fixed by using the LOAD TANK MODE in the Operator’s Menu. Proceed through the Sub-Menu as usual, but at the step that says: “Load Tank and Press Enter” you will LEAVE THE SCALE CLEARED OFF WITH NO TANK ON IT! Do not reload a tank!!! Press enter as if you have loaded. This will take you to the next step asking you to “Enter the Net/Tare Weight”. ENTER THE NUMBER ZERO, and press enter. The menu will ask: “Are you sure?” and you will press ENTER for YES. This clears out any residuals that have been stored. You should also proceed through the “Zero a Scale” menu to clear out any stored values. After you have also zeroed the scale (making sure the scale base is completely empty!) go through the Operator’s menu to the second to last item that is gross weight. Be sure this is displaying zero. Then go back to the net weight screen to be sure it is also displaying zero. When they both show zero, you may then go through the “Load a Tank” menu again COMPLETELY, this time placing the new full tank on the scale at the step that says: “Load Tank and Press Enter”. Enter the correct weight in the step that asks for Net/Tare Weight to be entered. You are now ready to use this new tank. If you have entered the correct Net/Tare Weight, the scale reads “0” when you remove that empty to replace it. None of above steps will change the calibration of your scale, so you may do this when needed. You must always register loading a new tank by going through this menu each time you load a new tank anyway, so if you would like it to be at zero when the tank is empty, then you may do this operation in between each new tank. Please do not make changes to the Set-Up Menu unless you have called the factory and it is necessary.
If the 4-20mA reading is not available through the indicator: This 4-20 circuit is Loop powered, so a supply of power must exist outside of the 1099™. Please refer to the diagram on page 22. Check to make sure the wire insulation is not pinched in the connector. Wires should stay in the connector even if you gently tug on the wires. Insert the wire so that it makes good connection. Check to make sure the scale has been programmed properly in the SET-UP Menu. (See #11 in the Set-up menu.)
If the level alarm is not working: check to make sure the wire insulation is not pinched in the connector. Make sure the indicator is programmed properly in #1 of the Set-up menu. If no alarm sounds, check to see where alarm is set to go off, and check if alarm is latched. If alarm is latched, it will not stop going off until the user acknowledges the alarm by pressing the <ACK> key while in the Common Display Screen, and looking at the scale number where the alarm is active (press <SCALE SELECT> to view the scales). (For example: Scale 2 alarm is activated. If the user is in a sub-menu, press the <ESC> key until the LCD shows the common display screen, and then press Scale Select to see Scale #2. It should be blinking on and off. Press <ACK>.) If it does not work, you may choose to enter the Set-up menu #1, and turn off the alarm in that sub- menu by changing the program. Call The Factory.
If printer is not responding: Please check the wiring diagram to assure that your type of printer is connected correctly. RS 232 is not connected the same way as RS485. Check to make sure that the wire insulation is not in the connector and the wire makes good contact. Check the printer to be sure it is on, and functions properly. Also, be sure that the baud rate setting in Set-up menu #14 is correct. If it still does not work, check the performance of the printer. Call the factory
If problems persist, PLEASE CALL THE FACTORY! If in the U.S.A., call: 1 (800) 257-5911. Outside of the U.S.A. (215) 766-2670.
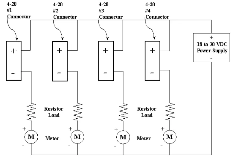
Wiring Diagram for 4-20 mA connection:

Please note that the power supply in this diagram can range from 18 to 30 VDC. Typical power supplies will be around 24 VDC to this loop powered 4-20 mA circuit. If you have any questions regarding the connections of this unit, please notify the factory.
Model 1099TM C.P.C. Orientation Diagram





















