EUROM HKG 10-BE Gas Cannon

Thank you
Thank you for choosing this EUROM product: It is designed to be of service to you safely and without any hassle. Therefore, please read this user manual carefully, make sure you understand it and act as described therein. Keep the manual in order to consult it later and make sure that every other user will read and understand the manual beforehand. This can prevent dangerous situations and fires.
If you have any questions after reading the booklet, please consult your dealer.
Warnings and Safety Instructions
- Make sure there is sufficient ventilation
- Always keep flammable materials at least 2.5 metres away from the device (3 metres from the front).
- Read and understand all instructions and warnings from the instruction manual (on the sticker on the device) before you assemble, use or perform maintenance on the heater. Improper use can lead to fire, explosion, serious personal injury, carbon monoxide poisoning or even death.
- Follow all locally applicable requirements and codes when you install and/or use the heater.
- Use in closed rooms is dangerous and is PROHIBITED. Only use the heater in well-ventilated spaces. Do not use this heater in a space smaller than 100 M3. A well-ventilated area for this HKG10 heater has at least 300 cm2 ventilation opening (or 10 cm x 30 cm) and the air in the space must circulate regularly. Incomplete burning caused by lack of oxygen can cause carbon monoxide poisoning. Carbon monoxide is fatal. The first signs of carbon monoxide poisoning resemble flu-like symptoms: headache, dizziness, burning eyes and nose, dry mouth and throat and nausea. If you experience these symptoms, your heater may not work properly or there is not enough ventilation. Immediately get fresh air! Have the heater checked and/or ensure that there is adequate ventilation. One person may be more susceptible to carbon monoxide poisoning than another person. Particularly pregnant women, people with heart or lung problems or anaemia, the elderly and those under the influence of alcohol have an increased risk. Never use the heater in living, working or sleeping areas.
- Only use propane or butane gas and only use the gas hose and gas regulator supplied by the manufacturer. Check whether the output pressure of the gas regulator corresponds with the specifications on the type plate of the heater. Always tightly close the tap of the gas bottle after use.
- Always change the gas bottle in the fresh air or in open areas with adequate ventilation. Always change the gas bottle in a flame-free environment.
- Check the entire gas transport system and all connections for gas leaks (see instructions) before and after changing the gas bottle. If you find a gas leak, immediately close the tap of the gas bottle! Then open doors and windows to allow the gas to escape. In the meantime, don’t use any fire or equipment that could cause sparks. Fix the leak, and check again for gas leakage before you use the heater again.
- Device category A3.
- Do not use the heater in the vicinity of flammable or explosive materials such as paint, etc., highly flammable liquids such as thinner, gas, turpentine, alcohol or volatile and gaseous flammable substances. That can cause fire or explosion.
- Do not use the heater in places with easily flammable materials (paper, wood chips, granules, glass fibre waste and the like). These materials can be sucked up by the heater and cause fire.
- Do not use the heater in dusty areas.
- Do not use any pressurised containers in a space with an operating heater. The propellant can cause an explosion.
- Keep the front of the heater at least 3 metres away from flammable materials such as wood, clothing, plastic, paper, tent cloth, etc. and keep the rear, upper and sides of the heater at least 2.5 metres away. Store tent cloth/plastic and the like or observe extra distance so that these materials can never come within the stated distances. It is recommended to use fire-resistant material for the roofing or covering.
- Always place the heater on a level, stable and horizontal surface. Never use the heater on a wooden or other flammable surface and check regularly that the surface on which it is placed does not get overheated; that can cause a hazard!
- This heater is intended for use in work sites, in industrial areas, etc. For use in public buildings, the national regulations must be followed. The heater is not intended for household use. It is not to be used to heat residential spaces in residential buildings. Never use the heater in living, working or sleeping areas. This heater is also not suitable for use in campers, trailers, caravans and boats and so forth.
- Do not use the heater in a lobby, basement or space below ground level.
- Never use the heater in rain or snow and not in wet and moist areas.
- Never face the heater facing the gas bottle or gas hose. The gas bottle and gas hose can never be positioned in front of the heater. Always find a safe, stable place for the gas bottle out of the vicinity of easily flammable materials.
- Never block the intake and exhaust and do not use any hoses/tubes on the intake and exhaust.
- Only turn on the heater when you have made sure that the ventilator can work unobstructed.
- Only plug the heater into a grounded socket 220-240V/50 Hz, secured with a 30mA differential switch. Only use grounded extension cords with adequate power.
- Do not leave an operating heater unattended.
- Never move, touch or perform maintenance to a heater while it is running. When you want to move, check, clean or maintain the heater or want to change the gas bottle, first switch it off, unplug it and let the heater cool off.
- Once the heater is switched off, always unplug it. Never unplug the heater when the heater is still on!
- Never look inside the exhaust opening of the heater and do not stand in front of it.
- Do not make changes to the heater; that can cause dysfunction and hazardous situations.
- Immediately close the gas bottle when you detect a malfunction, defect or gas leakage. Do not make repairs to the heater and only have it repaired by a qualified person and only use original parts.
- Keep the heater clean; see “Cleaning and Maintenance”.
- ATTENTION! The heater (and particularly the cap and exhaust opening) become extremely hot and can cause burns. During and shortly after operation, do not touch it. Keep people, animals, clothing and flammable materials at a safe distance. Special attention is required when children or those who need assistance or vulnerable people are around.
Description
- The HKG10 is a hot air gun with direct incineration. It contains a ventilator driven by a motor that promotes air circulation (and thus the oxygen supply) to achieve good incineration of the gas. The HKG10 is a real space heater. Due to direct incineration, it has a high heat output given its (constant) energy consumption.
- The HKG10 has a flame security and an overheating security. The flame security switches the gas supply off when the flame is extinguished. And overheating turns off the gas supply when the heater gets too hot.
- The HKG10 has a tipping security that immediately shuts off the gas supply when the heater could tip over, in any direction.

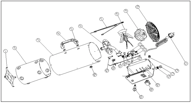
- Air discharge grille
- Housing
- Handle
- Ventilator grill at the rear
- Electrical cable with plug
- Control box
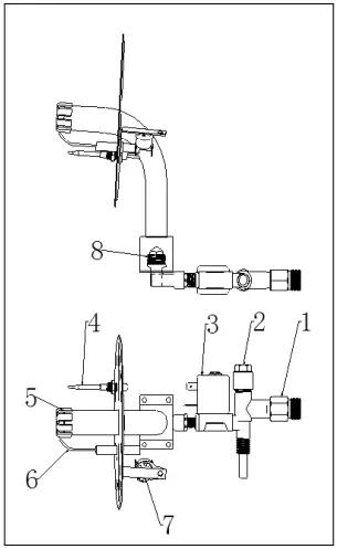
- Connection for gas supply
- Gas valve
- ON/OFF switch
- Ignition button
Technical details
Dimensions

| Direct country of destination | Belgium |
| Gas category | I3B/P (700) – propane or butane |
| International protection rating | IPX0 |
| Supply gas pressure | 700 mBar |
| Voltage | 220-240V~50Hz |
| Power consumption | 25 W |
| Gas consumption | 735 g/hour |
| Heat capacity | 10 kW |
| Airflow | 300 m³/hour |
| Classification gas appliance | A3 |
The smell of gas
An odour is added to gas to allow you to tell if there is a gas leak. Gas is heavier than air; so try to smell the gas right above the floor.
Immediately take measures if you smell gas!
- Immediately shut off the gas supply.
- Don’t do anything to cause sparks or fire to prevent inflammation of the gas. Do not switch electricity on or off, do not light matches, lighter or the like and do not use your telephone.
- Get everyone out of the vicinity of the gas source and give the gas ample time to air out. Stay nearby during that process. If you still smell gas or have doubts about the situation, contact the fire department.
- Have a gas leak repaired by qualified people.
Operation
A. How do I safely connect a (new) gas bottle?
Uncouple the old gas bottle
- Switch off the device with the control knob and close the gas tap on top of the gas bottle by hand. Even with an empty gas bottle. (Note: turn closed = turn clockwise)
- Let the device cool down for at least 15 minutes. After 15 minutes, check that there are no glowing parts anywhere.
- Disconnect the pressure regulator from the old gas bottle by hand, (preferably) do not use any tools. (Note: unscrew = turn clockwise)
Couple a new gas bottle
- Keep all possible ignition sources away. Think e.g. open flames, sparks, cigarettes, hot surfaces, electrical equipment, etc.
- Take measures to prevent the creation of electrostatic charges.
- Avoid sparks from iron on iron.
- Check whether the black sealing rubber is present in the union nut of the pressure regulator and is in good condition.
- Connect the pressure regulator to the gas bottle. Tighten the union nut firmly by hand, sufficient to obtain a gas-tight connection. (Note: tighten = turn counterclockwise).
- Open the gas tap on top of the gas bottle. (Note: turn open = turn counterclockwise).
- When you hear a hiss, immediately close the gas tap on top of the gas bottle. The connection is then not closed. Tighten the union nut of the pressure regulator.
- Do a leak test with soap water. When soap bubbles form, the connection is not closed. Immediately close the gas tap on top of the gas bottle. Tighten the union nut of the pressure regulator.
- If no leakage has been detected, you can ignite the device.
B. Operation general
- Check the heater for damage or defects. Do not use a damaged heater, but contact your supplier.
- Make sure to use undamaged, full gas bottles with propane or butane, suitable for use.
- Select a place for the heater that meets all the safety instructions and place it on a level, stable, horizontal surface with non-flammable material. Do not plug it in and the set the power switch to O (off).
- Firmly attach the gas supply hose with suitable tools to the pressure regulator (left screw threads!)
Note: the gas supply hose is already mounted on the pressure regulator from the factory. Point 4 therefore only applies when replacing the gas supply hose or pressure regulator.
- Remove the protective cap and attach the gas supply hose to the device (left screw threads!). Firmly screw on the nut with suitable tools for unproblematic gas supply.(Diagram 1)
- Connect the pressure regulator to the gas bottle. Firmly screw the nut on so that no gas leakage can occur. Make sure when you install the gas bottle that the gas hose is not bent or kinked. Avoid turned and pulled tension.
- Check that the device is correctly attached to the gas bottle and perform a complete gas leakage test (see the description below in this booklet).
- When you’re sure everything is in order, open the gas tap. (Diagram 2).
- Now insert the plug into the socket. Then set the power switch to I (on) (Diagram 3). The ventilator will start running.
- Wait until the ventilator is running steadily and stable. Now press the right-hand button of the gas valve and keep it pressed down for 10 seconds. Then with your left hand simultaneously press the ignition button a few times to ignite the device (Diagram 4).
- After the gas starts burning, keep the gas valve pressed in for another 15 seconds. After that, you can let go and the gas will burn continuously (Diagram 5).
- To switch off the device, close the gas tap of the gas bottle and wait until the flame goes out. Now switch the power switch to O (off) and remove the plug from the socket. Finally, disconnect the pressure regulator from the gas bottle.
Attention! The device will remain hot for a while after use. Always remove the plug from the socket when the unit is not in use. - If you have to change the gas bottle or want to use the device after a period of storage, you must repeat the entire process, including the gas leakage test.
Attention:- If you have tried to start the device according to the procedure described above and that does not work after three attempts to ignite it, don’t try it again. Due to the high gas concentration, there is now an explosion hazard! Contact your dealer to find out the reason for the malfunction.
- Make sure when you install the gas bottle that the gas hose is not bent or kinked. Avoid twisted and tensile stress. This can damage it and gas leakage can occur!
- Always use the correct, supplier-provided pressure regulator and gas hose. If you have questions about the gas hose, contact your supplier. A length of 1.5 metres is advised.
Gas leakage test
To rule out the possibility of damage during transport or due to high pressure, wear and tear, etc., a complete gas leakage test must be performed during installation, after changing a gas bottle and after a period of storage. All leakage inspection must be performed with a soap solution, never with fire! Do not smoke during the inspections. When there is gas leakage, immediately close the gas tap on the gas bottle (be alert for the odour!) and remove the equipment far from other sources of heat, fire and sparks.
- Perform the inspection with a full gas bottle.
- Unplug it, switch the power switch to O (off), close the gas supply.
- Make a soap solution with one part liquid soap and one part water.
- Apply the soap solution to the entire gas transport system, especially on the connections, with a spray bottle, brush or cloth.
- Open the gas supply. If there is a leak, you will see soap bubbles.
- If there is a leak, switch off the gas supply. Tighten the leaking part, turn on the gas supply again and check again. If there are still bubbles, contact your supplier.
- Make sure there is no fire or sparks in the vicinity when you are performing the leakage test and do not smoke!
- If the gas hose shows signs of bursting, cracks or other damage, it must be replaced by a new hose of the same length and equivalent quality. Replace it at least every 3 or 4 years; see the writing on the hose.

Cleaning and maintenance
- Switch the unit off, unplug it and give the heater time to cool off before you clean it or perform maintenance.
- Keep the unit clean (particularly the grills and the ventilator blades) and remove dust regularly. You can clean the housing with a damp cloth. Never use aggressive, corrosive or abrasive cleaning agents.
- You can carefully try to remove dust and other dirt in the unit with a brush, vacuum it out or blow it off (carefully) with a compressor.
- Check the incineration after the heater is ignited. The normal flame is blue and not outside of the unit. The flame must be stable and the entire flame circle must be uniform in shape. If that is not the case, there is something wrong with the incineration. Contact your service department.
- Regularly check the gas hose and its screw connections. If the hose is damaged
(kinked, burst or worn out, shows signs of burns or anything), this must be replaced immediately. Even without visible damage, the hose must be replaced at least every 3 or 4 years (see the printing on the hose). Only use an approved gas hose. - If the gas tap on the gas bottle falters and the gas supply cannot be turned off normally, first press the power regular to (O) and unplug the unit. The gas valve will now block the gas supply and the heater will shut off. Allow the unit to cool off, but don’t disconnect the gas hose! Take the gas bottle and the connected device to your gas supplier to have the problem solved. This defect is not in your unit.
- If you think you won’t use the device for a long time, you should disconnect the gas supply hose from the unit and place the protective cap on the opening. Put the unit in the original packaging (or another dust-free box or bag) and keep it in a cool, dry place outside the reach of children. Before you use the device again, you must check whether the ventilator is working properly and no flammable materials are still next to/in/on the heater. Also perform a gas leakage test.
- Repairs must only be performed by qualified people. Never open the heater yourself!Make sure that only original parts are used; that definitely applies to the gas hose and the pressure regulator!
- The heater must be inspected at least once a year by a qualified person.
Gas supply circuit

- Connection nut for gas supply
- Gas valve
- Electromagnetic valve
- Thermocouple
- Burner head
- Spark plug
- Overheating protection
- Gasnozzle
Operating principle:
When the heater is connected to the gas supply, the gas passes in sequence through the following parts:
- Gas supply opening (1)
- Gas valve (2)
- Electromagnetic valve (3)
- Gas nozzle (8)
- Burner head (5), where it is ignited by a spark in the spark plug (6)
- thermocouple (4), that is heated by the heat of the burnt gas
- overheating protection (7) that controls the electromagnetic valve in the gas valve
Electric circuit

Ignition

Circuit Flame Protection

Spare Parts

Rating label

Disposal
At its end of life, discard the device according to the local laws and regulations, or deliver the device to your supplier.


| Symbol | Wert | Einheit | |||||
| ηth,nom |
89,3 |
% | |||||
| ηth,min | % | ||||||
| Ja | |||||||
|
Nein | |||||||
|
Nein | |||||||
|
Nein | |||||||
| Nein | |||||||
|
Nein | |||||||
| Raumtemperaturkontrolle mit Präsenzerkennung |
Nein | ||||||
| Raumtemperaturkontrolle mit Erkennung offener Fenster | Nein | ||||||
| Mit Fernbedienungsoption |
Nein | ||||||
| Mit adaptiver Regelung des Heizbeginns |
Nein | ||||||
| Mit Betriebzeitbegrenzung | Nein | ||||||
| Mit Schwarzkugelsensor | Ja | ||||||
| Leistungstungsbedarf der Pilotflamme (soweit vorhanden) | Ppilot | N/A | kW | ||||



















