HOMECLOUD S2208SR0-W-2X120 Wifi Smart Switch

Specifications
| Model No. / Homcloud code | S2208SLR0-W-2X120 / TN-SBM2CL | |
| Rated voltage | DC 12V/24V | |
| Rated Power/freq. | 240W 50/60 Hz | |
| Load Range | DC 12V | 2x60W 5Ax2 |
| DC 24V | 2x120W 5Ax2 | |
| Working Environment | Temperature:0℃ – 35℃ | |
| Humidity:10% R.H. – 90% R.H. | ||
| Model Size | 44mm×44mm×22mm (L×W×H) | |
| Wifi standard | 2.4G ~ 2.4835 GHz wifi (IEEE802.11b/g/n) | |
| Max transm. power | <20 dbm | |
WARNINGS AND CAUTIONS
- Risk of fire and electrical shock, products should be installed in accordance with appropriate electrical codes and regulations.
- This smart switch should be protected by a 15A circuit breaker.
- Turn power off at circuit breaker or fuse and test that power is off before installing.
- If you are unsure about any part of these instructions, consult a licensed electrician.
- The summation of the rated power of the loads connected to the smart switch, should not be exceed the rated power of the smart switch.
- It should be ensured that the smart switch cannot been covered with metal. If there have metal cover on the product will affect the signal received by the mobile phone, resulting in the abnormal use of the product.
- Perform operations 10 seconds after the switch is powered on.
Functional Instructions
- Network status indicator
- Green light constant on: App connected
- Green light flicker: Network Connection Mode
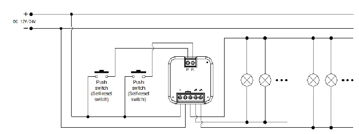
- Input and output Terminal
- “+” Input terminal (Connect positive power supply, “+”)
- “-” Input terminal (Connect negative power supply, “-”)
- “ ” Output Terminal (Connect the loads)
- “P1” Input terminal (Connect the self-reset switch one)
- “P2” Input terminal (Connect the self-reset switch two)
- Load Indicator one
- Indicator lights continued to green: Load one is on power state
- Load Indicator two
- Indicator lights continued to green: Load two is on power state
Switch Operation
Power switch operation – (it is possible to connect only 1 switch)
Note:
After finishing the installation, the power switch should be in OFF status and the smart switch should be on ON status than can work normally
- Network Connection Mode/Reset: The load should be powered on for 10 seconds when the power switch is in the “ON” state, then can operate “OFF/ON” five times (the interval between OFF and ON should be greater than 1 second and less than 3 seconds). After the network status Indicator turn green and flickering, the smart switch can be connected to the APP.
Self-reset switch operation (it is possible to connect 2 self-rest switches, one per channel)
Note:
Short press: Within 0.5s
Continuous short press: Each interval of the short press should be within 1s
Load in ON status: Short press the self-reset switch once when the load in OFF status.
Load in OFF status: Short press the self-reset switch once when the load in ON status.
Network Connection Mode/RESET: The load should be powered on for at least 10 seconds then short press the self-reset switch ten times. After the network status Indicator turn to green and flickering, the smart switch can be connected to the APP.
Installation
- Step 1
WARNING: To avoid fire and electrical shock, TURN PFF POWER at circuit breaker or fuse and test that power is off before wiring. - Step 2 Performing the installation based on actual application conditions. The area of the connected wire core is 0.75mm²-1.5mm² and the stripping length of the connected is about 9mm.
- Step 3 Typical wiring application
Connection of power switch
Note:
After installation, the power switch should be in power-off and the smart switch should be in power-on then can work normally
Connection of self-reset switch ( best option)
Note:
- The smart switch must be connected to the side with the electricity of the load to ensure normal work.
- The smart switch could be connected with multiple self-reset switches to control the ON/OFF of the load.
- The same loads could only connect by one smart switch
IMPORTANT:
It should be ensured that the smart switch cannot be covered with metal. If there have a metal cover on the product will affect the signal received by the mobile phone, resulting in the normal use of the product.
Instructions
Step 1 Priority The App is in operating and can be interrupted by the power switch, but the App cannot interrupt when the power switch is in operating.
Step 2 Function Instructions
Table 1 Connection of Power switch operation
Table 2 Connection of Self-reset switch operation
APP Operation
Download and Registration
Homcloud is available for both iOS and Android OS.
- Download Homcloud App from Store or Google Play or scan QR code below

- After downloading the APP on Smartphone, the user needs to register in APP and click the “Register” button to go to the register interface. Users can choose a phone number or email and enter a password, then click“ Register” to save settings.
- The user can log in to the APP to do operations.
Set up router
The device only supports only 2.4 Ghz frequency band router.
Quick Configuration on App
- Connect your mobile device to a 2.4 GHz Wi-Fi Network and launch Homcloud App.
- See ”Wiring instructions” if you haven’t done it yet paying attention you switched off the load power.
- Press the traditional self-reset switch (connected to the module) for 10 times short press or if you have got a standard Power switch (connected to the module) press ON-OFF-ON-OFF for at least 5 times (one time per second) until the green indicator light on the module flash quickly (If you wait more than 120 sec you need to repeat this passage)
- Keep your smartphone close to the switch/button you want to configure (approx 30cm) and tap on the Homcloud homepage “add device” or the icon “+”. After that tap “Wi-Fi switch module” on the devices list and follow instructions on App.
- Rename the device and choose the room name if you wish to.
INTEGRATION WITH GOOGLE HOME AND AMAZON ALEXA
Download and install Google Home or Amazon Alexa App for mobile and control your devices with your voice with Smart Speakers or directly with your smartphone.
Important: If you want to link HomCloud App to Google Home or Alexa App you need to select “Smart Life” App between the list of Google Home or Alexa partners. (after that passage the user will be automatically directed to HomCloud App).
NO NEED to download Smart Life App.
Please visit www.homcloud.com/config for support
MORE INFORMATION
If you need help scan the QR code below and message us on WhatsApp.
If you need Instruction manuals in other languages, please scan QR code below
Declaration of conformity
Hereby, Life365 Italy S.p.A. declares that this wireless device complies with the essential requirements and other related provisions of Directive 2014/53 / EU of the European Parliament and of the Council. The declaration can be consulted on the website www.homcloud.com/doc. “Homcloud” is a registered trademark of Life365 Italy S.p.A.
Imported by: Life365 Italy S.p.A. – European General Agency Viale Roma 49/a, 47122 Forli, Italy – Made in China





















