sauermann LR 110 Light Sensor or Transmitter User Guide

Light transmitter
LR 110 light sensor has a measuring range from 0 to 10,000 lux.

Operating temperature, protection of the instruments and information about storage
Conditions of use (°C/%RH/m): from -10 to +50 °C; in non-condensing conditions. From 0 to 2000 m. Protection: IP65 Storage temperature: from -10 to +70 °C.
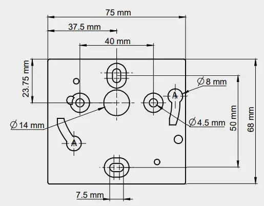
Dimensions

Symbols used
⚠ For your safety and in order to avoid any damage of the device, please follow the procedure described in this document and read carefully the notes preceded by the following symbol:
ℹ The following symbol will also be used in this document, please read carefully the information notes indicated after this symbol:
Connections

- Active switch
- Inactive switch
- LCC-S software connection
- Power supply and output signal
- Cable gland
Electrical connections as per NFC15-100 standard
⚠ This connection must be made by a qualified and trained technician. To make the connection, the transmitter must not be energized.

Settings and use of the transmitter
Configuration
To configure the transmitter, unscrew the 4 screws of the housing then open it. DIP switches allowing the different settings are accessible.

⚠ To configure the transmitter, it must not be energized. Then you can make the required settings thanks to the DIP switches as shown on the drawing below. When the transmitter is configured, you can power it up.
Measuring unit setting Active switch
To set the unit of measurement, put the on off switches 3 and 4 as shown in the table:

Configuration via LCC-S software (optional)
An easy and friendly configuration with the software!
⚠ Caution: The configuration of the parameters can be done either by DIP switch, or by software (you cannot combine both solutions). To access to the configuration via software: – Set the switch as shown below. – Connect the cable of the LCC-S to the connection of the transmitter
Configuration via PC
To configure the transmitter, please refer to the LCC-S user manual.
Mounting
To mount the transmitter, mount the ABS plate on the wall (drilling: Ø 6 mm, screws and pins are supplied). Insert the transmitter on the fixing plate (see A on the drawing beside). Rotate the housing in clockwise direction until you hear a “click” which confirms that the transmitter is correctly installed.

Maintenance: please avoid any aggressive solvent. Please protect the transmitter and its probes from any cleaning product containing formalin, that may be used for cleaning rooms or ducts.
Precautions for use: please always use the device in accordance with its intended use and within parameters described in the technical features in order not to compromise the protection ensured by the device.
Download the LCC-S software user manual

Download the LR 110 data sheet
Customer service portal
Use our Customer service portal to contact us
https://sauermann-en.custhelp.com![]()

















