SHOP TUFF STF-26VT 2.5 cu. ft. Vibratory Tumbler Owner’s Manual
WARNING:
Read carefully and understand all ASSEMBLY AND OPERATION INSTRUCTIONS before operating. Failure to follow the safety rules and other basic safety precautions may result in serious personal injury.
Thank you very much for choosing a Shop Tuff product. For future reference, please complete the owner’s record below:
Model: _____STF-26VT__________ Purchase Date: _______________
Save the receipt, warranty and these instructions. It is important that you read the entire manual to become familiar with this product before you begin using it.
This product is designed for certain applications only. The manufacturer or distributor cannot be responsible for issues arising from modification. We strongly recommend this product not be modified and/or used for any application other than that for which it was designed. If you have any questions relative to a particular application, DO NOT use the product until you have first contacted the distributor to determine if it can or should be performed on the product.
For technical questions please call 1-218-943-6296.
INTENDED USE
This Tumbler is designed for cleaning and/or deburring machined parts with the use of media (media purchased separately). Rust inhibitors can be added to the Tumbler during cleaning.
TECHNICAL SPECIFICATIONS
| Item | Specification |
| Motor | 1 HP – 120v/60hz |
| Weight Capacity | 220 lbs |
| Tub Total Volume Capacity | 2.5 cu. ft. |
| Tub Inside Dimensions: | 26.8” L x 13.4” W x 13.2” H |
| Overall Dimension: | 32.3” L x 20.1”W x 34.1” H |
| Timer Max. Run Time | 60 minutes |
GENERAL SAFETY RULES
WARNING: Read and understand all instructions. Failure to follow all instructions listed below may result in serious injury.
CAUTION: Do not allow persons to operate or assemble this vibratory tumbler until they
have read this manual and have developed a thorough understanding of how the vibratory tumbler works.
WARNING: The warnings, cautions, and instructions discussed in this instruction
manual cannot cover all possible conditions or situations that could occur. It must be understood by the operator that common sense and caution are factors which cannot be built into this product, but must be supplied by the operator.
WORK AREA
- Keep work area clean, free of clutter and well lit. Cluttered and dark work areas can cause accidents.
- Keep children and bystanders away while operating the vibratory tumbler. Distractions can cause you to lose control, so visitors should remain at a safe distance from the work area.
- Be aware of all power lines, electrical circuits, water pipes and other mechanical hazards in your work area, particularly those hazards below the work surface hidden from the operator’s view that may be unintentionally contacted and may cause personal harm or property damage.
- Be alert of your surroundings. Using the vibratory tumbler in confined work areas may put you in a dangerous situation.
PERSONAL SAFETY
- Stay alert, watch what you are doing and use common sense when using the vibratory tumbler. Do not use the vibratory tumbler while you are tired or under the influence of drugs, alcohol or medication. A moment of inattention while operating the vibratory tumbler may result in serious
personal injury. - Dress properly. Do not wear loose clothing, dangling objects, or jewelry. Keep your hair, clothing and gloves away from moving parts. Loose clothes, jewelry or long hair can be caught in moving parts.
- Use safety apparel and equipment. Use safety goggles or safety glasses with side shields which comply with current national standards, or when needed, a face shield. Use as dust mask in dusty work conditions. This applies to all persons in the work area. Also use non-skid safety shoes,
hardhat, gloves, dust collection systems, and hearing protection when appropriate.
VIBRATORY TUMBLER USE AND CARE
- Do not modify the vibratory tumbler in any way. Unauthorized modification may impair the function and/or safety and could affect the life of the equipment. There are specific applications for which the vibratory tumbler was designed.
- Always check for damaged or worn out parts before using the vibratory tumbler. Broken parts will affect the vibratory tumbler operation. Replace or repair damaged or worn parts immediately.
- Do not exceed the vibratory tumbler load capacity.
- Distribute the load evenly. Uneven loads may cause the vibratory tumbler to tip, resulting in personal injury to the operator or others.
- Use the vibratory tumbler on flat and level surfaces capable of supporting the vibratory tumbler and its maximum load. Pulling or pushing a load on a slanted or uneven surface can result in loss of control.
- Store idle vibratory tumbler. When the vibratory tumbler is not in use, store it in a secure place out of the reach of children. Inspect it for good working condition prior to storage and before re-use.
ASSEMBLY
- Remove Vibratory Tumbler from shipping crate.
- Install Rubber Feet, item 1, on the bottom of all four legs on the Stand Assembly, item 26A.
- Remove Control Box Stand Assembly, item 27, from the shipping position.
- Remove Electrical Cord and Control Box Assembly, item 22, from the shipping position (underside of Vibratory Tumbler).
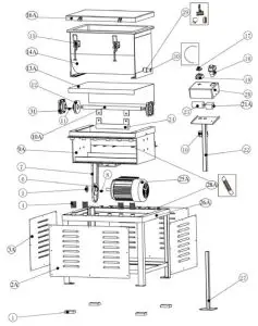
- Insert Control Box Assembly, item 22, into Control Box Stand Assembly, item 27. Tighten using black threaded hand knob. Note; the Control Box Stand Assembly can be permanently mounted to floor with concrete anchor bolts. (Concrete anchor bolts not furnished.)
- Install Drain Valve Assembly, item 29, onto the bottom side of the Tub Assembly, item 14A
OPERATION
- Fill Vibratory Tumbler Tub with tumbling media, about 2/3 to 3/4 full. (be sure not to exceed weight capacity). You must add media + parts + water = weight capacity.
- If always tumbling heavy loads, you may need to add springs (see below Maintenance)
- Add Water or Rust inhibitor to media if preferred, but not necessary.
- Add material/parts to be tumbled.
- Close and latch Tub Cover.
- Turn timer to preferred time setting.
- Check material/parts periodically. Always turn Vibratory Tumbler off before opening Tub Cover.
- When finished tumbling material/parts, open Drain Valve to drain tub if water was used.
WARNING: Keep all body parts and people clear of Vibratory Tumbler when Vibratory Tumbler is in use.
MAINTENANCE
- Maintain your vibratory tumbler. It is recommended that the general condition of the vibratory tumbler be examined before it is used. Keep your vibratory tumbler in good repair by adopting a program of conscientious repair and maintenance. If any abnormal vibrations or noise occurs, have the problem corrected before further use. Have necessary repairs made by qualified service personnel.
- The Tub Assembly comes preset with 4 Tension Springs and 4 Compression springs. If tumbling heavier material/parts the tub assembly may require more springs. There are 2 Tension springs and
2 Compression springs included for this purpose. (See part # 4 and 28A in below diagram) Original set up:
4 – springs each side……….for tumbling less than 100 to 125lbs (media included in this weight)
Add 2 springs to each side for:
6 – springs each side………for tumbling heavier loads (media included)
When using additional springs, the vibration will be reduced when tumbling lighter loads. You may need to experiment based on your average tumbling load capacity. If tumbling heavy loads with fewer springs, springs may break with less usage.
DIAGRAM & PARTS LIST

| Part# | Description | Qty. | Part# | Description | Qty. |
| 1 | Rubber Feet | 4 | 17 | Timer Knob | 1 |
| 2A | Front Cover | 2 | 18 | Switch | 1 |
| 3A | Side Cover | 2 | 19 | Timer | 1 |
| 4 | Compression Spring | 6 | 20 | Control Box | 1 |
| 5 | Wheel Flange | 1 | 21A | Running Capacitor | 1 |
| 6 | Motor V-Belt Pulley | 1 | 22 | Control Box Assembly | 1 |
| 7 | V-Belt | 1 | 23 | Start Capacitor | 2 |
| 8 | 6*30 Pin | 1 | 24 | Centrifugal Weight Assembly | 1 |
| 9A | Tub Support Assembly | 1 | 25A | Electric Motor | 1 |
| 10A | Main Shaft Assembly | 1 | 26A | Main Stand Assembly | 1 |
| 11 | 8*30 Pin | 1 | 27 | Control Box Stand Assembly | 1 |
| 12 | V-Belt Pulley | 1 | 28A | Tension Spring | 6 |
| 13A | Tub Base | 1 | 29 | Drain Valve Assembly | 1 |
| 14A | Tub Assembly | 1 | 30 | Drain Hose Assembly | 1 |
| 15 | Lock Handle | 2 | 31 | Flange Bearing | 2 |
| 16A | Tub Cover | 1 |
For replacement parts and technical questions, please call 1-218-943-6296.
WARRANTY
One-year limited warranty
















