FBD-2 Fire Alarm Panel
Manual
FBD-2
FBD-2 Two Zone Detection and Alarm Panel
Safety Instructions
Important
Before starting with installation of the FBD-2 Fire alarm panel, we recommend you read the important information below.
Qualification
The installation of the product detailed in this manual must be done by a certified installation company. If not, the warranty becomes void.
Caution:
Before installing the FBD-2 fire alarm unit, check if all parts are present.
The package includes:
- FBD-2
- Manual
Disclaimer:
Fireboy-Xintex will not be responsible for any damage or loss of profit resulting from the use of this equipment.
Installation Manual
Units
The fire alarm panel comes in the option shown in Table 1.
| Unit | Number of zones |
| FBD-2 | 2 |
Table 1: Unit options
Mechanical Installation
The unit consists of two parts. The front panel and a backplate. The backplate can be mounted on a wall or console. The connector on the back of the unit will protrude though the backplate into the wall.
A ridge on the top of the unit holds the front panel in place. The front panel can be fastened using a screw on the bottom of the unit.
Figure 1: Mounting options
Optionally, a wall mount box (P/N: 96016) can be provided to mount the unit on a wall without needing a hole. This box provides space for the cabling.
Technical Specifications
| Description | Specification |
| Supply voltage | 9-32V DC |
| Zone loop voltage | 24V DC (regardless of input voltage) |
| Minimum alarm current | 15mA |
| Maximum current per zone | 400mA |
| Maximum sensors per zone | 8 |
| EOL resistor | 5.6kΩ |
| Potential free transistor output (Fault, Alarm) | 50V max |
| Relay output (Buzzer) | 2A |
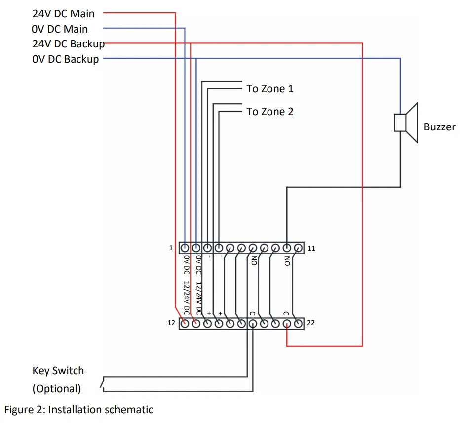
Electrical Installation
Figure 2: Installation schematic
Connecting Sensors
Figure 3: Zone schematic
Power supply
The FBD-2 has a main and backup power supply input. A fault will be indicated on the front and the fault output will be activated when one of the supplies fails. If only one supply is needed, the main and backup supplies must be connected together to avoid generating a fault.
Zones
Unit has two zones. The zone output provides the sensor loop with 24V DC regardless of the voltage supplied on the supply inputs. An End of Line resistor (EOL) of 5.6kΩ should be placed at the end of the loop as show in Figure 3. Placing it at any other point will prevent open loop detection from working properly. If a zone is unused the EOL resistor should still be connected.
Key Switch Input
A key switch can be added to only allow authorised personnel to accept a fire alarm. The switch should be in the closed position when the key is turned. When no key switch is used this input should be bridged.
Fault Output
Used with Vessel’s Monitoring System, contact factory for more information.
Alarm Output
Used with Vessel’s Monitoring System, contact factory for more information.
Buzzer Output
A buzzer can be connected to the buzzer contact. This is a potential free contact that closes when a fire occurs. The voltage for the buzzer needs to be supplied externally.
Configuring the FBD-2 Fire alarm panel
Short Circuit as Alarm
Some older non EN54 or BS5839 compliant systems do not use internal resistors. These systems cause a short on the zone loop when a fire is detected. When such a system is used, the alarm panel needs to be set to “short circuit as fire” via the jumper on the back. A short on the line will now cause a fire alarm as a result, not a fault. Note that an actual short in the wiring can no longer be detected and will also cause a fire alarm. The panel is set to “short circuit as fire” When the top two pins are bridged using the jumper. When the bottom two pins are bridged, the panel is set to “short circuit as fault”. The jumper should be placed as shown in Figure 4.
Note: Changing the jumper requires a restart to take effect
Figure 4: Short circuit jumper
User Manual
The FBD-2 fire alarm panel provides fire detection and alarm functionality.
Operation
The unit is always operational when powered. During normal operation the “OK” LED should be on to indicate the zone is working properly.
The “FAULT” LED will blink, and an audible alarm will be generated when a fault is detected on a zone. There are two fault situations:
Short:
There is a short in the zone cabling. The FBD-2 removes the power from the zone and indicates a fault situation. When the “SILENCE” button is pressed the alarm will be muted, the “FAULT” LED will light up without blinking and the “OK” LED will blink for one minute. After a minute the zone will turn back on. A new fault will be generated if the short persists. A fault will not be generated when the unit is configured for “short circuit as alarm”, a fire alarm will be generated instead.
Note that when a key switch is present, the alarm can only be accepted when the key is turned to the closed position.
Open Circuit:
The EOL resistor is no longer detected. This indicates there is a break in the zone loop. When the “SILENCE” button is pressed the alarm will be muted and the “FAULT” LED will light up without blinking. When the EOL resistor is detected the “OK” LED will turn on and the zone will be operational again once the “SILENCE” button has been pressed again.
Silence Button
Pressing the “SILENCE” button will accept and mute alarms, fire alarms can only be accepted if the key is in the closed position or bridged.
When a fire is detected the “FIRE” LED will light up and an audible alarm will be generated. If the fire alarm is accepted but still active after 2 minutes, the alarm will return.
Dimming Button
The front LEDs can be dimmed to preserve night vision. Press and hold the “DIM” button until the LEDs reach the desired brightness. The “FAULT” and “FIRE” LEDs will not be dimmed for safety.
Test Button
The “TEST” button can be pressed to test the LEDs. Pressing the “TEST” button for 30 seconds will also activate the buzzer and alarm and fault outputs.
Power LED
The “POWER” LED blinks green while the unit is in operation normally. If one of the power supplies fails, the “POWER” LED will light up red.
Maintenance
The FBD-2 unit is maintenance free. It is permitted to clean the front of the FBD-2 unit with a damp cloth.
Do not use aggressive cleaning agents!
Troubleshooting
| Symptom | Possible Cause | Test and Remedies |
| Green LED is not flashing | Power supply is not connected | Check if power supply is connected |
| Green LED light up without flashing | Micro controller is in error. | Power the unit off and on |
| A fault is generated when a manual call point is pressed | A shorting call point is used | The jumper should be set to “short circuit as fire” |
| A short causes a fire alarm instead of a fault | The unit is setup for shorting call points | The jumper should be set to “short circuit as fault” |
| Alarm or fault cannot be accepted | The key switch contacts are not bridged | The key is not in de closed position or if the key is not installed bridge the key switch contact |
Table 3: Troubleshooting
Notes……
1 Year Limited Warranty
This Warranty is in lieu of all other expressed or implied Warranties.
Seller warrants title, materials, and workmanship on equipment, except components manufactured by others for which the Seller assigns, as permitted, the original manufacturer’s warranty. Seller’s warranty shall be for a period of (1) one year from the date of sale to the ORIGINAL CONSUMER PURCHASER, during which non-conforming equipment returned to the Seller at Buyer’s expense and risk, be repaired, or replaced at the Seller’s option. Fireboy-Xintex will repair or replace products found to be defective in materials or workmanship within the period set forth above, provided that: (a) the product has not been subjected to abuse, contamination, neglect, accident, incorrect wiring not our own, improper installation or servicing, or used in violation of instructions furnished by Fireboy-Xintex and (b) as to any prior defects in materials or workmanship covered by this warranty, the product has not been repaired or altered by anyone except Fireboy-Xintex and (c) the serial number has not been removed, defaced or otherwise changed, and (d) examination discloses, in the judgment of Fireboy-Xintex, does not assume the costs of removal and/or installation of the product or any other incidental costs of removal and/or installation of the product or any other incidental costs which may arise as a result of any defect in material or workmanship, and (e) upon discovery of defect, Buyer shall immediately cease use of and notify Fireboy-Xintex.
Any warranty implied by law, including warranties of merchantability or fitness, is in effect only for the duration of the expressed warranties set forth above, no person is authorized to give any other warranty, or to assume for Fireboy-Xintex any other liability in connection with the sale of its products; Fireboy-Xintex shall not be liable for the loss of use, revenue, or profit or for any injury, or for any other consequential or incidental damages, buyer is not relying on seller’s judgment regarding his or her particular requirements, and has had an opportunity to inspect the product to his or her satisfaction.
This warranty gives you specific legal rights, and you may also have other rights, which vary, from location to location.
Contact information is listed below. For US customers, contact Fireboy-Xintex. For international customers, contact Fireboy-Xintex UK Operations Limited.
www.fireboy-xintex.com
United Safety Acquisition Corporation
(d/b/a Fireboy-Xintex)
O-379 Lake Michigan Dr. NW
Grand Rapids, MI 49534
[email protected]
Phone (616) 735 9380
Fireboy-Xintex UK Operations Limited
10 Holton Road, Holton Heath Trading Park
Poole Dorset BH16 6LT UK
[email protected]
Phone +44 (0) 845 389 9462
Part Number 18165, A, 05/01/2023


















