
Believe in better
DFD 211 DFD 309
COMMERCIAL COOLER
Safety warnings
1.1 Warning
Warning: risk of fire / flammable materials RECOMMENDATIONS: This appliance is not intended for use by persons (including children) with reduced physical, sensory or mental capabilities, or lack of experience and knowledge unless they have been given supervision or instruction concerning the use of the appliance by a person responsible for their safety. Children should be supervised to ensure that they do not play with the appliance.
This appliance can be used by children aged 8 years and above and persons with reduced physical, sensory or mental capabilities or lack of experience and knowledge if they have been given supervision or instruction concerning the use of the appliance in a safe way and understand the hazards involved. Children shall not play with the appliance. Cleaning and user maintenance shall not be made by children without supervision.
The instructions concerning persons (including children) with reduced physical, sensory or mental capabilities, or lack of experience and knowledge, and children playing with the appliance are not required.
If the supply cord is damaged, it must be replaced by the manufacturer, its service agent, or similarly qualified persons in order to avoid a hazard.
WARNING: Do not store explosive substances such as aerosol cans with a flammable propellant in this appliance.
WARNING: Keep clear of obstruction all ventilation openings in the appliance enclosure or in the structure for building-in.
WARNING: Do not use mechanical devices or other means to accelerate the defrosting process, other than those recommended by the manufacturer.
WARNING: Do not damage the refrigerant circuit.
WARNING: Do not use electrical appliances inside the food storage compartments of the appliance, unless they are of the type recommended by the manufacturer.
WARNING: Please abandon the commercial showcase according to local regulators for it use of flammable blowing gas and refrigerant.
WARNING: When positioning the appliance, ensure the supply cord is not trapped or damaged.
WARNING: Do not locate multiple portable socket outlets or portable power supplies at the rear of the appliance.
Do not use extension cords or ungrounded ( two-prong ) adapters.
DANGER: Risk of child entrapment. Before you throw away your old commercial showcase:
-Take off the doors
-Leave the shelves in place so that children may not easily climb inside
The commercial showcase must be disconnected from the source of electrical supply before attempting the installation of the accessory.
Refrigerant and cyclopentane foaming material used for the commercial showcase are flammable.
Therefore, when the commercial showcase is scrapped, it shall be kept away from any fire source and be recovered by a special recovering company with a corresponding qualification other than being disposed by combustion, so as to prevent damage to the environment or any other harm.
1.2 Meaning of safety warning symbols
Prohibition symbols
The symbols indicate prohibited matters, and those behaviors are forbidden. Non-compliance with the instructions may result in product damages or endanger the personal
safety of users.
The symbols indicate matters that must be followed, and those behaviors must be strictly executed in line with the operational requirements. Non-compliance with the instructions may result in product damages or endanger Warning symbols the personal safety of users.
A Note symbols
The symbols indicate matters to pay attention to, and these behaviors shall be specially noted. Due precautions are needed or minor or moderate injuries or damages of the product will be caused.
This manual contains lots of important safety information ( which shall be observed by the users.
1.3 Electricity related warnings
Do not pull the power cord when pulling the power plug of the commercial showcase. Please firmly grasp the plug and pull out it from the socket directly.- Do not damage the power cord under any condition so as to ensure safety use, do not use it when the power cord is damaged or the plug is worn.
- Worn or damaged power cord shall be replaced in manufacturer-authorized maintenance stations.
The power plug should be firmly contacted with the socket or else fires might be caused. Please ensure that the grounding electrode of the power socket is equipped with a reliable grounding line.
Please turn off the valve of the leaking gas and then open the doors and windows in case of leakage of gas and other flammable gases. Do not unplug the commercial showcase and other electrical appliances considering that spark may cause a fire.
To ensure safety, it is not recommended to place regulators, rice cookers, microwave ovens and other appliances on the top of the commercial showcase, those recommended by the manufacturer are not included. Do not use electrical appliances in the food pan.
1.4 Related warnings for use
Do not arbitrarily disassemble or reconstruct the commercial showcase, nor damage the refrigerant circuit; maintenance of the appliance must be conducted by a specialist.- The damaged power cord must be replaced by the manufacturer, its maintenance department, or related professionals in order to avoid danger.
The gaps between commercial showcase doors and between doors and commercial showcase body are small, be noted not to put your hand in these areas to prevent from squeezing the finger. Please be gentle when opening the commercial showcase door to avoid falling articles.
Do not allow children to enter or climb the commercial showcase to prevent children are sealed in the commercial showcase or children are injured by the falling commercial showcase.- Do not spray or wash the commercial showcase; do not put the commercial showcase in moist places easy to be splashed with water so as not to affect the electrical insulation properties of the commercial showcase.
Do not place heavy objects on the top of the commercial showcase considering that objects may fall when open the door, and accidental injuries might be caused.- Please pull out the plugin case of power failure or cleaning. Do not connect the commercial showcase to the power supply within five minutes to prevent damages to the compressor due to successive starts.
1.5 Warnings related to placing items
Do not put flammable, explosive, volatile, and highly corrosive items in the commercial showcase to prevent damages to the product or fire accidents.- Do not place flammable items near the commercial showcase to avoid fires.
This product is a commercial showcase and shall be only suitable for the storage of commercial foods and drinks. According to national standards, commercial showcases shall not be used for other purposes, such as the storage of blood, drugs, or biological products.- In storage of drinks, keep some spacing between them for sake of cold air circulation. Seal the drinks before placing them in the showcase to prevent water dissipation and the risk of odor. Adopt suitable packaging material for drinks, the material shall be toxic-free, smell-free, air-tight, and waterproof. The drinks shall be cleaned and wiped dry before being placed in the refrigerated cabinet for storage. In storage of drinks, make sure to follow the storage period indicated by the producer (indicate storage date on the package to prevent past-due).
1.6 Warnings for energy - The commercial showcase shall be placed in a room dry and ventilated. The commercial showcase can not be put under direct sunlight or next to a heat source (such as a radiator, stove, etc.), and a suitable insulation board shall be applied if necessary.
- Try to shorten the opening time of the commercial showcase’s door.
- Put beverages into commercial showcase after it has cooled down.
1.7 Warnings related to the disposal
The commercial showcase’s refrigerant and cyclopentane foam materials are combustible (6) can not be burned. Please transfer the commercial showcase to qualified professional recycling companies for processing to avoid damages to the environment or other hazards.
Please remove the door of the commercial showcase and shelves which shall be properly placed \ to avoid accidents of children entering and playing in the commercial showcase.
Correct Disposal of this product: This marking indicates that this product should not be disposed of with other household wastes. To prevent possible harm to the environment or human health from uncontrolled waste disposal, recycle it responsibly to promote the sustainable reuse of material resources. To return your used device, please use the return and collection systems or contact the retailer where the product was purchased. They can take this product for environmentally safe recycling.
Proper use of commercial showcase
2.1 Names of components
The maximum loading of a single shelf: CE-SC316GW-FT:42KG

(The picture above is only for reference. The actual configuration will depend on the physical product or statement by the distributor)
(1)Light Box (2)Cabinet (3)Lamp Switch (4)Internal Lamp (5)Temperature Control Panel (6)Door (7)Shelf (8)Compressor Room (9)Adjustable Foot
Product features
- Performance is reliable; the famous brand and high efficient compressor is adopted, featuring excellent performance and high reliability.
- The top dismountable lamp box is adopted, which can be used for decoration and advertisement.
- The double-layer hollow glass door is used; it has an internal lamp and the internal display can be totally in view.
- The storage rack is flexible for regulation based on physical objects or container size; storage is convenient.
- The compressor room is designed with a drainage tray; the heat of the compressor evaporates the water inside the tray.
- The e-friendly refrigerant and cyclopentane foaming agent are used.
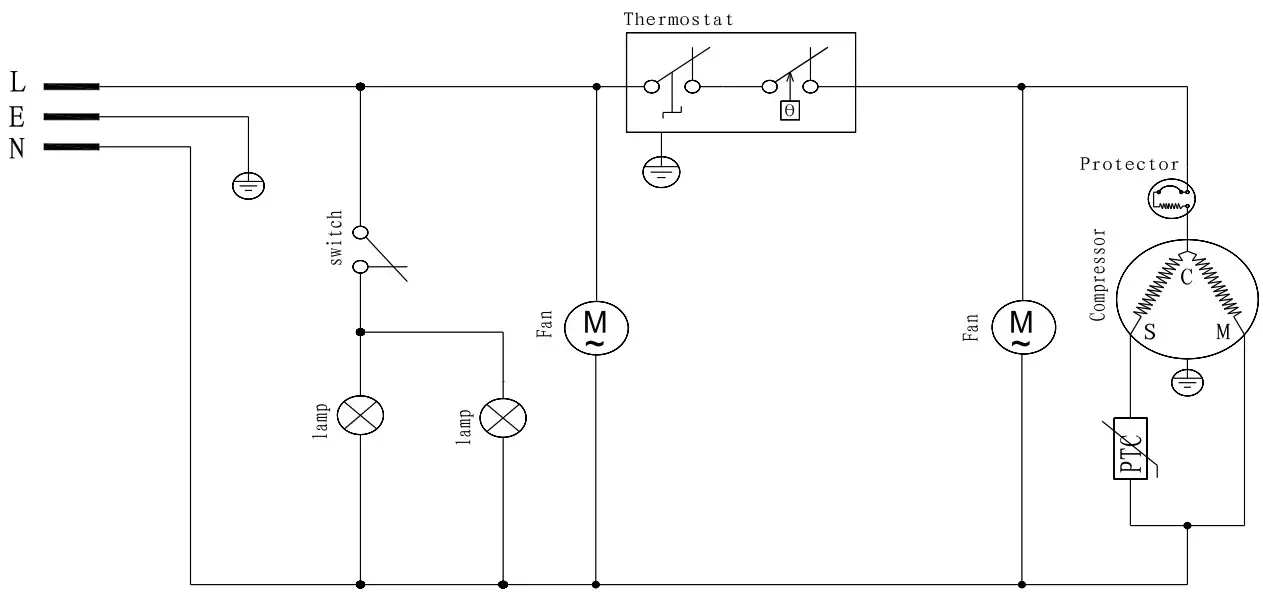
2.2 Temperature Control
The storage temperature of the commercial showcase can be adjusted by the temperature controller that is on the air duct panel in the commercial showcase.- The number on the controller indicates temperature level but not specific temperature.
- The temperature controller is used to adjust the temperature from 10 °C to 1°C; the user may adjust the temperature according to actual requirements. the larger the number, the lower the temperature in the case will be; the smaller the number, the higher the temperature in the case will be. ” 0 ” means stop running.
(The picture above is only for reference. The actual configuration will depend on the physical product or statement by the distributor)
2.3 Changing the Light
Any replacement or maintenance of the LED lamps is intended to be made by the manufacturer, its service agent, or a similarly qualified person.
2.4 Placement

- Before using the commercial showcase, remove all packaging materials including bottom cushions and foam pads and tapes inside the commercial showcase, tear off the protective film on the door and the commercial showcase body.
Keep away from heat and avoid direct sunlight. Do not place the commercial showcase in moist or watery places to prevent rust or reduction of insulating effect.
The commercial showcase should be placed in a well-ventilated indoor place; the ground shall be flat, and sturdy.
The top space of the commercial showcase shall be greater than 70cm, and the distances from both sides and backside shall be more than 20cm to facilitate heat dissipation.
2.5 Start to use
The commercial showcase shall stay for 2 hours before connecting power when it is first started.- The commercial showcase shall run 2 to 3 hours before loading fresh or frozen foods; the commercial showcase shall run for more than 4 hours in summer in advance considering that the ambient temperature is high.
2.6 Adjust the support foot
Keep the product on the flat ground; then adjust the support foot to contact the ground to ensure product stability.
(The picture above is only for reference. The actual configuration will depend on the physical product or statement by the distributor)
2.7 Open door dimensions
- Please leave enough space to ensure feasible opening.
- The dimensions shown are for reference only.
2.8 Energy saving tips
- The appliance should be located in the coolest area of the room, away from heat-producing appliances or heating ducts, and out of direct sunlight.
- Let hot foods cool to room temperature before placing them in the appliance. Overloading the appliance forces the compressor to run longer. Foods that freeze too slowly may lose quality or spoil.
- Be sure to wrap foods properly, and wipe containers dry before placing them in the appliance. This cuts down on frost build-up inside the appliance.
- The appliance storage bin should not be lined with aluminum foil, wax paper, or paper toweling. Liners interfere with cold air circulation, making the appliance less efficient.
- Organize and label food to reduce door openings and extend searches. Remove as many items as needed at one time, and close the door as soon as possible.
Maintenance of commercial showcase
3.1 Cleaning
- Dust behind the commercial showcase and on the ground shall be timely cleaned to improve the cooling effect and energy saving. The interior of the commercial showcase should be cleaned regularly to avoid odor. Soft towels or sponges dipped in water and non-corrosive neutral detergents are suggested for cleaning. The commercial showcase shall be finally cleaned with clean water and a dry cloth. Open the door for natural drying before the power is turned on.
Do not use hard brushes, clean steel balls, wire brushes, abrasives, such as toothpaste, organic solvents (such as alcohol, acetone, banana oil, etc.), boiling water, acid or alkaline items clean commercial showcase considering that this may damage the fridge surface and interior.- Do not rinse with water so as not to affect the electrical insulation properties. Please use a dry cloth when cleaning the temperature control knob and electrical components.
(Please unplug the commercial showcase for defrosting and cleaning)
3.2 Stop using
Foods can be preserved for a couple of hours even in summer in case of power failure; it is recommended to reduce the frequency of opening doors and do not put fresh foods into the commercial showcase. Please unplug the commercial showcase if it is left unused for a long time for cleaning. Keep the door open to avoid the bad odor. When it needs to move the showcase, do not turn upside or vibrate the commercial showcase, the carrying angle can not be greater than 45°.
Continuous operation is recommended when the commercial showcase is started. Please do not stop the commercial showcase under normal Circumstances so as not to affect the commercial showcase’s service life.)
Troubleshooting
The following simple issues can be handled by the user. Please call the after-sale service department if the issues are not settled.
| In operation | Whether the commercial showcase is plugged and connected to power; Low voltage; Whether temperature control knob is in the work area; Failure power or tripping circuit. |
| Odor | Odorous foods should be closely wrapped; Whether foods are rotten; Whether the interior shall be cleaned. |
| Long-term operation of the compressor | It is normal that commercial showcase operates for a longer time in summer when the ambient temperature is higher; Do not put too much food in the commercial showcase at one time; Do not put foods until they are cooled; Frequent opening of commercial showcase door; Thick frost layer (defrost is needed). |
| Illuminating light does not shine | Whether the commercial showcase is connected to power, whether the light is damaged. |
| The commercial showcase door can not be properly closed | The commercial showcase door is stuck by food packages; Too much food; Unbalanced commercial showcase. |
| Loud noises | Whether the floor is flat, whether the placement of commercial showcase is stable; Whether the commercial showcase parts are properly placed. |
| Transient difficulty in door opening | After refrigeration, there will be pressure differences between the inside and outside of the commercial showcase to result in transient difficulty in the door opening. This is a normal physical phenomenon. |
| Commercial showcase enclosure heat Condensation | The commercial showcase enclosure may emit heat during operation especially in summer, this is caused by the radiation of the condenser, and it is a normal phenomenon. Condensation: condensation phenomenon will be detected on the exterior surface and door seals of the commercial showcase when the ambient humidity is high, this is a normal phenomenon, and the condensation can be wiped away with a dry towel. |
| Airflow sound Buzz Clatter | Refrigerant circulating in the refrigerant lines will produce an eruption of sound and grunts which is normal does not affect the cooling effect. Buzz will be generated by running the compressor, especially when starting up or shutting down. The solenoid valve or electric switch valve will clatter which is a normal phenomenon and does not affect the operation. |
| Test room climate class | Dry bulb temperature °C | Relative humidity ok% | Dew point °C | Water vapor mass in dry air g/kg |
| 0 | 20 | 50 | 9. | 7. |
| 1 | 16 | 80 | 13. | 9. |
| 2 | 22 | 65 | 15. | 11. |
| 3 | 25 | 60 | 17. | 12.0 |
| 4 | 30 | 55 | 20.0 | 15. |
| 5 | 40 | 40 | 24. | 19. |
| 6 | 27 | 70 | 21. | 16. |
| 7 | 35 | 75 | 24. | 27. |
| 8 | 24. | 55 | 14. | 10. |
| NOTE The water vapor mass in dry air is one of the main points influencing the performance and the energy consumption of the cabinets. See also Annex D to compare lab and store conditions. | ||||
(The actual rating plate on the appliance shall prevail in case of any discrepancy between the two versions)
Branches
If you have followed the instructions and still have a problem, contact the customer care line on 086 100 3339. They will be able to advise you on any aspect of the product or send a qualified technician to repair it.
| South African Branches: BLOEMFONTEIN Unit Number 5 Monument Business Park 50 Monument Road Oranjesig, Bloemfontein Bloemfontein.Serviceadefv.co.za CAPE TOWN 5A Marconi Rd. Montague Gardens, 7441 CapeTown.Serviceadefv.co.za DURBAN 135 Teakwood Road, Jacobs, Durban, 4052 Durban.Serviceadefv.co.za EAST LONDON Robbie de Lange Road, Wilsonia, East London, 5201 EastLondon.Servicedefv.co.za GAUTENG, MIDRAND 127 15th Road, Cnr Pharmaceutical &15th Rd, Midrand, Gauteng GautenaServiceadefv.co.za POLOKWANE 87 Nelson Mandela Drive, Superbia 0699 Polokwane.Serviceadefv.co.za PORT ELIZABETH 112 Patterson Road, North End, Port Elizabeth 6001 PortElizabeth.Servicedefv.co.za | Sub-Saharan Africa Branches: ZAMBIA: SOUTHGATE INVESTMENTS LTD Plot 1606, Sheki Sheki Road P.O. Box 33681 Lusaka, 10101, Zambia Tel: +260 0211 242332/3 Fax: +260 0211 242933 sqiservicecentreamicrolink.zm NAMIBIA: ATLANTIC DISTRIBUTORS (PTY) LTD 10 Tienie Louw Street, Northern Industrial Area P.O. Box 21158, Windhoek, Namibia Tel: (061) 216162 Fax: (061) 216134 atlanticmweb.com.na ZIMBABWE: TRADECOMAFRICA Trade Com Africa, 183 Loreley Crescent Msasa, Harare, Zimbabwe Tel: +263 4 486165/6 Cell: +263 772 469010 Cell: +263 772 469011 BOTSWANA: RAY MORGAN AGENCIES RMA Service Centre, Plot 48, East Gate Gaborone International Commerce Park Kgale View, Gaborone Botswana Tel: +267 390 3996 / 390 3912 Fax: +267 318 7376 Cell: +267 7134 6539 serviceerma.co.bwraiaarma.co.bw SWAZILAND: LYNDS DISTRIBUTORS P.O Box 716, Mbabane, Swaziland, H100 Tel: (00268) 2515 4310/8 Fax: (00268) 2518 4318 MOZAMBIQUE: COOL WORLD. LDA Rua da Resistencia No. 97B R/C Cell: +258 84 44 61 234 coolworldIdaa.hotmail.com Nosso Show Room Av: da Industrias, Parcela No.735 * 735A Machava, Maputo |
Warranty
This certificate is issued by DEFY APPLIANCES LIMITED manufacturers of Defy and Ocean products, hereinafter the Company, to the original purchaser only, of the appliance described on the certificate and shall constitute the only warranty given in respect of this appliance. The Company warrants to the original purchaser that for a period of FIVE YEARS from date of purchase the appliance is free from defect under normal domestic use, both in workmanship and material, subject to the following conditions.
- Repair or replacement of any part of this appliance, found by the Company to be defective, shall be at the election of the Company. The Company reserves the right to effect such service through any of its Service Divisions or Authorised Service Dealers. The cost of such service shall be borne by the Company in full, provided that the appliance is located no further than 50km from a Company Service Centre or an Authorised Service Dealer. Where the appliance is located beyond the 50km radius, the purchaser shall be liable for the standard traveling charges, as determined by the Company.
- Vitreous enamelware, fuses, and lamps are specifically excluded from these warranties. It is an express condition of these warranties that the purchaser takes due care and attention in the use and maintenance of the appliance. Abuse, misuse in conflict with operating instructions, connection to incorrect voltages, and subjection to commercial use shall release the Company from its obligations.
- This warranty shall become void and cease to operate if the appliance is dismantled by, or any repairs to the appliance are effected by any persons not duly authorized by The company, or if substitute parts not approved by the Company are used in the appliance, or if the serial number of the appliance is removed.
- The Company shall not be responsible for damages resulting from fire, flood, civil disturbances, or any Act of God. The Company shall not, in terms of these warranties be
responsible nor held liable for any consequential loss or damage of any kind caused by or due to the failure or malfunction of the appliance. The Company shall not be responsible for damages caused by insect and/or animal infestation. - The Company shall not be responsible for transportation or other costs other than those incurred within the provisions of Point 1 of this Certificate.
- For warranties in the Republic of South Africa and Sub-Saharan Africa, please contact the customer care line. Please refer to the previous page for respective South African branches and Sub-Saharan Africa branches.
- Where service is requested under warranty and no fault or defect can be found by the Company, all costs incurred will be for the purchaser’s account.
- This Certificate as well as your invoice will serve as proof of purchase. For the purpose of warranty, it will be essential to produce this Certificate and invoice. Failure to do so will render the purchaser liable for service costs.
KEEP THIS CERTIFICATE AND SALES INVOICE AS PROOF OF PURCHASE FOR WARRANTY PURPOSES.
Customer Care Line (after-sales service)
086 100 3339
Refrigeration Instruction manual
Do not pull the power cord when pulling the power plug of the commercial showcase. Please firmly grasp the plug and pull out it from the socket directly.
The power plug should be firmly contacted with the socket or else fires might be caused. Please ensure that the grounding electrode of the power socket is equipped with a reliable grounding line.
Please turn off the valve of the leaking gas and then open the doors and windows in case of leakage of gas and other flammable gases. Do not unplug the commercial showcase and other electrical appliances considering that spark may cause a fire.
To ensure safety, it is not recommended to place regulators, rice cookers, microwave ovens and other appliances on the top of the commercial showcase, those recommended by the manufacturer are not included. Do not use electrical appliances in the food pan.
Do not arbitrarily disassemble or reconstruct the commercial showcase, nor damage the refrigerant circuit; maintenance of the appliance must be conducted by a specialist.
The gaps between commercial showcase doors and between doors and commercial showcase body are small, be noted not to put your hand in these areas to prevent from squeezing the finger. Please be gentle when opening the commercial showcase door to avoid falling articles.
Do not allow children to enter or climb the commercial showcase to prevent children are sealed in the commercial showcase or children are injured by the falling commercial showcase.
Do not place heavy objects on the top of the commercial showcase considering that objects may fall when open the door, and accidental injuries might be caused.
Do not put flammable, explosive, volatile, and highly corrosive items in the commercial showcase to prevent damages to the product or fire accidents.
This product is a commercial showcase and shall be only suitable for the storage of commercial foods and drinks. According to national standards, commercial showcases shall not be used for other purposes, such as the storage of blood, drugs, or biological products.
The storage temperature of the commercial showcase can be adjusted by the temperature controller that is on the air duct panel in the commercial showcase.
Keep away from heat and avoid direct sunlight. Do not place the commercial showcase in moist or watery places to prevent rust or reduction of insulating effect.
The commercial showcase should be placed in a well-ventilated indoor place; the ground shall be flat, and sturdy.
The top space of the commercial showcase shall be greater than 70cm, and the distances from both sides and backside shall be more than 20cm to facilitate heat dissipation.
The commercial showcase shall stay for 2 hours before connecting power when it is first started.
Keep the product on the flat ground; then adjust the support foot to contact the ground to ensure product stability.
Do not use hard brushes, clean steel balls, wire brushes, abrasives, such as toothpaste, organic solvents (such as alcohol, acetone, banana oil, etc.), boiling water, acid or alkaline items clean commercial showcase considering that this may damage the fridge surface and interior.

















