
![]()



Operation Manual
TMB 24/7 Technical Support
US/Canada: +1 818.794.1286
Toll Free: 1 877.862.3833 (877.TMB.DUDE)
UK: +44 (0)20.8574.9739
Toll Free: 0800.652.5418
e-mail: [email protected]
INTRODUCTION
PRODUCT OVERVIEW
The Solaris Flare IP High Density (HD) and Flare IP High Reach (HR) are super-bright, outdoor LED RGBW Wash fixtures, available with five beam width options: 8° (HR), 22°, 36°, 54°, and 70° (HD).
Flare IP features Cree® LEDs and a careful selection of reflectors and lenses for an incredibly smooth and even field. Full RDM implementation provides easy monitoring and setup in a tamper-proof design. High output in a compact design makes Flare IP the most powerful, desirable, outdoor Architectural fixtures available for color-changing illumination of large structures of all kinds. Silent, passive cooling makes the Flare IP perfect for noise-sensitive applications such as theatre and classical concert venues. IP65 rating ensures dependable, long-term use in outdoor environments.
- The Brightest! Up to 34,000 lumens (HD)
- The Highest! Unique long-distance throw (HR)
- Beautiful colors, even field, smooth dimming
- Five beam width options: 8° (HR), 22°, 36°, 54°, 70° (HD)
- Single-head HR available with remote PSU option
- HR dual-head version also available
- Intelligent thermal management, IP65 rated, built for extreme conditions
AVAILABLE CONFIGURATIONS
The Flare IP range has a number of beam angle options and single/dual head configurations. The following chart shows the possible combinations.
Single Head | Single Head w/Remote Ballast | Dual Head |
| 8° | 8° | 8°+ 8° |
22° | 22° | 8° + 22°/36°/54°/70° ** |
| 36° | 36° | 22°/36°/54°/70° + 22°/36°/54°/70° ** |
54° | 54° | |
| 70° * | 70° * |
* 70° option special order
** When using any of these combinations, a second PSU is necessary.
IMPORTANT! Failure to follow Installation Guidelines in their entirety will void warranty.
Please read these instructions carefully. This user guide contains important information about the installation, usage and maintenance of this fixture.
UNPACKING INSTRUCTIONS
Upon receipt of the fixture, carefully unpack the carton or pallet (the fixtures come bolted to the pallet) and check contents to ensure all parts are present and in good condition, e.g. electrical cables are not damaged, glass is not cracked, and there is no visable damaged to the fixture. Notify the shipper immediately and retain packing material for inspection if any parts appear to be damaged from shipping or if the carton itself shows signs of mishandling. Save the carton and all packing materials. In the event that a fixture must be returned to the factory, it is important that the fixture be returned in the original factory box and packing. Remember to bolt the fixture to the pallet when returning
POWER REQUIREMENTS
Before powering the unit, make sure the line voltage is within the range of accepted voltages. Flare IP fixtures accommodate 90-277VAC, 50/60Hz. All fixtures must be powered directly from a switched circuit and cannot be operated with a rheostat (variable resistor) or dimmer circuit, even if the rheostat or dimmer channel is used solely as a 0-100% switch. All fixtures must be powered with the electrical cable provided to maintain the fixture IP Rating. DO NOT open fixture ballast and wire direct to the internal connection points.
FREQUENCY SETTING
Depending on location, change the Default Frequency setting to match the mains power (e.g., units should be set at 60Hz in North America and 50Hz in Europe, Australiasia, and Asia (for Japan refer to TEC for location frequencies). Proper frequency setting will ensure minimum amount of visible artifacts when using Solaris on camera. Always check the frequency in your area.
FUSE REPLACEMENT
Flare IP fixtures use a 12A 250V slow-blow fuse (5x20mm). To replace fuse:
- With a screwdriver turn the fuse cap counter-clockwise to remove fuse cap with fuse.
- Replace fuse attached to fuse cap.
- Reinsert fuse cap with new fuse and tighten clockwise.
SAFETY INSTRUCTIONS - GENERAL
Please read these instructions carefully. This user guide contains important information about the installation, usage and maintenance of this fixture.
- Please keep this Operation Manual for future reference. If unit is sold to another user, make sure they also receive this instruction booklet.
- Ensure fixture is connected to proper voltage, and that line voltage does not exceed the maximum voltage stated on the fixture.
- Make sure there are no flammable materials close to the unit while operating.
- Always disconnect from the power source before servicing or fuse replacement. Always use the fuse specified in this manual.
- Always use a safety cable (TMB part no. SAF1/8X30B) when hanging or mounting a fixture overhead.
- Maximum ambient temperature (Ta) is 40 °C (104 °F). Do not operate fixture at temperatures above this rating.
- In the event of a serious operating problem, stop using the unit immediately. Repairs must be carried out by trained, authorized personnel. Contact the nearest authorized technical assistance center. Only OEM spare parts should be used.
- Do not connect the device to a dimmer pack or switched dimming circuit
- Make sure power cord is never crimped or damaged.
- Never disconnect power cord by pulling or tugging on the cord.
- Avoid direct eye exposure to the light source during operation.
Caution! There are no user serviceable parts inside the unit. Do not open the housing or attempt any repairs yourself. In the unlikely event your unit may require service, please contact your distributor.
SAFETY INSTRUCTIONS - INSTALLATION
Protection against fire
- Maintain minimum distance of 8″ (200 mm) between fixture and walls or any type of flammable surfaces.
- Maintain minimum distance of 8″ (200 mm) between fixture and object being illuminated.
- Replace fuses only with specified type and rating (see page 3).
- Do not install fixture close to heat sources. Do not lay the connection cable on the fixture when warm.
- Fixture is designed for installation on concrete, metal or wood structures. Avoid installing fixture on highly flammable surfaces.
Protection against electric shock
- The fixture must have earth ground.
- Class I equipment: The power supply cord includes a protective earthing conductor as part of the cord. In North America a SOOW / SJOOW 3-conductor tail will be provided. For Europe and Asia, a 3-wire WH07 rubber cord is provided.
- Disconnect power before servicing (to be serviced by trained, authorized personnel only).
Protection against mechanical hazards
- Use secondary safety chain when installing the fixture.
- Lenses must be replaced with genuine OEM parts only. Replace lenses when visibly damaged, e.g., cracks, deep scratches.
Important: Lens replacement by anyone other than the manufacturer will void the warranty. - Always evaluate mounting surface carefully to ensure mounting stability and strength of substructure. When mounting on poles refer to the pole manufacture for weight and wind load ratings.
DMX AND POWER WIRING
Flare IPs and remote power supplies do not ship with fixed DMX or mains power connectors. Fixture ships with bare-end wires. Connectors available upon request. Do not wire cap DMX connections.
DMX data: TMB recommends ProPlex PC224T Installation Data cable for permanent installations.
Mains power: The fixture must be connected to a circuit breaker per local electrical codes, voltage and frequency settings. Installations must be carried out only by trained and competent electrical installers only.
Default wiring scheme: North America, Europe, and Asia (except Japan)
DMX: POWER:

RDM SENSORS AND FUNCTIONS
Note: FLARE IP can only be DMX Addressed via Remote Device Management RDM
Flare IP HD and HR have a number of RDM sensors that will assist fixture setup and maintenance.
- Temperature: LED bottom head
- Temperature: LED top head (Flare IP HR only)
- Temperature: Driver bottom head
- Temperature: Driver top head (Flare IP HR only)
- Temperature: PSU
- Temperature Sensor Count
- Mode, DMX address, Reset, Software Version, RDM Version
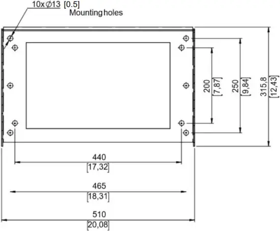
INSTALLING FLARE IP

Mounting holes:
millimeters [inches]
Single Head HD/HR and Dual Head HR

Dual Head HD and HR/HD combo
Tools required for installation: 1/2-inch (M12 metric) wrench
Bolt set for each mounting point.
2x 1/2-inch (M12 metric) washer, stainless
1x 1/2-inch (M12 metric) bolt, stainless
1x 1/2-inch (M12 metric) self-tightening nut, stainless
Important:
- Use only US Grade 8 or metric Class 10.9 bolts
- Single Head HD/HR and Dual Head HR 8+8: Proper installation requires at least six mounting points, three points on each side.
- Dual Head HD and HR/HD: Requires at least eight mounting points, four points on each each side.
- Painting or refinishing of the fixture by anyone other than the manufacturer will void the warranty.

- Example: Dual Head HR 8+8°
- 1/2-inch (M12) bolt
- Flare IP mounting base
- Construction base
- 1/2-inch (M12) self-tightening nut
- 1/2 inch (M12) washer
- 1/2-inch (M12) washer
ACCESSORIES
The Flare IP HR can be enhanced with Flare Glare Shields to help control light spillover. Angled and Straight versions are available. Contact TMB for more information.







CONTROL MODES
The beam angle used in the Flare IP HD and HR will determine the number of control modes and channels available. The Flare IP HR with one or two 8-degree heads offers 1 and 2 pixel modes, which refer to each head being controlled together or separately. This combined control is due to the shared PSU on the dual 8-degree Flare IP HR. When any other combination of beam angles are used in the Flare IP HR - and individually in the Flare IP HD - each LED head is treated separately and each has its own PSU.
Flare IP HR 8° Head
The Flare IP HR can use one or two 8-degree beam-angle head. The 8-degree beam angle heads can be operated in 8bit or 16bit RGBW mode. In the case of a Flare IP HR with dual 8-degree heads, the fixture mode option will offer the 8bit and 16bit control options below in either 1 Pixel mode (both heads follow the same DMX channels), or 2 Pixel mode (both heads have sequential DMX control channels and can be operated independently).
Mode | Channel | DMX values | Precent | Function |
RGBW | 1 | 0 – 255 | 0 - 100 | Red Intensity |
2 | 0 – 255 | 0 - 100 | Green Intensity | |
3 | 0 – 255 | 0 - 100 | Blue Intensity | |
4 | 0 – 255 | 0 - 100 | White Intensity | |
RGBW | 1 | 0 – 255 | 0 - 100 | Red Intensity HI Byte |
2 | 0 – 255 | 0 - 100 | Red Intensity LOW Byte | |
3 | 0 – 255 | 0 - 100 | Green Intensity HI Byte | |
4 | 0 – 255 | 0 - 100 | Green Intensity LOW Byte | |
5 | 0 – 255 | 0 - 100 | Blue Intensity HI Byte | |
6 | 0 – 255 | 0 - 100 | Blue Intensity LOW Byte | |
7 | 0 – 255 | 0 - 100 | White Intensity HI Byte | |
8 | 0 – 255 | 0 - 100 | White Intensity LOW Byte |
Flare IP HD 22°, 36°, 54°, 70° Heads
The Flare IP HD using the 22-, 36-, 54-, or 70-degree beam-angle heads have four possible control modes:
- Controlling fixture as 1 pixel in 8 bit mode (4ch);
- Controlling fixture as 1 pixel in 16 bit mode (8ch)
- Controlling fixture as 12 pixels in 8 bit mode (48ch);
- Controlling fixture as 12 pixels in 16 bit mode (96ch).
1 pixel
![]()
12 pixel
![]()
1 pixel mode, 8 and 16bit
| Mode | Channel | DMX values | Precent | Function |
RGBW | 1 | 0 – 255 | 0 - 100 | Red Intensity |
| 2 | 0 – 255 | 0 - 100 | Green Intensity | |
| 3 | 0 – 255 | 0 - 100 | Blue Intensity | |
| 4 | 0 – 255 | 0 - 100 | White Intensity | |
| Mode | Channel | DMX values | Precent | Function |
| RGBW 16bit | 1 | 0 – 255 | 0 - 100 | Red Intensity HI Byte |
| 2 | 0 – 255 | 0 - 100 | Red Intensity LOW Byte | |
| 3 | 0 – 255 | 0 - 100 | Green Intensity HI Byte | |
| 4 | 0 – 255 | 0 - 100 | Green Intensity LOW Byte | |
| 5 | 0 – 255 | 0 - 100 | Blue Intensity HI Byte | |
| 6 | 0 – 255 | 0 - 100 | Blue Intensity LOW Byte | |
| 7 | 0 – 255 | 0 - 100 | White Intensity HI Byte | |
| 8 | 0 – 255 | 0 - 100 | White Intensity LOW Byte |
12 pixel mode, 8bit
| Channel | Value | Function | Pixel numb. |
| 1 | 000 ↔ 255 | RED intensity 0% – 100% | 1 |
| 2 | 000 ↔ 255 | GREEN intensity 0% – 100% | 1 |
| 3 | 000 ↔ 255 | BLUE intensity 0% – 100% | 1 |
| 4 | 000 ↔ 255 | WHITE intensity 0% – 100% | 1 |
| 5 | 000 ↔ 255 | RED intensity 0% – 100% | 2 |
| 6 | 000 ↔ 255 | GREEN intensity 0% – 100% | 2 |
| 7 | 000 ↔ 255 | BLUE intensity 0% – 100% | 2 |
| 8 | 000 ↔ 255 | WHITE intensity 0% – 100% | 2 |
| 9 | 000 ↔ 255 | RED intensity 0% – 100% | 3 |
| 10 | 000 ↔ 255 | GREEN intensity 0% – 100% | 3 |
| 11 | 000 ↔ 255 | BLUE intensity 0% – 100% | 3 |
| 12 | 000 ↔ 255 | WHITE intensity 0% – 100% | 3 |
| 13 | 000 ↔ 255 | RED intensity 0% – 100% | 4 |
| 14 | 000 ↔ 255 | GREEN intensity 0% – 100% | 4 |
| 15 | 000 ↔ 255 | BLUE intensity 0% – 100% | 4 |
| 16 | 000 ↔ 255 | WHITE intensity 0% – 100% | 4 |
| 17 | 000 ↔ 255 | RED intensity 0% – 100% | 5 |
| 18 | 000 ↔ 255 | GREEN intensity 0% – 100% | 5 |
| 19 | 000 ↔ 255 | BLUE intensity 0% – 100% | 5 |
| 20 | 000 ↔ 255 | WHITE intensity 0% – 100% | 5 |
| 21 | 000 ↔ 255 | RED intensity 0% – 100% | 6 |
| 22 | 000 ↔ 255 | GREEN intensity 0% – 100% | 6 |
| 23 | 000 ↔ 255 | BLUE intensity 0% – 100% | 6 |
| 24 | 000 ↔ 255 | WHITE intensity 0% – 100% | 6 |
| 25 | 000 ↔ 255 | RED intensity 0% – 100% | 7 |
| 26 | 000 ↔ 255 | GREEN intensity 0% – 100% | 7 |
| 27 | 000 ↔ 255 | BLUE intensity 0% – 100% | 7 |
| 28 | 000 ↔ 255 | WHITE intensity 0% – 100% | 7 |
| 29 | 000 ↔ 255 | RED intensity 0% – 100% | 8 |
| 30 | 000 ↔ 255 | GREEN intensity 0% – 100% | 8 |
| 31 | 000 ↔ 255 | BLUE intensity 0% – 100% | 8 |
| 32 | 000 ↔ 255 | WHITE intensity 0% – 100% | 8 |
| 33 | 000 ↔ 255 | RED intensity 0% – 100% | 9 |
| 34 | 000 ↔ 255 | GREEN intensity 0% – 100% | 9 |
| 35 | 000 ↔ 255 | BLUE intensity 0% – 100% | 9 |
| 36 | 000 ↔ 255 | WHITE intensity 0% – 100% | 9 |
| 37 | 000 ↔ 255 | RED intensity 0% – 100% | 10 |
| 38 | 000 ↔ 255 | GREEN intensity 0% – 100% | 10 |
| 39 | 000 ↔ 255 | BLUE intensity 0% – 100% | 10 |
| 40 | 000 ↔ 255 | WHITE intensity 0% – 100% | 10 |
| 41 | 000 ↔ 255 | RED intensity 0% – 100% | 11 |
| 42 | 000 ↔ 255 | GREEN intensity 0% – 100% | 11 |
| 43 | 000 ↔ 255 | BLUE intensity 0% – 100% | 11 |
| 44 | 000 ↔ 255 | WHITE intensity 0% – 100% | 11 |
| 45 | 000 ↔ 255 | RED intensity 0% – 100% | 12 |
| 46 | 000 ↔ 255 | GREEN intensity 0% – 100% | 12 |
| 47 | 000 ↔ 255 | BLUE intensity 0% – 100% | 12 |
| 48 | 000 ↔ 255 | WHITE intensity 0% – 100% | 12 |
12 pixel mode, 16bit
Channel | Value | Function | Pixel numb. |
1 | 000 ↔ 255 | RED intensity 0% – 100% | 1 |
2 | 000 ↔ 255 | RED fine (16bit) intensity 0% – 100% | 1 |
3 | 000 ↔ 255 | GREEN intensity 0% – 100% | 1 |
4 | 000 ↔ 255 | GREEN fine (16bit) intensity 0% – 100% | 1 |
5 | 000 ↔ 255 | BLUE intensity 0% – 100% | 1 |
6 | 000 ↔ 255 | BLUE fine (16bit) intensity 0% – 100% | 1 |
7 | 000 ↔ 255 | WHITE intensity 0% – 100% | 1 |
8 | 000 ↔ 255 | WHITE fine (16bit) intensity 0% – 100% | 1 |
9 | 000 ↔ 255 | RED intensity 0% – 100% | 2 |
10 | 000 ↔ 255 | RED fine (16bit) intensity 0% – 100% | 2 |
11 | 000 ↔ 255 | GREEN intensity 0% – 100% | 2 |
12 | 000 ↔ 255 | GREEN fine (16bit) intensity 0% – 100% | 2 |
13 | 000 ↔ 255 | BLUE intensity 0% – 100% | 2 |
14 | 000 ↔ 255 | BLUE fine (16bit) intensity 0% – 100% | 2 |
15 | 000 ↔ 255 | WHITE intensity 0% – 100% | 2 |
16 | 000 ↔ 255 | WHITE fine (16bit) intensity 0% – 100% | 2 |
17 | 000 ↔ 255 | RED intensity 0% – 100% | 3 |
18 | 000 ↔ 255 | RED fine (16bit) intensity 0% – 100% | 3 |
19 | 000 ↔ 255 | GREEN intensity 0% – 100% | 3 |
20 | 000 ↔ 255 | GREEN fine (16bit) intensity 0% – 100% | 3 |
21 | 000 ↔ 255 | BLUE intensity 0% – 100% | 3 |
22 | 000 ↔ 255 | BLUE fine (16bit) intensity 0% – 100% | 3 |
23 | 000 ↔ 255 | WHITE intensity 0% – 100% | 3 |
24 | 000 ↔ 255 | WHITE fine (16bit) intensity 0% – 100% | 3 |
25 | 000 ↔ 255 | RED intensity 0% – 100% | 4 |
26 | 000 ↔ 255 | RED fine (16bit) intensity 0% – 100% | 4 |
27 | 000 ↔ 255 | GREEN intensity 0% – 100% | 4 |
28 | 000 ↔ 255 | GREEN fine (16bit) intensity 0% – 100% | 4 |
29 | 000 ↔ 255 | BLUE intensity 0% – 100% | 4 |
30 | 000 ↔ 255 | BLUE fine (16bit) intensity 0% – 100% | 4 |
31 | 000 ↔ 255 | WHITE intensity 0% – 100% | 4 |
32 | 000 ↔ 255 | WHITE fine (16bit) intensity 0% – 100% | 4 |
33 | 000 ↔ 255 | RED intensity 0% – 100% | 5 |
34 | 000 ↔ 255 | RED fine (16bit) intensity 0% – 100% | 5 |
35 | 000 ↔ 255 | GREEN intensity 0% – 100% | 5 |
36 | 000 ↔ 255 | GREEN fine (16bit) intensity 0% – 100% | 5 |
37 | 000 ↔ 255 | BLUE intensity 0% – 100% | 5 |
38 | 000 ↔ 255 | BLUE fine (16bit) intensity 0% – 100% | 5 |
39 | 000 ↔ 255 | WHITE intensity 0% – 100% | 5 |
40 | 000 ↔ 255 | WHITE fine (16bit) intensity 0% – 100% | 5 |
41 | 000 ↔ 255 | RED intensity 0% – 100% | 6 |
42 | 000 ↔ 255 | RED fine (16bit) intensity 0% – 100% | 6 |
43 | 000 ↔ 255 | GREEN intensity 0% – 100% | 6 |
44 | 000 ↔ 255 | GREEN fine (16bit) intensity 0% – 100% | 6 |
45 | 000 ↔ 255 | BLUE intensity 0% – 100% | 6 |
46 | 000 ↔ 255 | BLUE fine (16bit) intensity 0% – 100% | 6 |
47 | 000 ↔ 255 | WHITE intensity 0% – 100% | 6 |
48 | 000 ↔ 255 | WHITE fine (16bit) intensity 0% – 100% | 6 |
49 | 000 ↔ 255 | RED intensity 0% – 100% | 7 |
50 | 000 ↔ 255 | RED fine (16bit) intensity 0% – 100% | 7 |
51 | 000 ↔ 255 | GREEN intensity 0% – 100% | 7 |
52 | 000 ↔ 255 | GREEN fine (16bit) intensity 0% – 100% | 7 |
53 | 000 ↔ 255 | BLUE intensity 0% – 100% | 7 |
54 | 000 ↔ 255 | BLUE fine (16bit) intensity 0% – 100% | 7 |
55 | 000 ↔ 255 | WHITE intensity 0% – 100% | 7 |
56 | 000 ↔ 255 | WHITE fine (16bit) intensity 0% – 100% | 7 |
57 | 000 ↔ 255 | RED intensity 0% – 100% | 8 |
58 | 000 ↔ 255 | RED fine (16bit) intensity 0% – 100% | 8 |
59 | 000 ↔ 255 | GREEN intensity 0% – 100% | 8 |
60 | 000 ↔ 255 | GREEN fine (16bit) intensity 0% – 100% | 8 |
61 | 000 ↔ 255 | BLUE intensity 0% – 100% | 8 |
62 | 000 ↔ 255 | BLUE fine (16bit) intensity 0% – 100% | 8 |
63 | 000 ↔ 255 | WHITE intensity 0% – 100% | 8 |
64 | 000 ↔ 255 | WHITE fine (16bit) intensity 0% – 100% | 8 |
65 | 000 ↔ 255 | RED intensity 0% – 100% | 9 |
66 | 000 ↔ 255 | RED fine (16bit) intensity 0% – 100% | 9 |
67 | 000 ↔ 255 | GREEN intensity 0% – 100% | 9 |
68 | 000 ↔ 255 | GREEN fine (16bit) intensity 0% – 100% | 9 |
69 | 000 ↔ 255 | BLUE intensity 0% – 100% | 9 |
70 | 000 ↔ 255 | BLUE fine (16bit) intensity 0% – 100% | 9 |
71 | 000 ↔ 255 | WHITE intensity 0% – 100% | 9 |
72 | 000 ↔ 255 | WHITE fine (16bit) intensity 0% – 100% | 9 |
73 | 000 ↔ 255 | RED intensity 0% – 100% | 10 |
74 | 000 ↔ 255 | RED fine (16bit) intensity 0% – 100% | 10 |
75 | 000 ↔ 255 | GREEN intensity 0% – 100% | 10 |
76 | 000 ↔ 255 | GREEN fine (16bit) intensity 0% – 100% | 10 |
77 | 000 ↔ 255 | BLUE intensity 0% – 100% | 10 |
78 | 000 ↔ 255 | BLUE fine (16bit) intensity 0% – 100% | 10 |
79 | 000 ↔ 255 | WHITE intensity 0% – 100% | 10 |
80 | 000 ↔ 255 | WHITE fine (16bit) intensity 0% – 100% | 10 |
81 | 000 ↔ 255 | RED intensity 0% – 100% | 11 |
82 | 000 ↔ 255 | RED fine (16bit) intensity 0% – 100% | 11 |
83 | 000 ↔ 255 | GREEN intensity 0% – 100% | 11 |
84 | 000 ↔ 255 | GREEN fine (16bit) intensity 0% – 100% | 11 |
85 | 000 ↔ 255 | BLUE intensity 0% – 100% | 11 |
86 | 000 ↔ 255 | BLUE fine (16bit) intensity 0% – 100% | 11 |
87 | 000 ↔ 255 | WHITE intensity 0% – 100% | 11 |
88 | 000 ↔ 255 | WHITE fine (16bit) intensity 0% – 100% | 11 |
89 | 000 ↔ 255 | RED intensity 0% – 100% | 12 |
90 | 000 ↔ 255 | RED fine (16bit) intensity 0% – 100% | 12 |
91 | 000 ↔ 255 | GREEN intensity 0% – 100% | 12 |
92 | 000 ↔ 255 | GREEN fine (16bit) intensity 0% – 100% | 12 |
93 | 000 ↔ 255 | BLUE intensity 0% – 100% | 12 |
94 | 000 ↔ 255 | BLUE fine (16bit) intensity 0% – 100% | 12 |
95 | 000 ↔ 255 | WHITE intensity 0% – 100% | 12 |
96 | 000 ↔ 255 | WHITE fine (16bit) intensity 0% – 100% | 12 |
APPENDIX
GENERAL MAINTENANCE
To maintain optimum performance and minimize wear fixtures should be cleaned frequently. Usage and environment are contributing factors in determining frequency. As a general rule, fixtures should be cleaned at least twice a month. Dust buildup reduces light output performance and can cause overheating. This can lead to reduced lamp life and increased mechanical wear. Be sure to disconnect power to the fixture before conducting maintenance.
Unplug or turn off the circuit feeding the fixture’s power. Clean all glass when the fixture is cold with a mild solution of glass cleaner or isopropyl alcohol and a soft lint-free cotton cloth or lens tissue. Apply solution to the cloth or tissue and drag dirt and grime to the outside of the lens. Gently polish optical surfaces until they are free of haze and lint.
The cleaning of external optical lenses and/or mirrors must be carried out periodically to optimize light output, perhaps more than twice a month depending on the environment: damp, smoky, or particularly dirty surroundings can cause greater accumulation of dirt on the unit’s optics. Clean with soft cloth using normal glass cleaning fluid. Always dry the parts carefully.
LIMITED WARRANTY
Solaris fixtures are warranted by TMB against defective materials or workmanship for a period of two (2) years from the date of original sale by TMB.
TMB’s warranty shall be restricted to the repair or replacement of any part that proves to be defective and for which a claim is submitted to TMB before the expiration of the applicable warranty periods.
This Limited Warranty is void if the defects of the Product are the result of:
- Opening the casing, repair, or adjustment by anyone other than TMB or persons specifically authorized by TMB.
- Accident, physical abuse, mishandling, or misapplication of the product.
- Damage due to lightning, earthquake, flood, terrorism, war, or act of God.
TMB will not assume responsibility for any labor expended, or materials used, to replace and/or repair the Product without TMB’s prior written authorization. Any repair of the Product in the field, and any associated labor charges, must be authorized in advance by TMB. Freight costs on warranty repairs are split 50/50: Customer pays to ship defective product to TMB; TMB pays to ship repaired product, ground freight, back to Customer.
This warranty does not cover consequential damages or costs of any kind. Painting or refinishing of any Solaris lighting fixture by anyone other than the manufacturer will void the warranty.
A Return Merchandise Authorization (RMA) Number must be obtained from TMB prior to return of any defective merchandise for warranty or non-warranty repair. For all repairs please contact TMB Tech Support Repair using the contact information below or email [email protected].
US UK
527 Park Ave. 21 Armstrong Way
San Fernando, CA 91340 Southall, UB2 4SD England
Tel: +1 818.899.8818 Tel: +44 (0)20.8574.9700
Fax: +1 818.899.8813 Fax: +44 (0)20.8574.9701
[email protected] [email protected]
www.tmb.com www.tmb.com
RETURN PROCEDURE
Please send returned merchandise prepaid and in the original packing. Freight call tags will not be issued for shipping the product to TMB (i.e. customer pays freight to TMB), but TMB will pay the freight for return to the customer. Clearly label package with a Return Merchandise Authorization Number (RMA #). Products returned without an RMA # will delay service. Please contact TMB and request an RMA # prior to shipping the unit. Be prepared to provide the model number, serial number, and a brief description of the cause for the return. Be sure to properly pack the unit; any shipping damage resulting from inadequate packaging is the customer’s responsibility. TMB reserves the right to use its own discretion to repair or replace product(s). Proper UPS packing or double-boxing will better ensure product integrity when shipped. Note: If you are given an RMA #, please include the following information on a piece of paper inside the box:
1) Your name
2) Your address
3) Your phone number
4) The RMA #
5) A brief description of the symptoms
SPECIFICATIONS
FLARE IP HD / HR SINGLE HEAD



REMOTE PSU (EXTERNAL YOKE/HEAD DIMS SAME AS ABOVE)


FLARE IP HR DUAL HEAD, 8+8°



NOTE: When using beam options other than 8+8°, two PSUs will be used and will employ an alternate yoke with larger base footprint.


FLARE IP HD AND HR/HD DUAL HEAD COMBO



TECHNICAL SPECIFICATIONS
Flare IP HD Single Head | Flare IP HR Single Head | Flare IP HR/HD Dual Head Combo | |
| LED power (W) | 960 W | 575 W | Variable w/heads |
| Total lumen output * | Max 34000 lm | Max 14500 lm | Variable w/heads |
| CREE LED light sources | 96 | 216 | Variable w/heads |
| Native LED colors | RGBW | RGBA / RGBW | Variable w/heads |
| Pixels per fixture (head) | 12 | 1 | 12 or 1 |
| Beam spread | 20°/36°/54°/70° | 8° | Variable w/heads |
| Refresh rate (Hz) | 1200 | ||
| Cooling | Passive | ||
| IP rating | IP65 | ||
| Control | DMX 512A + RDM (setting exchange with RDM only) | ||
| AC Power | 90-277 V, 50/60 Hz | ||
| Power IN/ OUT | IN hard wired | ||
| DMX connectors IN/ OUT | IN/ OUT hard wired | ||
| DMX channels | 4-96 | 4-16 | Variable w/heads |
| Max power output | 1000 W | 600 W | Variable w/heads |
| Weight, HD/HR Single Head, w/yoke | 75 lb / 34 kg | 75 lb / 34 kg | n/a |
| Weight, HR Dual Head, w/yoke | n/a | n/a | 110 lb / 50 kg |
| Weight, HR/HD Dual Head combo, w/yoke | n/a | n/a | 159 lb / 72 kg |
| Dimensions, Single Head, w/yoke (WxHxD) | 22.4 x 13.7 x 12.2 in / 568 x 349 x 310 mm | 22.4 x 13.7 x 12.2 in / 568 x 349 x 310 mm | n/a |
| Dimensions, HR Dual Head, 8+8° w/yoke (WxHxD) | n/a | n/a | 20.9 x 15.4 x 26.4 in / 532 x 392 x 670 mm |
| Dimensions, HD/HR Dual Head combo w/yoke (WxHxD) | n/a | n/a | 21.6 x 19/4 x 26.3 in / 548 x 493 x 669 mm |
* Initial lumen output. Output may vary depending on fixture and ambient temperatures.
Solaris Flare IP HD/HR user manual version 5.9, 031320


















