ROSWELL C920-21003 Digital Media Receiver with Cover

Welcome to the Family.
- We at Roswell started a revolution In the wakeboard industry back In 1998, and have since expanded into marine audio and other branches of the marine Industry. Even now, over 20 years later, we continue to push the boundaries.
- We are fully committed to going past Industry expectations every day to make your boating experience more enjoyable. With the input of our dealers, team riders. and boaters around the world, our goal remains to redefine the marine industry day in and day out We will not be confined to our desks: we are out on the water testing our full Une of products to ensure your days on the water are as hassle-free and enjoyable as possible.
- If you have any questions about your head unit or questions regarding installation. please contact your authorized Roswell dealer. If you have further questions, please don’t hesitate to contact us directly at (321)-638-1331 or by emailing [email protected].
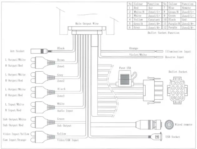
Wiring Overview

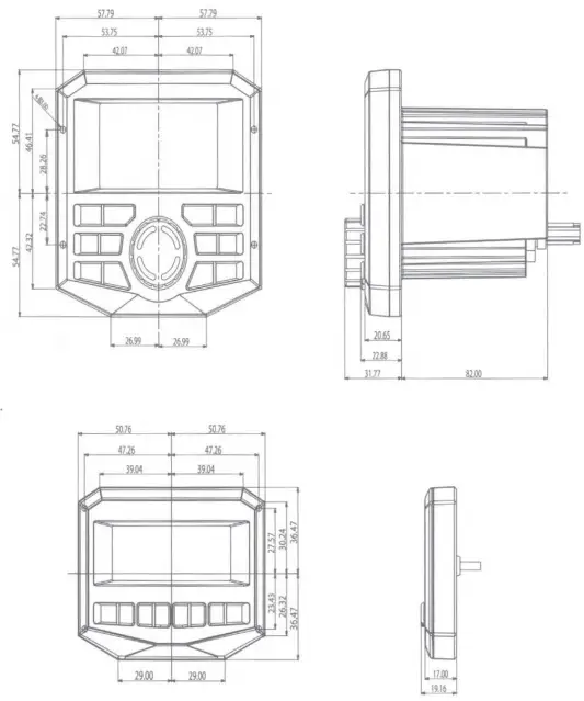
Layout Overview

Specifications

Operation Modes
- Radio
This mode lets you swrtch between FM and AM radio .stations ,n your area
Press and hold ·ptay/Pause·. then rotate knob to setect stabon presel - Bluetooth
This unit supports Bluetooth tor wireless muslc streaming from your mobtle dEMce or laptop Conr10Cting steps:- Conr10Cting steps:
- Press the BND button once to connect your device.
- On your device search for the urnt Roswell Marine.
- This unit will remember the J)(EMOUSly connected devica
- Conr10Cting steps:
- USB
Insert a USB stick Into the uruL the unit will read the music or video files from the USB automatically
Basic Button OperationAUX
Connect a device to the AVX cord. the unit will read the music or video files automalleally



- When in Radio mode. you can use the next and previous buttons to swrt.ch betv.-t!ef1 AUTO and MANUAL. for searching stations.
Hold either button for one second to open the switcl-dng mode. Hold either button again for one second to switch bel\wen AUTO and MANUAL once When lt wlU AUTO do Is an on the automatlc screen. ff you DOWNWARD press the search Next for button radio once. statlons. it will do an automatic UP-.VARD search for radio statJons. lryou press the PnMous button
once - When It will Manual do a is on manual the screen. IXWNWARO if you press search the for a Next radio button station. once. It will do a manuaLUP\lVARD search for a radio station.
- If you press the Previous button
- After current entering frequency the switching Information mode,
- If there Is no operation to sea/Ch re., radio stabons for 5 seconds. it will automatically exit this mode and display the current frequency information.
Preparation

Installation

Roswell Limited Warranty
- RosweU warrants all nfN/ Digital Media Reckwers and Digital Remotes against defects In material and wooonanshlp for a penod of ONE W YEAR from the original date of purchase. This warranty Is not transferable and applies only to the original retail purchaser from an authorized RosweU retailer. Upon Inspection by Roswell. should seMCe be necessary under this warranty for any reason due to manufacturer defects, Roswell will at our O\lVfl dlscretlon. repair or replace the defective product with new or similar conditioned product at no charge.
- THIS WARRANTY DOES NOT COVER INSTALLATION OR DAMAGE RESULTlNG FROM ACCIDENT, MISUSE, ABUSE. IMPROPER WIRING. COSMETIC DAMAGE DUE TO NORMAL WEAR AND TEAR. EXPOSURE
TO CHEMICALS OR HARSH ENVIRONMENTS. OPERATION OUTSIDE OF THE MANUFACTURERS RECOMMENDATIONS OR SPECIFICATIONS. OR AGAINST INSTRUCTIONS IN OWNERS MANUAL IN ADDITION, ANY PRODUCT THAT HAS BEEN OPENED. TAMPERED WITH OR MODIFIED. OR IF ANY SERIAL NUMBERS HAVE BEEN REMOVED. WILL NOT BE COVERED BY ANY PART OF THE MANUFACTURES WARRANTY - All warranty claims must first be made In direct coot.act with Roswell’s warranty department When first contact Is made the warranty representative wiU Issue an RA# to open a claim All warranty returns should be sent to Roswell freight prepaid and must be ac.companled by proof of pun::hase Ca copy of original sates recetpt>. Direct returns from consumers or non-authorized retailers w!U be refused unless specifically authorized by Roswell with a valid return authorization number (RA#)
- All warranty returns should be packsd in the original paci<aglng and must be accompanied by a copy of the original sales receipl Product damage during shipping will not be CO\/el’ed under this warranty. The customer or retailer may choose to have this damage repaired at the normal ‘out of Warranty” repair cost
- In no event will Roswell be liable for incidental consequential or other damages resulting from the use of this product. This includes but Is not Umlted to, damage of hearing. property or person, damage based upon Inconvenience°’ on loss of use of the product, and to the extent permitted by law, damages for personal lruury
- This warranty applies to products being sold and used In the United States of America and Canada In au other countries please contact your authorized Roswell representative.
- For warranty and non-warranty repairs. please contact Roswell
- Phone: 1-321-638-1331
- Email: [email protected]


















