Euchner ISO 13849-1 Rope Pull Switches RPS

Correct use
According to EN 60947-5-5 and EN ISO 13850, rope pull switches can be used to initiate an emergency stop function in order to avoid existing or impending hazard situations.
The following applicable standards must be taken into account for this purpose:
- Regulations on installation and operation:
- Risk assessment on the machine:
- Functional requirements and design principles for the emergency stop function:
- The purpose of these regulations is to prevent any danger for persons or damage to machines.
- The safety rope pull switches of the series RPS have been designed and tested in accordance with the standards EN 60947-5-5 and EN ISO 13850. They must be used only in control circuits.
- Safety rope pull switches are used on the accessible sides of conveyor systems or machines. In contrast to emergency stop switches (e.g. mushroom-head pushbuttons) located at certain intervals that allow the emergency stop signal to be generated only at the devices themselves, rope pull switches allow signal generation at any point along the rope length.
- The safety rope pull switches of the type RPS are intended for use only in closed rooms.
Layout
- The safety rope pull switches of the type RPS consist of a polyamide housing, those of the type RPS-M of a die-cast aluminum housing. They achieve the specified degree of protection IP67 if the cover is properly closed and if a cable gland is used that offers at least equivalent protection. The RPS has three cable entries M20x1.5.
- The switches comply with the international requirements according to EN 60947-5-5 and EN ISO 13850, i.e. after actuation or a rope tear, the emergency stop switch latches automatically and the switch can then be reset to its initial position only by means of the resetting device on the switch.
- Depending on the switch version, it is possible to achieve a rope length of up to 75 m. It must be taken into account here that the friction in the overall system can become so high due to the rope guides that this makes it difficult or impossible to reset the system (see “Mounting” section).
- This can be avoided by choosing different system components.
- The user is responsible for ensuring that the system functions properly.
Function
- The system consists of the switching device, a red pull rope, support points and a counterspring.
- The pull device of the rope pull switch is connected with a pull rope. The emergency stop function can be tripped by pulling this rope. Since the rope pull system is pretensioned by an integrated spring, switch latching and the emergency stop function are tripped immediately if the rope tears. The safety contacts remain latched after activation. After the hazardous situation has been remedied and after examination of the entire rope pull section, the system may be reset to readiness for operation again.

- RPS…S
The RPS…SC… types have an integrated red emergency stop slam button that can be actuated by pressing it if a hazardous situation occurs. Analogously to operation of the pull rope, the safety contacts are then opened and the switch is latched. After rectification of the hazardous situation, the system can be reset manually to readiness for operation by pulling.
Please also refer to item 3 in chapter 9. Installation sequence. - RPS…P
After the hazard situation has been remedied, and with the rope system tensioned, the rope pull switch can be unlocked and so made operational again by pulling the Reset knob. - Pre-failure monitoring (optional)
The safety rope pull switches of the type RPS-M-E-… have a remote display for monitoring the rope tension. It uses an integrated sensor unit to monitor the permissible rope tension for being exceeded and impending activation of the safety rope pull switch.
Required maintenance/adjustment is signaled via an electronic output in good time before unintentional machine standstills occur. Optionally available signal lamps can also be connected to this output (refer to chapter 18. Accessories). This meets the requirements for preventive maintenance.
Safety precautions
- All system components must be mounted on surfaces that can reliably withstand all the forces that may occur.
- Routing the rope as straight as possible results in low frictional forces in the system. From a system length of 25 m, only rope pulley blocks may be used as rope supports. Rope pulley blocks and other accessories are optionally avail-able.
- Positioning the support points at irregular intervals prevents rope oscillations that might cause false tripping.
- The red pull rope must have sufficient space between the support points to ensure that secure gripping and activation are possible. To improve visibility, marking flags can be attached to the pull rope along its length; however, these must not interfere with activation of the emergency stop function!
- When a rope pull section is being set up and planned, it is necessary to take into account and comply with the applica-ble regulations, as well as the maximum permitted actuating travel of S = 400 mm and maximum tripping force of F = 200 N applied perpendicularly to the rope.
- Suitable guide rollers (roller diameter ≥ 50 mm) must be used for rope routing at angles. The rope pull section must be angled by no more than 180° (e.g. 2 x 90°).
- Improper installation of or tampering with the rope pull switch will lead to loss of the personnel protection function and can cause serious or fatal injuries.
- Rope pull switches must not be bypassed (bridging of contacts), turned away, removed or otherwise rendered ineffec-tive.
- Mounting, electrical connection and setup only by authorized personnel.
- If damage or wear is found, the complete switch must be replaced. Replacement of individual parts or assemblies is not permitted!
- The user is responsible for safe integration of the device into a safe overall system. For this purpose, the overall system must be validated, e.g. in accordance with EN ISO 13849-2.
- If the simplified method according to section 6.3 of EN ISO 13849 1:2015 is used for validation, the Performance Level (PL) might be reduced if several devices are connected in series.
- If a product data sheet is included with the product, the information on the data sheet applies in case of discrepancies with the operating instructions.
Identification of the rope pull switch
- Identification by designation

- Identification by item number
The item number of the switch is located beneath the switch designation on the switch label. Please state this number in correspondence and orders to EUCHNER GmbH + Co. KG.
Dimensions


Mounting
NOTICE
- Under ideal installation conditions it is possible to achieve a maximum rope length of 75 m.
- Depending on the actual situation, there may be increased friction in the system. This friction may be so high that automatic resetting is no longer possible as described above. However, activation in the event of a rope tear must be guaranteed in all cases.
- The amount of friction depends on:
- Number of eyebolts used
- Number of contact angles and deflections
- Number and size of guide rollers
- Alignment of rollers and eyebolts with respect to each other.
- The friction can be reduced by using guide rollers with a larger diameter. The system should be divided up if there is too much friction. The user is responsible for component selection and cor-rect functioning of the system.
- It is recommended to remove the sheath in the undefined operating area of the support points.


Selection of system components
A tensioner spring must be installed on the counter bearing in order to ensure proper and safety-compliant implementation of the rope pull system. This is a precondition for direction-independent activation at any point along the rope length. In order to achieve fast and simple compliance with this requirement, we recommend the use of EUCHNER tensioner springs with integrated overstretch protection (see Table 1). Additional fixing and installation materials as well as ropes are also optionally available. A detailed overview is provided in the “Accessories” chapter.
Tensioner spring

Table 1: Tensioner springs
| RPS type | RPS…100/175 | RPS…300 |
| Item number | 092136 | 092138 |
| LO min.[mm] | 383 | 483 |
| Lmax. [mm] | 487 | 653 |
| Ø D [mm] | 39 | 48 |
- Tensioner springs are supplied with quick fastener and an eyebolt DIN 444 – M12 x 50.
- When installing and adjusting the rope pull switch, it is necessary to take into account the physical changes in the rope length as a result of variations in temperature.
- Table 2 shows the permitted rope lengths as a function of the expected temperature difference.
- The diagram also shows the maximum permitted rope length for the different spring forces of the respective switch types. It also permits selection of the appropriate switch corresponding to the expected temperature variations.

Table 2: Permissible rope lengths

Rope supports must be provided at intervals of 2 – 5 m when planning and installing the system. Refer also to the “Safety precautions” chapter.
Installation sequence
Installation must be performed only by authorized personnel.




Mechanical function test

Electrical connection
WARNING
- Electrical connection must be performed only by authorized personnel.
- Strip the insulation from the ends of the individual wires over a length of 6 ± 1 mm to ensure a reliable contact.
NOTICE
At least one contact
must be used.
Connection of RPS…
- Release cover using a screwdriver.
- Open break-out wall by screwing in the cable gland; remove the plastic part.
- Tighten the cable gland.
- Connection to cage pull spring.
- Insert screwdriver (2.5 mm blade width) into the bottom opening (1).
- Turn screwdriver by 45° (2).
- Insert flexible cable with a cross-section of 0.5 … 1.5 mm² into the upper opening (3). The cable end must be fitted with a cable end sleeve.
- Remove screwdriver.
- Press on cover.

Connection of RPS-M…
- Remove cover: To do this, unscrew the cover screws with a screw-driver and remove the cover.
- Electrical connection: The electrical contacts of the switches have M3.5 screw terminals. For terminal assignment, see chapter 15. Switching elements. The connection must be made as a stranded wire with cable end sleeve or as a single conductor with the conductor cross-sections 0.5 … 1.5 mm².
- Close cover: Place the cover on the housing as shown and tighten the cover screws with a torque of 2 Nm.

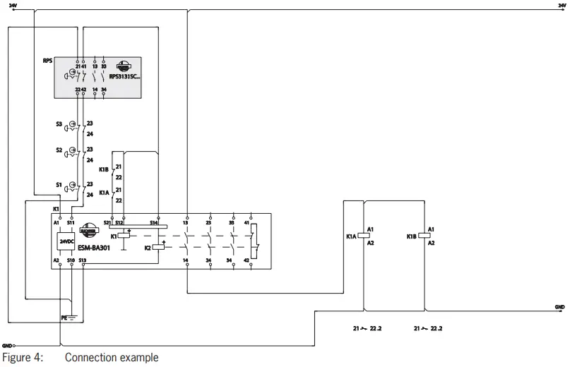
Connection example
- The following connection example shows a possible circuit structure with redundant design at the cable level as well.
- The signals of the emergency stop chain are evaluated by a safety relay (ESM from EUCHNER).
- The overall control concept into which the rope pull switch RPS is integrated must be evaluated by the end consumer/machine designer in accordance with EN ISO 13849-2.

Setup
- Mechanical function test
It must be possible to actuate the pull rope easily at every point of the rope pull system. As a check, actuate the pull rope several times. - Electrical function test
- Activate the rope pull safety system by means of the RESET actuating cylinder.
- Start the installation/machine.
- Actuate the pull rope/emergency stop button This results in the safety contacts opening immediately.
- The safety contacts close only after renewed operation of the RESET actuating cylinder.
Technical data
| Version | RPS… | RPS-M… | |
| Electrical data (refers to the switch without plug connector) | |||
| Rated insulation voltage | Ui | 250 V/AC | |
| Rated operating voltage | Ue | 240 V | |
| Rated impulse withstand voltage | Uimp | 2.5 kV | |
| Conditional short-circuit current | 100 A | ||
| Continuous thermal current | Ithe | 10 A | |
| Utilization category | AC 15; 240 V/ 3 A | AC 15; 240 V/ 3 A DC 13; 250 V/ 0.27 A | |
| Short circuit protection | 6 A gG acc. to IEC 60269-1 | ||
| Safety class | II | I | |
| Positively driven NC contacts | IEC/ EN 60947-5-1, Appendix K | ||
| Pre-failure monitoring RPS-M-E… | |||
| Rated operating voltage | Ue | 10-30 V/DC | |
| Rated operating current | Ie | 50 mA | |
| Utilization category | DC 13 | ||
| Short circuit protection | Yes | ||
| Reverse polarity protection | Yes | ||
| Connection | Screw terminal, 3-pin = 1.5 mm² | ||
| Mechanical data | ||
| Housing/cover | PA 6 GV (UL94-V0) | Die-cast aluminum |
| Emergency stop | PA, fiber glass reinforced | |
| Actuation | Die-cast zinc/steel | |
| Ambient temperature | -25°C to +70°C | -30°C to +80°C |
| Mechanical life | Acc. to IEC 60947-5-5 1 x 105 operating cycles | |
| Switching frequency | ≤ 20/min. | |
| Latching device | Acc. to EN 60947-5-5, ISO 13850 (DIN EN 418) | |
| Emergency stop reset | Button pull acc. to EN 60947-5-5 | |
| Rope length | Depending on type Lmax ≤ 75 m/37.5 m/25 m (observe Table 2) | |
| Rope Ø | D = Ø 2 – 5 mm | |
| Rope attachment | RPS…SC/PC… fast-action clamping device / PR… by means of ring | |
| Connection | 8 x cage pull spring 0.5 … 1.5 mm² flex. | 8 screw terminals (Ø3.5) 0.5 … 1.5 mm² flex. |
| Cable entry | 3 x M20x1.5 | |
| Mounting | 4 x M5 | 4 x M5 or 4 x M6 |
| Weight | Approx. 0.65 kg | Approx. 1.0 kg |
| Degree of protection | IP67 | |
| Reliability values acc. to EN ISO 13849-1 | |
| B10D at DC-13 100 mA/24 V | 2 x 105 |
Switching elements
The values for the tensile force depend on the switch type used (RPS…100/RPS…175/RPS…300). Tolerance: tensile force ±15%

Maintenance/service
In order to ensure trouble-free, long-term operation, it is necessary to perform regular, documented inspection of the following:
- smooth actuation
- correct switching function
- correct rope tension
- secure mounting of components
- dirt and wear
- sealing of cable entry
- loose cable connections or plug connectors.
After servicing or repair, correct functioning of the system should be checked by actuating the pull rope several times. It must be ensured that the switch latches properly after actuation. In the event of a fault in the switching system or latching device, the switch must be replaced and can be sent to EUCHNER GmbH + Co. KG for inspection.
Exclusion of liability
If the instructions (correct use, safety regulations, mounting and connection by trained personnel, check for safe function) are violated, this renders the manufacturer’s liability null and void.
Accessories
| Designation | Description/version | Packaging unit | Order no./item |
| Eyebolt | Thread M8 | 5 pcs. | 092495 RPS-O-8-50/V5 |
| Rope set | Consisting of thimble and rope clamp | 5 pcs. | 092496 RPS-RS/V5 |
| Pulley set RPS-PS/V5 | Rope pulley block with swiveling lug (roller Ø 6 mm) and fastening clamp | 5 pcs. | 092501 RPS-PS/V5 |
| Rope pulley block RPS-P/V1 | Rope pulley block (roller Ø 14 mm) | 1 pcs. | 096251 RPS-P/V1 |
| Tensioning rope | Length 50 m | 1 pcs. | 092813 RPS-I-3-4/50M |
| Length 100 m | 1 pcs. | 092814 RPS-I-3-4/100M | |
| Built-in LED | Light radiation to side | 1 pcs. | 087423 LED M20x1.5 |
| Light radiation to front | 1 pcs. | 095510 LED M20x1.5 | |
| Turnbuckle | M6 x 60 | 5 pcs. | 092498 RPS-B-6-60/V5 |
| M6 x 110 | 1 pcs. | 092500 RPS-B-6-110 | |
| Tensioner spring | For RPS 100, 175 | 1 pcs. | 092136 RPS-W-100-175 |
| For RPS 300 | 1 pcs. | 092138 RPS-W-300 |
EC declaration of conformity


EUCHNER GmbH + Co. KG
Kohlhammerstraße 16 70771 Leinfelden-Echterdingen
Germany
[email protected]
www.euchner.com
Edition:
2090276-10-12/20
Title:
Operating Instructions Rope Pull Switches RPS… (translation of the original operating instructions)
Copyright:
© EUCHNER GmbH + Co. KG, 12/2020
Subject to technical modifications; no responsibility is accept-ed for the accuracy of this information. 0800000912_01



























