Hindi B.V.
Steenoven 21
3911 TX Rhenen
The Netherlands
Drawing
Batch # | Appliance part# |
| 171149 until HK073119 | 263600 |
Description | |
| Contact grill ribbed top/smooth bottom | |
| Date | 03-05-2021 | Revision # | 1.1 |
| Revision | The new model (updated switch and knob) | ||

Bill of materials (BOM)
| 3 | Upper grill plate | n/a | 1 | ||
| 4 | Brake shoe support | nss | 2 | Available as 932278 | |
| 5 | Brake shoe complete set | 932278 | 1 | Incl. item 4 and 6 | |
| 6 | Lower brake shoe | nss | 1 | Available as 932278 | |
| 7 | Torsion spring | 901908 | 1 | ||
| 8 | Back axle | 912195 | 1 | ||
| 9 | Frame of handle | 912157 | 1 | Incl. item 10,12 and 13 | |
| 10 | Silicone plug | nss | 2 | Available as 912157 | |
| 11 | Upper axle | n/a | 1 | ||
| 12 | Handle | nss | 1 | Available as 912157 | |
| 13 | Plug for handle | nss | 2 | Available as 912157 | |
| 14 | Power cord | 912027 | 1 | ||
| 15 | Cord inlet with retention | 912201 | 1 | ||
| 16 | Lower element | 904510 | 1 | ||
| 17 | Lower grill plate | n/a | 1 | ||
| 18 | Switch | 205426 | 1 | ||
| 19 | 0-ring | nss | 1 | Available as 912003 | |
| 20 | Indicator light (orange) | 912003 | 1 | Alternative: 930533 | |
| 21 | Feet | 912058 | 4 | Set of 4 | |
| 22 | 0-ring | nss | 1 | Available as 942222 | |
| 23 | Knob insert | nss | 1 | Available as 942222 | |
| 24 | Ground plate | nss | 1 | Available as 942222 | |
| 25 | Knob | 942222 | 1 | Incl. item 22,23,24 and 26 | |
| 26 | Graduation ring | nss | 1 | Available as 942222 | |
| 27A | Hi-limiter | 902004 | 1 | ||
| 27B | Bracket | n/a | 1 | ||
| 27C | Reset pin | 902042 | 1 | ||
| 28 | Terminal | 942239 | 1 | ||
| 29 | Thermostat | 902011 | 1 | ||
n/a -> not available nss -> not sold separately
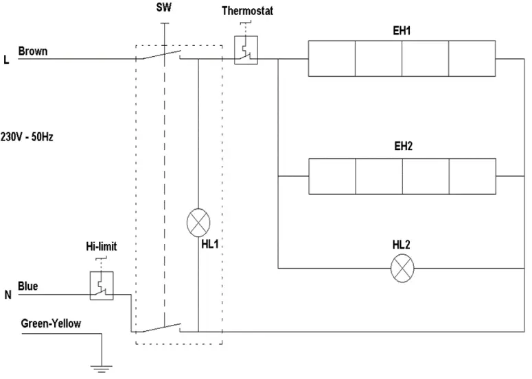
Circuit diagram

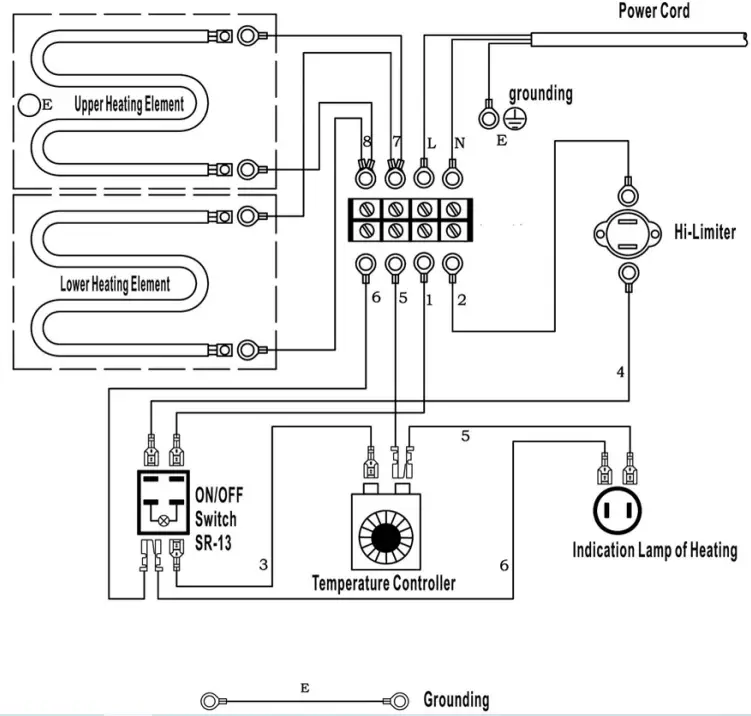
Wiring diagram




















