Barksdale 140 Series Heavy Duty Valve
GENERAL
To ensure proper and safe operation of the Barksdale Heavy duty valve, the entire manual must be read and understood clearly. Please pay special attention to all safety information. The Pressure Equipment Directive (PED) 97/23/EC requires pressure equipment intended for Europe to have a CE mark and that the equipment meet all aspects of the directive. The PED is a directive that applies to the design, manufacture, and conformity assessment of pressure equipment and pressure assemblies. All equipment covered by the directive must comply with essential safety requirements and meet the equivalent national laws of all member countries.
PED Classification
To ensure that products intended for Europe meet the requirements of PED. It is necessary to determine the proper PED classification. In the PED, pressure equipment can be classified one of the following categories.
- SEP (Sound Engineering Practice)
- Category I
- Category II
- Category III
- Category IV
SEP Products
The SEP classification applies to pressure equipment that is not subject to Category I, II, III, or IV conformity assessment, but must be designed and manufactured with “sound engineering practice” as defined by the PED.
Product Classification
Use the table 1 on the following page to find the PED category of a specific product.
Note:
Due to PED Classification limitations, some products may not be available at full-rated pressures. Be sure to check the PED Product Classification Table 1 for any limitations.
Table 1: PED Categorization
| VALVE SERIES | Size | Pressure test in psi (bar) Air/ Hydraulic oil, Lubricated water | PED Category |
|
Heavy Duty Valve 140 | 1/4″ NPT | 2000 (138)/3000 (206) | SEP |
| 3/8″ NPT | 2000 (138)/3000 (206) | SEP | |
| 1/2″ NPT | 2000 (138)/3000 (206) | SEP | |
| 3/4″ NPT | 2000 (138)/3000 (206) | SEP | |
| 1″ NPT | 2000 (138)/3000 (206) | SEP | |
| 1-1/2″ NPT | 2000 (138)/3000 (206) | Category I | |
|
Heavy Duty Valve 920 | 1/4″ NPT | 2000 (138)/3000 (206) | SEP |
| 3/8″ NPT | 2000 (138)/3000 (206) | SEP | |
| 1/2″ NPT | 2000 (138)/3000 (206) | SEP | |
| 3/4″ NPT | 2000 (138)/3000 (206) | SEP | |
| 1″ NPT | 2000 (138)/3000 (206) | SEP | |
| 1-1/2″ NPT | 2000 (138)/3000 (206) | Category I | |
| Heavy Duty Valve 200 | 1/4″ NPT | 4000 (276)/6000 (413) | SEP |
| 1/2″ NPT | 4000 (276)/6000 (413) | SEP | |
| 1″ NPT | 4000 (276)/6000 (413) | SEP | |
| Heavy Duty Valve 5620 | 1/4″ NPT | 4000 (276)/6000 (413) | SEP |
| 1/2″ NPT | 4000 (276)/6000 (413) | SEP | |
| 1″ NPT | 4000 (276)/6000 (413) | SEP |
INTENDED USE
This is a heavy duty Shear-seal® directional control valve. The valve is designed to be actuated manually by handle. Actuator option is also available to actuate the valve. This 3 position valve is designed to work with hydraulic oil, lubricated water or air as working media. Standard wetted materials include stainless steel, bronze, ductile iron and Buna-N materials.
SAFETY INFORMATION
The recommendations below are general and it is the responsibility of the user to assure that installation and maintenance are in accordance with local requirements, API and ASME practices. This valve should be installed by a trained service person. A media filter should be in the system to protect the valve. To maximize life it is suggested to follow ISO fluid cleanliness code ISO4406:1999 or thereafter. Neither Barksdale nor its agents assume any liability for valves improperly used in the application or improperly installed and maintained.
Marking of safety instructions in the operating manual
The safety instructions are intended to protect the user from dangerous situations and/or material damage. In the operating instructions the seriousness of the potential risk is designated by the following signal words:
Warning: Safety Instructions whose non-observance may be hazardous to persons, and/or cause damage to property.
Caution: Safety Instructions whose non-observance may lead to product damage, or loss of function. Product Marking: Nameplate and label marking on the equipment itself contains the primary functional limits information. This information must be absolutely followed and kept in legible condition.
Qualifications and training of personnel
Operating, maintenance, inspection and installation personnel must be qualified to carry out their respective duties. Areas of responsibility, competence, and proper levels of supervision should be clearly defined by the user. If personnel are not sufficiently qualified, additional training and instruction should be carried out, to ensure that operating instructions are fully understood by the responsible personnel
Non-compliance with safety instructions
Non-compliance with these safety instructions can jeopardize the safety of personnel, the environment, the valve and/or the system. Non-compliance with these safety instructions will lead to forfeiture of any rights to claims for damages.
Safety Awareness
It is essential to comply with the safety instructions contained in this manual, along with the relevant national, state and local health and safety regulations, and the operator’s own internal operating and safety instructions.
Safety instructions for the operator/user
Isolate the valve from all system pressure before performing any service procedures. Leakage of any dangerous liquids (toxic or hot) at any exterior mechanical joint seal must be drained off without any danger to persons or the environment. All Federal, State and Local Rules regarding chemical disposal and handling must be followed.
Safety instructions for maintenance, inspection and installation work
The user must ensure that all maintenance, inspection and installation work is carried out by authorized personnel, who are familiar with the manual. As a rule all work on the unit should only be carried out after the valve has cooled down and pressure has been released. Release pressure by moving the valve handle fully in the left position and then fully in the right position. Proper tag out or lockout is strongly recommended. Immediately after completion of work, all safety and protective devices in system should be refitted and fully functional. Please observe all relevant system start-up safety rules.
Unapproved usage
The operating reliability and safety of the valve is only valid if used in accordance with its specified technical limits as described in the Installation and operating instructions. Any other use is not in conformity with the regulations, and Barksdale will not be liable for any resulting damages. The installation and operating manual does not invalidate general regulations and standards not referred to general technical rules should be observed.
TECHNICAL DATA
SPECIFICATIONS:
Table 2: Specification
| Working Pressure: | See Table 1 for working pressure |
| Flow Capacity, Cv: | See Table 3 |
| Back Pressure: | Must not exceed 250 psi (17.2 bar) at return port for satisfactory operation. |
| Pressure Drop: | 14 psi (0.96 bar at 20 ft/sec) see Supplemental guide available at website www.barksdle.com/en |
| Proof Pressure: | 1‐1/2 times working pressure |
| Burst Pressure: | 2‐1/2 times working pressure |
| Media Temperature Range: | ‐40° to +250°F (‐40° to +121°C) |
| Rotor: | 400 series stainless steel |
| Pressure Seals: | 400 series stainless steel |
| Shaft: | Stainless steel |
| Body: | Bronze |
| Housing: | Ductile Iron |
| Standard o‐Ring | Buna N, others available |
| Back‐up Rings: | Teflon ® |
Table 3: FLOW CAPACITY

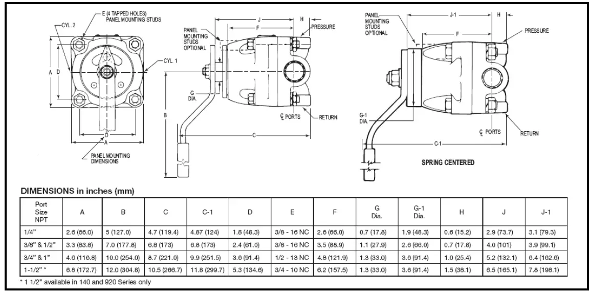
OVERALL DIMENSIONS
Figure 1: Overall Dimension

PRODUCT CONFIGURATOR:
Figure 2: Configuration

INSTALLATION
Always wear protective gloves, clothing, and eyewear when performing any installation operations to avoid personal injury. Personal injury or equipment damage caused by sudden release of pressure may result if the valve assembly is installed where service conditions could exceed the limits given specification or on the appropriate nameplates. To avoid such injury or damage, provide a relief valve for over‐pressure protection as required by government or accepted industry codes and good engineering practices. Check with your process or safety engineer for any additional measures that must be taken to protect against process media.
Recommended tools and supplies are: Adjustable wrench, Strap wrench, Thread lubricant.
Before installing the valve, inspect the valve and associated equipment for any damage and any foreign material.
Make sure ports are clean from debris that may have accumulated during storage or transportation.
Install valve using optional panel mounting stud, 4 places.
Pipe the valve into your system using ports PRESS, CYL 1, CYL 2 and RET. Use accepted piping practice when installing the valve in line.
Note: For center of gravity of valve, please refer to Sales drawing. Center of gravity location can shift slightly due to location of handle and fluid inside unit.
OPERATION
The Heavy duty valve is a 4-way, 3 position valve and is available with 3 different configurations as shown figures 3, 4 and 5.
- Closed center (selector) option “C”
- Open center (tandem center) option “O”
- Closed center – Manipulator (float center) option “Q”
Confirm the working pressure is lower or meets the pressure shown on the nameplate.
(See Figure 6)
Caution: Pressure on the return port must not exceed 250 psi (17.2 bars) for satisfactory operation.
EXPLODED VIEW OF VALVE
Figure 1.1

PART INDEX HEAVY DUTY VALVE
Figure 1.2

TROUBLE SHOOTING
Caution: Chart is used as a quick trouble shooting tool and mainly for reference only. It does not mean to list all possible causes and solutions to the problems as seen by the user on valve. Contact factory or authorized dealers for technical support and issues.
| PROBLEM | POSSIBLE CAUSE | SOLUTION / RECOMMENDATION |
|
Handle does not move | Incorrect valve plumbing | PRESS port for pressure source RET return port is back to tank or atmosphere ‐ 250 psi back pressure max. |
| Return port is plugged | Return port cannot be plugged or line be blocked. | |
| Return port has restriction | Return port pressure is 250 psi or less. | |
| Valve plumbed in series. | Return port pressure is 250 psi or less. | |
| External Leakage | Loose connection | Tighten connections. |
| Internal Leakage | Valve handles not in detent. | Place handle in detent. |
Maintenance
- All Barksdale 4-Way Heavy Duty Control Valve are equipped with a grease fitting in the housing. If media is oil-soluble greasing is not necessary, valve is self-lubricated each time the valve is cycled. For non-oil based media valve can be lubricated through this fitting. Frequency of lubrication depends entirely on the duty cycle of the valve. An increase in handle load will indicate exactly what lubrication schedule should be followed.
- Disassemble and inspect valve, replace damaged/worn parts and O-rings every two years or 2,000,000 cycles whichever occurs first.
- At first sign of excessive internal leakage valve should be disassembled and source of leakage repaired. Allowing the valve to continue in operation may cause excessive wear or damage to other components. This is caused by the escaping fluid which is generally in the form of a jet stream.
WAY HEAVY DUTY CONTROL VALVE REPAIR
This section outlines the disassembly and reassembly procedures for the 4-way heavy duty control valves. Differences in reassembling the selector, manipulator, and diverter type valves are pointed out in the procedures below. In all other steps, various types of valves and valves of all sizes use the same procedures.
WARNING!
Isolate the 4-way valve from all system pressure before performing any disassembly procedures. Also, cycle valve handle fully in the clockwise & counter-clockwise position. This will ensure any remaining static pressure trapped within the valve is bled off.
The numbers in parentheses correspond to the item numbers shown on Figure 1.1 and the parts index shown on Figure 1.2.
DISASSEMBLY 4-Way Hydraulic Control Valve
- Disconnect all fittings from the valve body (3).
- Move the valve to a clean work area, free of dirt, dust, grit, etc.
- Remove handle nut (32), shaft washer (31), handle (29), and spacer (28) from the valve shaft.
- Remove retainer ring (27) from the shaft, remove detent disc (26), detent ball (24) and detent spring (23).
- Turn valve upside down and secure housing (18).
- Remove the four body nuts (1), lock washers (2) and body bolts (22).
Panel mount versions only: remove four body bolts (22), lock washers (2), and stud panel standoff (33). - Lift body (3) up to remove from housing (18).Ensure Internal components do not fall out.
- Place valve body (3) on a flat surface so process connections are facing down and remove pressure seals (8) and washer springs (5) from the from the three cavities.
- Remove o-ring (7) and backup ring (6) from pressure seal (8)
- Remove the housing o-ring (16) from valve body (3).
- Remove sleeve (17) applicable to 3/4”, 1”, 1 ½” valves only.
- Remove rotor (9)
- Remove thrust ball bearing assembly (13) applicable to 3/4”, 1”, 1 ½” valves only.
- Remove thrust washer (13) ball bearings (15) applicable to 3/8”, 1/2” valves only.
- Remove thrust washer (13) ball bearings (15) retainer (14) applicable to 1/4” valves only.
Caution
Do not strike nut and/or shaft with a metallic hammer as damage to components may occur.
- Reinstall handle nut (32) on shaft (10). Using a nonmetallic mallet or a block of wood between the nut and mallet, drive the shaft (10) sufficiently out of the back of the housing (18).
- Remove nut (32) and pull shaft (10) completely out of housing (18).
- Remove o-ring (11,) from shaft.
- Remove o-ring (12) applicable on 3/4”, 1”, 1 ½” only
Cleaning and Inspecting, 4-Way Hydraulic Control Valve
- Thoroughly clean and inspect the body (3). Pay particular attention to the areas around the three cavities for signs of washout. If washout in these areas is severe, the entire valve assembly should be replaced.
- Clean & Inspect body (3), housing (18) rotor (9), shaft (10) thrust ball bearing set (13) and detent disc (26). Replace worn or damaged components.
6.4 Reassembly, 4-Way Hydraulic Control Valve
- Prior to reassembly of the valve, discard the following parts that were removed during disassembly that will not be replaced:
- all pressure seals, O-rings and backup rings
- pressure seal spring washers
- ball bearings
- ball bearing retainer
- thrust washers
- retainer r ing
- rotor
- Install new spring washers (5) into valve body (3)
- Grease the area around the ports on the body (3).
NOTE: Repair kits provide new O-rings (7) and backup rings (6) pre-installed on pressure seals (8). If items were purchased separately refer to step 4. - Install new o-ring (7) and backup rings (6) on to pressure seals (8) refer to Figure 1.1 for proper
o- ring and backup ring orientation. - Using a media compatible grease apply a coat on the o-ring (7) and backup ring (6) pressure seal (8) and install with the beveled edges facing outward, toward the surface of the rotor. Repeat for all pressure seals, when complete set body aside.
caution
Do not use any metal object to push the seal ring into the seal container. The seal rings are manufactured to a very specific tolerance. These tolerances would be damaged by contact with metal tools. Use fingers, preferably protected with clean gloves. Avoid contacting the beveled edges of the seal rings directly with the fingers. The beveled edges of the seal rings are sealing surfaces which will corrode if contacted by the natural acids on fingers. If it is necessary to push the seal rings in with the fingers, apply a sufficient coating of oil to the seal rings. The oil acts as a barrier between the acids and the metal. - Install new o-ring (11) shaft (10) applicable to all sizes.
- Install new o-ring (12) on shaft (10) applicable on 3/4”, 1”, 1 ½” valves only.
- Lightly grease the shaft (10)
- Secure housing (18) upside down and install shaft (10) it into the housing (18).
- Thoroughly grease the inside of the housing (18).
- Grease the thrust ball bearing assembly (13) applicable to 3/4”, 1”, 1 ½” valves only
- Grease thrust washers (13) ball bearings (15) applicable to 3/8”, 1/2” valves only.
- Grease thrust washer (13) ball bearings (15) retainer (14) applicable to 1/4” valves only.
NOTE: Refer to Figure 1.1 for correct bearing orientations
- Install thrust ball bearing assembly (13) applicable to 3/4”, 1”, 1 ½” valves only.
- Install thrust washers (13) ball bearings (15) applicable to 3/8”, 1/2” valves only.
- Install thrust washer (13) ball bearings (15) retainer (14) applicable to 1/4” valves only.
- Lightly grease the new rotor (9). Do not touch the face of the rotor with fingers because the natural acidity of fingers can corrode the sealing surface of the rotor.
- Install the rotor (9) onto shaft (10) rotate shaft (10) until the two alignment pins in the shaft engage into the two alignment holes in the back of the rotor.
Caution
Failure to properly align rotor will affect the valve function and performance. - Rotate shaft to align rotor (9) correctly to the valve body (3). Refer to Figure 1.1 for the correct orientation of the specific rotor type.
- Install o-ring (16) into housing (18).
- Install sleeve (17) applicable to 3/4”, 1”, 1 ½” valves only.
Note: The housing and body can be installed in only one position due to alignment pins on body (3) and alignment holes on housing (18). - Install body (3) onto housing (18).
- Install body bolts (22) lock washers (2) and nuts (1) and tighten using an “X” pattern to specified torque referred to on Torque Table 1.3.
- Rotate valve assembly so ports are facing down and shaft is pointing up, secure valve.
- Lightly grease detent spring (23) detent ball (24) and install into housing (18).
- Install detent disc (26) onto shaft (10) ensuring detent hole is located over the detent ball (24) install retainer ring (27).
Note: Refer to Figure 1.1 for proper handle alignment - Install spacer (28),handle (29), washer (31) and locking nut (32) on to shaft (10) tighten to specified torque refer to on Torque table 1.3.
- Cycle valve handle to ensure valve shifts smoothly, reassembly is complete.
Torque Table 1.3
| Torque Required | ||||||||
| Description | Item Number | 1/4″ | 3/8″ | 1/2″ | 3/4″ | 1″ | 1 1/2″ | |
| Nut, body | 1 | 200‐250 in. lbs | 200‐250 in. lbs | 200‐250 in. lbs | 500‐550 in. lbs | 500‐550 in. lbs | 1500‐1800 in. lbs | |
| Bolt, housing | 22 | 200‐250 in. lbs | 200‐250 in. lbs | 200‐250 in. lbs | 500‐550 in. lbs | 500‐550 in. lbs | 1500‐1800 in. lbs | |
| Nut, handle | 32 | 60‐80 in. lbs | 200‐250 in. lbs | 200‐250 in. lbs | 280‐320 in. lbs | 280‐320 in. lbs | 280‐320 in. lbs | |
TRANSPORT / STORAGE
Severe shock and vibration should be avoided during transport. Store it in a clean and dry environment. Valves are ready for operation upon delivery. The protective port plugs should not be removed until immediately before connecting the piping. To avoid damaging valve or/and position indicator, do not lift or carry by the handle, or position indicator.
It is recommended to transport valve with the lifting equipment suitable for the weight to be moved. Do not hook-up lifting equipment to accessory such as handle, or pressure bores. When using a suspension belt it must be placed around the valve body, providing edge protection and ensuring weight distribution. Transport/storage temperature is recommended to be between -40° C (-40° F) to +93°C (200°F). Protect existing sealing surface on the connections from damage. Do not damage the corrosion protective layer.
DISPOSAL/RETURNS
Valves that have come in contact with health – threatening media must be decontaminated prior to disposal or returned to Barksdale. Follow proper Federal/ State and local regulations for appropriate disposal to protect the environment.
NAMEPLATE

Nameplate is permanently secured to side of valve with the followings information: model part number, working pressure (WPR) and serial number (SN). The first 6 digit numbers of the serial number represent the date of manufacture (MM month/ DD date/ YY year).
WARRANTY
See Barksdale “STANDARD TERMS AND CONDITIONS” document for STANDARD WARRANTY.
MANUFACTURE AND INQUIRIES
Please contact Customer Care for product inquiry or any product related questions or issues.
Barksdale
Control Product
3211 Fruitland Avenue
Los Angeles, CA 90058
Phone: (800)-835-1060
Fax: (323)-589-3463
www.barksdale.com
Barksdale, Inc. 3211 Fruitland Avenue, Los Angeles CA 90058 (800)835-1060 www.barksdale.com Bulletin No. 272350-A, 07-05-13


















