TOTAL TG1252306 2400W Electric Grinder

Security instructions
Caution
Read all safety warnings and all instructions. Failure to follow all warnings and instructions can result in electric shock, fire, and / or serious injury.
The term “power tool” in the warnings refers to your mains-operated (corded) power tool or battery-operated (cordless) power tool.
Note: Save all warnings and instructions for future reference.
- Work area safety
- Keep the work area clean and well lit to avoid accidents.
- Do not use power tools in explosive atmospheres, such as in the presence of flammable liquids, gases, or dust that can cause fires.
- Keep children and other unauthorized persons away while using a power tool. Distractions can cause you to lose control of the tool.
- Electrical safety
- Power tool plugs must match the outlet. Never modify the plug in any way. Using a proper plug reduces the risk of electric shock.
- Avoid body contact with grounded surfaces such as pipes, radiators, ranges, and refrigerators. There is an increased risk of electric shock if your body is grounded.
- Do not expose power tools to rain or wet conditions. Water entering a power tool will increase the risk of electric shock.
- Never use the cord to carry, pull, or unplug the power tool. Keep the cord away from heat or oil.
- When using a power tool outdoors, use an extension cord suitable for outdoor use.
- If it is unavoidable to use the tool in a humid location, use a residual current device (RCD) protected supply to reduce the risk of electric shock.
- Personal security
- Always be alert, watch what you are doing, and use common sense when operating the tool.
- Do not use a power tool if you are tired or under the influence of drugs or other substances.
- Use personal protective equipment. Always wear eye protection. Protective equipment such as a dust mask, non-slip safety shoes, hard hat, or hearing protection used in the right conditions will reduce personal injury. Also, do not wear loose clothing or jewelry.
- Avoid accidentally turning the tool on. Make sure the switch is in the off position before connecting it to the power supply and moving it.
- Remove any adjusting key or wrench before turning on the power tool. A wrench or wrench attached to a rotating part of the power tool can cause serious injury.
- If dust extraction and collection devices are used, make sure they are properly connected. Use these devices properly and you will reduce dust hazards.
- Use and care of power tools
- Do not force the tool. Use the right power tool for each use.
- Do not use the power tool if its ignition switch does not work. Any power tool that cannot be controlled with the switch is dangerous and must be repaired.
- Disconnect the plug from the power source before making any adjustments, changing accessories, or storing the tool to avoid accidental starting.
- Use the power tool, accessories and drill bits, etc. in accordance with these instructions, taking into account the working conditions and the work to be carried out. Using the power tool for operations other than those intended could result in a dangerous situation.
- Store power tools out of the reach of children and do not allow anyone unfamiliar with the tool to use it.
- Carry out regular maintenance on power tools. Check for misalignment or binding of moving parts, broken parts, and any other conditions that may affect the operation of power tools. If damaged, have power tool repaired before use. Many accidents are caused by poorly maintained power tools.
- Keep accessories clean and sharp, as with proper maintenance they are less likely to get stuck and are easier to control.
- Service
- Have your power tool repaired by a qualified person and use replacement parts recommended by the manufacturer. This will ensure that the safety of the power tool is maintained.
Safety rules for correct use
- Double insulation for additional protection
- Read the instruction manual before use.
- CE conformity.
- Wear safety glasses, hearing protection and a dust mask.
- Waste electrical products must not be disposed of with household waste. Please recycle at the appropriate facilities. Check with your local authority or retailer for recycling advice.
- Security alert. Use only accessories approved by the manufacturer.
Additional safety warnings
Grinding, sanding, wire brushing, polishing or abrasion cutting operations
This power tool is designed to function as a grinder, sander, wire brush planer, polisher, or cutting tool.
Read all safety warnings, instructions, illustrations, and specifications provided with this power tool. Failure to follow all instructions can cause electric shock, fire, and / or serious injury.
- Do not use this tool in operations for which it was not designed. Failure to do so may create a hazard and cause personal injury.
- Do not use accessories and tools or tools that are not specifically designed and recommended by the tool manufacturer. The fact that the accessory can be connected to the power tool does not guarantee safe operation.
- The nominal speed of the blade must be at least equal to the maximum speed marked on the power tool. A tool that has a speed greater than that of the tool can eject it from its grip.
- The outside diameter and thickness of the disc must be within the nominal capacity of its guards. Incorrectly sized accessories cannot be properly stored or controlled.
- The assembly of threaded tools must match the thread of the grinder spindle. For flange-mounted accessories, the hole in the accessory must match the flange setting diameter.
- Do not use the damaged cutting tool. Before each use, check the cut-off wheels for cracks, tears or excessive wear; check the wire brush for loose or cracked wires. Dull bits cause the tool to be overstressed. If the power tool is dropped, inspect for damage and replace if necessary.
After inspecting and installing a tool, move to a safe area and verify that there are no people in the work area when operating the power tool at full speed with no load for one minute. Damaged accessories will normally break during this testing time. - Wear personal protective equipment. Wear face shield, safety glasses. If necessary, dust masks, ear protectors, gloves and workshop apron capable of stopping small abrasive or chip fragments. Eye protection must be able to stop debris and flying particles generated by various operations. The dust mask or respirator must be able to filter the particles generated by its operation. Prolonged exposure to high intensity noise can cause hearing loss.
- Keep people out of the work area. Anyone entering the work area must wear personal protective equipment. Fragments of the workpiece or a broken accessory can come loose and cause injury beyond the immediate area of operation.
- Only hold the power tool by insulated gripping surfaces when performing an operation where the cutting tool or tool may come into contact with cables and /or pipes (including its own cable). It may cause an accident or electric shock to the operator.
- Place the tool cord away from the swivel fixture. If you lose control, the cable can be cut or snagged causing serious accidents.
- Never let go of the power tool until the cutting tool has come to a complete stop.
- Do not operate the power tool while it is with you. Accidental contact with the disc could snag your clothing, pulling it closer to your body.
- Periodically clean the tool vents. The motor fan will draw dust into the housing and excessive accumulation of powdered metal can cause electrical hazards.
- Do not use the power tool near flammable materials. Sparks could ignite these materials.
- Do not use cutting tools or tools that require coolant. The use of water or other liquid refrigerants can result in electrocution or electric shock.
Setbacks and related warnings
Kickback is a sudden reaction when a wheel, backing pad, brush, or other cutting tool binds or snags. Locking or snagging causes a rapid lock of the blade which, in turn, causes the uncontrolled power tool to be forced in the opposite direction of the tool’s rotation.
Kickback is the result of improper use of the power tool and / or improper procedures or conditions. This can be avoided by taking proper precautions.
- Maintain a firm grip on the power tool to allow it to resist kickback forces. Always use the auxiliary handle, if provided, for maximum control over kickback or torque reaction during start-up. The operator can control torque reactions or kickback forces, if proper precautions are taken.
- Never put your hand near the cutting tool while it is running. The cutting tool can flip over in your hand.
- Do not place your body in the area where the power tool will move if kickback occurs. The kickback will propel the tool in the opposite direction to wheel movement at the point of contact.
- Take special care when working around corners, sharp edges, etc. Avoid snagging the accessory. Corners, sharp edges, or bounces tend to snag the rotating accessory and cause loss of control or kickback.
Grinding and abrasive cutting operations
- Use only the types of wheels that are recommended for your power tool and the specific guard designed for the selected wheel. Wheels for which the power tool was not designed cannot be covered properly and are unsafe.
- The cutting surface of depressed center abrasive wheels must be mounted below the plane of the guard edge. An incorrectly mounted wheel that protrudes from the plane of the guard edge cannot be adequately protected.
- The guard must be firmly attached to the power tool.
- Disks should only be used for recommended applications.
- Always use the proper flanges for the correct disc size and design. The flanges for cutting wheels can be different from the flanges for grinding wheels.
- Do not use worn discs from larger power tools. The blade intended for a larger power tool is not suitable for the higher speed of a smaller tool
Abrasion cutting operations
- Do not “jam” the disc or apply excessive pressure. Overloading the disc increases susceptibility to binding and the possibility of kickback or breakage.
- Do not place your body near the cutting area of the blade. When the blade locks at the point of contact and in the event of a stomp, this recoil will direct the tool towards your body.
- When the blade sticks for any reason, turn the tool off and hold it still until it comes to a complete stop. Never try to remove the cut-off wheel by turning the tool on again, otherwise kickback could occur. Investigate and take corrective action to eliminate the cause of the binding.
- Do not restart the cutting operation on the workpiece. Allow the blade to reach full speed and re-cut with caution. The blade can bind, rise, or roll back if the power tool is reset on the workpiece.
- Any oversized workpiece should be clamped with the proper clamps to minimize the risk of jamming. Brackets, clamps, “C” presses, clamps or “F” presses must be positioned on the edges of the workpiece at a safe and secure distance from the cutting or roughing line to be performed.
- Be very careful when making a “pocket cut” in existing walls or other blind areas – you can cut gas or water pipes, electrical wiring, or objects that can cause kickback.
Sanding operations
- Do not use oversized discs. Follow the manufacturer’s recommendations when selecting sanding paper. Sandpaper that extends beyond the sanding pad presents a hazard and can cause binding and kickback.
Polishing operations
- Do not allow any polish residue to spin freely. Please remove or trim them because otherwise they may harm the work or your own body.
Wire brushing operations
- Be aware that the brush sheds wire bristles even during normal operation. Do not overload the cables by applying an excessive load to the brush. Wire bristles can easily penetrate light clothing and / or skin.
- The use of a wire brush guard is recommended. The wire wheel or brush can expand in diameter due to workload and centrifugal forces.
Other risks
Even when the power tool is used as prescribed, it is not possible to eliminate all residual risk factors:
- Health defects resulting from the emission of vibrations if the power tool is used for a longer period of time or if it is not properly managed and maintained.
- Injury and property damage from broken accessories suddenly breaking.
Caution
This power tool produces an electromagnetic field during operation. This field can, in some circumstances, interfere with active or passive medical implants.
To reduce the risk of serious injury, we recommend that individuals with medical implants consult their physician before using this power tool.
If the cord is damaged or cut during work, do not touch the cord, immediately unplug the tool. Never use the machine with a damaged cord.
The machine must not be damp and must not be used in a humid environment.
Attention
Safe working with this machine is only possible when the operating or safety information is fully read and the instructions contained therein are strictly followed.
Technical data
| Grinder datasheet | |
| Voltage | 220-240V ~ |
| Frequency | 50 / 60Hz |
| Power | 2400 W |
| No-load speed | 6300 / min |
| Wire brush diameter | 150 mm |
| Disc diameter | 230 mm |
| Spindle thread | M14 |
| Double insulation | |
Product description
Attention
Always make sure the tool is turned off and unplugged before adjusting or checking any component of the tool.
Shaft lock
- Never engage the spindle lock when the spindle is in motion. The tool can be damaged.
- Press the shaft lock to prevent shaft rotation when installing or removing accessories.
Change action

- Lock button
- Trigger switch
Attention
Before plugging in the tool, always check that the switch trigger operates correctly and returns to the OFF position when released.
To start the tool, press the lock button and then squeeze the switch trigger. Release the trigger to stop.
For tool with lock button
Attention
The switch can be locked in the “ON” position for easy operator comfort during extended use. Take care when locking the tool in the “ON” position and hold the tool firmly.
- To turn the tool on, simply squeeze the switch trigger. Release the switch trigger to stop.
- For continuous operation, squeeze the switch trigger and then press the lock button; then release the switch trigger.
- To stop the tool from the locked position, squeeze the switch trigger fully and then release it.
Set up
Attention
Always make sure the tool is turned off and unplugged before adjusting or checking the function of the tool.
Mounting
Auxiliary handlebar mounting
Always make sure the side handle is securely installed before operation.
Screw the auxiliary handle firmly into the position of the tool as shown in the figure.

Install or remove disk protection
When using a multi-disc grinding wheel, flexible wheel or wire wheel brush, the wheel guard must be installed on the tool so that the closed side of the guard always points towards the user.
- Wheel guard
- Screw
- Bearing box
- Mount the blade guard with the protrusion on the blade guard band aligned with the notch in the bearing frame.
- Rotate the wheel guard about 180 degrees counterclockwise.
- Make sure to firmly tighten the screw.
- To remove the protection, follow the installation procedure in reverse.
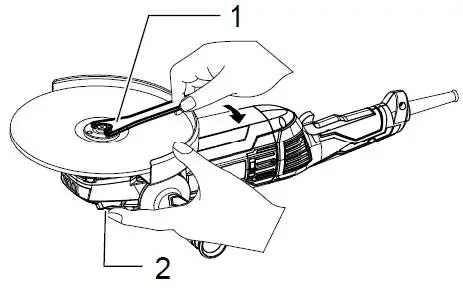
Mounting the discs
Always use the supplied protector when the multi-disc grinding wheel is on the tool. The blade can break during use and the guard helps reduce the chance of personal injury.
- Out flange
- Depressed center grinding wheel
- Inner flange
- Mount the inner flange on the shaft.
- Place the disc on the inner flange and screw the locknut or outer flange with its projection facing down (facing the disc).
- To tighten the locknut or outer flange, press firmly on the shaft lock so that the shaft cannot rotate
- Then use the locknut wrench and tighten firmly clockwise.

- Spanner
- Shaft lock
- To remove the disk, follow the installation procedure in reverse.
Functioning
Attention
It should never be necessary to force the tool. The weight of the tool applies adequate pressure. Excessive force and pressure can cause dangerous wheel breakage.
Never turn on the tool when it is in contact with the workpiece, it may cause injury to the operator.
Replace blade if tool falls off during grinding. Do not hit the tool, wheel or grinding wheel against any surface. Prevent the disc from bouncing and snagging, especially when working around corners, sharp edges, etc. This can lead to loss of control and kickback.
Never use tools with saw blades to cut wood and other saw blades. These blades, when used on a grinder, frequently kick and cause loss of control and lead to personal injury.
Always wear suitable protective clothing such as safety glasses or face shield during operation.
After use, always turn the tool off and wait until the blade has come to a complete stop before putting the tool down.
Polishing and sanding operation
- Hold the tool firmly with one hand on the tool handle and the other on the side or auxiliary handle.
- Turn on the tool and apply the wheel to the workpiece.
- In general, keep the edge of the disc at an angle of approximately 15 degrees to the surface of the workpiece.

Wire cup brush operation (optional accessory)

- Wire cup brush
- Urethane washer
Attention
Check brush operation by running the tool without load, making sure no one is in front of or in line with the brush.
Do not use a brush that is damaged or unbalanced. Using a damaged brush could increase the possibility of injury from contact with broken brush cables.
Unplug the tool and turn it upside down to allow easy access to the shaft. Remove all accessories from the shaft. Mount the washer, then thread the wire cup brush onto the shaft and tighten with the wrench provided. When using a brush, avoid applying too much pressure, which causes the wires to bend excessively and cause premature breakage.
Note: When using a wire cup brush, mount the washer on the shaft. It will make it easier to remove the wire cup brush.
Wire wheel brush operation (optional accessory)
- Wire wheel brush
Attention
Verify the operation of the wire wheel brush by running the tool without load, making sure that no one is in front of or in line with the wire wheel brush.
Do not use a wire wheel brush that is damaged or unbalanced. Using a damaged wire wheel brush could increase the possibility of injury from contact with broken wires.
Use the guard with wire wheel brushes, making sure the diameter of the wheel fits within the guard. The wheel can break during use and the guard helps reduce the chances of personal injury.
- Unplug the tool and turn it upside down to allow easy access to the shaft. Remove all accessories from the shaft. Screw the wire wheel brush onto the axle and tighten with the wrenches.
- When using a wire wheel brush, avoid applying too much pressure, which causes the wires to bend and cause premature breakage.
Overload
Overloading will cause damage to your tool’s motor. This can happen if it is subjected to heavy use for long periods of time. In no case try to exert too much pressure on your angle sander to speed up your work.
Abrasive discs work most efficiently when light pressure is exerted, thus avoiding a drop in speed. If your tool gets too hot, run it without load for 2-3 minutes until it has cooled down to normal operating temperature.
Job tips
- His tool is useful both for cutting metals; for example, to remove screw heads, as well as to clean / prepare surfaces; for example, before and after welding operations.
- Different types of disc / cutter will allow the sander to meet various needs. Grinding wheels / cutting wheels are typically available for mild steel, stainless steel, stone, and brick. Diamond impregnated discs are available for very hard materials.
- If the grinder is used on soft metals such as aluminum, the disc may bind and will need to be replaced.
- At all times, let the sander do the work, do not force it or apply excessive pressure to the discs.
- If a slot is cut, make sure the cutter stays aligned with the slot, twisting the cutter may cause the blade to break. If cutting a thin sheet, just allow the cutter to protrude from the material, excessive penetration can increase the possibility of causing damage.
- In the case of cutting stone or brick, it is recommended to use a dust extractor. The electronic control allows a continuous preselection of the speed according to the material to be worked. Constant electronic control keeps the preset impact rate nearly constant between no-load and load conditions.
Maintenance and troubleshooting
Maintenance
Always make sure the tool is turned off and unplugged before attempting inspection or maintenance.
Never use gasoline, thinner, alcohol or the like. Discoloration, deformation or cracking may occur.
The tool and its air vents must be kept clean. Clean the tool’s vents regularly or whenever the vents begin to clog.

Brush replacement
- Commutator
- Carbon brush
Use a screwdriver to remove the brush holder caps. Take out the worn brushes, insert the new ones, and secure the brush holder caps. 
- Brush holder cap
- Screwdriver
Problem solving
If your grinder has problems, check the following:
- If it is not working, check the power supply at the mains connection socket.
- If the disc wobbles or vibrates, check that the outer flange is tight; verify that the disc is properly seated on the flange plate.
- If there are indications that the disc is damaged, do not use it as the damaged disc may disintegrate, remove it and replace it with a new one. Dispose of old discs properly and responsibly.
- If you work with aluminum or similar, the disc will soon get stuck and will not sand effectively.
Environment
- Do not dispose of electrical appliances as unsorted municipal waste, use separate collection facilities.
- Contact your local authority for information on available collection systems.
- If electrical appliances are disposed of in landfills, hazardous substances can seep into groundwater and enter the food chain, damaging your health and well-being.
- Recycle raw materials instead of disposing of them as waste.
- The machine, accessories and packaging must be classified for environmentally friendly recycling.
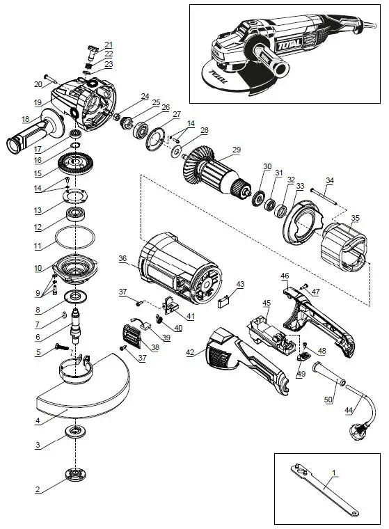
Exploded view




















