
Play
P165C
Play 165mm Component Kit User Manual
P165C Car Speaker System
Thank you for purchasing this Bass Habit product. Please read this manual in order to fully understand how to get the best result from this product and ensure that the advices on how to look after the product and the safety precautions are followed. We hope you enjoy using the product as much as we enjoyed creating it.
SAFETY & WARRANTY
DO NOT EXPOSE THIS PRODUCT TO EXCESSIVE DAMP OR MOISTURE
– Doing so may result in shock or damage to the product.
BEFORE WIRING, DISCONNECT THE CABLE FROM THE POSITIVE BATTERY TERMINAL
– Failure to do so may result in electric shock or injury.
ENSURE GOOD AND CORRECT CONNECTIONS
– Failure to make the correct connections may result in permanent damage to the product.
DO NOT USE ANY FUNCTIONS THAT MAY TAKE YOUR CONCENTRATION AWAY FROM DRIVING YOUR VEHICLE
– Do not setup your amplifier whilst driving. Doing so may result in an accident. For prolonged interaction with the product, make sure that your vehicle is stationary and parked in a safe location.
KEEP THE VOLUME AT A LEVEL SO YOU CAN STILL HEAR OUTSIDE NOISE
– Failure to do this may result in an accident. Bass Habit equipment is capable of producing sound levels that can permanently damage your hearing. Bass Habit recommends caution when listening at a high volume. For safety and enjoyable listening, the sound should be clear without distortion.
CAUTION
Never connect any speaker lead to the car chassi. This can cause severe damage to your car audio setup. Before drilling or cutting any holes, investigate the layout of your vehicle thoroughly. Use caution when working near the fuel/hydraulic lines and electrical wiring.
Observe the correct polarity when wiring. Improper phasing may cause a loss of bass response.
Ensure that no moving parts catch on the speaker or grill (e.g. door handles or window glass inside the door).
WARRANTY
All Bass Habit products carry a full warranty depending on the conditions in the country where it is sold. The warranty is valid from the date of the original receipt as proof of purchase (warranty period differs depending on local warranty laws and policies). Contact your international Bass Habit dealer or distributor concerning specific procedure for your country’s warranty policies.
WHAT IS NOT COVERED
- Damage to product due to improper installation.
- Subsequent damage to other components.
- Damage caused by exposure to moisture, excessive heat, chemical cleaners and/or UV radiation.
- Damage through negligence, miss use, accident or abuse. Repeated returns for the same fault may be considered as abuse.
- Any cost or expense related to the removal and/or abuse. Repeated returns for the same fault may be considered as abuse.
- Damage caused by amplifier clipping or distortion.
- Items repaired or modified by any unauthorized repair facility.
- Return shipping on non-defective items.
- Products returned without a return authorization number.
- Damage to product due to use of sealant.
WARNING
Bass Habit equipment is capable of sound pressure levels that can cause permanent damage to your hearing and those around you. Please use common sense when listening to your audio system and practice safe sound.
INTERNATIONAL TECHNICAL ENQUIRIES
For international technical support please contact the distribution agent for your country.
INSTRUCTIONS
INSTALLATION EXPERIENCE
Installation of Bass Habit speakers may require experience with a variety of mechanical procedures. This manual only provides general installation and operation instructions. If you have any reservations about your installation skills, please contact your local authorized Bass Habit dealer for help.
CHOOSING SPEAKER MOUNTING LOCATIONS
Choosing the correct speaker mounting location will have the greatest effect of the sound quality of the system. There are many different considerations needed when choosing the location(s) that best meet your needs. The location(s) must be large enough for the speakers to fit. Care is needed to ensure that the desired location will not affect either the mechanical or electrical operation of the vehicle.
WARNING! The use of silicone rubber to seal in a speaker will void the warranty. If any sealing is needed in addition to the speaker’s gasket, use caulking cord or vinyl weather strip.
PREPARING FOR INSTALLATION
NOTE! The tools listed below may be required for basic installation:
- An electric drill with bits.
- Saber and jig saw.
- Phillips-head and standard screwdrivers.
- Wire strippers.
- Crimping tool and needle-nose pliers.
- Closed cell weather-stripping (for the speakers), Silicone sealant (for enclosures).
INSTALLATION PRECAUTIONS
NOTE! Proceed only if you are a qualified installer, otherwise let your dealer do it.
- Always wear protective eyewear when using tools.
- Turn off all stereo and other electrical devices before you begin.
- Disconnect the (-) negative lead from your vehicle’s battery.
- Keep the speakers in the package until final installation, and always rest it with the cone facing up.
- Never use force when installing a speaker.
- Locate all fuel lines, brake lines, oil lines and electrical cables when planning your installation.
DOOR MOUNTING
When checking for possible speaker locations in the doors, check the operation of the window and all assemblies. There is also a stabilizer stop bar in between the door and the door jam. This bar prevents the door from opening too far.
INSTALLING THE COMPONENT KIT
- Determine where the speaker will be mounted. Make sure there is a flat area large enough for the speaker to fit properly. An uneven mounting surface can damage the speaker.
- Check to make sure the space you have selected for the speaker will not interfere with vehicle operation.
- If a template is included in the packaging, use the template and mark the hole with a pen.
- Cut the hole for the speaker. A hole can be cut either with a pair of metal tin snips, a saber or jig saw.
- Run speaker wire (not included) to the speaker. Make sure to keep wires away from sharp metal or other rough edges. When passing through metal, use a grommet to protect the wires from sharp edges.
- Pre-drill the mounting holes using a 1/8” (3mm) drill bit.
- Pull the wire through the speaker opening and connect to the speaker. Be sure to observe proper polarity.
- Determine where the tweeter will be mounted. Make sure there is a flat area large enough for the tweeter to fit properly. An uneven mounting surface can damage the tweeter.
- Check to make sure the space you have selected for the tweeter will not interfere with vehicle operation.
- If a template is included in the packaging, use the template and mark the hole with a pen.
- Cut the hole for the tweeter. A hole can be cut either with a pair of metal tin snips, a saber or jig saw.
- Run speaker wire (not included) to the tweeter. Make sure to keep wires away from sharp metal or other rough edges. When passing through metal, use a grommet to protect the wires from sharp edges.
- Pull the wire through the speaker opening and connect to the speaker. Be sure to observe proper polarity.
- Mount the tweeter in the hole by gently pressing the tweeter into position.
WIRING DIAGRAM
Your P165C midwoofer uses a single 4 ohm voice coil. It is important to know the limits of your amplifier to optimize its performance. Follow the wiring diagram below to install your P165C component kit properly.
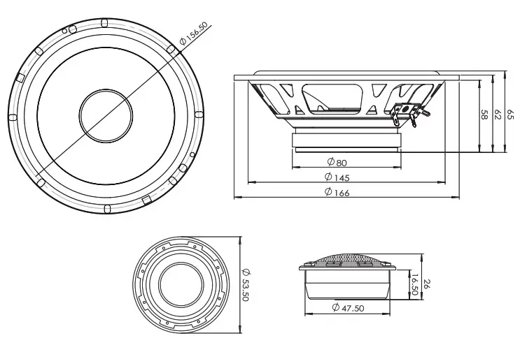
SPECIFICATION P165C
| Component | Component Kit |
| Size | 165mm (6,5″) / 25mm (1″) |
| RMS Power | 60W |
| MAX Power | 120W |
| Nominal Impedance | 4 Ohm |
| D.C Resistance | 3,2 Ohm |
| Freq. Response | 73Hz – 20Khz |
| Sensitivity | 88 dB |
| Frame Material | Steel (WF) / ABS (TW) |
| Cone Material | PP (WF) / PEI (TW) |
| Suspension Material | Rubber (WF) / PEI (TW) |
| Magnet | Ferrite (WF) / Neodymium (TW) |
| Voice Coil Diameter | 25mm (1″) |
| Voice Coil Material | Aluminium |

![]()
The crossed-out wheelie bin symbol means that the product, literature and packaging included must be taken to separate collection at the end of their working life. Do not dispose of these products as unsorted municipal waste: dispose of them at a recycling point. For info on your nearest recycling point, check with your local waste authority.
Products marked with the RoHS symbol complies with the relevant provisions of the RoHS Directive for the European Union. In common with all Electrical and Electronic Equipment (EEE) the product should not be disposed of as household waste. Alternative arrangements may apply in other jurisdictions.
The product with the CE mark indicates that it has passed the corresponding conformity assessment procedure and the manufacturer’s declaration of conformity, and it complies with the relevant EU directives, and is used as a pass for the product to be allowed to enter the European Community market. Relevant directives require industrial products to be affixed with the CE mark. Those that do not have the CE mark shall not be marketed.
Winn Scandinavia AB
Adolfsbergsvagen 6, 702 27 Orebro
Sweden
www.winnscandinavia.com
Winn Scandinavia AB reserves for possible typos, factual or numeric errors that may have been printed on any products, package designs, user manuals and/or other included accessories. Bass Habit is a registered trademark by Winn Scandinavia AB and is protected by relevant laws and jurisdictions such as Copyright and Trademark laws.
















