SHOPEE EN8829A Color Forecast Weather Station

FEAWEATURESTHER STATION
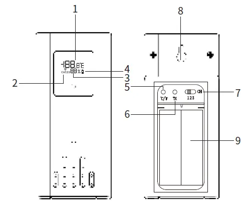
Weather Station Appearance
Part A- LCD Features

- A1 Outdoor
- A2 Sensor Strength
- A3 Outdoor Channel
- A4 Outdoor Temperature
- A5 Temperature Trend
- A6 Outdoor Humidity
- A7 Humidity Trend
- A8 Remote Battery Signal
- A9 Maximum Value
- A10 Minimum Value
Temp Alert


- B1 Outdoor Temperature Alerts (HIGH – LOW – OFF)
- B2 Alert On
- B3 Indoor Temperature Alerts (HIGH – LOW – OFF)

- C1 Indoor
- C2 Indoor Comfort
- C3 Indoor Temperature
- C4 Temperature trend
- C5 Indoor Battery Signal
- C6 Indoor Humidity
- C7 Maximum Value
- C8 Minimum Value

- D1 Weather Forecast
- D2 Barometric Pressure

- E1 Calendar and Moon Phase
- E2 Time or Alarm Time
Part B- Weather Station Back

- USB Charger Output Socket
- Power Supply Socket
- Station Table Stand
- Battery Compartment
Part C – Wireless Outdoor Sensor

- Remote Sensor ‒ Temperature
- Outdoor Channel
- Humidity
- Battery Signal
- “ °C/°F ” Switch Button
- “TX” Reset Button
- 3 Channels Select
- Wall Mount Hole
- Battery Compartment

- B1 SET
- B2 MEM
- B3 ALERTS
- B4 UP
- B5 SNOOZE/LIGHT
- B6 DOWN
| Function Button | Normal Mode | Time Setting | Alarm Setting | Temperature Alert Setting | ||||
| Press | Hold | Press | Hold | Press | Hold | Press | Hold | |
| SET | oSf wTiimtceh oDrisAplalarym | AlaTrmimSeeottring | ConGfiormtoand the Next Step | — | ConGfiormtoand the Next Step | — | oSf wTiimtcehoDrisAplalarmy | — |
| MEM | Vi/eOwutInddoor r Max/Min Data | C/MleianrDMaatax | — | — | — | — | — Turn On Alert | — |
| ALERTS | TemTuprenraOtnu/reOffAlert | TAelemrtpSeerattiunrge | — | — | — | — | Goatnodthe Next Step | TAelmertpSeeratttiunrge |
| UP | 3 Channel Switch | Increase | CoInnctrienausaelly | Increase | CoInnctrienausaelly | TthuernAOlenrt | Increase | |
| SNOOHZTE/LIG | TurnBrOignhatnnedssAdojfust Backlight in DC Mode | S°wC/it°cFh | theTuBranckolnight | — | theTuBranckolnight | — | theTuBrancOklnight | — |
| DOWN | Turn On/Off Alarm | — | Decrease | CDoenctirneuaaselly | Decrease | CDoenctirneuaaselly | tThuernAlOerfft | Decrease |
OPERAINITIALTION
- Plug in the original power cord or insert 3 x AAA batteries observing polarity. All icons on the screen of main unit will light up for 3 seconds, you will hear a beep, and the main unit will begin to detect the indoor temperature and humidity.
- Open the battery compartment of outdoor sensor, choose a channel for out door sensor (1, 2 or 3, and press “ UP” button to set the channel of the main unit match to the outdoor sensor’s), insert 2 x AA batteries observing polarity, then the outdoor sensor will begin to detect the temperature and humidity. The LED light flashes once indicating that the outdoor sensor sends a wireless signal once. After the indoor temperature and humidity detection is completed, the main unit will begin to establish a connection with the outdoor sensor ( note: please keep the channel of the main unit and outdoor sensor consistent). At this time, the RF icon “ ” will appear and flash in the “Outdoor” display area of the main unit.
F.Y. I
- The main unit can be connected to 3 outdoor sensors at the same time, please make sure that the channels of the outdoor sensors are different.
To get a strong signal, we suggest that:- A minimum distance of 8 feet to all sources of interference, such as televisions or computer monitors.
- The reception is weaker in rooms with concrete walls (e.g.: in cellars) and in offices. In such circumstances, place the device close to the window.
BASETTINGCKLIGHT
- When powered by batteries, to save power, the backlight is only on for 10 seconds by pressing “SNOOZE/LIGHT”.
- When plugged in the power cord, press “SNOOZE/LIGHT” to turn on the backlight and adjust the brightness. The sequence is Bright- Slightly Bright – Dim – Off.
CALENDTIME ANDAR SETTING
- Press and hold “SET” button for 3 seconds to enter the time setting operation, press “UP” and “DOWN” buttons to select, press “SET” button once to confirm and go to the next step. The sequence steps are as follows.
- 12/24 Hour
- Format Hour.
- Minute
- Year
- Month
- Date
- Month/Date Format
- Language of Weekday
- Fahrenheit/Celsius
- Barometric Unit
- Weather Forecast
For example, press and hold “SET” button for 3 seconds, the 12/24 Hour Format display begins to flash, press “UP” and “DOWN” buttons to select the mode you prefer, press “SET” button again to confirm and Hour begins to flash.
F.Y. I
- During operation, if no operation is performed within 20 seconds, the device will return to normal mode automatically.
- There are 5 different languages of weekday optional ( EN: ENGLISH; FR: FRENCH; IT: ITALIAN; SP: SPANISH; GE: GERMAN, When SP is selected, the weekday will be in Spanish).
Weekday will adjust when year, month, and date are set. - The station offers 6 forecast icons based on barometric pressure. To speed up device response and measurement time, you can also manually calibrate the current weather icon.
DAILY ALARM AND SNOOZE FUNCTION SETTING
Setting the Daily Alarm
- Short press “SET” button once to switch the display of time or alarm.
- If select Alarm mode, the related “ ” icon is appeared.
- Press and hold “SET” button for 3 seconds, the hour display begins to flash, press “UP” and “DOWN” buttons to set the required hour. Press “SET” button to confirm your setting, the Minute display begins to flash, press “UP” and “DOWN” buttons to set the required minute.
- Press “SET” button to enter the setting of snooze time. The default time is 5 minutes. “05” icon is flashing, short press “UP” or “DOWN” to set from 5 to 60 minutes snooze time.
Swiching ON/OFF the Alarm Signal
- When alarm is setting, there will be “ ” icon on the bottom of display.
- Short press “DOWN” button once to turn on/off alarm.
- When alarm is sounding, the related icon flashes, press “SNOOZE/LIGHT” once, the alarm will be silent and come on again after the setting snooze duration.
- Press any other buttons except the “SNOOZE/LIGHT” one time to stop the alarm and it will sound on the following day. The related icon won’t disappear.
LPHASESUNAR
- The device displays 8 different moon phases according to the calendar. During the new moon, the moon phase screen won’t light up until Waxing Moon.

WEATHER FORECAST
Weather Forecast
- The Station calculates a weather forecast for the next 6 -12 hours based on the barometric pressure trend, NOT the current weather.
- Of course this forecast can not compare to that of professional weather services supported by satellites and high performace com-puters, but merely provides an approximate indication of current developments. Please give priority to the weather forecast of the local weather forecast service.
- The weather station displays the following weather symbols:

- It usually takes about 7 to 10 days for barometric calibration as it will ensure an accurate forecast for your location. When using the device for the first time, please wait a few days to correct the weather forecast. To speed up device response and measurement time, you can also manually calibrate the current weather icon.
F.Y. I
- The flashing clouds indicate that the system is operating normally, not that the product is malfunctioning.
- The snowy weather forecast icon only appears when the outside temperature is -4 ℃ / 24.8℉.
Barometric Pressure Display
- Press and hold “SET” button for 3 seconds to set Time, Calendar and Barometric unit. Press “UP” and “DOWN” buttons to set the baro-metric unit to display in the “hPa/mb” or “inHg”.
- Press “SET” to confirm your setting, the weather symbol begins to flash, press “UP” and “DOWN” buttons to choose the current weath-er symbol.
- Press “SET” button to confirm your setting and return to normal mode.
- Barometric values are related to the temperature and humidity of the environment and cannot be modified manually.
TEMPERAHUMIDITY AND COMFORTURE, T DISPLAY
℃ or ℉ Temperature Display
- Press and hold “SNOOZE/LIGHT” button for 3 seconds to change the temperature unit to °C or °F.
- Or you can set the temperature unit in advance when setting the time.
Current Temperature and Temperature Trend Display
- The temperature continued to rise more than 1℃/1.8℉ within 1 hour.
- The cumulative value of the temperature rising or falling continuously does not exceed 1℃/1.8℉ within 1 hour.
- The temperature continues to drop more than 1℃/1.8℉ within 1 hour.
Current Humidity and Humidity Trend Display
- The humidity continued to rise more than 5% within 1 hour.
- The cumulative value of the humidity rising or falling continuously does not exceed 5% within 1 hour.
- The humidity continues to drop more than 5% within 1 hour.
Indoor Comfort Display

Maximum/Minimum Temperature and Humidity
- To view indoor & outdoor maximum & minimum temperature and humidity data in the past 24 hours, press the “MEM” button.
- Press once to show the maximum data
- Press twice to show the minimum data
- Press and hold “MEM” button for 3 seconds to clear and re-record the maximum and minimum temperature and humidity.
Temperature Alert Settings
- Before entering the settings, you must select the remote channel, different channels can set different temperature alarm ranges.
- First you will arm the alert you wish to set, then you set the alert value. If an alert is not armed (OFF), you will skip that alert value and move to arm the next alert.
- Short press “ALERTS” button to select the alert, the icon (HI-LO-OFF) is flashing.
- Alert setting order: Outdoor HIGH Temperature (HI)– Outdoor
LOW Temperature (LO)– Indoor HIGH Temperature (HI)–Indoor LOW Temperature(LO). - After selecting, press “UP” to arm ( icon is appeared) the alert if you wish to set it and press “DOWN” to turn off the alert (leave alert OFF to skip and move to next alert).
- When the alert is armed (ON) press and hold the “ALERTS” button to move to the alert value (The value is flashing).
- Press “UP” or “DOWN” buttons to adjust the alert values.
- Press the “ALERTS” button to confirm & move to the next alert.


Activating and Deactivating Temperature Alert
- When the current temperature exceeds the set HIGH&LOW tempera-ture range, the alert alarm will be activated and sound for 5 seconds, at the same time, the temperature value and alarm upper limit icon “HI” or lower limit icon “LO” will be flash.
- Press any button to stop the alarm, the alarm will be silent and come on again if still exceeds the temperature range.
Outdoor Sensor Transmission
- When the batteries are installed in the remote sensor, the main unit will automatically connect to it.
- The main unit can connect up to 3 remote sensors at the same time, please make sure that the channels of the remote sensors are differ-ent.
“UP” button in the main unit is the channel select button, keep press “UP” button, the screen displays CH1, CH2, CH3, CYCLE mode ( there is a cycle symbol “ ” displayed next to CH, at this time, the screen will cyclically display the readings of CH1, CH2 and CH3 every 5 seconds), press “UP” button again to back to CH1. - Press and hold “UP” button for 3 seconds to manually connect the remote sensor, in the meantime, press the “TX” button of remote sensor to speed up connection.
F.Y. I
- When a channel is not connected to the remote sensor, the readings of this channel will display “—”.
- Please make the main unit stay in the same channel with remote sensor.
USBCHARGER
- When you use USB charger to charge the electronic device, please make sure weather station is powerd by orignal power cord, DO NOT use batteries only.
LOBAWTTERY
- If the battery icon “ ” appears, the batteries in the remote sensor and main unit should be replaced as soon as possible.
- The battery icon “ ” represent of full of electricity.
PRSPECIFICAODUCT TION
- Screen size: 5.9 inches
- Indoor temperature measurement range: -4°F (-20°C) to 158°F (70°C) Outdoor temperature measurement range: -40°F (-40°C) to 158°F
(70°C) - Temperature unit: °F or °C
- Indoor & Outdoor humidity measurable range: 20%RH ~ 95%RH Barometric pressure measurement range: 850hPa/mb(25.1 inHg) to 1100hPa/mb(32.48 inHg)
- Remote receiving range: 200 feet (60 meters) transmission range in an open area
- Power supply
- Main unit: 3 x AAA or Power Adaptor
- Remote sensor: 2 x AA
- Temperature and humidity detection cycle
- Remote sensor update time: CH1: 50S, CH2: 53S, CH3: 56S
- The default setting of the temperature alert
- The upper limit of outdoor: 158℉/70℃
- The lower limit of outdoor: -40℉/-40℃
- The upper limit of indoor: 158℉/70℃
- The lower limit of indoor: -4℉/-20℃
SAFETY
- This device is not intended for use by persons (including children under 8 years of age) with reduced physical, sensory or mental capabilities, or lack of experience and knowledge unless they have been given supervision or instruction by the person responsible for their safety.
- The weather station is a battery-operated product. If a battery is swallowed accidentally, seek medical assistance immediately.
RISK OF EQUIPMENT DAMAGE
- If necessary, clean the battery and device contacts before inserting the battery.
- Remove drained batteries from the product as soon as possible .
- Please do not make any changes to this item. Repairs are only allowed in professional repair shops. Incorrect maintenance will seriously endanger user safety.
FCC STATEMENT
This equipment has been tested and found to comply with the limits for a Class B digital device, pursuant to part 15 of the FCC Rules. These limits are designed to provide reasonable protection against harmful interference in a residential installation. This equipment generates, uses and can radiate radio frequency energy, and if not installed and used in accordance with the instructions, may cause harmful interference to radio communications.
However, there is no guarantee that interference will not occur in a particular installation. If this equipment does cause harmful inter-ference to radio or television reception, which can be determined by turning the equipment off and on, the user is encouraged to try to correct the interference by one or more of the following measures:
- Reorient or relocate the receiving antenna.
- Increase the separation between the equipment and receiver.
- Connect the equipment into an outlet on a circuit different from that to which the receiver is connected.
- Consult the dealer or an experienced radio/TV technician for help.
This device must not be co-located or operating in conjunction with any other antenna or transmitter.
Operation is subject to the following two conditions:
- This device may not cause harmful interference, and
- This device must accept any interference received, including interference that may cause undesired operation.




















