FAMOUS TECHNOLOGY CO., LTD.
MP-6DBX
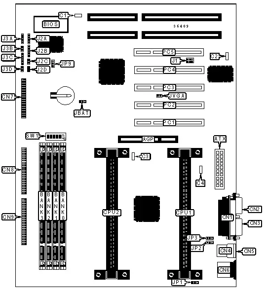
MP-6DBX Mainboard
| Device Type | Mainboard |
| Processor | Pentium II/Celeron |
| Processor Speed | 233/266/333/300/350/400/450/500MHz |
| Chip Set | Intel 440BX |
| Maximum Onboard Memory | 1GB (SDRAM & PC100 supported) |
| Cache | 0/128/256/512KB (located on the CPU) |
| BIOS | Award |
| Dimensions | 305mm x 245mm |
| I/O Options | 32-bit PCI slots (5), floppy drive interface, green PC connector, IDE interfaces (2), parallel port, PS/2 mouse port, serial ports (2), IR connector, USB connectors (2), ATX power connector, AGP slot, SB-link connector, wake on LAN connector |

| CONNECTIONS | |||
| Purpose | Location | Purpose | Location |
| AGP slot | AGP | IDE interface 1 | CN8 |
| ATX power connector | ATX | IDE interface 2 | CN9 |
| Power fan power | C1 | IDE interface LED | J2A |
| Wake on LAN connector | C2 | IR connector | J2B |
| Chassis fan power | C3 | Soft off power supply | J2C |
| CPU fan power | C4 | Green PC connector | J2D |
| Parallel port | CN1 | Speaker | J3A |
| Serial port 2 | CN2 | Reset switch | J3B |
| Serial port 1 | CN3 | Power LED & keylock | J3C |
| USB connector 1 | CN4 | Green PC LED | J3D |
| USB connector 2 | CN5 | SB-link connector | J1 |
| PS/2 mouse port | CN6 | 32-bit PCI slots | PC1 – PC5 |
| Floppy drive interface | CN7 | ||
USER CONFIGURABLE SETTINGS | |||
Function | Label | Position | |
| » | CMOS memory normal operation | JBAT | Pins 1 & 2 closed |
| CMOS memory clear | JBAT | Pins 2 & 3 closed | |
| » | Keyboard power on disabled | JP1 | Pins 1 & 2 closed |
| Keyboard power on enabled | JP1 | Pins 2 & 3 closed | |
| » | Power lost normal operation | JP9 | Pins 1 & 2 closed |
| Power lost enabled | JP9 | Pins 2 & 3 closed | |
| » | Normal VGA card installed | JVGA | Closed |
| Special VGA card installed | JVGA | Open | |
DIMM CONFIGURATION
| Size | Bank 0 | Bank 1 | Bank 2 | Bank 3 |
| 8MB | (1) 1M x 64 | None | None | None |
| 16MB | (1) 2M x 64 | None | None | None |
| 16MB | (1) 1M x 64 | (1) 1M x 64 | None | None |
| 24MB | (1) 2M x 64 | (1) 1M x 64 | None | None |
| 24MB | (1) 1M x 64 | (1) 1M x 64 | (1) 1M x 64 | None |
| 32MB | (1) 4M x 64 | None | None | None |
| 32MB | (1) 2M x 64 | (1) 2M x 64 | None | None |
| 32MB | (1) 1M x 64 | (1) 1M x 64 | (1) 1M x 64 | (1) 1M x 64 |
| 40MB | (1) 4M x 64 | (1) 1M x 64 | None | None |
| 48MB | (1) 4M x 64 | (1) 2M x 64 | None | None |
| 48MB | (1) 2M x 64 | (1) 2M x 64 | (1) 2M x 64 | None |
| 64MB | (1) 2M x 64 | (1) 2M x 64 | (1) 2M x 64 | (1) 2M x 64 |
| 64MB | (1) 8M x 64 | None | None | None |
| 64MB | (1) 4M x 64 | (1) 4M x 64 | None | None |
| 72MB | (1) 8M x 64 | (1) 1M x 64 | None | None |
| 80MB | (1) 8M x 64 | (1) 2M x 64 | None | None |
| 96MB | (1) 8M x 64 | (1) 4M x 64 | None | None |
| 96MB | (1) 4M x 64 | (1) 4M x 64 | (1) 4M x 64 | None |
| 128MB | (1) 16M x 64 | None | None | None |
| 128MB | (1) 8M x 64 | (1) 8M x 64 | None | None |
| 128MB | (1) 4M x 64 | (1) 4M x 64 | (1) 4M x 64 | (1) 4M x 64 |
| 136MB | (1) 16M x 64 | (1) 1M x 64 | None | None |
| 144MB | (1) 16M x 64 | (1) 2M x 64 | None | None |
| 176MB | (1) 16M x 64 | (1) 2M x 64 | (1) 2M x 64 | (1) 2M x 64 |
| 192MB | (1) 16M x 64 | (1) 8M x 64 | None | None |
| 192MB | (1) 8M x 64 | (1) 8M x 64 | (1) 8M x 64 | None |
| 256MB | (1) 32M x 64 | None | None | None |
| 256MB | (1) 16M x 64 | (1) 16M x 64 | None | None |
| 256MB | (1) 8M x 64 | (1) 8M x 64 | (1) 8M x 64 | (1) 8M x 64 |
| 272MB | (1) 16M x 64 | (1) 16M x 64 | (1) 1M x 64 | (1) 1M x 64 |
| 280MB | (1) 32M x 64 | (1) 1M x 64 | (1) 1M x 64 | (1) 1M x 64 |
| 288MB | (1) 16M x 64 | (1) 16M x 64 | (1) 2M x 64 | (1) 2M x 64 |
| 320MB | (1) 16M x 64 | (1) 16M x 64 | (1) 4M x 64 | (1) 4M x 64 |
| 384MB | (1) 16M x 64 | (1) 16M x 64 | (1) 16M x 64 | None |
| 448MB | (1) 32M x 64 | (1) 8M x 64 | (1) 8M x 64 | (1) 8M x 64 |
| 512MB | (1) 32M x 64 | (1) 32M x 64 | None | None |
| 512MB | (1) 16M x 64 | (1) 16M x 64 | (1) 16M x 64 | (1) 16M x 64 |
| 640MB | (1) 32M x 64 | (1) 16M x 64 | (1) 16M x 64 | (1) 16M x 64 |
| 768MB | (1) 32M x 64 | (1) 32M x 64 | (1) 32M x 64 | None |
| 1024MB | (1) 32M x 64 | (1) 32M x 64 | (1) 32M x 64 | (1) 32M x 64 |
| Note: Board accepts SDRAM & PC100 memory. | ||||
| 272MB | (1) 16M x 64 | (1) 16M x 64 | (1) 1M x 64 | (1) 1M x 64 |
| 280MB | (1) 32M x 64 | (1) 1M x 64 | (1) 1M x 64 | (1) 1M x 64 |
| 288MB | (1) 16M x 64 | (1) 16M x 64 | (1) 2M x 64 | (1) 2M x 64 |
| 320MB | (1) 16M x 64 | (1) 16M x 64 | (1) 4M x 64 | (1) 4M x 64 |
| 384MB | (1) 16M x 64 | (1) 16M x 64 | (1) 16M x 64 | None |
| 448MB | (1) 32M x 64 | (1) 8M x 64 | (1) 8M x 64 | (1) 8M x 64 |
| 512MB | (1) 32M x 64 | (1) 32M x 64 | None | None |
| 512MB | (1) 16M x 64 | (1) 16M x 64 | (1) 16M x 64 | (1) 16M x 64 |
| 640MB | (1) 32M x 64 | (1) 16M x 64 | (1) 16M x 64 | (1) 16M x 64 |
| 768MB | (1) 32M x 64 | (1) 32M x 64 | (1) 32M x 64 | None |
| 1024MB | (1) 32M x 64 | (1) 32M x 64 | (1) 32M x 64 | (1) 32M x 64 |
| Note: Board accepts SDRAM & PC100 memory. | ||||
CACHE CONFIGURATION
Note: 256KB/512KB cache is located on the Pentium II CPU. 128KB cache is located on the Celeron 300A & 333 CPU.
CPU SPEED SELECTION (PENTIUM II) | ||||||||
| CPU speed | Clock speed | Multiplier | SW1/1 | SW1/2 | SW1/3 | SW1/4 | SW1/5 | SW1/6 |
| 233MHz | 66MHz | 3.5x | On | Off | Off | On | Off | On |
| 266MHz | 66MHz | 4x | Off | On | On | On | Off | On |
| 300MHz | 66MHz | 4.5x | Off | On | Off | On | Off | On |
| 333MHz | 66MHz | 5x | Off | Off | On | On | Off | On |
CPU SPEED SELECTION (CELERON)
| CPU speed | Clock speed | Multiplier | SW1/1 | SW1/2 | SW1/3 | SW1/4 | SW1/5 | SW1/6 |
| 350MHz | 100MHz | 3.5x | On | Off | Off | On | Off | On |
| 400MHz | 100MHz | 4x | Off | On | On | On | Off | On |
| 450MHz | 100MHz | 4.5x | Off | On | Off | On | Off | On |
| 500MHz | 100MHz | 5x | Off | Off | On | On | Off | On |
USB SELECTION
| Setting | JP2 | JP3 | |
| » | Redirect all USB ports to USB connector | Pins 1 & 2 closed | Pins 1 & 2 closed |
| Redirect USB1 to AGP port | Pins 2 & 3 closed | Pins 2 & 3 closed | |




















