GIGABYTE A520M K V2 Motherboard

For more product details, please visit GIGABYTE’s website.
https://www.gigabyte.com/Motherboard/A520M-K-rev-10?m=ma#kf
https://www.gigabyte.com/Motherboard/A520M-K-V2-rev-10?m=ma#kf
GIGABYTE will reduce paper use in order to fulfill the responsibilities of a global citizen. Also, to reduce the impacts on global warming, the packaging materials of this product are recyclable and reusable. GIGABYTE works with you to protect the environment.
Copyright
© 2023 GIGA-BYTE TECHNOLOGY CO., LTD. All rights reserved.
The trademarks mentioned in this manual are legally registered to their respective owners.
Disclaimer
Information in this manual is protected by copyright laws and is the property of GIGABYTE. Changes to the specifications and features in this manual may be made by GIGABYTE without prior notice. No part of this manual may be reproduced, copied, translated, transmitted, or published in any form or by any means without GIGABYTE’s prior written permission.
- For detailed product information, carefully read the User’s Manual.
- For quick set-up of the product, refer to the Quick Installation Guide on GIGABYTE’s website.
https://download.gigabyte.com/FileList/Manual/mb_manual_installation-guide_103.pdf?m=sw
For product-related information, check on our website at: https://www.gigabyte.com
Identifying Your Motherboard Revision
The revision number on your motherboard looks like this: “REV: X.X.” For example, “REV: 1.0” means the revision of the motherboard is 1.0. Check your motherboard revision before updating motherboard BIOS, drivers, or when looking for technical information.
Example:
Product Introduction
Motherboard Layout

Box Contents
- A520M K or A520M K V2 motherboard
- User’s Manual
- One SATA cable
- I/O Shield
- The box contents above are for reference only and the actual items shall depend on the product package you obtain. The box contents are subject to change without notice.
Hardware Installation
Installation Precautions
The motherboard contains numerous delicate electronic circuits and components which can become damaged as a result of electrostatic discharge (ESD). Prior to installation, carefully read the user’s manual and follow these procedures:
- Prior to installation, make sure the chassis is suitable for the motherboard.
- Prior to installation, do not remove or break motherboard S/N (Serial Number) sticker or warranty sticker provided by your dealer. These stickers are required for warranty validation.
- Always remove the AC power by unplugging the power cord from the power outlet before installing or removing the motherboard or other hardware components.
- When connecting hardware components to the internal connectors on the motherboard, make sure they are connected tightly and securely.
- When handling the motherboard, avoid touching any metal leads or connectors.
- It is best to wear an electrostatic discharge (ESD) wrist strap when handling electronic components such as a motherboard, CPU or memory. If you do not have an ESD wrist strap, keep your hands dry and first touch a metal object to eliminate static electricity.
- Prior to installing the motherboard, please have it on top of an antistatic pad or within an electrostatic shielding container.
- Before connecting or unplugging the power supply cable from the motherboard, make sure the power supply has been turned off.
- Before turning on the power, make sure the power supply voltage has been set according to the local voltage standard.
- Before using the product, please verify that all cables and power connectors of your hardware components are connected.
- To prevent damage to the motherboard, do not allow screws to come in contact with the motherboard circuit or its components.
- Make sure there are no leftover screws or metal components placed on the motherboard or within the computer casing.
- Do not place the computer system on an uneven surface.
- Do not place the computer system in a high-temperature or wet environment.
- Turning on the computer power during the installation process can lead to damage to system components as well as physical harm to the user.
- If you are uncertain about any installation steps or have a problem related to the use of the product, please consult a certified computer technician.
- If you use an adapter, extension power cable, or power strip, ensure to consult with its installation and/or grounding instructions.
Product Specifications
| CPU |
AMD Ryzen™ 5000 G-Series Processors/ |
| Chipset |
|
| Memory |
(Go to GIGABYTE’s website for the latest supported memory speeds and memory modules.) |
| Onboard Graphics |
|
| Audio |
|
| LAN |
|
| Expansion Slots |
|
| Storage Interface |
|
| USB |
|
| Internal Connectors |
|
| Back Panel Connectors |
|
| I/O Controller |
|
| Hardware Monitor |
|
| BIOS |
|
| Unique Features |
|
| Bundled Software |
|
| Operating System |
|
| Form Factor |
|
- GIGABYTE reserves the right to make any changes to the product specifications and product-related information without prior notice.
- Please visit GIGABYTE’s website for support lists of CPU, memory modules, SSDs, and M.2 devices.
https://www.gigabyte.com/Motherboard/A520M-K-rev-10?m=dl#support-dl
https://www.gigabyte.com/Motherboard/A520M-K-V2-rev-10?m=dl#support-dl
- Please visit the SERVICE/SUPPORT\Utility page on GIGABYTE’s website to download the latest version of apps.
https://www.gigabyte.com/Motherboard/A520M-K-V2-rev-10?m=dl#support-dl
Installing the CPU
Read the following guidelines before you begin to install the CPU:
- Make sure that the motherboard supports the CPU.
(Go to GIGABYTE’s website for the latest CPU support list.) - Always turn off the computer and unplug the power cord from the power outlet before installing the CPU to prevent hardware damage.
- Locate the pin one of the CPU. The CPU cannot be inserted if oriented incorrectly.
- Apply an even and thin layer of thermal grease on the surface of the CPU.
- Do not turn on the computer if the CPU cooler is not installed, otherwise overheating and damage of the CPU may occur.
- Set the CPU host frequency in accordance with the CPU specifications. It is not recommended that the system bus frequency be set beyond hardware specifications since it does not meet the standard requirements for the peripherals. If you wish to set the frequency beyond the standard specifications, please do so according to your hardware specifications including the CPU, graphics card, memory, hard drive, etc.
Installing the CPU
Completely lift up the CPU socket locking lever. Locate the pin one (denoted by a small triangle) of the CPU socket and the CPU. Once the CPU is positioned into its socket, place one finger down on the middle of the CPU, lowering the locking lever and latching it into the fully locked position.
Do not force the CPU into the CPU socket before the CPU socket locking lever is lifted up, or damage to the CPU and CPU socket may occur.
- Please visit GIGABYTE’s website for details on hardware installation.
http://www.gigabyte.com/WebPage/210/quick-guide.html?m=sw
Installing the Memory
Read the following guidelines before you begin to install the memory:
- Make sure that the motherboard supports the memory. It is recommended that memory of the same capacity, brand, speed, and chips be used. (Go to GIGABYTE’s website for the latest supported memory speeds and memory modules.)
- Always turn off the computer and unplug the power cord from the power outlet before installing the memory to prevent hardware damage.
- Memory modules have a foolproof design. A memory module can be installed in only one direction. If you are unable to insert the memory, switch the direction.
Dual Channel Memory Configuration
This motherboard provides two memory sockets and supports Dual Channel Technology. After the memory is installed, the BIOS will automatically detect the specifications and capacity of the memory. Enabling Dual Channel memory mode will double the original memory bandwidth.
The two DDR4 memory sockets are divided into two channels and each channel has one memory socket as following:
- Channel A: DDR4_A1
- Channel B: DDR4_B1
Due to CPU limitations, read the following guidelines before installing the memory in Dual Channel mode.
- Dual Channel mode cannot be enabled if only one memory module is installed.
- When enabling Dual Channel mode with two memory modules, it is recommended that memory of the same capacity, brand, speed, and chips be used.

- When installing a single memory module, we recommend that you install it in the DDR4_B1 socket.
Installing an Expansion Card
Read the following guidelines before you begin to install an expansion card:
- Make sure the motherboard supports the expansion card. Carefully read the manual that came with your expansion card.
- Always turn off the computer and unplug the power cord from the power outlet before installing an expansion card to prevent hardware damage.
Follow the steps below to correctly install your expansion card in the expansion slot
- Locate an expansion slot that supports your card. Remove the metal slot cover from the chassis back panel.
- Align the card with the slot, and press down on the card until it is fully seated in the slot.
- Make sure that the expansion card is fully seated in its slot.
- Secure the card’s metal bracket to the chassis back panel with a screw.
- After installing all expansion cards, replace the chassis cover(s).
- Turn on your computer. If necessary, go to BIOS Setup to make any required BIOS changes for your expansion card(s).
- Install the driver provided with the expansion card in your operating system.

Back Panel Connectors
USB 2.0/1.1 Port
The USB port supports the USB 2.0/1.1 specification. Use this port for USB devices.- PS/2 Keyboard/Mouse Port
Use this port to connect a PS/2 mouse or keyboard. - D-Sub Port (Note 1)(Note 2)
The D-Sub port supports a 15-pin D-Sub connector and supports a maximum resolution of 1920×1200@60 Hz (the actual resolutions supported depend on the monitor being used). Connect a monitor that supports D-Sub connection to this port. - HDMI Port (Note 1)
The HDMI port is HDCP compliant and supports Dolby True HD and DTS HD Master Audio formats. It also supports up to 192KHz/24bit 7.1-channel LPCM audio output. You can use this port to connect your HDMI-supported monitor. The maximum supported resolution is 4096×2160@60 Hz, but the actual resolutions supported are dependent on the monitor being used. - After installing the HDMI device, make sure to set the default sound playback device to HDMI. (The item name may differ depending on your operating system.)
- USB 3.2 Gen 1 Port
The USB 3.2 Gen 1 port supports the USB 3.2 Gen 1 specification and is compatible to the USB 2.0 specification. Use this port for USB devices. - RJ-45 LAN Port
The Gigabit Ethernet LAN port provides Internet connection at up to 1 Gbps data rate. The following describes the states of the LAN port LEDs.
Speed LED:
| State | Description |
| Orange | 1 Gbps data rate |
| Green | 100 Mbps data rate |
| Off | 10 Mbps data rate |
Activity LED:
| State | Description |
| Blinking | Data transmission or receiving is occurring |
| Off | No data transmission or receiving is occurring |
- For AMD Ryzen™ 5000 G-Series/4000 G-Series Processors only.
- Only for A520M K V2.
- When removing the cable connected to a back panel connector, first remove the cable from your device and then remove it from the motherboard.
- When removing the cable, pull it straight out from the connector. Do not rock it side to side to prevent an electrical short inside the cable connector.
- Line In/Rear Speaker Out (Blue)
The line in jack. Use this audio jack for line in devices such as an optical drive, walk man, etc. Line Out/Front Speaker Out (Green) - The line out jack.
- Mic In/Center/Subwoofer Speaker Out (Pink)
The Mic in jack.
Audio Jack Configurations:
| Jack | Headphone/ 2-channel | 4-channel | 5.1-channel | 7.1-channel |
| Line In/Rear Speaker Out | ||||
| Line Out/Front Speaker Out | ||||
| Mic In/Center/Subwoofer Speaker Out | ||||
| Front Panel Line Out/Side Speaker Out |
You can change the functionality of an audio jack using the audio software. To configure 7.1-channel audio, access the audio software for audio settings.
- Please visit GIGABYTE’s website for details on configuring the audio software.
https://www.gigabyte.com/WebPage/697/realtek897-audio.html
Internal Connectors

| 1) | ATX_12V | 9) | SPEAKER |
| 2) | ATX | 10) | F_U32 |
| 3) | CPU_FAN | 11) | F_USB1/F_USB2 |
| 4) | SYS_FAN1 | 12) | TPM |
| 5) | SATA3 0/1/2/3 | 13) | BAT |
| 6) | M2A_CPU | 14) | CI |
| 7) | F_PANEL | 15) | CLR_CMOS |
| 8) | F_AUDIO |
Read the following guidelines before connecting external devices:
- First make sure your devices are compliant with the connectors you wish to connect.
- Before installing the devices, be sure to turn off the devices and your computer. Unplug the power cord from the power outlet to prevent damage to the devices.
- After installing the device and before turning on the computer, make sure the device cable has been securely attached to the connector on the motherboard.
1/2) ATX_12V/ATX (2×4 12V Power Connector and 2×12 Main Power Connector)
With the use of the power connector, the power supply can supply enough stable power to all the components on the motherboard. Before connecting the power connector, first make sure the power supply is turned off and all devices are properly installed. The power connector possesses a foolproof design. Connect the power supply cable to the power connector in the correct orientation. The 12V power connector mainly supplies power to the CPU. If the 12V power connector is not connected, the computer will not start.
- To meet expansion requirements, it is recommended that a power supply that can withstand high power consumption be used (500W or greater). If a power supply is used that does not provide the required power, the result can lead to an unstable or unbootable system

ATX_12V:
| Pin No. | Definition |
| 1 | GND (Only for 2×4-pin 12V) |
| 2 | GND (Only for 2×4-pin 12V) |
| 3 | GND |
| 4 | GND |
| 5 | +12V (Only for 2×4-pin 12V) |
| 6 | +12V (Only for 2×4-pin 12V) |
| 7 | +12V |
| 8 | +12V |
ATX:
| Pin No. | Definition | Pin No. | Definition |
| 1 | 3.3V | 13 | 3.3V |
| 2 | 3.3V | 14 | -12V |
| 3 | GND | 15 | GND |
| 4 | +5V | 16 | PS_ON (soft On/Off) |
| 5 | GND | 17 | GND |
| 6 | +5V | 18 | GND |
| 7 | GND | 19 | GND |
| 8 | Power Good | 20 | NC |
| 9 | 5VSB (stand by +5V) | 21 | +5V |
| 10 | +12V | 22 | +5V |
| 11 | +12V (Only for 2×12-pin ATX) | 23 | +5V (Only for 2×12-pin ATX) |
| 12 | 3.3V (Only for 2×12-pin ATX) | 24 | GND (Only for 2×12-pin ATX) |
3/4) CPU_FAN/SYS_FAN1 (Fan Headers)
All fan headers on this motherboard are 4-pin. Most fan headers possess a foolproof insertion design. When connecting a fan cable, be sure to connect it in the correct orientation (the black connector wire is the ground wire). The motherboard supports CPU fan speed control, which requires the use of a CPU fan with fan speed control design. For optimum heat dissipation, it is recommended that a system fan be installed inside the chassis.
| Pin No. | Definition |
| 1 | GND |
| 2 | Voltage Speed Control |
| 3 | Sense |
| 4 | PWM Speed Control |
- Be sure to connect fan cables to the fan headers to prevent your CPU and system from Overheating may result in damage to the CPU or the system may hang.
- These fan headers are not configuration jumper blocks. Do not place a jumper cap on the headers
SATA3 0/1/2/3 (SATA 6Gb/s Connectors)
The SATA connectors conform to SATA 6Gb/s standard and are compatible with SATA 3Gb/s and SATA 1.5Gb/s standard. Each SATA connector supports a single SATA device. The SATA connectors support RAID 0, RAID 1, and RAID 10. Please navigate to the “Configuring a RAID Set” page of GIGABYTE’s website for instructions on configuring a RAID array.
| Pin No. | Definition |
| 1 | GND |
| 2 | TXP |
| 3 | TXN |
| 4 | GND |
| 5 | RXN |
| 6 | RXP |
| 7 | GND |
M2A_CPU (M.2 Socket 3 Connector)
The M.2 connector supports M.2 SATA SSDs or M.2 PCIe SSDs and support RAID configuration. Please note that an M.2 PCIe SSD cannot be used to create a RAID set with a SATA hard drive. Please navigate to the “Configuring a RAID Set” page of GIGABYTE’s website for instructions on configuring a RAID array.

Follow the steps below to correctly install an M.2 SSD in the M.2 connector.
Step 1:
Pull the clip’s tab up and out of the mounting hole. Slide the M.2 SSD into the connector at an angle.
Step 2:
Press the M.2 SSD down and then secure it by pressing the clip’s tab into the mounting hole.
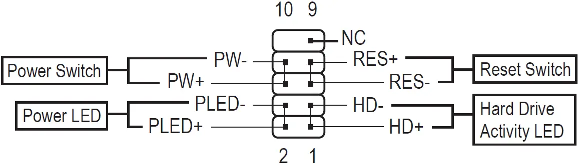
F_PANEL (Front Panel Header)
Connect the power switch, reset switch, and system status indicator on the chassis to this header according to the pin assignments below. Note the positive and negative pins before connecting the cables.
PLED (Power LED):
| System Status | LED |
| S0 | On |
| S3/S4/S5 | Off |
Connects to the power status indicator on the chassis front panel. The LED is on when the system is operating. The LED is off when the system is in S3/ S4 sleep state or powered off (S5).
- PW (Power Switch):
Connects to the power switch on the chassis front panel. You may configure the way to turn off your system using the power switch (please navigate to the “BIOS Setup,” “Settings\Platform Power,” page of GIGABYTE’s website for more information). - HD (Hard Drive Activity LED):
Connects to the hard drive activity LED on the chassis front panel. The LED is on when the hard drive is reading or writing data. - RES (Reset Switch):
Connects to the reset switch on the chassis front panel. Press the if the computer freezes and fails to perform a normal restart. - NC: No connection.
- The front panel design may differ by chassis. A front panel module mainly consists of power switch, reset switch, power LED, hard drive activity LED and etc. When connecting your chassis front panel module to this header, make sure the wire assignments and the pin assignments are matched correctly.
F_AUDIO (Front Panel Audio Header)
The front panel audio header supports High Definition audio (HD). You may connect your chassis front panel audio module to this header. Make sure the wire assignments of the module connector match the pin assignments of the motherboard header. Incorrect connection between the module connector and the motherboard header will make the device unable to work or even damage it.
| Pin No. | Definition |
| 1 | MIC L |
| 2 | GND |
| 3 | MIC R |
| 4 | NC |
| 5 | Head Phone R |
| 6 | MIC Detection |
| 7 | SENSE_SEND |
| 8 | No Pin |
| 9 | Head Phone L |
| 10 | Head Phone Detection |
Some chassis provide a front panel audio module that has separated connectors on each wire instead of a single plug. For information about connecting the front panel audio module that has different wire assignments, please contact the chassis manufacturer
SPEAKER (Speaker Header)
Connects to the speaker on the chassis front panel. The system reports system startup status by issuing a beep code. One single short beep will be heard if no problem is detected at system startup.
| Pin No. | Definition |
| 1 | VCC |
| 2 | NC |
| 3 | NC |
| 4 | SPK- |
F_U32 (USB 3.2 Gen 1 Header)
The header conforms to USB 3.2 Gen 1 and USB 2.0 specification and can provide two USB ports. For purchasing the optional 3.5″ front panel that provides two USB 3.2 Gen 1 ports, please contact the local dealer.


| Pin No. | Definition | Pin No. | Definition |
| 1 | VBUS | 11 | D2+ |
| 2 | SSRX1- | 12 | D2- |
| 3 | SSRX1+ | 13 | GND |
| 4 | GND | 14 | SSTX2+ |
| 5 | SSTX1- | 15 | SSTX2- |
| 6 | SSTX1+ | 16 | GND |
| 7 | GND | 17 | SSRX2+ |
| 8 | D1- | 18 | SSRX2- |
| 9 | D1+ | 19 | VBUS |
| 10 | NC | 20 | No Pin |
F_USB1/F_USB2 (USB 2.0/1.1 Headers)
The headers conform to USB 2.0/1.1 specification. Each USB header can provide two USB ports via an optional USB bracket. For purchasing the optional USB bracket, please contact the local dealer.


| Pin No. | Definition | Pin No. | Definition |
| 1 | Power (5V) | 6 | USB DY+ |
| 2 | Power (5V) | 7 | GND |
| 3 | USB DX- | 8 | GND |
| 4 | USB DY- | 9 | No Pin |
| 5 | USB DX+ | 10 | NC |
Prior to installing the USB bracket, be sure to turn off your computer and unplug the power cord from the power outlet to prevent damage to the USB bracket.
TPM (Trusted Platform Module Header)
You may connect a TPM (Trusted Platform Module) to this header.


| Pin No. | Definition | Pin No. | Definition |
| 1 | LAD0 | 7 | LAD3 |
| 2 | VCC3 | 8 | GND |
| 3 | LAD1 | 9 | LFRAME |
| 4 | No Pin | 10 | NC |
| 5 | LAD2 | 11 | SERIRQ |
| 6 | LCLK | 12 | LRESET |
BAT (Battery)
The battery provides power to keep the values (such as BIOS configurations, date, and time information) in the CMOS when the computer is turned off. Replace the battery when the battery voltage drops to a low level, or the CMOS values may not be accurate or may be lost.


You may clear the CMOS values by removing the battery
- Turn off your computer and unplug the power cord.
- Gently remove the battery from the battery holder and wait for one (Or use a metal object like a screwdriver to touch the positive and negative terminals of the battery holder, making them short for 5 seconds.)
- Replace the battery.
- Plug in the power cord and restart your computer.
- Always turn off your computer and unplug the power cord before replacing the
- Replace the battery with an equivalent Damage to your devices may occur if the battery is replaced with an incorrect model.
- Contact the place of purchase or local dealer if you are not able to replace the battery by yourself or uncertain about the battery
- When installing the battery, note the orientation of the positive side (+) and the negative side (-) of the battery (the positive side should face up).
- Used batteries must be handled in accordance with local environmental regulations.
CI (Chassis Intrusion Header)
This motherboard provides a chassis detection feature that detects if the chassis cover has been removed. This function requires a chassis with chassis intrusion detection design.

| Pin No. | Definition |
| 1 | Signal |
| 2 | GND |
CLR_CMOS (Clear CMOS Jumper)
Use this jumper to clear the BIOS configuration and reset the CMOS values to factory defaults. To clear the CMOS values, use a metal object like a screwdriver to touch the two pins for a few seconds.

- Always turn off your computer and unplug the power cord from the power outlet before clearing the CMOS values.
- After system restart, go to BIOS Setup to load factory defaults (select Load Optimized Defaults) or manually configure the BIOS settings (please navigate to the “BIOS Setup” page of GIGABYTE’s website for more information).
BIOS Setup
BIOS (Basic Input and Output System) records hardware parameters of the system in the CMOS on the motherboard. Its major functions include conducting the Power-On Self-Test (POST) during system startup, saving system parameters and loading operating system, etc. BIOS includes a BIOS Setup program that allows the user to modify basic system configuration settings or to activate certain system features. When the power is turned off, the battery on the motherboard supplies the necessary power to the CMOS to keep the configuration values in the CMOS. To access the BIOS Setup program, press the <Delete> key during the POST when the power is turned on. To upgrade the BIOS, use either the GIGABYTE Q-Flash or @BIOS utility.
- Q-Flash allows the user to quickly and easily upgrade or back up BIOS without entering the operating system.
- @BIOS is a Windows-based utility that searches and downloads the latest version of BIOS from the Internet and updates the BIOS.
For instructions on using the Q-Flash and @BIOS utilities, please navigate to the “Unique Features” page of GIGABYTE’s website and search for “BIOS Update Utilities.”
- Because BIOS flashing is potentially risky, if you do not encounter problems using the current version of BIOS, it is recommended that you not flash the BIOS. To flash the BIOS, do it with caution. Inadequate BIOS flashing may result in system malfunction.
- It is recommended that you not alter the default settings (unless you need to) to prevent system instability or other unexpected results. Inadequately altering the settings may result in system’s failure to boot. If this occurs, try to clear the CMOS values and reset the board to default values.
- Refer to the introductions of the battery/clear CMOS jumper in Chapter 2 or navigate to the “BIOS Setup” page of GIGABYTE’s website and search for “Load Optimized Defaults” for how to clear the CMOS values.
- Please visit GIGABYTE’s website for details on configuring BIOS Setup.
https://www.gigabyte.com/WebPage/954/amd500-bios.html
Startup Screen:
The following startup Logo screen will appear when the computer boots.

Function Keys
<DEL>: BIOS SETUP\Q-FLASH
Press the <Delete> key to enter BIOS Setup or to access the Q-Flash utility in BIOS Setup.
<F12>: BOOT MENU
Boot Menu allows you to set the first boot device without entering BIOS Setup. In Boot Menu, use the up arrow key <h> or the down arrow key <i> to select the first boot device, then press <Enter> to accept. The system will boot from the device immediately.
Note: The setting in Boot Menu is effective for one time only. After system restart, the device boot order will still be based on BIOS Setup settings.
<END>: Q-FLASH
Press the <End> key to access the Q-Flash utility directly without having to enter BIOS Setup first.
Installing the Operating System and Drivers
Operating System Installation
With the correct BIOS settings, you are ready to install the operating system. As some operating systems already include RAID driver, you do not need to install separate RAID driver during the Windows installation process. After the operating system is installed, we recommend that you install all required drivers from the GIGABYTE APP Center to ensure system performance and compatibility. If the operating system to be installed requires that you provide additional RAID driver during the OS installation process, please refer to the steps below:
Step 1:
Go to GIGABYTE’s website, browse to the motherboard model’s web page, download the AMD RAID Preinstall Driver file on the Support\Download\SATA RAID/AHCI page, unzip the file and copy the files to your USB thumb drive.
Step 2:
Boot from the Windows setup disc and perform standard OS installation steps. When the screen requesting you to load the driver appears, select Browse.
Step 3:
Insert the USB thumb drive and then browse to the location of the driver. Select AMD-RAID Bottom Device first and click Next to load the driver. Then select AMD-RAID Controller and click Next to load the driver. Finally, continue the OS installation.

Drivers Installation
After you install the operating system, a dialog box will appear on the bottom-right corner of the desktop asking if you want to download and install the drivers and GIGABYTE applications via APP Center. Click Install to proceed with the installation. (In BIOS Setup, make sure Settings\IO Ports\APP Center Download & Install Configuration\APP Center Download & Install is set to Enabled.)

When the End User License Agreement dialog box appears, press <Accept> to install APP Center. On the APP Center screen, select the drivers and applications you want to install and click Install.

Before the installation, make sure the system is connected to the Internet.
- Please visit GIGABYTE’s website for more software information.
https://www.gigabyte.com/WebPage/320/am4-app-center.html?m=sw
- Please visit GIGABYTE’s website for more troubleshooting information.
https://www.gigabyte.com/WebPage/351/faq.html
Appendix
Configuring a RAID Set
RAID Levels
| RAID 0 | RAID 1 | RAID 10 | |
| Minimum Number of Hard Drives | ≥2 | 2 | 4 |
| Array Capacity | Number of hard drives Size of the smallest drive | Size of the smallest drive | (Number of hard drives/2) Size of the smallest drive |
| Fault Tolerance | No | Yes | Yes |
Before you begin, please prepare the following items:
This motherboard supports RAID 0, RAID 1, and RAID 10. Prepare the correct number of hard drives as indicated in the table above before configuring a RAID array.
- SATA hard drives or SSDs. To ensure optimal performance, it is recommended that you use two hard drives with identical model and capacity.
- Windows setup disc.
- An Internet connected computer.
- A USB thumb drive.
- An M.2 PCIe SSD cannot be used to set up a RAID set with a SATA hard drive.
- Please visit GIGABYTE’s website for details on configuring a RAID array.
https://www.gigabyte.com/WebPage/313/am4-raid.html?m=sw
Regulatory Notices
United States of America, Federal Communications Commission Statement
Supplier’s Declaration of Conformity
47 CFR § 2.1077 Compliance Information
- Product Name: Motherboard
- Trade Name: GIGABYTE
- Model Number: A520M K/A520M K V2
- Responsible Party – U.S. Contact Information: G.B.T. Inc.
- Address: 17358 Railroad street, City Of Industry, CA91748
- Tel.: 1-626-854-9338
Internet contact information: https://www.gigabyte.com
FCC Compliance Statement
This device complies with Part 15 of the FCC Rules, Subpart B, Unintentional Radiators.
Operation is subject to the following two conditions:
- This device may not cause harmful interference, and
- this device must accept any interference received, including interference that may cause undesired operation.
This equipment has been tested and found to comply with the limits for a Class B digital device, pursuant to Part 15 of the FCC Rules. These limits are designed to provide reasonable protection against harmful interference in a residential installation. This equipment generates, uses and can radiate radio frequency energy and, if not installed and used in accordance with manufacturer’s instructions, may cause harmful interference to radio communications. However, there is no guarantee that interference will not occur in a particular installation. If this equipment does cause harmful interference to radio or television reception, which can be determined by turning the equipment off and on, the user is encouraged to try to correct the interference by one or more of the following measures:
- Reorient or relocate the receiving antenna.
- Increase the separation between the equipment and receiver.
- Connect the equipment to an outlet on a circuit different from that to which the receiver is connected.
- Consult the dealer or an experienced radio/TV technician for help.
Canadian Department of Communications Statement
This digital apparatus does not exceed the Class B limits for radio noise emissions from digital apparatus set out in the Radio Interference Regulations of the Canadian Department of Communications. This class B digital apparatus complies with Canadian ICES-003.
European Union (EU) CE Declaration of Conformity
This device complies with the following directives: Electromagnetic Compatibility Directive 2014/30/EU, Low-voltage Directive 2014/35/EU, RoHS directive (recast) 2011/65/EU & the 2015/863 Statement. This product has been tested and found to comply with all essential requirements of the Directives.
European Union (EU) RoHS (recast) Directive 2011/65/EU & the European Commission Delegated Directive (EU) 2015/863 Statement
GIGABYTE products have not intended to add and safe from hazardous substances (Cd, Pb, Hg, Cr+6, PBDE, PBB, DEHP, BBP, DBP and DIBP). The parts and components have been carefully selected to meet RoHS requirement. Moreover, we at GIGABYTE are continuing our efforts to develop products that do not use internationally banned toxic chemicals.
European Union (EU) Community Waste Electrical & Electronic Equipment (WEEE) Directive Statement
GIGABYTE will fulfill the national laws as interpreted from the 2012/19/EU WEEE (Waste Electrical and Electronic Equipment) (recast) directive. The WEEE Directive specifies the treatment, collection, recycling and disposal of electric and electronic devices and their components. Under the Directive, used equipment must be marked, collected separately, and disposed of properly.
WEEE Symbol Statement
The symbol shown below is on the product or on its packaging, which indicates that this product must not be disposed of with other waste. Instead, the device should be taken to the waste collection centers for activation of the treatment, collection, recycling and disposal procedure. For more information about where you can drop off your waste equipment for recycling, please contact your local government office, your household waste disposal service or where you purchased the product for details of environmentally safe recycling.
Battery Information
European Union—Disposal and recycling information GIGABYTE Recycling Program (available in some regions)
This symbol indicates that this product and/or battery should not be disposed of with household waste. You must use the public collection system to return, recycle, or treat them in compliance with the local regulations.
End of Life Directives-Recycling
The symbol shown below is on the product or on its packaging, which indicates that this product must not be disposed of with other waste. Instead, the device should be taken to the waste collection centers for activation of the treatment, collection, recycling and disposal procedure.
Contact Us
GIGA-BYTE TECHNOLOGY CO., LTD.
Address: No.6, Baoqiang Rd., Xindian Dist., New Taipei City 231
TEL: +886-2-8912-4000, FAX: +886-2-8912-4005
Tech. and Non-Tech. Support (Sales/Marketing) : https://esupport.gigabyte.com
WEB address (English): https://www.gigabyte.com
WEB address (Chinese): https://www.gigabyte.com/tw
GIGABYTE eSupport
To submit a technical or non-technical (Sales/Marketing) question, please link to: https://esupport.gigabyte.com

References
GIGABYTE Quick-Guide
GIGABYTE - eSupport
GIGABYTE Global
A520M K (rev. 1.0) Key Features | Motherboard - GIGABYTE Global
A520M K (rev. 1.0) Key Features | Motherboard - GIGABYTE Global
A520M K V2 (rev. 1.0) Key Features | Motherboard - GIGABYTE Global
A520M K V2 (rev. 1.0) Key Features | Motherboard - GIGABYTE Global
Utility | Service / Support - GIGABYTE Global
GIGABYTE 技嘉科技
GIGABYTE AM4 Series RAID Manual
GIGABYTE AM4 Series Motherboards Software Manual
GIGABYTE Troubleshooting Manual
GIGABYTE Realtek Audio
GIGABYTE AMD AM4 Series BIOS Setup



USB 2.0/1.1 Port




















