B550 AORUS PRO AX Motherboard
User Manual
B550 AORUS PRO AX
B550 AORUS PRO V2
User’s Manual
Rev. 1002
B550 AORUS PRO AX Motherboard
For more product details, please visit GIGABYTE’s website.
https://www.gigabyte.com/Motherboard/B550-AORUS-PRO-AX-rev-10?m=ma#kf
https://www.gigabyte.com/Motherboard/B550-AORUS-PRO-V2-rev-10?m=ma#kf
GIGABYTE will reduce paper use in order to fulfill the responsibilities of a global citizen.
Also, to reduce the impacts on global warming, the packaging materials of this product are recyclable and reusable. GIGABYTE works with you to protect the environment.
Copyright
© 2023 GIGA-BYTE TECHNOLOGY CO., LTD. All rights reserved.
The trademarks mentioned in this manual are legally registered to their respective owners.
Disclaimer
Information in this manual is protected by copyright laws and is the property of GIGABYTE.
Changes to the specifications and features in this manual may be made by GIGABYTE without prior notice. No part of this manual may be reproduced, copied, translated, transmitted, or published in any form or by any means without GIGABYTE’s prior written permission.
- For detailed product information, carefully read the User’s Manual.
- For quick set-up of the product, refer to the Quick Installation Guide on GIGABYTE’s website.
https://download.gigabyte.com/FileList/Manual/mb_manual_installation-guide_103.pdf?m=sw
For product-related information, check on our website at: https://www.gigabyte.com
Identifying Your Motherboard Revision
The revision number on your motherboard looks like this: “REV: X.X.” For example, “REV: 1.0” means the revision of the motherboard is 1.0. Check your motherboard revision before updating motherboard BIOS, drivers, or when looking for technical information.
Example:
Chapter 1 Product Introduction
1-1 Motherboard Layout
1-2 Box Contents
- B550 AORUS PRO AX or B550 AORUS PRO V2 motherboard
- User’s Manual
- Four SATA cables
- One G Connector
- One antenna(Note)
- One RGB LED strip extension cable
- Two Velcro cable ties
(Note) Only for B550 AORUS PRO AX.
* The box contents above are for reference only and the actual items shall depend on the product package you obtain.
The box contents are subject to change without notice.
Chapter 2 Hardware Installation
2-1 Installation Precautions
The motherboard contains numerous delicate electronic circuits and components which can become damaged as a result of electrostatic discharge (ESD). Prior to installation, carefully read the user’s manual and follow these procedures:
- Prior to installation, make sure the chassis is suitable for the motherboard.
- Prior to installation, do not remove or break motherboard S/N (Serial Number) sticker or warranty sticker provided by your dealer. These stickers are required for warranty validation.
- Always remove the AC power by unplugging the power cord from the power outlet before installing or removing the motherboard or other hardware components.
- When connecting hardware components to the internal connectors on the motherboard, make sure they are connected tightly and securely.
- When handling the motherboard, avoid touching any metal leads or connectors.
- It is best to wear an electrostatic discharge (ESD) wrist strap when handling electronic components such as a motherboard, CPU or memory. If you do not have an ESD wrist strap, keep your hands dry and first touch a metal object to eliminate static electricity.
- Prior to installing the motherboard, please have it on top of an antistatic pad or within an electrostatic shielding container.
- Before connecting or unplugging the power supply cable from the motherboard, make sure the power supply has been turned off.
- Before turning on the power, make sure the power supply voltage has been set according to the local voltage standard.
- Before using the product, please verify that all cables and power connectors of your hardware components are connected.
- To prevent damage to the motherboard, do not allow screws to come in contact with the motherboard circuit or its components.
- Make sure there are no leftover screws or metal components placed on the motherboard or within the computer casing.
- Do not place the computer system on an uneven surface.
- Do not place the computer system in a high-temperature or wet environment.
- Turning on the computer power during the installation process can lead to damage to system components as well as physical harm to the user.
- If you are uncertain about any installation steps or have a problem related to the use of the product, please consult a certified computer technician.
- If you use an adapter, extension power cable, or power strip, ensure to consult with its installation and/or grounding instructions.
2-2 Product Specifications
| Š AMD Socket AM4, support for: AMD Ryzen ™ 5000 G-Series Processors/ AMD Ryzen ™ 5000 Series Processors/ AMD Ryzen ™ 4000 G-Series Processors/ AMD Ryzen ™ 3000 Series Processors (Go to GIGABYTE’s website for the latest CPU support list.) | |
| Š AMD B550 | |
| Š 4 x DDR4 DIMM sockets supporting up to 128 GB (32 GB single DIMM capacity) of system memory Š Support for DDR4 3200/2933/2667/2400/2133 MT/s memory modules Š Dual channel memory architecture Š Support for ECC Un-buffered DIMM 1Rx8/2Rx8 memory modules Š Support for non-ECC Un-buffered DIMM 1Rx8/2Rx8/1Rx16 memory modules Š Support for Extreme Memory Profile (XMP) memory modules (Go to GIGABYTE’s website for the latest supported memory speeds and memory modules.) | |
| Š Integrated Graphics Processor: – 1 x HDMI port, supporting a maximum resolution of 4096×2160@60 Hz * Support for HDMI 2.1 version, HDCP 2.3, and HDR. Š Maximum shared memory of 16 GB | |
| Š Realtek® ALC1220-VB codec * The back panel line out jack supports DSD audio. Š High Definition Audio Š 2/4/5.1/7.1-channel Š Support for S/PDIF Out | |
| Š Realtek® 2.5GbE LAN chip (2.5 Gbit/1 Gbit/100 Mbit) | |
Module (Note) | Š Intel® Wi-Fi 6 AX200 – WIFI a, b, g, n, ac, ax, supporting 2.4/5 GHz Dual-Band – BLUETOOTH 5.2 – Support for 11ax 160MHz wireless standard and up to 2.4 Gbps data rate (Actual data rate may vary depending on environment and equipment.) |
| 1 x PCI Express x16 slot (PCIEX16), integrated in the CPU: – AMD Ryzen™ 5000 Series/3000 Series Processors support PCIe 4.0 x16 mode – AMD Ryzen™ 5000 G-Series/4000 G-Series Processors support PCIe 3.0 x16 mode * For optimum performance, if only one PCI Express graphics card is to be installed, be sure to install it in the PCIEX16 slot. | |
| Š 1 x PCI Express x16 slot (PCIEX4), integrated in the Chipset: – Supporting PCIe 3.0 x4 mode * The M2B_SB connector shares bandwidth with the PCIEX4 slot. The PCIEX4 slot will become unavailable when an SSD is installed in the M2B_SB connectors. Š 1 x PCI Express x16 slot (PCIEX2), integrated in the Chipset: – Supporting PCIe 3.0 x2 mode * The PCIEX2 slot shares bandwidth with the SATA3 4, 5 connectors. The PCIEX2 slot will become unavailable when a device is installed in the SATA3 4 or SATA3 5 connector. Š 2 x PCI Express x1 slots | |
| Š 1 x M.2 connector (M2A_CPU), integrated in the CPU, supporting Socket 3, M key, type 2242/2260/2280/22110 SSDs: – AMD Ryzen ™5000 Series/3000 Series Processors support SATA and PCIe 4.0 x4/x2 SSDs – AMD Ryzen™ 5000 G-Series/4000 G-Series Processors support SATA and PCIe 3.0 x4/x2 SSDs Š 1 x M.2 connector (M2B_SB), integrated in the Chipset, supporting Socket 3, M key, type 2242/2260/2280/22110 SSDs: – support PCIe 3.0 x4/x2 SSDs Š 6 x SATA 6Gb/s connectors, integrated in the Chipset: – Support for RAID 0, RAID 1, and RAID 10 | |
| Š CPU: – 2 x USB 3.2 Gen 1 ports on the back panel – 2 x USB 3.2 Gen 2 Type-A ports (red) on the back panel Š Chipset: – 1 x USB Type-C™ port on the back panel, with USB 3.2 Gen 2 support – 1 x USB Type-C™ port with USB 3.2 Gen 1 support, available through the internal USB header – 2 x USB 3.2 Gen 1 ports available through the internal USB header – 2 x USB 2.0/1.1 ports on the back panel Š Chipset+2 USB 2.0 Hubs: – 8 x USB 2.0/1.1 ports (4 ports on the back panel, 4 ports available through the internal USB headers) | |
| Š 1 x 24-pin ATX main power connector Š 1 x 8-pin ATX 12V power connector Š 2 x M.2 Socket 3 connectors Š 6 x SATA 6Gb/s connectors Š 1 x CPU fan header Š 1 x water cooling CPU fan header Š 4 x system fan headers Š 2 x system fan/water cooling pump headers Š 1 x CPU cooler LED strip/RGB LED strip header Š 2 x addressable LED strip headers Š 2 x RGB LED strip headers Š 1 x front panel header Š 1 x front panel audio header | |
| Š 1 x USB Type-C™ port, with USB 3.2 Gen 1 support Š 1 x USB 3.2 Gen 1 header Š 2 x USB 2.0/1.1 headers Š 1 x Trusted Platform Module (TPM) header (2×6 pin, for the GC-TPM2.0_S module only) Š 1 x Thunderbolt™ add-in card connector Š 2 x temperature sensor headers Š 1 x Clear CMOS jumper | |
| Š 1 x HDMI port Š 2 x SMA antenna connectors (2T2R) (Note) Š 2 x USB 3.2 Gen 1 ports Š 1 x USB Type-C ™ port, with USB 3.2 Gen 2 support Š 2 x USB 3.2 Gen 2 Type-A ports (red) Š 6 x USB 2.0/1.1 ports Š 1 x Q-Flash Plus button Š 1 x RJ-45 port Š 1 x optical S/PDIF Out connector Š 5 x audio jacks | |
| Š iTE® I/O Controller Chip | |
| Š Voltage detection Š Temperature detection Š Fan speed detection Š Water cooling flow rate detection Š Overheating warning Š Fan fail warning Š Fan speed control * Whether the fan (pump) speed control function is supported will depend on the fan (pump) you install. | |
| Š 1 x 256 Mbit flash Š Use of licensed AMI UEFI BIOS Š PnP 1.0a, DMI 2.7, WfM 2.0, SM BIOS 2.7, ACPI 5.0 | |
| Š Support for APP Center * Available applications in APP Center may vary by motherboard model. Supported functions of each application may also vary depending on motherboard specifications. – @BIOS – EasyTune – Smart Backup – System Information Viewer Š Support for Q-Flash Plus Š Support for Q-Flash Š Support for Xpress Install | |
| Š Norton ® Internet Security (OEM version) Š XSplit Gamecaster + Broadcaster (12 months license) Š LAN bandwidth management software | |
| Š Support for Windows 11 64-bit Š Support for Windows 10 64-bit | |
| Š ATX Form Factor; 30.5cm x 24.4cm |
* GIGABYTE reserves the right to make any changes to the product specifications and product-related information without prior notice.
Please visit GIGABYTE’s website for support lists of CPU, memory modules, SSDs, and M.2 devices.
https://www.gigabyte.com/Motherboard/B550-AORUS-PRO-AX-rev-10?m=dl#support-dl
https://www.gigabyte.com/Motherboard/B550-AORUS-PRO-V2-rev-10?m=dl#support-dl
Please visit the SERVICE/SUPPORT\Utility page on GIGABYTE’s website to download the latest version of apps.
https://www.gigabyte.com/Support/Utility/Motherboard?m=ut
2-3 Installing the CPU
Read the following guidelines before you begin to install the CPU:
- Make sure that the motherboard supports the CPU. (Go to GIGABYTE’s website for the latest CPU support list.)
- Always turn off the computer and unplug the power cord from the power outlet before installing the CPU to prevent hardware damage.
- Locate the pin one of the CPU. The CPU cannot be inserted if oriented incorrectly.
- Apply an even and thin layer of thermal grease on the surface of the CPU.
- Do not turn on the computer if the CPU cooler is not installed, otherwise overheating and damage of the CPU may occur.
- Set the CPU host frequency in accordance with the CPU specifications. It is not recommended that the system bus frequency be set beyond hardware specifications since it does not meet the standard requirements for the peripherals. If you wish to set the frequency beyond the standard specifications, please do so according to your hardware specifications including the CPU, graphics card, memory, hard drive, etc.
Installing the CPU
Completely lift up the CPU socket locking lever. Locate the pin one (denoted by a small triangle) of the CPU socket and the CPU. Once the CPU is positioned into its socket, place one finger down on the middle of the CPU, lowering the locking lever and latching it into the fully locked position.
2-4 Installing the Memory
Read the following guidelines before you begin to install the memory:
- Make sure that the motherboard supports the memory. It is recommended that memory of the same capacity, brand, speed, and chips be used.
(Go to GIGABYTE’s website for the latest supported memory speeds and memory modules.) - Always turn off the computer and unplug the power cord from the power outlet before installing the memory to prevent hardware damage.
- Memory modules have a foolproof design. A memory module can be installed in only one direction.
If you are unable to insert the memory, switch the direction.
Dual Channel Memory Configuration
This motherboard provides four memory sockets and supports Dual Channel Technology. After the memory is installed, the BIOS will automatically detect the specifications and capacity of the memory. Enabling Dual Channel memory mode will double the original memory bandwidth.
The four memory sockets are divided into two channels and each channel has two memory sockets as following:
Channel A: DDR4_A1, DDR4_A2
Channel B: DDR4_B1, DDR4_B2
Please visit GIGABYTE’s website for details on hardware installation.
http://www.gigabyte.com/WebPage/210/quick-guide.html?m=sw
Recommanded Dual Channel Memory Configuration:
| DDR4_A1 | DDR4_A2 | DDR4_B1 | DDR4_B2 | |
| 2 Modules | – – | DS/SS | – – | DS/SS |
| 4 Modules | DS/SS | DS/SS | DS/SS | DS/SS |
(SS=Single-Sided, DS=Double-Sided, “- -“=No Memory)
Due to CPU limitations, read the following guidelines before installing the memory in Dual Channel mode.
- Dual Channel mode cannot be enabled if only one memory module is installed.
- When enabling Dual Channel mode with two or four memory modules, it is recommended that memory of the same capacity, brand, speed, and chips be used.
2-5 Installing an Expansion Card
Read the following guidelines before you begin to install an expansion card:
- Make sure the motherboard supports the expansion card. Carefully read the manual that came with your expansion card.
- Always turn off the computer and unplug the power cord from the power outlet before installing an expansion card to prevent hardware damage.
2-6 Back Panel Connectors
a. USB 2.0/1.1 Port
The USB port supports the USB 2.0/1.1 specification. Use this port for USB devices.
b. SMA Antenna Connectors (2T2R) (Note 1)
Use this connector to connect an antenna.
Tighten the antennas to the antenna connectors and then aim the antennas correctly for better signal reception.
c. HDMI Port (Note 2)
The HDMI port is HDCP 2.3 compliant and supports Dolby TrueHD and DTS HD
Master Audio formats. It also supports up to 192KHz/24bit 7.1-channel LPCM audio output. You can use this port to connect your HDMI-supported monitor. The maximum supported resolution is 4096×2160@60 Hz, but the actual resolutions supported are dependent on the monitor being used.
After installing the HDMI device, make sure to set the default sound playback device to HDMI.
(The item name may differ depending on your operating system.)
When removing the cable connected to a back panel connector, first remove the cable from your device and then remove it from the motherboard.- When removing the cable, pull it straight out from the connector. Do not rock it side to side to prevent an electrical short inside the cable connector.
d. USB 3.2 Gen 1 Port (Q-Flash Plus Port)
The USB 3.2 Gen 1 port supports the USB 3.2 Gen 1 specification and is compatible to the USB 2.0 specification. Use this port for USB devices. Before using Q-Flash Plus
(Note 3) , make sure to insert the USB flash drive into this port first.
e. Q-Flash Plus Button (Note 3)
Q-Flash Plus allows you to update the BIOS when your system is off (S5 shutdown state). Save the latest BIOS on a USB thumb drive and plug it into the Q-Flash Plus port, and then you can now flash the BIOS automatically by simply pressing the Q-Flash Plus button. The QFLED will flash when the BIOS matching and flashing activities start and will stop flashing when the BIOS flashing is complete.
f. USB 3.2 Gen 1 Port
The USB 3.2 Gen 1 port supports the USB 3.2 Gen 1 specification and is compatible to the USB 2.0
specification.
g. USB 3.2 Gen 2 Type-A Port (Red)
The USB 3.2 Gen 2 Type-A port supports the USB 3.2 Gen 2 specification and is compatible to the USB 3.2 Gen 1 and USB 2.0 specification. Use this port for USB devices.
h. RJ-45 LAN Port
The Gigabit Ethernet LAN port provides Internet connection at up to 2.5 Gbps data rate. The following describes the states of the LAN port LEDs.
Speed LED:
| State | Description |
| Orange | 2.5 Gbps data rate |
| Green | 1 Gbps data rate |
| Off | 100 Mbps data rate |
Activity LED:
| State | Description |
| Blinking | Data transmission or receiving is occurring |
| Off | No data transmission or receiving is occurring |
i. USB Type-C™ Port
The reversible USB port supports the USB 3.2 Gen 2 specification and is compatible to the USB 3.2 Gen 1 and USB 2.0 specification. Use this port for USB devices.
j. Center/Subwoofer Speaker Out
Use this audio jack to connect center/subwoofer speakers.
k. Rear Speaker Out
Use this audio jack to connect rear speakers.
l. Optical S/PDIF Out Connector
This connector provides digital audio out to an external audio system that supports digital optical audio.
Before using this feature, ensure that your audio system provides an optical digital audio in connector.
m. Line In/Side Speaker Out
The line in jack. Use this audio jack for line in devices such as an optical drive, walkman, etc.
n. Line Out/Front Speaker Out
The line out jack. This jack supports audio amplifying function. For better sound quality, it is recommended that you connect your headphone/speaker to this jack (actual effects may vary by the device being used).
o. Mic In/Side Speaker Out
The Mic in jack.
(Note 1) Only for B550 AORUS PRO AX.
(Note 2) For AMD Ryzen™ 5000 G-Series/4000 G-Series Processors only.
(Note 3) To enable the Q-Flash Plus function please visit the “Unique Features” webpage of GIGABYTE’s website.
Audio Jack Configurations:
| Jack | Headphone/2-channel | 4-channel | 5.1-channel | 7.1-channel |
| j Center/Subwoofer Speaker Out | ||||
| k Rear Speaker Out | ||||
| m Line In/Side Speaker Out | ||||
| n Line Out/Front Speaker Out | ||||
| o Mic In/Side Speaker Out |
If you want to install a Side Speaker, you need to retask either the Line in or Mic in jack to be Side Speaker out through the audio driver.
Please visit GIGABYTE’s website for details on configuring the audio software. https://www.gigabyte.com/WebPage/698/realtek1220-audio.html
2-7 Internal Connectors
| 1) | ATX_12V | 12) | M2A_CPU/M2B_SB |
| 2) | ATX | 13) | F_PANEL |
| 3) | CPU_FAN | 14) | F_AUDIO |
| 4) | SYS_FAN1/2/3/4 | 15) | F_U32C |
| 5) | SYS_FAN5_PUMP/SYS_FAN6_PUMP | 16) | F_U32 |
| 6) | CPU_OPT | 17) | F_USB1/F_USB2 |
| 7) | LED_CPU | 18) | TPM |
| 8) | EC_TEMP1/EC_TEMP2 | 19) | CLR_CMOS |
| 9) | D_LED1/D_LED2 | 20) | BAT |
| 10) | LED_C1/LED_C2 | 21) | CPU/DRAM/VGA/BOOT |
| 11) | SATA3 0/1/2/3/4/5 | 22) | THB_C |
Read the following guidelines before connecting external devices:
- First make sure your devices are compliant with the connectors you wish to connect.
- Before installing the devices, be sure to turn off the devices and your computer. Unplug the power cord from the power outlet to prevent damage to the devices.
- After installing the device and before turning on the computer, make sure the device cable has been securely attached to the connector on the motherboard.
1/2) ATX_12V/ATX (2×4 12V Power Connector and 2×12 Main Power Connector)
With the use of the power connector, the power supply can supply enough stable power to all the components on the motherboard. Before connecting the power connector, first make sure the power supply is turned off and all devices are properly installed. The power connector possesses a foolproof design. Connect the power supply cable to the power connector in the correct orientation.
The 12V power connector mainly supplies power to the CPU. If the 12V power connector is not connected, the computer will not start.
To meet expansion requirements, it is recommended that a power supply that can withstand high power consumption be used (500W or greater). If a power supply is used that does not provide the required power, the result can lead to an unstable or unbootable system.
ATX_12V:
| Pin No. | Definition | Pin No. | Definition |
| 1 | GND (Only for 2×4-pin 12V) | 5 | +12V (Only for 2×4-pin 12V) |
| 2 | GND (Only for 2×4-pin 12V) | 6 | +12V (Only for 2×4-pin 12V) |
| 3 | GND | 7 | +12V |
| 4 | GND | 8 | +12V |

ATX: | |||
| Pin No. | Definition | Pin No. | Definition |
| 1 | 3.3V | 13 | 3.3V |
| 2 | 3.3V | 14 | -12V |
| 3 | GND | 15 | GND |
| 4 | +5V | 16 | PS_ON (soft On/Off) |
| 5 | GND | 17 | GND |
| 6 | +5V | 18 | GND |
| 7 | GND | 19 | GND |
| 8 | Power Good | 20 | NC |
| 9 | 5VSB (stand by +5V) | 21 | +5V |
| 10 | +12V | 22 | +5V |
| 11 | +12V (Only for 2×12-pin ATX) | 23 | +5V (Only for 2×12-pin ATX) |
| 12 | 3.3V (Only for 2×12-pin ATX) | 24 | GND (Only for 2×12-pin ATX) |
3/4) CPU_FAN/SYS_FAN1/2/3/4 (Fan Headers)
All fan headers on this motherboard are 4-pin. Most fan headers possess a foolproof insertion design.
When connecting a fan cable, be sure to connect it in the correct orientation (the black connector wire is the ground wire). The speed control function requires the use of a fan with fan speed control design. For optimum heat dissipation, it is recommended that a system fan be installed inside the chassis.
Pin No. | Definition |
| 1 | GND |
| 2 | Voltage Speed Control |
| 3 | Sense |
| 4 | PWM Speed Control |
Be sure to connect fan cables to the fan headers to prevent your CPU and system from overheating. Overheating may result in damage to the CPU or the system may hang.- These fan headers are not configuration jumper blocks. Do not place a jumper cap on the headers.
5) SYS_FAN5_PUMP/SYS_FAN6_PUMP (System Fan/Water Cooling Pump Headers)
The fan/pump headers are 4-pin. Most fan headers possess a foolproof insertion design. When connecting a fan cable, be sure to connect it in the correct orientation (the black connector wire is the ground wire). The speed control function requires the use of a fan with fan speed control design. For optimum heat dissipation, it is recommended that a system fan be installed inside the chassis. The header also provides speed control for a water cooling pump. Please navigate to the “BIOS Setup” page of GIGABYTE’s website and search for “Smart Fan 5” for more information.
Pin No. | Definition |
| 1 | GND |
| 2 | Voltage Speed Control |
| 3 | Sense |
| 4 | PWM Speed Control |
6) CPU_OPT (Water Cooling CPU Fan Header)
The fan header is 4-pin and possesses a foolproof insertion design. Most fan headers possess a foolproof insertion design. When connecting a fan cable, be sure to connect it in the correct orientation (the black connector wire is the ground wire). The speed control function requires the use of a fan with fan speed control design.
Pin No. | Definition |
| 1 | GND |
| 2 | Voltage Speed Control |
| 3 | Sense |
| 4 | PWM Speed Control |
Be sure to connect fan cables to the fan headers to prevent your CPU and system from overheating. Overheating may result in damage to the CPU or the system may hang.- These fan headers are not configuration jumper blocks. Do not place a jumper cap on the headers.
7) LED_CPU (CPU Cooler LED Strip/RGB LED Strip Header)
The header can be used to connect a CPU cooler LED strip or a standard 5050 RGB LED strip (12V/G/R/B), with maximum power rating of 2A (12V) and maximum length of 2m.
Pin No. | Definition |
| 1 | 12V |
| 2 | G |
| 3 | R |
| 4 | B |
Connect the CPU cooler LED strip/RGB LED strip to the header. The power pin (marked with a triangle on the plug) of the LED strip must be connected to Pin 1 (12V) of this header. Incorrect connection may lead to the damage of the LED strip.
For how to turn on/off the lights of the LED strip please visit the “Unique Features” webpage of GIGABYTE’s website.
Before installing the devices, be sure to turn off the devices and your computer. Unplug the power cord from the power outlet to prevent damage to the devices.
8) EC_TEMP1/EC_TEMP2 (Temperature Sensor Headers)
Connect the thermistor cables to the headers for temperature detection.
| Pin No. | Definition |
| 1 | SENSOR IN |
| 2 | GND |
9) D_LED1/D_LED2 (Addressable LED Strip Headers)
The headers can be used to connect a standard 5050 addressable LED strip, with maximum power rating of 5A (5V) and maximum number of 1000 LEDs.
Pin No. | Definition |
| 1 | V (5V) |
| 2 | Data |
| 3 | No Pin |
| 4 | GND |
Connect your addressable LED strip to the header. The power pin (marked with a triangle on the plug) of the LED strip must be connected to Pin 1 of the addressable LED strip header. Incorrect connection may lead to the damage of the LED strip.
10) LED_C1/LED_C2 (RGB LED Strip Headers)
The headers can be used to connect a standard 5050 RGB LED strip (12V/G/R/B), with maximum power rating of 2A (12V) and maximum length of 2m.
Pin No. | Definition |
| 1 | 12V |
| 2 | G |
| 3 | R |
| 4 | B |
Connect one end of the RGB LED strip extension cable to the header and the other end to your RGB LED strip. The black wire (marked with a triangle on the plug) of the extension cable must be connected to Pin 1 (12V) of this header. The 12V pin (marked with an arrow) on the other end of the extension cable must be lined up with the 12V of the LED strip. Be careful with the connection orientation of the LED strip; incorrect connection may lead to the damage of the LED strip.
For how to turn on/off the lights of the LED strip please visit the “Unique Features” webpage of GIGABYTE’s website.
Before installing the devices, be sure to turn off the devices and your computer. Unplug the power cord from the power outlet to prevent damage to the devices.
11) SATA3 0/1/2/3/4/5 (SATA 6Gb/s Connectors)
The SATA connectors conform to SATA 6Gb/s standard and are compatible with SATA 3Gb/s and SATA 1.5Gb/s standard. Each SATA connector supports a single SATA device. The SATA connectors support RAID 0, RAID 1, and RAID 10. Please navigate to the “Configuring a RAID Set” page of GIGABYTE’s website for instructions on configuring a RAID array.
Pin No. | Definition |
| 1 | GND |
| 2 | TXP |
| 3 | TXN |
| 4 | GND |
| 5 | RXN |
| 6 | RXP |
| 7 | GND |
12) M2A_CPU/M2B_SB (M.2 Socket 3 Connectors)
The M.2 connectors support M.2 SATA SSDs or M.2 PCIe SSDs and support RAID configuration. Please note that an M.2 PCIe SSD cannot be used to create a RAID set either with an M.2 SATA SSD or a SATA hard drive. Please navigate to the “Configuring a RAID Set” page of GIGABYTE’s website for instructions on configuring a RAID array.
Follow the steps below to correctly install an M.2 SSD in the M.2 connector.
Step 1:
Locate the M.2 connector where you will install the M.2 SSD, use a screwdriver to unfasten the screw on the heatsink and then remove the heatsink.
Step 2:
Locate the proper mounting hole based on the length of your M.2 SSD drive. If needed, move the standoff to the desired mounting hole. Insert the M.2 SSD into the M.2 connector at an angle.
Step 3:
Press the M.2 SSD down and then secure it with the screw. Replace the heatsink and secure it to the original hole. Make sure to remove the protective film from the bottom of the heatsink before replacing the heatsink.
Select the proper hole for the M.2 SSD to be installed and refasten the screw and standoff.
(Note) The M2B_SB connector shares bandwidth with the PCIEX4 slot. The PCIEX4 slot will become unavailable when an SSD is installed in the M2B_SB connector.
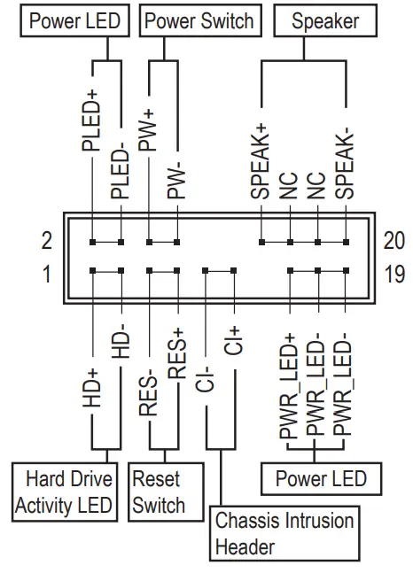
13) F_PANEL (Front Panel Header)
Connect the power switch, reset switch, speaker, chassis intrusion switch/sensor and system status indicator on the chassis to this header according to the pin assignments below. Note the positive and negative pins before connecting the cables.
• PLED/PWR_LED (Power LED):
Connects to the power status indicator on the chassis front panel. The LED is on when the system is operating. The LED is off when the system is in S3/S4 sleep state or powered off (S5).
| System Status | LED |
| S0 | On |
| S3/S4/S5 | Off |
• PW (Power Switch):
Connects to the power switch on the chassis front panel. You may configure the way to turn off your system using the power switch (please navigate to the “BIOS Setup” page of GIGABYTE’s website and search for “Settings\Platform Power” for more information).
• SPEAK (Speaker):
Connects to the speaker on the chassis front panel. The system reports system startup status by issuing a beep code. One single short beep will be heard if no problem is detected at system startup.
• HD (Hard Drive Activity LED):
Connects to the hard drive activity LED on the chassis front panel. The LED is on when the hard drive is reading or writing data.
• RES (Reset Switch):
Connects to the reset switch on the chassis front panel. Press the reset switch to restart the computer if the computer freezes and fails to perform a normal restart.
• CI (Chassis Intrusion Header):
Connects to the chassis intrusion switch/sensor on the chassis that can detect if the chassis cover has been removed. This function requires a chassis with a chassis intrusion switch/sensor.
• NC: No connection.
The front panel design may differ by chassis. A front panel module mainly consists of power switch, reset switch, power LED, hard drive activity LED, speaker and etc. When connecting your chassis front panel module to this header, make sure the wire assignments and the pin assignments are matched correctly.
14) F_AUDIO (Front Panel Audio Header)
The front panel audio header supports High Definition audio (HD). You may connect your chassis front panel audio module to this header. Make sure the wire assignments of the module connector match the pin assignments of the motherboard header. Incorrect connection between the module connector and the motherboard header will make the device unable to work or even damage it. 
| Pin No. | Definition | Pin No. | Definition |
| 1 | MIC L | 6 | MIC Detection |
| 2 | GND | 7 | SENSE_SEND |
| 3 | MIC R | 8 | No Pin |
| 4 | NC | 9 | Head Phone L |
| 5 | Head Phone R | 10 | Head Phone Detection |
Some chassis provide a front panel audio module that has separated connectors on each wire instead of a single plug. For information about connecting the front panel audio module that has different wire assignments, please contact the chassis manufacturer.
15) F_U32C (USB Type-C™ Header with USB 3.2 Gen 1 Support)
The header conforms to USB 3.2 Gen 1 specification and can provide one USB port.
Pin No. | Definition | Pin No. | Definition | Pin No. | Definition |
| 1 | VBUS | 8 | CC1 | 15 | RX2+ |
| 2 | TX1+ | 9 | SBU1 | 16 | RX2- |
| 3 | TX1- | 10 | SBU2 | 17 | GND |
| 4 | GND | 11 | VBUS | 18 | D- |
| 5 | RX1+ | 12 | TX2+ | 19 | D+ |
| 6 | RX1- | 13 | TX2- | 20 | CC2 |
| 7 | VBUS | 14 | GND |
16) F_U32 (USB 3.2 Gen 1 Header)
The header conforms to USB 3.2 Gen 1 and USB 2.0 specification and can provide two USB ports. For purchasing the optional 3.5″ front panel that provides two USB 3.2 Gen 1 ports, please contact the local dealer.
Pin No. | Definition | Pin No. | Definition | Pin No. | Definition |
| 1 | VBUS | 8 | D1- | 15 | SSTX2- |
| 2 | SSRX1- | 9 | D1+ | 16 | GND |
| 3 | SSRX1+ | 10 | NC | 17 | SSRX2+ |
| 4 | GND | 11 | D2+ | 18 | SSRX2- |
| 5 | SSTX1- | 12 | D2- | 19 | VBUS |
| 6 | SSTX1+ | 13 | GND | 20 | No Pin |
| 7 | GND | 14 | SSTX2+ |
17) F_USB1/F_USB2 (USB 2.0/1.1 Headers)
The headers conform to USB 2.0/1.1 specification. Each USB header can provide two USB ports via an optional USB bracket. For purchasing the optional USB bracket, please contact the local dealer.
Pin No. | Definition | Pin No. | Definition |
| 1 | Power (5V) | 6 | USB DY+ |
| 2 | Power (5V) | 7 | GND |
| 3 | USB DX- | 8 | GND |
| 4 | USB DY- | 9 | No Pin |
| 5 | USB DX+ | 10 | NC |
Prior to installing the USB bracket, be sure to turn off your computer and unplug the power cord from the power outlet to prevent damage to the USB bracket.
18) TPM (Trusted Platform Module Header)
You may connect a TPM (Trusted Platform Module) to this header.
Pin No. | Definition | Pin No. | Definition |
| 1 | LAD0 | 7 | LAD3 |
| 2 | VCC3 | 8 | GND |
| 3 | LAD1 | 9 | LFRAME |
| 4 | No Pin | 10 | NC |
| 5 | LAD2 | 11 | SERIRQ |
| 6 | LCLK | 12 | LRESET |
19) CLR_CMOS (Clear CMOS Jumper)
Use this jumper to clear the BIOS configuration and reset the CMOS values to factory defaults. To clear
the CMOS values, use a metal object like a screwdriver to touch the two pins for a few seconds.
Open: Normal
Short: Clear CMOS Values
Always turn off your computer before clearing the CMOS values.
After system restart, go to BIOS Setup to load factory defaults (select Load Optimized Defaults) or manually configure the BIOS settings (please navigate to the “BIOS Setup” page of GIGABYTE’s website for more information).
20) BAT (Battery)
The battery provides power to keep the values (such as BIOS configurations, date, and time information) in the CMOS when the computer is turned off. Replace the battery when the battery voltage drops to a low level, or the CMOS values may not be accurate or may be lost.
You may clear the CMOS values by removing the battery:
- Turn off your computer and unplug the power cord.
- Gently remove the battery from the battery holder and wait for one minute. (Or use a metal object like a screwdriver to touch the positive and negative terminals of the battery holder, making them short for 5 seconds.)
- Replace the battery.
- Plug in the power cord and restart your computer.
-
Always turn off your computer and unplug the power cord before replacing the battery. - Replace the battery with an equivalent one. Damage to your devices may occur if the battery is replaced with an incorrect model.
- Contact the place of purchase or local dealer if you are not able to replace the battery by yourself or uncertain about the battery model.
- When installing the battery, note the orientation of the positive side (+) and the negative side (-) of the battery (the positive side should face up).
- Used batteries must be handled in accordance with local environmental regulations.
21) CPU/DRAM/VGA/BOOT (Status LEDs)
The status LEDs show whether the CPU, memory, graphics card, and operating system are working properly after system power-on. If the CPU/DRAM/VGA LED is on, that means the corresponding device is not working normally; if the BOOT LED is on, that means you haven’t entered the operating system yet.
| CPU | DRAM |
| VGA | BOOT |
CPU: CPU status LED
DRAM: Memory status LED
VGA: Graphics card status LED
BOOT: Operating system status LED
22) THB_C (Thunderbolt™ Add-in Card Connector)
The connector is used to connect to a GIGABYTE Thunderbolt™ add-in card.
Supports a Thunderbolt™ add-in card.
Chapter 3 BIOS Setup
BIOS (Basic Input and Output System) records hardware parameters of the system in the CMOS on the motherboard. Its major functions include conducting the Power-On Self-Test (POST) during system startup, saving system parameters and loading operating system, etc. BIOS includes a BIOS Setup program that allows the user to modify basic system configuration settings or to activate certain system features.
When the power is turned off, the battery on the motherboard supplies the necessary power to the CMOS to keep the configuration values in the CMOS.
To access the BIOS Setup program, press the <Delete> key during the POST when the power is turned on.
To upgrade the BIOS, use either the GIGABYTE Q-Flash or @BIOS utility.
- Q-Flash allows the user to quickly and easily upgrade or back up BIOS without entering the operating system.
- @BIOS is a Windows-based utility that searches and downloads the latest version of BIOS from the Internet and updates the BIOS.
For instructions on using the Q-Flash and @BIOS utilities, please navigate to the “Unique Features” page of GIGABYTE’s website and search for “BIOS Update Utilities.”
- Because BIOS flashing is potentially risky, if you do not encounter problems using the current version of BIOS, it is recommended that you not flash the BIOS. To flash the BIOS, do it with caution. Inadequate BIOS flashing may result in system malfunction.
- It is recommended that you not alter the default settings (unless you need to) to prevent system instability or other unexpected results. Inadequately altering the settings may result in system’s failure to boot. If this occurs, try to clear the CMOS values and reset the board to default values.
- Refer to the introductions of the battery/clear CMOS jumper in Chapter 2 or navigate to the “BIOS Setup” page of GIGABYTE’s website and search for “Load Optimized Defaults” for how to clear the CMOS values.
Startup Screen:
The following startup Logo screen will appear when the computer boots.
Function Keys:
<DEL>: BIOS SETUP\Q-FLASH
Press the <Delete> key to enter BIOS Setup or to access the Q-Flash utility in BIOS Setup.
<F12>: BOOT MENU
Boot Menu allows you to set the first boot device without entering BIOS Setup. In Boot Menu, use the up arrow key <h> or the down arrow key <i> to select the first boot device, then press <Enter> to accept.
The system will boot from the device immediately.
Note: The setting in Boot Menu is effective for one time only. After system restart, the device boot order will still be based on BIOS Setup settings.
<END>: Q-FLASH
Press the <End> key to access the Q-Flash utility directly without having to enter BIOS Setup first.
Chapter 4 Installing the Operating System and Drivers
4-1 Operating System Installation
With the correct BIOS settings, you are ready to install the operating system.
As some operating systems already include RAID driver, you do not need to install separate RAID driver during the Windows installation process. After the operating system is installed, we recommend that you install all required drivers from the GIGABYTE APP Center to ensure system performance and compatibility. If the operating system to be installed requires that you provide additional RAID driver during the OS installation process, please refer to the steps below:
Step 1: Go to GIGABYTE’s website, browse to the motherboard model’s web page, download the AMD RAID Preinstall Driver file on the Support\Download\SATA RAID/AHCI page, unzip the file and copy the files to your USB thumb drive.
Step 2: Boot from the Windows setup disc and perform standard OS installation steps. When the screen requesting you to load the driver appears, select Browse.
Step 3: Insert the USB thumb drive and then browse to the location of the driver. Select AMD-RAID Bottom Device first and click Next to load the driver. Then select AMD-RAID Controller and click Next to load the driver. Finally, continue the OS installation.
4-2 Drivers Installation
After you install the operating system, a dialog box will appear on the bottom-right corner of the desktop asking if you want to download and install the drivers and GIGABYTE applications via APP Center. Click Install to proceed with the installation. (In BIOS Setup, make sure Settings\IO Ports\APP Center Download & Install Configuration\APP Center Download & Install is set to Enabled.)
When the End User License Agreement dialog box appears, press <Accept> to install APP Center. On the APP Center screen, select the drivers and applications you want to install and click Install.
Before the installation, make sure the system is connected to the Internet.
Please visit GIGABYTE’s website for more software information.
https://www.gigabyte.com/WebPage/320/am4-app-center.html?m=sw
Please visit GIGABYTE’s website for more troubleshooting information.
https://www.gigabyte.com/WebPage/351/faq.html
Chapter 5 Appendix
5-1 Configuring a RAID Set
RAID Levels
| RAID 0 | RAID 1 | RAID 10 | |
| Minimum Number of Hard Drives | ≥2 | 2 | 4 |
| Array Capacity | Number of hard drives * Size of the smallest drive | Size of the smallest drive | (Number of hard drives/2) * Size of the smallest drive |
| Fault Tolerance | No | Yes | Yes |
Before you begin, please prepare the following items:
This motherboard supports RAID 0, RAID 1, and RAID 10. Prepare the correct number of hard drives as indicated in the table above before configuring a RAID array.
- SATA hard drives or SSDs. To ensure optimal performance, it is recommended that you use two hard drives with identical model and capacity.
- Windows setup disc.
- An Internet connected computer.
- A USB thumb drive.
An M.2 PCIe SSD cannot be used to set up a RAID set with a SATA hard drive.
Please visit GIGABYTE’s website for details on configuring a RAID array.
https://www.gigabyte.com/WebPage/313/am4-raid.html?m=sw
Regulatory Notices
United States of America, Federal Communications Commission Statement
Supplier’s Declaration of Conformity
47 CFR § 2.1077 Compliance Information
Product Name: Motherboard
Trade Name: GIGABYTE
Model Number: B550 AORUS PRO AX/B550 AORUS PRO V2
Responsible Party – U.S. Contact Information: G.B.T. Inc.
Address: 17358 Railroad street, City Of Industry, CA91748
Tel.: 1-626-854-9338
Internet contact information: https://www.gigabyte.com
FCC Compliance Statement:
This device complies with Part 15 of the FCC Rules, Subpart B, Unintentional Radiators.
Operation is subject to the following two conditions: (1) This device may not cause harmful interference, and (2) this device must accept any interference received, including interference that may cause undesired operation.
The FCC with its action in ET Docket 96-8 has adopted a safety standard for human exposure to radio frequency (RF) electromagnetic energy emitted by FCC certified equipment. The Intel PRO/Wireless 5000 LAN products meet the Human Exposure limits found in OET Bulletin 65, 2001, and ANSI/ IEEE C95.1, 1992. Proper operation of this radio according to the instructions found in this manual will result in exposure substantially below the FCC’s recommended limits.
The following safety precautions should be observed:
- Do not touch or move antenna while the unit is transmitting or receiving.
- Do not hold any component containing the radio such that the antenna is very close or touching any exposed parts of the body, especially the face or eyes, while transmitting.
- Do not operate the radio or attempt to transmit data unless the antenna is connected; if not, the radio may be damaged.
- Use in specific environments:
– The use of wireless devices in hazardous locations is limited by the constraints posed by the safety directors of such environments.
– The use of wireless devices on airplanes is governed by the Federal Aviation Administration (FAA).
– The use of wireless devices in hospitals is restricted to the limits set forth by each hospital.
Antenna use:
In order to comply with FCC RF exposure limits, low gain integrated antennas should be located at a minimum distance of 7.9 inches (20 cm) or more from the body of all persons.
Explosive Device Proximity Warning
Warning: Do not operate a portable transmitter (such as a wireless network device) near unshielded blasting caps or in an explosive environment unless the device has been modified to be qualified for such use.
Antenna Warning
The wireless adapter is not designed for use with high-gain antennas.
Use On Aircraft Caution
Caution: Regulations of the FCC and FAA prohibit airborne operation of radio-frequency wireless devices because their signals could interfere with critical aircraft instruments.
Other Wireless Devices
Safety Notices for Other Devices in the Wireless Network: Refer to the documentation supplied with wireless Ethernet adapters or other devices in the wireless network.
Canada, Canada-Industry Notice:
This device complies with Industry Canada license-exempt RSS standard(s). Operation is subject to the following two conditions:
- this device may not cause interference, and
- this device must accept any interference, including interference that may cause undesired operation of the device.
Caution: When using IEEE 802.11a wireless LAN, this product is restricted to indoor use due to its operation in the 5.15-to 5.25-GHz frequency range. Industry Canada requires this product to be used indoors for the frequency range of 5.15 GHz to 5.25 GHz to reduce the potential for harmful interference to co-channel mobile satellite systems. High power radar is allocated as the primary user of the 5.25-to 5.35-GHz and 5.65 to 5.85-GHz bands. These radar stations can cause interference with and/or damage to this device. The maximum allowed antenna gain for use with this device is 6dBi in order tocomply with the E.I.R.P limit for the 5.25-to 5.35 and 5.725 to 5.85 GHz frequency range in point-to-point operation. To comply with RF exposure requirements all antennas should be located at a minimum distance of 20cm, or the minimum separation distance allowed by the module approval, from the body of all persons.
Under Industry Canada regulations, this radio transmitter may only operate using an antenna of a type and maximum (or lesser) gain approved for the transmitter by Industry Canada. To reduce potential radio interference to other users, the antenna type and its gain should be chosen so that the equivalent isotropically radiated power (e.i.r.p.) is not more than that necessary for successful communication.”
European Union (EU) CE Declaration of Conformity
This device complies with the following directives: Electromagnetic Compatibility Directive 2014/30/EU, Low-voltage Directive 2014/35/EU, Radio Equipment Directive 2014/53/EU, ErP Directive 2009/125/EC, RoHS directive (recast) 2011/65/EU & the 2015/863 Statement.
This product has been tested and found to comply with all essential requirements of the Directives.
European Union (EU) RoHS (recast) Directive 2011/65/EU & the European Commission Delegated Directive (EU) 2015/863 Statement GIGABYTE products have not intended to add and safe from hazardous substances (Cd, Pb, Hg, Cr+6, PBDE, PBB, DEHP, BBP, DBP and DIBP). The parts and components have been carefully selected to meet RoHS requirement. Moreover, we at GIGABYTE are continuing our efforts to develop products that do not use internationally banned toxic chemicals. European Union (EU) Community Waste Electrical & Electronic
Equipment (WEEE) Directive Statement
GIGABYTE will fulfill the national laws as interpreted from the 2012/19/ EU WEEE (Waste Electrical and Electronic Equipment) (recast) directive. The WEEE Directive specifies the treatment, collection, recycling and disposal of electric and electronic devices and their components. Under the Directive, used equipment must be marked, collected separately, and disposed of properly.
WEEE Symbol Statement
The symbol shown below is on the product or on its packaging, which indicates that this product must not be disposed of with other waste. Instead, the device should be taken to the waste collection centers for activation of the treatment, collection, recycling and disposal procedure.
For more information about where you can drop off your waste equipment for recycling, please contact your local government office, your household waste disposal service or where you purchased the product for details of environmentally safe recycling.
Battery Information
European Union—Disposal and recycling information
GIGABYTE Recycling Program (available in some regions)
This symbol indicates that this product and/or battery should not be disposed of with household waste. You must use the public collection system to return, recycle, or treat them in compliance with the local regulations.
End of Life Directives-Recycling
The symbol shown below is on the product or on its packaging, which indicates that this product must not be disposed of with other waste. Instead, the device should be taken to the waste collection centers for activation of the treatment, collection, recycling and disposal procedure.
European Community Radio Equipment Directive Compliance Statement:
This equipment complies with all the requirements and other relevant provisions of Radio Equipment Directive 2014/53/EU. This equipment is suitable for home and office use in all the European Community Member States and EFTA Member States. The low band 5.15 -5.35 GHz is for indoor use only.
| AT | BE | BG | HR | CY | CZ | DK | |
| EE | Fl | FR | DE | EL | HU | IE | |
| IT | LV | LT | LU | MT | NL | PL | |
| PT | RO | SK | SI | ES | SE | UK |
Korea KCC NCC Wireless Statement:
5,25GHz – 5,35 GHz
Japan Wireless Statement:
5.15
Wireless module approvals:
Wireless module manufacturer:………………….. Intel® Corporation
Wireless module model name: ……………………….AX200NGW
Contact Us
GIGA-BYTE TECHNOLOGY CO., LTD.
Address: No.6, Baoqiang Rd., Xindian Dist., New Taipei City 231
TEL: +886-2-8912-4000, FAX: +886-2-8912-4005
Tech. and Non-Tech. Support (Sales/Marketing) : https://esupport.gigabyte.com
WEB address (English): https://www.gigabyte.com
WEB address (Chinese): https://www.gigabyte.com/tw
GIGABYTE eSupport
To submit a technical or non-technical (Sales/Marketing) question, please link to: https://esupport.gigabyte.com

References
GIGABYTE Quick-Guide
GIGABYTE - eSupport
GIGABYTE Global
B550 AORUS PRO AX (rev. 1.0) Key Features | Motherboard - GIGABYTE Global
B550 AORUS PRO AX (rev. 1.0) Key Features | Motherboard - GIGABYTE Global
B550 AORUS PRO AX (rev. 1.1) Key Features | Motherboard - GIGABYTE Global
B550 AORUS PRO AX (rev. 1.1) Key Features | Motherboard - GIGABYTE Global
B550 AORUS PRO V2 (rev. 1.0) Key Features | Motherboard - GIGABYTE Global
B550 AORUS PRO V2 (rev. 1.0) Key Features | Motherboard - GIGABYTE Global
Utility | Service / Support - GIGABYTE Global
GIGABYTE 技嘉科技
GIGABYTE AM4 Series RAID Manual
GIGABYTE AM4 Series Motherboards Software Manual
GIGABYTE Troubleshooting Manual
GIGABYTE Realtek Audio
GIGABYTE AMD AM4 Series BIOS Setup


















