G4 Digital Sweet Tea Brewing System
USER GUIDE
G4 Digital Sweet Tea Brewing System
READ AND SAVE THESE INSTRUCTIONS
NOTICE TO INSTALLER: Please leave this booklet with the machine.
KEY FEATURES/SPECIFICATIONS/SYSTEM REQUIREMENTS
KEY FEATURES
- Generation Four (G4) Digital Control Module – Large, 4.3” touchscreen. Icon-driven interface streamlines operation. It provides precise control of all critical brewing functions.
- G4 Enhanced Tea Flavor and Clarity – With digital accuracy, two separate precision valves provide unsurpassed control over brewing and dilution cycle.
- On-Screen Instructions – Provides fast, intuitive training; reduces service calls.
- Program selectable for brewing regular or sweet tea.
- Equipped with integral electric sweetener pump.
- Built-in Self Diagnostic System – Includes real-time feedback of the brewing process and energy saving mode.
- Industry’s most effective mineral tolerant design.
- Encapsulated control boards – Protect against steam, water and impact.
SPECIFICATIONS
Electrical supply Requirements
| MODEL # | DESCRIPTION | PHASE | VOLTS | AMPS | HEATING CONFIG | WIRE | WATTS | HERTZ | CAPACITY |
| G4STB | Single, Iced Tea Brewing System | 1 PH | 120 V | 13.8 A | 1 X 1600 W | 2W + G | 1650 W | 50/60 Hz | 12.0 gal/hr [45.4 l/hr] |
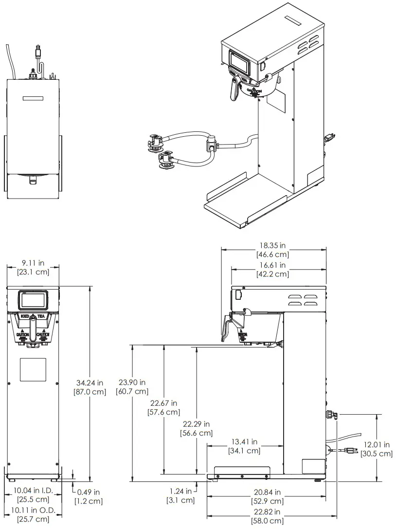
Dimension
Water supply Requirements
| MODEL # | HEIGHT | WIDTH | DEPTH | SHIP WEIGHT | SHIP CUBE | WATER CONNECTOR | WATER PRESSURE | MIN. FLOW RATE |
| G4STB | 34.24” [87.0 cm] | 10.11” [25.7 cm] | 22.82” [58.0 cm] | 48.0 lbs [21.8 kg] | 9.14 cu. ft. [0.26 m3] | 1/4” fl DUH | 20 – 90 psi [138 – 620 kPa] | 1.0 gpm [3.8 l pm] |
Following are the factory default settings for the brewer:
- Brew Temperature = 204°F (96°C)
- Minimum Brew Temperature = 199°F (92°C)
- Brew Volume = Large-Small
- Energy Save Mode = Off
IMPORTANT SAFEGUARDS
Symbols
This is the safety alert symbol. It is used to alert you to potential physical injury hazards. Obey all safety messages that follow this symbol to avoid possible injury or death.
DANGER – Indicates a hazardous situation which, if not avoided, will result in death or serious injury.
WARNING – indicates a hazardous situation which, if not avoided, could result in death or serious injury.
CAUTION – Indicates a hazardous situation which, if not avoided, could result in minor or moderate injury.
NOTICE – Indicates a situation which, if not avoided, could result in property damage.
IMPORTANT – Provides information and tips for proper operation.
SANITATION REQUIREMENTS
WARNING – This product can expose you to chemicals including Acrylamide and Bisphenol A (BPA), which are known to the State of California to cause cancer and birth defects or other reproductive harm.
For more information visit www.P65Warnings.ca.gov.
Important Safeguards/Conventions
WARNING:
- Make sure that this appliance is installed and grounded according to the INSTALLATION INSTRUCTIONS by qualified personnel before attempting to use it. Failure to follow the INSTALLATION INSTRUCTIONS could result in personal injury or void the warranty.
- This appliance is designed for commercial use. Any service other than cleaning and preventive maintenance should be performed by an authorized Wilbur Curtis service technician.
- To reduce the risk of fire or electric shock, DO NOT open the service panels. There are no user serviceable parts inside.
- Keep hands, arms and other items away from hot surfaces of the unit during operation.
- Clean the appliance and any dispensers completely before using them for the first time according to the CLEANING INSTRUCTIONS. Clean them regularly as instructed in the CLEANING INSTRUCTIONS.
- Use this appliance only for its intended use, brewing/dispensing hot and/or cold beverages/water.
- This appliance is not intended for use by persons (including children) with reduced physical, sensory or mental capabilities or lack of experience and knowledge, unless they have been given supervision or instruction concerning use of the appliance by a person responsible for their safety. Children should be supervised to ensure that they do not play with the appliance.
- Avoid spillage onto the power (mains) connector.
CE Requirements
- This appliance must be installed in locations where it can be overseen by trained personnel.
- For proper operation, this appliance must be installed where the temperature is between 5°C to 36°C.
- This appliance is not suitable for outdoor use.
- This appliance shall not be tatted more than 10° for safe operation.
- 6Anelectrician must provide electrical service as specified in conformance with all local and national codes.
For safe use, an all-pole disconnection must be incorporated into the fixed wiring in accordance with the wiring rules outlined in clause 7.12.2 of IEC 60335 for meeting the minimum electrical safety of this standard. - This appliance must not be cleaned by water jet.
- This appliance can be used by persons aged from 18 years and above if they have been given supervision or instruction concerning use of the appliance in a safe way and if they understand the hazards involved.
- Keep the appliance and its cord out of reach of children aged less than 18 years.
- Appliances can be used by persons 18 years and above with reduced physical, sensory or mental capabilities or lack of experience and knowledge if they have been given supervision or instruction concerning use cf the appliance in a safe way and understand the hazards involved.
- Children under the age of 18 years should be supervised to ensure they do not play with the appliance.
- If the power cord is ever damaged, it must be replaced by the manufacturer or authorized service personnel with a special cord available from the manufacturer or its authorized service personnel in order to avoid a hazard.
- Machine must not be immersed for cleaning.
- Cleaning and user maintenance shall not be made by children unless they are older than 18 years and supervised.
- This appliance is intended to be used in household and similar applications such as:
– staff kitchen areas in shops, offices and other working environments;
– by clients in hotels, motels and other residential type environments:
– bed and breakfast type environments. - This appliance not intended to be used in applications such as:
– farm houses - Access to the service areas permitted by Authorized Service personnel only.
- The A-Weighted sound pressure level is below 70 dBA.
INSTALLATION INSTRUCTIONS
WARNING: Installation is to be performed only by a qualified installer.
WARNING: Improper electrical connection may result in an electric shock hazard or damage the unit. This appliance must be properly grounded.
NOTICE: DO NOT connect this appliance to a hot water supply. The water inlet valve is not rated for hot water. Do not exceed the maximum water pressure stated in the SPECIFICATIONS section.
IMPORTANT: Observe all governing codes and ordinances.
Installation Instructions
Installation Requirements
- A secure surface capable of supporting the weight of the appliance.
- For units without an attached cord set attached or dual voltage units set up for use with 220 – 240 Volts: Appropriately sized, UL listed, grounding type power cable to meet the electrical specifications for the appliance. If you have questions about the correct cable size and length, consult a qualified installer. If the appliance will be hard wired to a junction box, the power cable must be long enough so that the unit can be moved for cleaning underneath.
- A grounded electrical connection to an electrical circuit that meets the electrical specifications of the appliance (see SPECIFICATIONS). The circuit must be protected by the appropriate sized circuit breaker. If you are not certain that the existing circuit meets the requirements for your unit, consult a licensed electrician.
- A water filtration system is required to maintain trouble-free operation. Wilbur Curtis Co., Inc. recommends a Wilbur Curtis approved water filter. See the Curtis Equipment Catalog for a full line of Wilbur Curtis approved water filters.
- Potable water supply line connection from the water filter capable of supplying the minimum flow rate required by the specifications. The water supply line must be able to connect to the flare fitting on the back of the unit. See the SPECIFICATIONS section for the correct size. The water line should also be capable of being controlled by a shut off valve. Do not connect the water line to a saddle valve or needle valve.
IEC requires the following water connection:
- A quick disconnect or additional coiled tubing (at least two timestep depth of the appliance) is required so that it can be moved for cleaning underneath.
- This equipment is to be installed with adequate back-flow protection to comply with applicable federal, state and local codes.
- Water pipe connections and fixtures directly connected to a potable water supply shall be sized, installed and maintained in accordance with federal, state and local codes.
The International Plumbing Code of the International Code Council and the Food and Drug Administration (FDA) Food Code manual, direct that this equipment must be installed with adequate back-flow prevention in compliance with federal, state and local codes. For units installed outside of the U.S.A., make sure that the installation is in compliance with the applicable plumbing/sanitation code for your area.
Installation
Leveling
WARNING: Use the leveling legs to level the brewer only. Do not use them to adjust brewer height. Do not extend them higher than necessary.
- Position the brewer on the countertop. Level it left to right and front to back by turning the bottom of the legs.
Connect the Water Supply - Flush the water supply line prior to installation to purge air and debris from the water filter and tubing.
- Connect the water supply line to the flare fitting on the back of the brewer. Leave the water supply valve closed until the power is connected.
Connect the Brewer Wiring
Brewers With a Power Connector Mounted on the Back - Connect a C20 IEC power cord (not supplied) compatible with the electrical outlet installed in the facility and that meets specifications.
Brewers With a Strain Relief Mounted on the Back - Remove the front panel.
- Loosen the strain relief on the back of the brewer.
- On dual voltage units being operated at 220-240 Volts (nominal) disconnect the existing power cable from the terminal block and remove. Disconnect and cap the jumper wire between the “C” and “N” terminals on the terminal block.

- Feed the 220-240 Volt power cable into the brewer. The brewer may be wired for connection directly to a junction box or (if local ordinances permit) for use with a power plug that connects to an electrical outlet meeting the brewer SPECIFICATIONS.
- Connect the wires on the power cable to the terminal block inside the brewer.
- Tighten the strain relief and replace the front panel.
- If the power cord will be connected directly to the junction box, connect the power cable wires to the terminals in the junction box. See the ELECTRICAL SCHEMATIC for the power supply requirements.
WARNING: Turn off power to the junction box at the circuit breaker panel before connecting the power cable to the brewer. Lock out and tag the circuit breaker.
Brewers That Come With A Cord Attached - If not already installed, install the appropriate type of power plug for your locality. Consult local electrical codes to determine the approved type of power plug for your region.
Connect the Bag-in-Box (BIB) Sweetener –
Units Equipped for Brewing Sweet Tea Only
- Connect two bag-in-box (BIB) sweeteners to the brewer sweetener supply hoses as instructed in the OPERATING INSTRUCTIONS section. Connecting two bags allows the brewer to continue operating if one bag runs out. The length of the tubing from the transfer valve to each bag-in-box connector is should be 1 ft. (30.5 cm) to 3 ft. (91.4 cm). The total length of tubing from each bag-in-box connector to the brewer can be up to 6 ft. (183 cm) under optimal conditions.
Power Up the Brewer - Turn on the water supply valve.
- On units with a power plug, connect it to the appropriate electrical outlet.
WARNING: Connect the power cord only to the appropriate type and size electrical outlet. If it is not compatible, either have the cord replaced or have the electrical outlet upgraded by a licensed electrician. Do not use an extension cord. Do not use a power cord/plug that is damaged. - Make sure that the circuit breaker supplying power to the unit is on.
- Turn the toggle switch on the back of the brewer to the ON position. The water tank will start to fill. While the tank is filling, inspect the water supply line for leaks.
- When the water in the tank rises to the correct level, the heating elements will turn on automatically. Depending on the incoming water temperature and the electrical specifications, the water tank typically requires 20 to 30 minutes to reach the factory set operating temperature. When the water has heated, Ready to brew will be displayed on the LCD screen.

IMPORTANT: When operating the brewer at G) higher elevations, reduce the factory set operating temperature (204°F/96°C) by 2°F/1°C for each 1000 ft. (300 m) of elevation above 2000 ft. (600 m). See PROGRAMMING GUIDE. 19 Perform a brew cycle of a least 12 oz. (350 ml) to purge any remaining air from the system. See OPERATING INSTRUCTIONS. During the initial brew cycle and whenever the filter is replaced, you may hear the sounds of air being purged from the filter, tubing and water tank.
- If the unit is equipped with a hot water faucet, fill a coffee cup with hot water to purge air from the hot water line.
OPERATING INSTRUCTIONS
Brewing Instructions
WARNING – TO AVOID SCALDING, AVOID SPLASHING. Keep body parts clear of the brewer during brewing. Do not remove the brew basket while “Brewing” appears on the display.
WARNING – DO NOT refrigerate unused tea overnight for later consumption.
The G4 Tea Brewer is factory preset for optimal performance.
- The brewer should be ON. Contirm this at the rear toggle switch. “Ready to brew” should be on the display.

- Remove/open the lid from an empty tea dispenser and position it on the brew deck. Center it under the brew basket.

- Insert a clean paper filter into the brew basket. Fill with the proper amount of leaf tea. Level the tea in the filter.

- Slide the filled brew basket into the brew rails under the control panel. Slide it all the way back until it stops.

- Hold your finger on the appropriate brew icon. As soon as you hear the click of the brew valve, lift your finger. Brewing will begin.

- If a keypad appears on the display, the brew code feature is enabled (default is off}. Brewing will start immediately after you enter the brew code. See the PROGRAMMING GUIDE to set up/disable the brew code.

The brewer will brew coffee or tea based on the settings programmed into the universal control module (UCM). To change the settings, see the PROGRAMMING GUIDE.
Sweetener Bag-in-Box BIB Replacement/Connection Instructions
The sweet tea mixing system is designed to provide continuous operation, provided that two BIBs are always connected. When one BIB becomes empty, the system automatically switches over to the other one. Replace empty BIBs immediately to assure continuous operation

- Release the quick connect/disconnect connector (QCD) by pulling up on the hose and cap assembly on the opposite side. The plunger will pop up in the center of the QCD.

- Slide the QCD sideways off of the BIB spout.

- Place the new BIB container on the rack and remove the cardboard spout cover.

- Pull off the shipping cap that covers the spout on the bag.

- Place the QCD next to the spout, then slide sideways until it stops.

- Push in on the QCD plunger until it snaps into place.

The brewer will prime the new bag and begin to use the contents when the other bag runs out of sweetener. If the hoses are empty (for example on new units), place a container under the brew basket and press the PRIME button until sweetener comes out of the spout.
CLEANING INSTRUCTIONS
WARNING: HOT SURFACES – To avoid injury, allow the brewer and dispenser(s) to cool before cleaning.
NOTICE – Do not use cleaning liquids, compounds or powders containing chlorine (bleach) or corrosives.
These products promote corrosion and will damage the finishes. USE OF THESE PRODUCTS WILL VOID THE WARRANTY.
Cleaning The Brewer – Daily
WARNING: DO NOT immerse the brewer in water or any other liquid.
The brewer should be OFF. Turn the brewer off by flipping the rear toggle switch to the OFF position.
- Remove the dispenser(s). Wipe exterior brewer surfaces with a damp cloth to remove spills and debris.
- Remove the brew basket(s) and clean them in a mild detergent solution. Use a soft bristled brush for hard to clean areas. Rinse with clean water, then dry.
- Wipe the spray head area with a cloth soaked in a mild detergent solution. Rinse with a cloth soaked with clean water removing any residual detergent. Use a clean, soft cloth to dry.
- Dump out the drip tray(s) (if applicable). Rinse with clean water, then dry with a soft, clean cloth.
Cleaning The Brewer – Weekly
The brewer should be OFF. Turn the brewer off by flipping the rear toggle switch to the OFF position.
- Remove the spray head(s), unscrewing counterclockwise from the dome plate.
- Thoroughly clean and rinse the dome plate area.
- Clean the brew basket rails with a brush soaked with a mild detergent solution. Rinse the area with a cloth soaked with clean water, removing any residual detergent.
- Dry the area with a soft, clean cloth.
- Reattach the spray head(s).
Sweet Tea Mixing System Cleaning and Sanitizing (Weekly)
Use a concentrated sanitizing-cleaning solution to simplify the cleaning procedure. This procedure requires a solution of warm water and a granulated, concentrated sanitizer-cleaner, diluted as specified by the manufacturer in a one gallon bucket of clean warm water (maximum 1 20°F).
- Remove both quick connect/disconnect (QCD) connectors from the sweetener bag-in-box (BIB) product bags.
- Pull the caps off of the QCDs and immerse them in the container containing the sanitizing-cleaning solution.
- Place a large, empty container on the brew deck, below the spray head.
- Press the PRIME button until sanitizing-cleaning solution is coming out of the spout instead of sweetener.

- Push down or pull up on the knob on the top of the transfer valve until the arrow changes direction (see diagram). Push the PRIME button until the remaining sweetener has been purged from the hose system.

- Allow the brewer to sit for the amount of time specified by the sanitizer-cleaner manufacturer with the cleaning solution in the sweetener hoses/ lines.
- Flush the system by filling a one gallon container with clean, warm water (no cleaning solution).
Press the PRIME button until only clear water comes out of the system. - Push down or pull up on the knob on the top of the transfer valve until the arrow changes direction. Push the PRIME button again until the remaining cleaner has been flushed out of the hose system.
- Remove the QCDs from the bucket containing the hot water and replace the caps. Reconnect the QCDs to the BIB product bags.

- Press the PRIME button until sweetener is coming out of the dilution spout.
- Discard the solution that has poured into the container on the brew deck.
Cleaning the Tea Dispenser (Daily)
The following cleaning process requires a mild solution of dish-washing detergent and warm water, and One-Pro Beverage Equipment Cleaner (Curtis PN WC-79001). Mix the One-Pro cleaner at a ratio of 1 0z. (28 g.) per 5 gal. (19 L) of hot water (122°F/50°C min.).

Container
- Prepare a mild solution of detergent and warm water. Remove the dispenser from the brewer and remove the lid. Rinse.
- Wash – Wipe the exterior surfaces with a sponge and the detergent solution to remove spills and debris. Use the detergent solution and a soft bristled brush to wash the inside of the container.
- Rinse – Rinse with clean, warm water.
- Sanitize – Fill the container to the top with One-Pro cleaning solution, mixed as specified above. Allow the mixture to soak for 15 minutes, then drain. Fill the container to the top with warm clean water, then drain. Fill with water and drain a second time.
- Disassemble the faucet – Unscrew the faucet assembly from the dispenser. Then, unscrew the handle/bonnet assembly from the top of the faucet and remove. Inspect the seat cup for wear. Replace the seat cup if it is damaged.
- Air Dry – Turn the container upside down and allow to air dry.
Faucet, Lid and Drip Tray - Wash – Wash the lid, drip tray and faucet parts with the detergent solution.
- Rinse – Thoroughly rinse all parts with clean, warm water.
- Sanitize – After rinsing, place the faucet parts in One- Pro solution, mixed as specified above, and allow them to soak for 15 minutes.
- Air Dry – Remove the parts from the sanitizer, rinse them off thoroughly, and allow them to air dry.
- Reassemble – When dry, reassemble the handle/bonnet. Hand tighten the handle/bonnet onto the top of the faucet assembly. Hand-tighten the faucet assembly onto the dispenser outlet.
PROGRAMMING GUIDE
Touchscreen Control Module Overview
The touchscreen turns on whenever the rear toggle switch is on. The symbol buttons on the screen control operation and programming. Pressing the on-screen symbols and buttons with your finger tip activates the various functions. The default screen, as well as additional control buttons are shown below.
There are two methods for changing the default settings on G4 brewers. The settings can be programmed manually using the brewer touch screen (see below), or automatically using the USB (Universal Serial Bus) data port on the side of the brewer (see Automatic Programming – USB).

Manual Programming Mode
- Tap the (white) Curtis logo on the touchscreen five (5) times to enter programming mode.

- The ACCESS CODE screen will appear. The default pass code is 1 23 4. Once the code is entered, press OK. The MAIN MENU screen will appear. The access code can be reset in the Control Settings sub-menu, under Passwords.

- The MAIN MENU screen contains a series of sub- menu icons. The icons vary based on the model selected under the Model Select sub-menu. For the brewer to operate properly, the model selected must match the model series on the brewer model number label affixed to the outside of the machine.
Shown below and on the following pages are the sub-menus available for the programming MAIN MENU. The icons and programming options that appear vary based on the brewer model selected under Model Select.

Recipes Menu
Select from the following tea types: Standard Purple, Standard Gray, Standard Amber, Tropical Purple, Tropical Gray, 76/308 Purple or76/308 Gray. The factory default setting is Standard Purple. Selecting the tea type sets the temperature and various brew settings for the brewer, shown in the Brew Settings section, to the factory recommended settings for the type of tea being brewed. If desired, the individual brew settings may be changed once the tea type is selected to meet your brewing needs.
IMPORTANT: If you change any of the brewer settings on the following pages, some or all of them may be modified if you change the tea type afterward using the Recipes menu.
| Recipe Default Brew Settings All Full Batch, except Tea-Sweet and Dual-Sweet | |||||||
| Temperature | Tea by Volume | Tea by Time | Tea Dilution Volume | Tea Dilution Time | Tea Dilution Delay | Tea Dilution Stir | |
| Standard Purple | 204°F/96°C | 128 oz./3.8 L | 5 min. 10 sec. | 256 oz./7.6 L | 3 min. 59 sec. | 30 sec. | ON |
| Standard Gray | 204°F/96°C | 128 oz./3.8 L | 4 min. 27 sec. | 256 oz./7.6 L | 3 min. 59 sec. | 30 sec. | ON |
| Standard Amber | 204°F/96°C | 128 oz./3.8 L | 4 min. 45 sec. | 256 oz./7.6 L | 3 min. 59 sec. | 30 sec. | ON |
| Tropical Purple | 204°F/96°C | 96 oz./2.8 L | 3 min. 52 sec. | 276 oz./8.2 L | 4 min. 18 sec. | 9 min. | OFF |
| Tropical Gray | 204°F/96°C | 96 oz./2.8 L | 3 min. 20 sec. | 276 oz./8.2 L | 4 min. 18 sec. | 9 min. | OFF |
| 76/308 Purple | 196°F/91°C | 76 oz./2.2 L | 3 min. 04 sec. | 308 oz./9.1 L | 4 min. 48 sec. | 4 min. | OFF |
| 76/308Gray | 196°F/91°C | 76 oz./2.2 L | 2 min. 39 sec. | 308 oz./9.1 L | 4 min. 48 sec. | 4 min. | OFF |
| Recipe Default Brew Settings All Half Batch, except Tea-Sweet and Dual-Sweet | |||||||
| Temperature | Tea by Volume | Tea by Time | Tea Dilution Volume | Tea Dilution Time | Tea Dilution Delay | Tea Dilution Stir | |
| Standard Purple | 204°F/96°C | 64 oz./1.9 L | 2 min. 35 sec. | 128 oz./3.8 L | 1 min. 59 sec. | 30 sec. | ON |
| Standard Gray | 204°F/96°C | 64 oz./1.9 L | 2 min. 13 sec. | 128 oz./3.8 L | 1 min. 59 sec. | 30 sec. | ON |
| Standard Amber | 204°F/96°C | 64 oz./1.9 L | 2 min. 22 sec. | 128 oz./3.8 L | 1 min. 59 sec. | 30 sec. | ON |
| Tropical Purple | 204°F/96°C | 48 oz./1.4 L | 1 min. 56 sec. | 138 oz./4.1 L | 2 min. 09 sec. | 4 min. | OFF |
| Tropical Gray | 204°F/96°C | 48 oz./1.4 L | 1 min. 40 sec. | 138 oz./4.1 L | 2 min. 09 sec. | 4 min. | OFF |
| 76/308 Purple | 196°F/91°C | 38 oz./1.1 L | 1 min. 32 sec. | 154 oz./4.6 L | 2 min. 24 sec. | 2 min. | OFF |
| 76/308Gray | 196°F/91°C | 38 oz./1.1 L | 1 min. 19 sec. | 154 oz./4.6 L | 2 min. 24 sec. | 2 min. | OFF |
| Recipe Default Brew Settings Tea-Sweet and Dual-Sweet, Full Batch | |||||||
| Temperature | Tea by Volume | Tea by Time | Tea Dilution Volume | Tea Dilution Time | Tea Dilution Delay | Tea Dilution Stir | |
| Standard Purple | 204°F/96°C | 128 oz./3.8 L | 5 min. 10 sec. | 256 oz./7.6 L | 3 min. 14 sec. | 30 sec. | ON |
| Standard Gray | 204°F/96°C | 128 oz./3.8 L | 4 min. 27 sec. | 256 oz./7.6 L | 3 min. 14 sec. | 30 sec. | ON |
| Standard Amber | 204°F/96°C | 128 oz./3.8 L | 4 min. 45 sec. | 256 oz./7.6 L | 3 min. 14 sec. | 30 sec. | ON |
| Tropical Purple | 204°F/96°C | 96 oz./2.8 L | 3 min. 52 sec. | 276 oz./8.2 L | 3 min. 33 sec. | 9 min. | OFF |
| Tropical Gray | 204°F/96°C | 96 oz./2.8 L | 3 min. 20 sec. | 276 oz./8.2 L | 3 min. 33 sec. | 9 min. | OFF |
| 76/308 Purple | 196°F/91°C | 76 oz./2.2 L | 3 min. 04 sec. | 308 oz./9.1 L | 4 min. 03 sec. | 4 min. | OFF |
| 76/308Gray | 196°F/91°C | 76 oz./2.2 L | 2 min. 39 sec. | 308 oz./9.1 L | 4 min. 03 sec. | 4 min. | OFF |
| Recipe Default Brew Settings Tea-Sweet and Dual-Sweet, Half Batch | |||||||
| Temperature | Tea by Volume | Tea by Time | Tea Dilution Volume | Tea Dilution Time | Tea Dilution Delay | Tea Dilution Stir | |
| Standard Purple | 204°F/96°C | 64 oz./1.9 L | 2 min. 35 sec. | 128 oz./3.8 L | 1 min. 36 sec. | 30 sec. | ON |
| Standard Gray | 204°F/96°C | 64 oz./1.9 L | 2 min. 13 sec. | 128 oz./3.8 L | 1 min. 36 sec. | 30 sec. | ON |
| Standard Amber | 204°F/96°C | 64 oz./1.9 L | 2 min. 22 sec. | 128 oz./3.8 L | 1 min. 36 sec. | 30 sec. | ON |
| Tropical Purple | 204°F/96°C | 48 oz./1.4 L | 1 min. 56 sec. | 138 oz./4.1 L | 1 min. 46 sec. | 4 min. | OFF |
| Tropical Gray | 204°F/96°C | 48 oz./1.4 L | 1 min. 40 sec. | 138 oz./4.1 L | 1 min. 46 sec. | 4 min. | OFF |
| 76/308 Purple | 196°F/91°C | 38 oz./1.1 L | 1 min. 32 sec. | 154 oz./4.6 L | 2 min. 01 sec. | 2 min. | OFF |
| 76/308Gray | 196°F/91°C | 38 oz./1.1 L | 1 min. 19 sec. | 154 oz./4.6 L | 2 min. 01 sec. | 2 min. | OFF |
Control Settings Menu
Temperature – sets the brewing temperature of the water held in the water tank. The factory default setting is 204°F/96°C. The setting range is 175°F to 206°F (79°C to 97°C).
Quality Timer – an audio and visual alarm that notifies the user that the tea is no longer fresh. The factory default setting is Disabled. When Enabled, an alarm sounds and “BREW FRESH TEA” appears on the display when the timer has expired. The setting range is 20 minutes to 10 hours.
Energy Save Mode – saves energy during periods of non-use. The factory default setting is No Change (energy saver off). The setting options are No Change, turn off the heating element after four hours of non-use or reduce the heating element temperature to 140°F (60°C) after four hours of non-use.
Sounds – turns the beeper heard each time a button is pressed, on or off. The factory default setting is On.
Diagnostics – runs the system auto-test. See the Troubleshooting Guide for more details.
Display Settings
- Brew Timer – turns the brew timer on the display on and off. The factory default setting is Show.
- Quality Timer – turns the quality timer display on and off. The factory default setting is Hide.
- Rinse Server Message – turns the “Rinse Server before Brewing” message display on and off. The factory default setting is Show.
- Iced Coffee Icon (units equipped for iced coffee) – replaces the iced tea icon in the lower right corner of the display with the iced coffee icon. The factory default setting is iced tea.
- Display Name – changes the company name that appears on the display. The factory default setting is blank.
- Screen saver – turns the display screen saver on and off. The factory default setting is Off.
Preventive Maintenance
- Maintenance Interval – turns on/off and adjusts the preventive maintenance brew monitor. The factory default setting is Disabled. When Enabled, the UCM measures the number of gallons brewed before the maintenance reminder appears on the display. The setting range is 25 to 3000 gallons (11,4060 liters).
- Service Telephone Number – sets the service phone number that appears on the display when the UCM detects an error condition. The factory default is 1-800-000-0000.
Brew Counter – When accessed, this feature displays the total number of brew cycles and the resettable brew cycle counter (number of brew cycles since last reset).
Passwords
- Programming Password – changes the programming menu password. Always active. The factory default is 1234.
- Brew Password – turns the brew access password feature on and off and is used to create the brew password. The factory default setting is Disabled. This feature prevents brewing by unauthorized persons. When Enabled, an access code keypad appears on the screen when the brew button is pressed. The correct access code must be entered before brewing will proceed.
- USB Password – turns the USB screen access password on and off and is used to create the USB access password. The factory default setting is Disabled. This feature prevents access by unauthorized persons to the USB programming screens. When Enabled, an access code keypad appears on the screen when the user attempts to access the USB menus.
Master Reset – resets the brewer universal control module (UCM) to the factory default settings.
Regional Settings
- SVUS – switches the brewer unit settings between US and metric. The factory default setting is US.
- Language – changes the language that appears on the display. The factory default setting is English.
Brew Settings Menu
When you first enter the Brew Settings programming menu, you will be asked to select (press) a BREW button to change the settings for. To program more than one BREW button, finish programming the first, then reenter the Brew Settings menu to program the second.
Tea by Volume – adjusts the volume brewed. See the Recipes section for the factory default values. With a dispenser in place, press START to begin. When the desired volume is reached, press STOP. The brew volume is now set.
Tea by Time – adjusts the amount of coffee brewed by time rather than by volume. See the Recipes section for the factory default values. The setting range is 0 seconds to 15 minutes.
Tea Dilution Volume – sets the tea dilution volume. See the Recipes section for the factory default values.
Tea Dilution Time – sets the amount of tea dilution according to time. See the Recipes section for the factory default values. The setting range is 0 seconds to 15 minutes.
Tea Dilution Delay – sets the delay until tea dilution begins. See the Recipes section for the factory default values. The setting range is 30 seconds to 15 minutes.
Tea Dilution Stir – turns the dilution stir feature On and Off. See the Recipes section for the factory default settings.
Tea Fast Brew – turns fast brew On and Off and adjusts the Delay Time when set to On. If On is selected, the Delay Time screen will appear.
Tea Pulse Brew – turns pulse brew On and Off and adjusts the pulse brew settings when set to On. If On is selected, subsequent screens will appear to adjust the Pulse Count, On Time and Off Time. Starts at the beginning of the brew cycle. Number of pulses is adjustable from 0 to 20. Pulse On Time is adjustable from 0 to 150 seconds. Pulse Off Time is adjustable from 1 to 150 seconds. Buttons can have independent pulse routines.
Tea Drip-Out – sets the Tea Drip-Out time. Drip-out allows additional time for tea to drain from the brew basket before “Brewing” disappears from the display. The setting range is 0 seconds to 15 minutes. The factory default setting is O seconds.
Sweetener Time (units equipped for brewing sweet tea only) – adjusts the amount of time sweetener is dispensed when brewing sweet tea. The setting range is 0 seconds to 10 minutes. The factory default settings are 2 minutes for full batch and 1 minute for half batch.
Sweetener Delay (units equipped for brewing sweet tea only) – sets the delay until sweetener begins to pour. The setting range is 0 seconds to 5 minutes. The factory default setting is O seconds.
Model Select Menu
Batch Size – The model number is set at the factory and should remain set to match the model number label affixed to the unit. However, this menu can be used by the end user to select whether the half-batch button appears on the display. Upon entering the Model Select sub-menu, select the correct model number and Full Batch or Full and Half Batch.
Automatic Programming – USB
Using the USB connection and a flash drive easily reprograms the settings by simply copying data.

A flash drive can copy all of the settings from one identical G4 brewer to another. Doing so eliminates the need to program each step individually using the touchscreen. This process also makes it easy to quickly standardize the program settings on multiple G4 brewers.
Use a flash drive that supports USB 2.0 or above and has a type-A USB connection. The storage capacity must be 2 GB minimum.
IMPORTANT: The flash drive must be completely blank. Erase any existing files on the drive before starting the following process.
Uploading the Software to the Flash Drive
- Make sure the brewer is on. Check to make sure that the brewer you are copying settings from is programmed as desired.
- Open the cover on the USB port and insert the connector on the empty flash drive. The port is located on the right side panel of the brewer, near the top. The universal control module (UCM) will upload all of the setup data onto the flash drive. The yellow LED icon on the top left of the touchscreen will light indicating that data is transferring. This process will only take a second to complete.
Downloading the Software to the Brewer from the Flash Drive
- Select the (identical) brewer you wish to make program changes to. The brewer must be on.
- Plug the loaded flash drive into the USB port on the brewer. The data copied from the first brewer will automatically download, overwriting all the settings that were on the second brewer.
- The red LED on the top left of the touchscreen will indicate that the download is in process. This will only take a second.
- Once the download is complete, the UCM will reboot so that the changes take effect.
- Remove the flash drive. The download is complete. The data on the flash drive can continue to be downloaded into as many identical brewers as needed.
USB File Transfer
This screen will be present whenever the USB flash drive is inserted, provided the brewer is not currently brewing.
The default action is “No Action”. The UCM will always create a backup on the flash drive before downloading settings/recipes or a screen-saver
If a firmware update is present on the flash drive, the firmware update procedure will be started before the screen is shown.

ROUGH-IN DRAWINGS
G4STB – Sweet Tea Brewer

ILLUSTRATED PARTS/RECOMMENDED PARTS
G4STB – Main Chassis – Exploded View
*Orientation varies with model and date of manufacture
G4STB – Main Chassis – Parts List
| ITEM # | PART # | DESCRIPTION |
| 1 | WC-58117 | COVER, TOP ALPGT/D500GT/D60GT TLP/TCTS/ CBS/GEMSS |
| 2 | WC-589-101 | TRANSFORMER,120VAC-24V 4.8A W/ LEADS & MOLEX CONNECTOR |
| 3 | WC-13478 | HARNESS ASSY COMPLETE G4TB |
| 4 | WC-43134 | O’RING, .426 X 9/16 O.D X .070 WALL EDPM TCTS |
| 5 | WC-58017-104 | COVER, FRONT TCTS |
| 6 | WC-66079 | SPOUT ASSY , DILUTION PLASTIC |
| 7 | WC-10000 | CONTROL MODULE, TOUCH SCREEN G4 |
| 8 | WC-3398 | BREW CONE, ASSY STD TEA NON METAL W/BLU SPLASH POCKET |
| 9 | WC-8531 | RAIL, BASE TCTD |
| 10 | WC-8556 | HEATSINK, ASSY DV ALPDS/D500AP TCTD/PTTD |
| 11 | WC-10001 | CONTROL MODULE, UPM 120/220V G4 |
| 12 | WC-3503 | LEG, 3/8”-16 STUD SCREW BUMPER |
| 13 | WC-5310 | TUBE, 5/16 ID x 1/8W SILICONE GEN USE |
| 14 | WC-5231 | COMPOUND, HEAT SINK 5OZ |
| 15 | WC-889 | VALVE, DUMP LEFT 120V 12W ALPHA’S/D1000/ GEM-12/TLP |
| 16A1 | WC-2977K | KIT, SPRAYHEAD FITTING METAL |
| 16B2 | WC-2977-101K | KIT, SPRAYHEAD FITTING PLASTIC |
| 17 | WC-29044-101 | SLEEVE, OVERFLOW ASSY GEN USE |
| 18 | WC-102 | SWITCH, TOGGLE NON-LIT SPST 15A 125/6A 250VAC RESISTIVE |
| 19 | WC-10008 | UNIVERSAL HOST ADAPTER USB |
| 20 | WC-37255 | KIT, DUAL VALVE WATER INLET |
| ITEM # | PART # | DESCRIPTION |
| 21 | WC-1200 | CORD, 14/3 SJTO 6’ BLK W/PLUG |
| 22 | WC-14045-101 | CURRENT SENSOR ASSY G4 |
| 23 | WC-1408 | CORD GRIP, 7/8” O.D. |
| 24 | WC-29025 | SPRAYHEAD, PURPLE ADVANCE FLOW |
| 25 | WC-895-105 | VALVE, INLET DUAL 120V 10W 2 GPM X .5 GPM |
| 26 | WC-3518 | LEG, GLIDE 3/8”-16 STUD SCREW |
| 27 | WC-1047-101K | KIT, PUMP SWEETENER W/FITTINGS 115V/.45A (INCLUDES MOUNTING HARDWARE AND BASE PLATE, REPLACES PN WC-1040 USED ON EARLIER UNITS) |
| 28 | WC-800 | VALVE, TRANSFER FLOJET SWEET TEA |
| 29 | WC-8653 | QCD, LIQUID BOX BAG CONNECTOR TCC1/TCC2 |
| 30A1 | WC-4320 | O’RING, 0.487I.D.x 0.693OD x0.103CS BUNA-N #112 |
| 30B2 | WC-43089 | GASKET, 1.00OD X .625 I.D. X .030 THK WHITE EPDM 70 SHORE |
| 31A1 | WC-4213-P | NUT, 5/8 LOCK PLATED |
| 31B2 | WC-4212-02 | NUT, 5/8-18 JAM PLASTIC |
| 32 | WC-4426 | SCREW, 8-32×3/8 PH HEAD TRUSS |
| 33 | WC-4458 | SCREW, 6-19 x 1/2” PHIL PAN HD TRI-LOBULAR 60-1 THRD FORMING |
| 34 | WC-4525 | SCREW, 8-32×1/4PHILLIPS TRUSS HD SS |
| 35 | WC-4607 | SCREW, 5/16-18×3/8”SS PAN HEAD |
| 36 | WC-4514 | SCREW, 8-32×3/8 PAN HEAD PH SS |
| 37 | WC-37132-101 | KIT, VALVE REPAIR FOR DELTROL WC-820WDR, WC-821WDR, WC-844WDR |
¹Units built 05/15/17 and later.
²Units built before 05/15/17. The plastic fitting may be replaced with a stainless steel fitting, O-ring, and nut (item 16A). The brew settings for the unit must be changed when changing fitting types. See the instructions that come with the new fitting.
G4STB – Recommended Parts to Stock
| ITEM # | PART # | DESCRIPTION |
| 10 | WC-8556 | HEATSINK, ASSY DV ALPDS/D500AP TCTD/PTTD |
| 13 | WC-5310 | TUBE, 5/16 ID x 1/8W SILICONE |
| 14 | WC-5231 | COMPOUND, HEAT SINK 5OZ |
| 15 | WC-889 | VALVE, DUMP LEFT 120V 12W ALPHA’S/D1000/ GEM-12/TLP |
| ITEM # | PART # | DESCRIPTION |
| 16A | WC-2977K | KIT, SPRAYHEAD FITTING METAL |
| 18 | WC-102 | SWITCH, TOGGLE NON-LIT SPST 15A 125/6A 250VAC RESISTIVE |
| 20 | WC-37255 | KIT, DUAL VALVE WATER INLET |
| 24 | WC-29025 | SPRAYHEAD, PURPLE ADVANCE FLOW |
WC-6277/WC-75236[-20] – Tank Assembly

| ITEM # | PART # | DESCRIPTION |
| 1A | WC-6277 | TANK, COMPLETE 1600W 120V D500GT/TCTS/ PTT/CBS |
| 1B1 | WC-75236 | TANK, ASSY D500GT/H/TCTS/PTT3/ CBS W/WC- 904 HEATING ELEMENT |
| 1C3 | WC-75236-20 | TANK, ASSY D500GT/H/TCTS/PTT3/CBS W/WC- 917 HEATING ELEMENT |
| 2 | WC-5853-102 | COVER, TOP HEATING TANK GEN USE |
| 3 | WC-43062* | GASKET, TANK LID |
| ITEM # | PART # | DESCRIPTION |
| 4Aa | WC-5528K* | KIT, WATER LEVEL PROBE, SILICONE |
| 4Bb | WC-5502-01* | KIT, PROBE, ASSY WATER LEVEL W/HEX FITTING, O-RING & NUT |
| 5A | WC-904-04* | KIT,ELEMENT, HEATING 1.6KW120V W/ JAM NUT & SILICONE O-RING |
| 5B3 | WC-917 | ELEMENT, HEATING 1.45KW 120V W/JAM NUTS |
| 6 | WC-1438-101* | SENSOR, TEMPERATURE TANK |
| 7 | WC-4394* | GUARD, SHOCK/HEATING ELEMENT FOR SINGLE HEATING ELEMENT |
| 8 | WC-523* | THERMOSTAT, MANUAL RESET 120/ 240 VAC 25A 220 DEG F MAX |
| 9 | WC-37365* | KIT, FITTING TANK INLET |
| 10 | WC-37266* | KIT, FITTING TANK OVERFLOW |
| 11 | WC-37317* | KIT, STRAIGHT FITTING & BUSHNG 8mm GEN USE |
| 122 | WC-2630* | BUSHING, CONICAL BLIND GEN USE |
1. For units without hot water faucet, specify that item 12 be installed in location shown when ordering
2. For units without hot water faucet
3. Canadian units
a. Units built 01/04/2019 and later.
b. Units built before 01/04/2019. Replaces WC-5527.
* Recommended parts to stock.
ELECTRICAL SCHEMATICS
G4 TEA BREWERS

TROUBLESHOOTING GUIDE
WARNING:
Electric Shock Hazard – the following procedures are to be performed only by a qualified service technician. Turn off power when replacing components. Neither Wilbur Curtis Co., Inc. nor the seller can be held responsible for the interpretation of this information, or any liability in connection with its use.
Scald and Burn Hazard – keep body parts clear of hot surfaces during troubleshooting.
IMPORTANT: If it is necessary to replace the G4 universal power module (UPM), always check all inlet, dump (brew), bypass* and dilution* valve coils for a short and replace the valve as necessary, before replacing the module. See the Valve Test Procedure, below to test for defective valves. *Some units do not have this function, see the ELECTRICAL SCHEMATIC.
Troubleshooting Guidelines
- If an error message appears on the display, consult the ERROR CODES section before troubleshooting.
- A brewer that is not level may not function properly. Make sure the brewer is properly leveled before proceeding.
- This troubleshooting guide identifies some, but not all, of the possible causes for common problems that can occur.
- Use this troubleshooting guide along with the appropriate ELECTRICAL SCHEMATIC.
Valve Test Procedure
Use a digital multi-meter to measure the resistance of valve coils.
Measure the resistance across the valve coil terminals with the wiring harness disconnected. Reverse the meter leads on the terminals and measure the resistance in the opposite direction. A resistance of less than 100 ohms, in either direction, indicates a shorted coil. The valve must be replaced.
lf a shorted coil is not detected, test for an open coil:
- Reconnect the valve terminals to the wiring harness.
- Power up the brewer and test the valve using the diagnostics in section TG11.
Water Not Hot Enough
- If the water heats, but is not hot enough, first check for the correct temperature setting on the control panel.
Reprogram as necessary. - If the temperature setting is OK, and the actual water temperature does not match setting on the control panel, replace the temperature sensor.
Water Heats More Slowly Than Usual
- Check for power across the terminals of the heating element(s). If power is being supplied, disconnect the heating element(s) and check for continuity. Replace a heating element if the resistance is too high (nominal resistance is 13 Ohms).
- If there is no power to the heating element(s), check the wiring to any element that does not have the proper voltage across it. Also check for corroded connections anywhere between the power cord and the heating element(s).
Dispenser Overflows During Brewin
- Check to make sure the control module (UCM) brew, bypass’ and dilution” levels are set properly.
- Check for a missing spray head. Replace as needed.
- Make sure the dispenser is empty before starting the brew cycle. If not, empty it before brewing.
*Some units do not have this function, see the ELECTRICAL SCHEMATIC.
No Power – Display Not Lit
- Make sure the circuit breaker to the circuit supplying power to the brewer is not tripped and is turned on.
- On brewers with a power plug, make sure it is connected to the power receptacle.
- Make sure that the main power toggle switch on the back panel is turned ON.
- Verify that all wires from the power cord are properly connected inside the unit. Check to make sure the wires are not burned/overheated. Check chassis ground.
- Check the low voltage input to the universal control module (UCM) from the transformer (see the ELECTRICAL SCHEMATIC). If there is power into the UCM, but the display is blank, the UCM is probably bad.
- If there is no power into the UCM, trace the circuit back (using the wiring diagram) to the power cord to find out where power is lost. If there is power into the thermostat reset switch, but not out, see step 7.
- If there is power into the thermostat reset switch, but not out, check to make sure that the water tank is not empty. If the tank is empty, the reset switch has probably opened up due to a low water level, go to Water Tank Does Not Fill. lf there is water in the tank, but no power out, push in on the reset switch button to see if it restores power. If power is restored, check to make sure that the switch is not opening up at the wrong temperature (the switch should not open up at normal water temperatures). If there is still no power through the switch after pushing the button, replace the thermostat reset switch.
Brewer Does Not Start When Brew Button is Pressed
- If Brewing appears on the display, check for faulty wiring and connections between the universal power module (UPM) and the valves.
- If Brewing does not appear on the display, check for a faulty universal control module (UCM) or universal power module (UPM).
Sensor Error Message
This error indicates a malfunction (open circuit) in the temperature sensor system. Once the malfunction is corrected, the error message must be cleared. To reset the brewer and return to normal operation, turn the toggle switch on the back of the brewer to the OFF position for 5 seconds, then back ON.
- Check the resistance across the leads of the temperature sensor while it is disconnected from the universal power module (UPM). If an open circuit is measured (resistance above 200 k), replace the sensor.
- If the sensor resistance is less than 200 k check the sensor wires for corrosion and reconnect them to the UPM. Afterward, if the error message comes back after resetting the control and power modules, replace the UPM.
Water Tank Overfills
- Turn the toggle switch on the back of the brewer ON and OFF. If water continues to flow when the switch is in both positions, replace the inlet valve.
- If water stop flowing to the water tank when the toggle switch is turned OFF and continues when the switch is turned back ON, remove the orange wire from the water probe on the tank. While power is ON, short the end of the orange wire to the metal surface on the outside of the tank. If the water tank stops filling when the orange wire is shorted to the tank, check for a corroded connection at the water probe.
- If water does not stop flowing when the orange wire is shorted to the tank, check the tank ground connection and the continuity of the orange wire connecting to the universal power module (UPM). If both are OK, replace the UPM.
Water Tank Does Not Fill
IMPORTANT: No water or low water in the tank can cause the tank to overheat, resulting in the thermostat reset switch opening. If after correcting a tank fill problem there is no power to the control panel, push the reset switch button to reset.
- Check to make sure the water supply is turned on. Check for a plugged water supply line or plugged inlet valve.
- If there are no plugs in the water supply line, check for power across the inlet valve terminals. If power is being supplied, but there is no water flow, replace the inlet valve.
- If power is not being supplied to the inlet valve, check the wires between the universal power module (UPM) and the inlet valve. Check for corroded connections.
- If the wiring between the UPM and the inlet valve is OK, but there is no power to the inlet valve, remove the orange wire from the water tank probe. If the water tank starts to fill, replace the water probe. If the water tank does not start to fill, replace the UPM.
Coffee/Tea Too Strong
See Dispenser Not Filled To Normal Level During Brewing.
Dispenser Not Filled To Normal Level During Brewing
- Check to make sure that the universal control module (UCM) brew, bypass* and dilution” levels are set properly.
- Check to make sure that the flow rate and water pressure from the water supply line meet the minimum specifications for the brewer. See the SPECIFICATIONS section.
- Check to make sure that the spray head is clean and free of debris. Clean or replace as needed. Also make sure that the spray head is correctly aligned and that the tubing is routed properly to allow for maximum water flow (no kinks).
- Remove the brew basket and place a large container under the dump (brew) and dilution outlet points. Runa brew cycle and confirm that the dump (brew) valve, bypass* valve and dilution* valve open during the brew cycle. Check for flow through any exit point that is slow or non-existent. Not all valves open at the same time. If flow is restricted, check for obstructions in the related tubing or valve. If there are no obstructions, but flow through one particular valve is slow, it can be assumed that the particular valve is not opening ali the way and should be replaced. If water does not flow at all through a particular valve during the brew cycle, check to make sure that power is being supplied to the valve in question. Replace any valve that is not opening when power is applied to the terminals. If power is not being supplied to the valve, check the wiring between the valve and the universal power module (UPM). If the wiring is OK, replace the UPM.
*Some units do not have this function, see the ELECTRICAL SCHEMATIC.
Dispenser Overflows All Of The Time
- Check to see if water continues to flow from the spray head, the bypass” outlet or the dilution* spout when the toggle switch is turned OFF. Replace any valve that is stuck open.
*Some units do not have this function, see the ELECTRICAL SCHEMATIC. - If one or more of the valves mentioned in step 1 turns on when the toggle switch on the back is ON and turns off when the switch is OFF, replace the universal power module (UPM).
No Water/Tea Flows From Brewer During Brewing
- Make sure that the water supply is turned on.
- Check to see if the water in the tank is level with the water tank probe? If not, see Water Tank Does Not Fill.
- If the water tank is full, the water is hot and power is on, but NO water flows during a brew cycle, the problem is usually a bad universal power module (UPM). Run a brew cycle and check for power from the UPM to the dump (brew), bypass” and dilution’ valves. If there is no power output, replace the UPM.
*Some units do not have this function, see the ELECTRICAL SCHEMATIC.
Low Water Flow Warning
See Water Level Error Message.
Water Level Error Message
Water level fill error or overflow. This error message occurs when the inlet valve solenoid has been on too long during initial fill or tank refill, See the ERROR CODES section for the maximum times allowed. Once the malfunction is corrected, the error message must be cleared. To reset the unit and return to normal operation, turn the toggle switch on the back of the brewer to the OFF position for 5 seconds, then back ON.
- Check to make sure that the flow rate from the water supply line meets the minimum flow rate specifications for the brewer. Also check the water pressure. See the SPECIFICATIONS section.
- Check for blockage at the inlet valve inlet or outlet. Check for blockage in the tubing between the inlet valve and the water tank.
- Check the water probe wire for an open condition or corroded connections.
- If the probe connections are OK, cycle power to the unit by turning the rear toggle switch OFF, then ON. Check to see if power is applied to the inlet valve terminals. If power is applied to the terminals, but there is not water flow, replace the inlet valve.
- Check for power from the universal power module (UPM) to the inlet valve. If the wiring is OK, replace the UPM.
“Internal Error 1” Message on Display
Check the wiring harness that connects from pins 4, 9 and 11 of the 14-pin connector on the universal power module (UPM) to pins 2, 3 and 6 of the 8-pin connector on the universal control module (UCM).
“Internal Error 2” Message on Display
The universal power module (UPM) and universal control module (UCM) have a mismatch in their settings. A firmware update is needed. See PROGRAMMING GUIDE.
Water Does Not Heat At All
- Check to see if the water level in the tank is in contact with the water level probe. If not, see Tank Does Not Fill.
The water will not heat unless it is in contact with the probe. - If the water heats, but is not hot enough, see Water Not Hot Enough.
- If Ready to brew appears on the display, but the water is not hot, check the resistance across the leads of the temperature sensor. If the resistance is less than 10 k and the water is not hot, replace the temperature sensor.
If the sensor resistance is above 10k when the water is cool, replace the universal power module (UPM). If Heating… appears on the display, but the water is not hot, follow the steps below. The following steps are performed with the rear toggle switch in the ON position.
- Check for power across the terminals of the heating element(s). If power is being supplied, remove the wires and check for an open heating element.
- If there is no power to the element(s), trace the circuit back (using the ELECTRICAL SCHEMATIC) to the power cord to find out where power is lost. If there is power into the Triac but not out, see the following step.
- If there is power into a Triac, but not out, check for power at the gate terminal. Also check the wire to A2 from the UPM. If the connections are good and power is being supplied to the Triac, but there is no voltage out of A2, replace the Triac. If power is not being supplied from the UPM, but Heating… appears on the display, check the wiring from the UPM to the Triac. If the wiring is OK, replace the UPM.
Water Too Hot (Boiling or Excessive Steaming)
IMPORTANT: Before proceeding, make sure that the control panel temperature is adjusted to compensate for higher elevations. The factory setting is 204°F. Reduce the temperature setting two degrees for every 1000 feet of elevation above 2000 feet.
- If Over Temp Sensor or Ready to Brew appears on the display and the water is too hot, go to Over Temp Sensor Error Message.
- If the display reads Heating constantly, first check to make sure that the temperature sensor is attached tightly to the tank and that heat sink compound was used. A properly mounted sensor should have a resistance of around 7 k when the water is hot. If not, replace the sensor.
- Check to see if the universal power module (UPM) constantly has power output to the triac, regardless of the resistance of the temperature sensor. If so, the UPM is probably bad.
- If the UPM is working properly, check for a shorted Triac.
Over Temp Sensor Error Message
This error message indicates that the universal control module (UCM) has detected a water overheating problem. The universal power module (UPM) is reading a water temperature in the tank above 210°F. If the water temperature is too hot, but Heating… appears on the display, see Water Too Hot. Once the malfunction causing the error is corrected, the error message must be cleared. To reset the brewer and return to normal operation, turn the toggle switch on the back of the brewer to the OFF position for 5 seconds, then back on.
- Check for power at the gate terminal on the Triac. If there is no power at the Triac gate terminal but the heating elements are always on, replace the Triac.
- Turn off power to the brewer and allow water tank to cool. Once cool, turn power back on while monitoring the Triac gate voltage. During normal operation, power should be applied to the gate terminal, then drop to below 1 Vac. The universal power module (UPM) should be replaced if power is applied to the Triac gate constantly even though Ready to brew or Over Temp Sensor appears on the display.
- If the UPM is operating normally, check for a false over-temp error caused by the temperature sensor. Check the resistance across the leads of the temperature sensor. if the resistance is less than 10 k when the water is cool, replace the temperature sensor.
Sweetener Does Not Flow into Dispenser During Sweet Tea Brewing Cycle
- Check to see if both of the bag-in-box (BIB) product bags are empty.
- Check for obstructions in the tubing anywhere between the BIBs and the dilution spout. If one BIBs is empty, check to make sure that the transfer valve is in the correct position.
- If the tubing system is OK, check to see if power is being supplied to the sweetener pump during the brew cycle. If power is being supplied to the pump, but no sweetener flows, the pump may be obstructed or bad.
- If power is not being supplied to the pump, check the wiring to the pump, then check for proper pump output power from the UPM (on G4 models) or the UCM (on G3 models).
Overview
The G4 control module diagnostics can be used to detect electrical circuit failures in the brewer. When a circuit failure is identified, the individual components and wiring in the circuit must be checked to determine the exact cause of the failure using the ELECTRICAL SCHEMATIC. If a failure is not detected using the diagnostics, troubleshoot the problem according to the symptoms listed in other sections of this TROUBLESHOOTING GUIDE.
The diagnostics can also be used to help diagnose certain mechanical failures. See the following steps.
Using the Diagnostics
- Enter programming mode by tapping the (white) Curtis logo on the touchscreen five (5) times.
- Enter the access code, then press OK (the default code is 123 4).
- The MAIN MENU screen will appear. Press Control Settings.
- Press Diagnostics. When prompted, place an empty container under the brew basket, then press OK.
- Press a button to test the desired circuit or Auto Test to test all circuits. If a button is highlighted green the circuit has passed the (electrical) test. If the button is highlighted red, the circuit has failed the test.
If the circuit tested fails, check to make sure that power is being supplied to the component during normal operation. If power is supplied, and it does not operate, replace the component. If power is not being supplied, check the wiring and the UPM.
If a valve circuit passes the test, check for a mechanical failure by listening for the valve to “click” when the test button is pressed. To check for a failed pump, run a brew cycle and check for fluid flow through the pump.

ERROR CODES
Warning Messages – Allows Brewer to Continue Brewing
| MESSAGE DISPLAY | WARNING DESCRIPTION | CAUSE |
| Maintenance Required | Maintenance Required | Brew count “Gallons Since Reset” exceeds programmed preventative maintenance period. |
| Low Water Flow Warning | Low Water Flow | If the Inlet valve remains on longer than XX seconds (during the brew cycle only) and repeats TWICE during that brew cycle. It shall clear upon the next brew and if the same low flow exists again, it will re-appear. XX = Alpha 20 secs; Gem/ TP Twin 40 secs; Gem/TP Single 30 secs. |
| Internal Error 2 | UPM-UCM have a mismatch in their settings. | UPM-UCM have a mismatch in their settings, firmware update needed. |
Error Messages – Brewer Will Stop Brewing
| MESSAGE DISPLAY | ERROR DESCRIPTION | CAUSE |
| Water Level Error | Fill run error/Overflow | The water inlet valve has either been open for more than 10 minutes on the initial tank fill or has been open for 120 seconds on large brewers and 30 seconds on CGC, Seraphim®, tea, or combo brewers in normal operation. |
| Sensor Error | Open Sensor | Break in the temperature thermistor circuit or short circuit. |
| Over Temp. Error* | Excess Temperature | The sensor is reading that the temperature in the heating tank has risen above 210°F, or the sensor has shorted to ground. |
| Internal Error 1 | UPM-UCM Communication | Break in the UPM-UCM communication circuit. |
* This error is disabled on CGC and Seraphim® models.
Configuration Error Massage – Brewer Will Not Function Properly
| MESSAGE DISPLAY | ERROR DESCRIPTION | CAUSE |
| Configuration Error | UPM software revision does not support the model selected. | The universal power module (UPM) has an old software version and is not compatible with the brewer model in which it has been installed. |
PRODUCT WARRANTY
Wilbur Curtis Co., Inc. certifies that its products are free from defects in material and workmanship under normal use. The following limited warranties and conditions apply:
3 years, parts and labor, from original date of purchase on digital control boards
2 years, parts, from original date of purchase on all other electrical components, fittings and tubing
1 year, labor, from original date of purchase on all other electrical components, fittings and tubing
Additionally, Wilbur Curtis Co., Inc. warrants its grinding burrs for four (4) years from the date of purchase. Stainless steel components are warranted for two (2) years from the date of purchase against leaking or pitting. Replacement parts are warranted for ninety (90) days from the date of purchase or for the remainder of the limited warranty period of the equipment in which the component is installed.
All in-warranty service calls must have prior authorization. For authorization, call the Technical Support Department at 800-995-0417. Additional conditions may apply. Go to www.wilburcurtis.com to view the full product warranty information.
CONDITIONS & EXCEPTIONS
The warranty covers original equipment at time of purchase only. Wilbur Curtis Co., Inc., assumes no responsibility for substitute replacement parts installed on Curtis equipment that have not been purchased from Wilbur Curtis Co., Inc. Wilbur Curtis Co., Inc. will not accept any responsibility if the following conditions are not met. The warranty does not cover
- Adjustments and cleaning: The resetting of safety thermostats and circuit breakers, programming and temperature adjustments are the responsibility of the equipment owner. The owner is responsible for proper cleaning and regular maintenance of this equipment.
- Replacement of items subject to normal use and wear: This shall include, but is not limited to, spray heads, faucets, light bulbs, shear disks, “0” rings, gaskets, silicone tubing, silicone elbows, canister assemblies, whipper chambers and plates, mixing bowls, agitation assemblies and whipper propellers.
The warranty is void under the following drcumstances:
- Improper operation of equipment: The equipment must be used for its designed and intended purpose and function.
- Improper installation of equipment: This equipment must be installed by a professional technician and must comply with all local electrical, mechanical and plumbing codes.
- Improper voltage: Equipment must be installed at the voltage stated on the serial plate supplied with this equipment.
- Improper water supply: This includes, but is not limited to, excessive or low water pressure and inadequate or fluctuating water flow rate.
- Damaged in transit: Equipment damaged in transit is the responsibility of the freight company and a claim should be made with the carrier.
- Abuse or neglect (including failure to periodically clean or remove lime accumulations): The manufacturer is not responsible for variation in equipment operation due to excessive lime or local water conditions. The equipment must be maintained according to the manufacturer’s recommendations.
- Unauthorized repair or modification: This equipment must be serviced only by qualified service technicians, using factory specified parts to factory specifications.
- Modified/Missing Serial Tag: The serial number label (tag) must not be defaced or removed.
Repairs and/or Replacements are subject to Curtis’ decision that the workmanship or parts were faulty and the defects showed up under normal use. All labor shall be performed during regular working hours. Overtime charges are the responsibility of the owner. Charges incurred by delays, waiting time, or operating restrictions that hinder the service technician’s ability to perform service is the responsibility of the owner of the equipment This includes institutional and correctional facilities. Wilbur Curtis Co., Inc. will allow up to 100 miles, round trip, per in-warranty service call.
Return Merchandise Authorization (RMA): All claims under this warranty must be submitted to the Wilbur Curtis Technical Support Department prior to performing any repair work or retum of this equipment to the factory. All returned equipment must be properly repackaged in the original carton and received by Curtis within 45 days following the issuance of a RMA. No units will be accepted if they are damaged in transit due to improper packaging. NO UNITS OR PARTS WILL BE ACCEPTED WITHOUT A RETURN MERCHANDISE AUTHORIZATION (RMA). THE RMA NUMBER MUST BE MARKED ON THE CARTON OR SHIPPING LABEL. All warranty claims must be submitted within 60 days of service. Invoices will not be processed or accepted without a RMA number. Any defective parts must be returned in order for warranty invoices to be processed and approved. All in-warranty service calls must be performed by an authorized service agent. Call the Wilbur Curtis Technical Support Department to find an agent near you.
FC8 – G4STB, FRONT COVER
070620C
F – 10006 rev B
Contact Information
Wilbur Curtis Co., Inc.
6913 Acco Street | Montebello, CA 90640 US
Phone: 323-837-2300 | Toll Free: 800-421-6150
Email: [email protected] | Web: www.wilburcurtis.com
For the latest specifications and information go to www.wilburcurtis.com
Toll Free: 800-995-0417 | Monday – Friday 5:30 a.m. – 4:00 p.m. PT
Email: [email protected]
Due to continued product improvement, the products illustrated/photographed
in this guide may vary slightly from the actual product.
G4STB, CONTENTS LIST 070620A
Connect the Water Supply
Connect the Brewer Wiring
Brewers With a Strain Relief Mounted on the Back
Brewers That Come With A Cord Attached
Connect the Bag-in-Box (BIB) Sweetener –
Power Up the Brewer
















Faucet, Lid and Drip Tray




















