G3 TPX 1.5 Gallon
Coffee Brewing System
USER GUIDE 
G3 TPX 1.5 Gallon Coffee Brewing System
READ AND SAVE THESE INSTRUCTIONS
NOTICE TO INSTALLER: Please leave this booklet with the machine.
KEY FEATURES/SPECIFICATIONS/SYSTEM REQUIREMENTS
Key Features
- G3 Digital control module provides precise control over all aspects of brewing in an intuitive, easy-to-operate system, including time, temperature, volume plus specialty coffee needs, from pre-infusion to pulse-brewing to water bypass.
- Built-in Self Diagnostic System – Includes real-time feedback of the brewing process and energy saving mode.
- Stainless steel Thermo Pro® vacuum-sealed servers keep coffee fresh, hot and flavorful.
- Pre-Set Global Recipes at the Touch of a Single Button – No complex equipment required.
- Centrally located hot water spout for instant hot beverages and other hot water needs.
- Industry’s most effective mineral tolerant design.
Specifications (Selected Models)
Electrical Supply Requirements
| MODEL # | DESCRIPTION | PHASE | VOLTS | AMPS | HEATING CONFIG | WIRE | WATTS | HERTZ | CAPACITY |
| TPX2S10A3100 | Single brewer. 220 Volt | 1 PH | 220 V | 19.5 A | 2 x 2000 W | 3W + G | 4300 W | 50/60 Hz | 12.0 gal./hr. [45.4 Lihr.] |
| TPX2S63A3100 | Single brewer, dual voltage | 1 PH | 120/220 V | 15.0/12.7 A | 2 x 1600 W | 2W/3W + G | 1800/2800 W | 50/60 Hz | 4.5/12.0 gal./hr. [17.0/45.4 L/hr.J |
| TPX2T10A3100/ TPX2T12A3100 | Twin brewer | 1 PH | 220 V | 23.0/34.5 A | 3 x 2500 W | 3W + G | 5100/7600 W | 50/60 Hz | 15.0/21.0 gal./hr. [56.8/79.5 L/hr.j |
| TPX2T19A3100 | Twin brewer, 3 phase | 3 PH | 220 V | 20.0 A | 3 x 2500 W | 4W + G | 7600 W | 50/60 Hz | 21.0 gal./hr. [79.5 L/hr.] |
| TPX2T30A3100 | Twin brewer, 230 Volt | 1 PH | 230 V | 24.2 A | 2 x 2500 W | 2W + G | 5574 W | 50/60 Hz | 21.0 gal/.hr. [79.5 L/hr.] |
Dimensions
Water Supply Requirements
| MODEL # | HEIGHT | WIDTH | DEPTH | SHIP WEIGHT | SHIP CUBE | WATER CONNECTOR | WATER PRESSURE | MIN. FLOW RATE |
| TPX2S10A3100 TPX2S63A3100 | 36.48″ [92.7 cm] | 11.00″ [27.9 cm] | 19.72″ [50.1 cm] | 53.0 lb. [24.0 kg] | 9.70 cu. ft. [0.27 m3] | 3/8′ flare | 20 – 90 psi [138 – 620 kPa] | 1.0 gpm [3.8 Lpm] |
| TPX2T10A3100 TPX2T12A3100 TPX2T19A3100 TPX2T30A3100 | 36.48″ [92.7 cm] | 20.00″ [50.8 cm] | 20.62″ [52.4 cm] | 75.0 lb. [34.0 kg] | 14.08 cu. ft. [0.40 m3] | 3/8″ flare | 20 – 90 psi [138 – 620 kPa] | 2.0 gpm [7.6 Lpm] |
Following are the factory default settings for the ThermoPro brewer:
- Brew Temperature = 200°F (92°C)
- Brew Volume = Large-Medium-Small
- Water Bypass = On LARGE and MEDIUM brew only
- Energy Save Mode = Off
IMPORTANT SAFEGUARDS
Symbols
This is the safety alert symbol. It is used to alert you to potential physical injury hazards. Obey all safety messages that follow this symbol to avoid possible injury or death.
DANGER – Indicates a hazardous situation which, if not avoided, will result in death or serious injury.
WARNING – Indicates a hazardous situation which, if not avoided, could result in death or serious injury.
CAUTION – Indicates a hazardous situation which, if not avoided, could result in minor or moderate injury.
NOTICE – Indicates a situation which, if not avoided, could result in property damage.
IMPORTANT – Provides information and tips for proper operation.
SANITATION REQUIREMENTS
WARNING – This product can expose you to chemicals including Acrylamide and Bisphenol A (BPA), which are known to the State of California to cause cancer and birth defects or other reproductive harm. For more information visit www.P65Warnings.ca.gov.
Important Safeguards/Conventions
WARNING:
- Make sure that this appliance is installed and grounded according to the INSTALLATION
INSTRUCTIONS by qualified personnel before attempting to use it. Failure to follow the INSTALLATION
INSTRUCTIONS could result in personal injury or void the warranty. - This appliance is designed for commercial use. Any service other than cleaning and preventive maintenance should be performed by an authorized Wilbur Curtis service technician.
- To reduce the risk of fire or electric shock, DO NOT open the service panels. There are no user serviceable parts inside.
- Keep hands, arms and other items away from hot surfaces of the unit during operation.
- Clean the appliance and any dispensers completely before using them for the first time according to the CLEANING INSTRUCTIONS. Clean them regularly as instructed in the CLEANING INSTRUCTIONS.
- Use this appliance only for its intended use, brewing/dispensing hot and/or cold beverages/water.
- This appliance is not intended for use by persons (including children) with reduced physical, sensory or mental capabilities or lack of experience and knowledge, unless they have been given supervision or instruction concerning use of the appliance by a person responsible for their safety. Children should be supervised to ensure that they do not play with the appliance.
- Avoid spillage onto the power (mains) connector.
CE Requirements
- This appliance must be installed in locations where it can be overseen by trained personnel.
- For proper operation, this appliance must be installed where the temperature is between 5°C to 35°C.
- This appliance is not suitable for outdoor use.
- This appliance shall not be tilted more than 10° for safe operation.
- An electrician must provide electrical service as specified in conformance with all local and national codes. For safe use, an all-pole disconnection must be incorporated into the fixed wiring in accordance with the wiring rules outlined in clause 7.12.2 of IEC 60335 for meeting the minimum electrical safety of this standard.
- This appliance must not be cleaned by water jet.
- This appliance can be used by persons aged from 18 years and above if they have been given supervision or instruction concerning use of the appliance in a safe way and if they understand the hazards involved.
- Keep the appliance and its cord out of reach of children aged less than 18 years.
- Appliances can be used by persons 18 years and above with reduced physical, sensory or mental capabilities or lack of experience and knowledge if they have been given supervision or instruction concerning use of the appliance in a safe way and understand the hazards involved.
- Children under the age of 18 years should be supervised to ensure they do not play with the appliance.
- If the power cord is ever damaged, it must be replaced by the manufacturer or authorized service personnel with a special cord available from the manufacturer or its authorized service personnel in order to avoid a hazard.
- Machine must not be immersed for cleaning.
- Cleaning and user maintenance shall not be made by children unless they are older than 18 years and supervised.
- This appliance is intended to be used in household and similar applications such as:
– staff kitchen areas in shops, offices and other working environments;
– by clients in hotels, motels and other residential type environments;
– bed and breakfast type environments. - This appliance not intended to be used in applications such as:
– farm houses - Access to the service areas permitted by Authorized Service personnel only.
- The A-Weighted sound pressure level is below 70 dBA.
INSTALLATION INSTRUCTIONS
WARNING: Installation is to be performed only by a qualified installer.
WARNING: Improper electrical connection may result in an electric shock hazard or damage the unit. This appliance must be properly grounded.
NOTICE: DO NOT connect this appliance to a hot water supply. The water inlet valve is not rated for hot water. Do not exceed the maximum water pressure stated in the SPECIFICATIONS section.
IMPORTANT: Observe all governing codes and ordinances.
Installation Instructions
Installation Requirements
- A secure surface capable of supporting the weight of the appliance.
- For units without an attached cord set attached or dual voltage units set up for use with 220 – 240 Volts: Appropriately sized, UL listed, grounding type power cable to meet the electrical specifications for the appliance. If you have questions about the correct cable size and length, consult a qualified installer. If the appliance will be hard wired to a junction box, the power cable must be long enough so that the unit can be moved for cleaning underneath.
- A grounded electrical connection to an electrical circuit that meets the electrical specifications of the appliance (see SPECIFICATIONS). The circuit must be protected by the appropriate sized circuit breaker. If you are not certain that the existing circuit meets the requirements for your unit, consult a licensed electrician.
- A water filtration system is required to maintain trouble-free operation. Wilbur Curtis Co., Inc. recommends a Wilbur Curtis approved water filter. See the Curtis Equipment Catalog for a full line of Wilbur Curtis approved water filters.
- Potable water supply line connection from the water filter capable of supplying the minimum flow rate required by the specifications. The water supply line must be able to connect to the flare fitting on the back of the unit. See the SPECIFICATIONS section for the correct size. The water line should also be capable of being controlled by a shut off valve. Do not connect the water line to a saddle valve or needle valve.
IEC requires the following water connection:
- A quick disconnect or additional coiled tubing (at least two times the depth of the appliance) is required so that it can be moved for cleaning underneath.
- This equipment is to be installed with adequate back-flow protection to comply with applicable federal, state and local codes.
- Water pipe connections and fixtures directly connected to a potable water supply shall be sized, installed and maintained in accordance with federal, state and local codes.
The International Plumbing Code of the International Code Council and the Food and Drug Administration (FDA) Food Code manual, direct that this equipment must be installed with adequate back-flow prevention in compliance with federal, state and local codes. For units installed outside of the U.S.A., make sure that the installation is in compliance with the applicable plumbing/sanitation code for your area.
Installation
Leveling
WARNING: Use the leveling legs to level the brewer only. Do not use them to adjust brewer height. Do not extend them higher than necessary.
- Position the brewer on the counter top. Level it left to right and front to back by turning the bottom of the legs.
Connect the Water Supply - Flush the water supply line prior to installation to purge air and debris from the water filter and tubing.
- Connect the water supply line to the flare fitting on the back of the brewer. Leave the water supply valve closed until the power is connected.
Connecting the Power Cord (units without power cord installed or units being converted from 120 Volt to 200 – 240 Volt operation)
WARNING: Turn off power to the circuit at the circuit breaker panel before connecting the power cable to the brewer. Lock out and tag the circuit breaker. - Remove the screws that hold the front panel in place and remove it.

- Loosen the strain relief on the back of the brewer
- On units equipped with an existing 120 Volt power cord, disconnect the cord from the terminal block and remove it. Locate, disconnect and cap the jumper wire between the “C” and “N” terminals on the terminal block.
- Feed the end of the power cable, through the strain relief and into the unit and connect it to the power block according to the ELECTRICAL SCHEMATIC.
- Tighten the strain relief and replace the front panel.

- If a power plug will not be used, connect the power cable wires directly to the terminals in the junction box. See the ELECTRICAL SCHEMATIC for the power supply requirements.
Installing the Power Plug (units that do not have a pre-installed plug and will be connected to a power receptacle) - Connect the appropriate type of grounded power plug to the end of the power cord coming from the back of the unit.
Powering up the Unit
Units Operating with a power plug:
WARNING: Connect the power cord to the appropriate type and size electrical outlet. If the electrical outlet is not compatible with the power cord, have it upgraded by a licensed electrician. Do not modify the power plug. Do not use an extension cord. Do not use a power cord/plug that is damaged.
- Connect the power plug to the appropriate type of electrical outlet.
All Units: - Turn on the water supply valve.
- Make sure that the circuit breaker supplying power to the unit is on.

- Turn the toggle switch on the back of the brewer to the ON position. The water tank will start to fill. While the tank is filling, inspect the water supply line for leaks.
- On models that do not come with the control panel label installed, determine if the brewer will be setup for one, two or three batch mode. Find the appropriate label, included with the brewer. The three batch label has LARGE, MED and SMALL BREW on it, the two batch label has LARGE and SMALL BREW on it, and the one batch has only BREW on it. Peel the protective backing off of the desired label and affix it to the front of the universal control module (UCM). Go to the PROGRAMMING GUIDE section and program the brewer for the correct model and batch number.

IMPORTANT: When operating the unit at higher elevations, reduce the default operating temperature (200°F/92°C) by 2°F/1 °C for each 1000 feet (300 m) of elevation above 4000 feet (1200 m). See PROGRAMMING GUIDE. - When the water level in the tank rises to the correct volume, the heating elements will turn on automatically. Depending on the incoming water temperature and the electrical specifications, the water tank typically requires 20 to 30 minutes to reach the factory set operating temperature. When the water has heated, “Ready to Brew” should be on the display.
- Before brewing for the first time, dispense 12 oz./350 ml of hot water through the hot water faucet to help purge air from the tubing inside the brewer.
- Brew a cycle of at least 12 oz./350 ml, to purge any remaining air from the tubing. See OPERATING INSTRUCTIONS. During the initial brew cycle and whenever the filter is replaced, you may hear the sounds of air being purged from the filter, tubing and water tank.
OPERATING INSTRUCTIONS
WARNING – TO AVOID SCALDING, AVOID SPLASHING. Keep body parts clear of the brewer during brewing. Do not remove the brew basket while “Brewing” appears on the display.
The G3 ThermoPro Brewer is factory preset for optimal performance.
- The brewer should be ON. Confirm this at the rear toggle switch. “Ready to brew” should be on the display. If the brewer is connected to an inter-lock grinder, the grinder should be on. When inter-lock connection is made, grind coffee at this time.

- Center an empty dispenser under the brew basket. Mack, sure the satellite is pushed all the way back against the front cover and is making contact with the electrical socket. For best results, pre-heat the dispenser with 12 oz. (350 ml) min. of hot water for 1 min. then dump out.

- Insert a clean paper filter into the brew basket.

- Fill with the proper amount of ground coffee. Level the coffee in the filter.

- Slide the filled brew basket into the brew rails under the control panel. Slide it all the way back unit it stops.

- Press the brew button. Brewing will begin immediately
The brewer will brew coffee or tea based on the settings programmed into the universal control module (UCM). To change the settings, see the PROGRAMMING GUIDE section.
CLEANING INSTRUCTIONS
WARNING: HOT SURFACES – To avoid injury, allow the brewer and dispenser(s) to cool before cleaning.
NOTICE – Do not use cleaning liquids, compounds or powders containing chlorine (bleach) or corrosives. These products promote corrosion and will damage the finishes. USE OF THESE PRODUCTS WILL VOID THE WARRANTY.
Cleaning The Brewer – Daily
WARNING: DO NOT immerse the brewer in water or any other liquid.
The brewer should be OFF. Turn the brewer off by flipping the rear toggle switch to the OFF position.
- Remove the dispenser(s). Wipe exterior brewer surfaces with a damp cloth to remove spills and debris.
- Remove the brew basket(s) and clean them in a mild detergent solution. Use a soft bristled brush for hard to clean areas. Rinse with clean water, then dry.
- Wipe the spray head area with a cloth soaked in a mild detergent solution. Rinse with a cloth soaked with clean water removing any residual detergent. Use a clean, soft cloth to dry.
- Dump out the drip tray(s) (if applicable). Rinse with clean water, then dry with a soft, clean cloth.
Cleaning The Brewer – Weekly
The brewer should be OFF. Turn the brewer off by flipping the rear toggle switch to the OFF position.
- Remove the spray head(s), unscrewing counterclockwise from the dome plate.
- Thoroughly clean and rinse the dome plate area.
- Clean the brew basket rails with a brush soaked with a mild detergent solution. Rinse the area with a cloth soaked with clean water, removing any residual detergent.
- Dry the area with a soft, clean cloth.
- Reattach the spray head(s).
CLEANING INSTRUCTIONS
Cleaning the Thermal Dispenser (Daily)
The following cleaners are required to properly maintain the thermal dispenser:
- Mild solution of dish-washing detergent and warm water
- TABZ™ Coffee Equipment Cleaner Tablets*
- One-Pro Beverage Equipment Cleaner
WARNING: DO NOT immerse the dispenser or lid in water or any other liquid. Do not place the dispenser or lid in a dishwasher. Doing so will void the warranty. Do not use harsh powders or cleansers containing chlorine. Do not use a wire brush or scouring pad to clean inside the liner. To avoid damage, DO NOT use a brush to clean the faucet or the inside of the faucet shank (outlet).
IMPORTANT: Some dispensers have a stem on the bottom of the lid with a built-in sensor used for the FreshTrac® feature. Keep this stem free from coffee oil build-up for proper operation.
Cleaning the Container
- Remove the lid. Rinse the dispenser and lid.
- Wash – Prepare a mild solution of detergent and warm water. Wipe the exterior surfaces of the container and the lid with a sponge moistened with the detergent solution to remove spills and debris. Using the supplied brush, clean inside the fill tube on the lid. Fill the liner with the detergent solution. Use a sponge brush to scrub out the stainless steel liner.

- Rinse – Rinse out the liner and lid with clean, warm water.
- Sanitize – Reattach the lid, remove the cover and center the hole under the brew basket on the brewer. For 1.5 gal. (5.7 L) dispensers, drop one TABZ Z95 tablet into the brew basket. For 1.0 gal. (3.8 L) dispensers, drop two TABZ Z61 tablets into the brew basket. Slide the brew basket (with just the tablet[s] inside) into the brew rails on the brewer. Run a brew cycle and allow the liner to soak for 5 to 10 minutes after fluid stops flowing.

- Open the faucet and drain out the sanitizer (to clean the faucet shank).
- Fill the liner to the top with clean, warm water and drain through the faucet (to rinse the faucet shank).
- Fill the liner to the top with water a second time and drain through the faucet. Rinse the lid thoroughly, pouring water through the brew-through hole and tube, during rinsing.
- Disassemble the faucet – Unscrew the handle/ bonnet assembly from the top of the faucet and remove it. Inspect the seat cup for wear. Replace the seat cup if it is damaged.
Disassemble the sight gauge (some versions). Unscrew the cap and guard to dis-assemble. Remove the glass tube. Inspect it for cracks or chips. If broken, replace the glass with a new one. - Air Dry – Turn the container and lid upside down and allow to air dry.
Cleaning the Faucet Parts and Site Gauge - Wash – Wash a faucet and gauge glass parts (if applicable) with the detergent solution. Clean the inside of the gauge glass with a gauge brush soaked with detergent solution.
- Rinse – Thoroughly rinse all parts with clean, warm water.
- Sanitize – After rinsing, place _all faucet and gauge parts in a sink to be sanitized. Immerse them in One-Pro cleaner mixed at a ratio of 1 oz. (28 g.) per 5 gal. (19 L) of hot water (122°F/50°C min.). Allow the parts to soak for 15 minutes.
- Air Dry – Remove the faucet parts from the sanitizer, rinse thoroughly and allow them to air dry.

- Reassemble – When dry, reassemble the handle/ bonnet. Hand tighten the handle/bonnet onto the top of the faucet assembly, reinstall the site gauge (if applicable). If replacing a broken gauge glass, carefully remove any traces of glass from the silicone parts before inserting the new gauge glass tube. Reinstall the lid.
Cleaning the Airpot/Pour Pot (Daily)
WARNING: DO NOT immerse the Airpot/pour pot or lid assembly in water or any other liquid. Do not place the Airpot/pour pot or lid in a dishwasher. Placing a airpot or pour pot in a dishwasher will void the warranty.
Start by preparing a mild solution of detergent and warm water. Remove the airpot/pour pot from the brewer and remove/open the lid. On airports, remove the nozzle assembly. Rinse.
Cleaning Airpots
- Wash – Wipe the exterior surfaces of the airpot and lid with a sponge soaked with the detergent solution to remove spills and debris. Fill the liner with the detergent solution. Use a sponge cleaning brush to clean inside. Clean the spout/siphon tube with the detergent solution.
- Rinse – Rinse the airpot and the spout/siphon tube with clean, warm water.
- Sanitize – Sanitize the interior of the airpot, the spout/siphon tube and the lid, using a commercial sanitizer suitable for food grade applications. Swab, brush or pressure spray the sanitizing solution according to the directions on the package.
- Air Dry – Turn the airpot and lid upside down. Allow all parts to air dry
Cleaning Pour Pots
- Wash – Wipe the exterior surfaces of the pour pot and lid with a sponge soaked with the detergent solution to remove spills and debris. Fill the liner with the detergent solution. Use a sponge cleaning brush to clean inside.
- Rinse – Rinse the pour pot and the lid with clean, warm water.
- Sanitize – Sanitize the interior of the pour pot and the lid, using a commercial sanitizer suitable for food grade applications. Swab, brush or pressure spray the sanitizing solution according to the directions on the package.
- Air Dry – Turn the pour pot and lid upside down and allow to air dry.
NOTE: The stem on the bottom of TFT series pour pot lids have a built-in sensor used for the FreshTrac® feature. Keep this stem free from coffee oil build-up for proper operation. After cleaning, inverting the lid for 30 seconds resets the FreshTrac timer
PROGRAMMING GUIDE


Programming Options
See the previous page for instructions on accessing each individual menu.
Some menus save and exit automatically when a parameter is updated. Other menus exit to the previous menu when a parameter is saved. To exit, press
until EXIT appears on the display, then press
Global Recipes Menu
Select from the following coffee recipes: Gourmet STD (standard), Light Roast, Dark Roast, High Yield, Filter Pack, or Decaf. The factory default setting is Gourmet STD. Selecting the recipe sets the temperature and brew settings to the factory recommended settings for the recipe selected. If desired, the individual brew settings may be changed once the recipe has been selected to meet your brewing needs as shown in the Brew Settings section.
IMPORTANT: If you change any of the brewer settings on the following pages, some or all of them may be modified if you change the coffee recipe afterward using the Global Recipes Menu. 
| Recipe Default Brew Settings (all models except TP1 series) | ||||||
| Temperature | Pulse Brew | Bypass Large | Bypass Medium | Bypass Small | Pre- Infusion | |
| Gourmet STD | 200°F/92°C | C | 35% | 10% | 0% | OFF |
| Roast Light | 200°F/92°C | C | 45% | 15% | 0% | OFF |
| Dark Roast | 196°F/91°C | OFF | 25% | 5% | 0% | 60/60 |
| High Yield | 192°F/89°C | OFF | 35% | 10% | 0% | 60/60 |
| Filter Pack | 200°F/92°C | C | 0% | 0% | 0% | OFF |
| Decaf | 200°F/92°C | C | 0% | 0% | 0% | OFF |
| Recipe Default Brew Settings (TP1 series) | |||||
| Temperature | Pulse Brew | Bypass Large | Bypass Small | Pre Infusion | |
| Gourmet STD | 200°F/92°C | C | 10% | 0% | OFF |
| Light Roast | 200°F/92°C | C | 15% | 0% | OFF |
| Dark Roast | 196°F/91°C | OFF | 5% | 0% | 60/60 |
| High Yield | 192°F/89°C | OFF | 10% | 0% | 60/60 |
| Filter Pack | 200°F/92°C | C | 0% | 0% | OFF |
| Decaf | 200°F/92°C | C | 0% | 0% | OFF |
Non-Brew Programming Menu
Temperature – sets the brewing temperature of the water held in the water tank. The factory default setting is 200°F/92°C (Gourmet STD). The setting range is 170°F to 206°F (77°C to 97°C). Once accessed, press
or ► to choose the desired temperature. Then press 0 to set and exit.
Energy Save Mode – saves energy during periods when the brewer is not in use. The factory default setting is Off. When set to On or On-140°F, the brewer automatically shuts off four hours (two hours on older units) after the last brew cycle. Press the ON/OFF button to return to normal operation. Use the On-140°F setting to reach brewing temperature faster. On-140°F keeps the water temperature at 140°F (60°C) during periods of non-use. Once accessed, press
or ► to choose the desired setting. Then press
to set and exit.
Brew Count Odom – When accessed, this feature displays the total brew cycles since the odometer was last reset. Press
to exit or
reset and exit.
Quality Timer – (Gemini models) notifies the user that the coffee is no longer fresh. See the INTELLIFRES FEATURES section for a complete description of how the timer operates. The factory default setting is 2 hours (Off for GEMS and GEMT models). The setting range is 20 minutes to 4 hours for GEMSIF/GEMTIF series and 20 minutes to 3 hours, 50 minutes for GEMX series. Once accessed, press
or ► to choose the desired setting. Then press
to set and exit.
Brew Count Total – when accessed, displays the total brew cycles on the brewer. It cannot be reset. The display returns to the previous screen automatically after a few seconds.
Cold Brew Lock – adjusts the temperature at which the brewer will brew coffee when the BREW button is pressed (Ready to Brew appears on the display). The factory default setting is 5°F (3°C) below the water tank temperature setting. This feature also adjusts the temperature at which the heating element turns on to reheat the water in the tank. The available settings are 5°F, 15°F (8°C) and Off. Once accessed, press
or ► to choose the desired setting. Then press
to set and exit.
Master Reset – resets the brewer universal control module (UCM) to the factory default settings. Once accessed, “Are You Sure?” will appear on the display. Press
for Yes or ► for No.
Service Call – sets the service phone number that appears on the display when the UCM detects a SENSOR ERROR or WATER ERROR . Once accessed, press
or ► to choose the number to be changed. Then press
repeatedly to change the number value. Press
or ► to choose the next number to change or choose exit and press O.
Access Code – sets the access code entered to access programming mode. The factory default is 1-2-3-4. Once accessed, press
or ► to choose the number to change. Then press o repeatedly to change the number value (the range is 1 to 4). Press
or ► to choose the next number to change or choose exit and press
.
Banner Name – changes the company name that appears on the display. The factory default is Curtis. No name appears when all blanks are entered. Once accessed, press
or ► to choose the letter to change. Then press
repeatedly to change the number value. Press
or ► to choose the next number to change or choose ex and press
to exit.
Warmer Auto-Off – (GEMS, GEMT, GEMSIF, GEMTIF models) adjusts the length of time that elapses before the dispenser warmer shuts off automatically. This function takes priority over the quality timer. The factory default setting for GEMSIF/GEMTIF is 10 hours. For GEMS/GEMT the default is “disabled”. The setting range is 1 to 12 hours. Once accessed, press
or ► to adjust the number of hours. Then press
to set and exit.
P-Maintenance – turns on/off and adjusts the P-Maintenance (preventive maintenance) brew monitor. The factory default setting is Off. When On, the UCM measures the number of gallons brewed before the P-Maintenance reminder appears on the display. The setting range is 0 to 9500 gallons (36,000 liters). Once accessed, press
or 110. to choose the desired setting, then, press
to exit.
Beeper On/Off – turns the beeper that is heard each time a button is pressed on or off. The factory default setting is On. Once accessed, press
or ► to choose the desired setting. Then, press
to exit.
Drip-out Mode – sets the drip-out mode timer. After water stops flowing, it allows additional time for the coffee to drain from the brew basket before the brew basket lock releases. The factory default is 2 min. This feature reduces the chance that the brew basket will be removed too early. The setting range is
to 5 minutes. Once accessed, press
or ► to choose the desired setting, then, press
to exit.
Warmers Default – (Gemini models) sets the warmer temperature. The factory default setting is MED. The available settings are Off*, HIGH (188°F/87°C), MED (1859785°C) or LOW (182°F/83°C)**. Once accessed, press
or ► to choose the desired setting, then press
. On twin brewers press
or ► to choose the desired setting for the second warmer, then press
. Press
to exit.
*Off option not available on GEMX series models.
**GEMIF and GEMX only – based on a brew temperature of 200°F(92°C).
Display Brew Time – turns the display of the brew time during brewing On or Off. The factory default setting is On. Once accessed, press
or ► to choose the desired setting, then press
to exit.
Display Messages – turns display of the message “Rinse Server Before Brewing” On or Off The factory default setting is On. Once accessed, press
or ► to choose the desired setting, then press
to exit.
[QT] Display Timers [On/Off] – (some models, QT Alarm must be on) turns the quality timer countdown display On or Off. The factory default setting is Off. Once accessed, press
or ► to choose the desired setting. Then, press
to exit.
QT Alarm On/Off – (Gemini models) turns the quality timer audio alarm On or Off. The factory default setting is On for GEMS/GEMT models, Off for GEMIF and GEMX models. An audible alarm goes off when the quality timer has expired. Once accessed, press
or ► to choose the desired setting. Then, press
to exit.
Satellite Color – (GEMX series models only) changes the color scheme of the quality timer LEDs on the dispenser (satellite). Once accessed, press
or ► to choose the desired color to indicate “fresh” (On). Press
to save, then press
or ► to choose the desired color to indicate “expired”. Press
to save and exit.
Server Lockout – (GEMX series models only) turns the lockout feature On or Off. The factory default setting is Off. When set to On, the BREW button is disabled when there is fluid in the dispenser, provided that an IR equipped dispenser is in use (LOCKED appears on the display). Once accessed, press
or ► to choose the desired setting. Press
to save and exit.
Brew Button Programming Menu
When you first enter the Brew Button Programming menu, you will be asked to select (press) a BREW button to change the settings for. To program more than one BREW button, finish programming the first, then press ► until Exit appears on the display. Press
to exit, then re-enter the Brew Button Program to program the next one. The default brew settings assume that the amber AFS spray head is installed.
Brew by Volume – adjusts the volume brewed. The factory default settings are LARGE* 200 oz. ±8oz./5.9 L ±236 ml, MEDIUM** 132 oz. ±6oz./3.9 L ±177 ml, SMALL 64 oz. ±4oz/1.9 L ±118 ml. With a dispenser in place, press the BREW button that is illuminated. When the desired volume is reached, press the same BREW button again to stop the brew cycle and set the volume.
* Not applicable to TP1 series.
** This is the LARGE setting for TP1 series brewers.
Brew by Time – adjusts the amount of coffee brewed by time rather than by volume. The factory default settings are LARGE* 5 min.-25 sec., MEDIUM” 3 min.-32 sec., SMALL 1 min.-52 sec. Once accessed, press
or ► until the number of minutes is flashing. Then press
repeatedly to change the number value. Press
or ► until the number of seconds is flashing. Then press
repeatedly to change the number value. Press
or ► until “ex” is flashing, then, press
to exit.
* Not applicable to TP1 series.
** This is the LARGE setting for TP1 series brewers.
Pre-Infusion – sets the brewer Pre-Infusion time (Pulse Brew must be off to access, the factory default setting is Disabled). Pre-Infusion increases control of coffee clarity and extraction.
When turned on, the setting range is
to 60 seconds. Once accessed, press
or ► to choose the desired setting, then, press
to exit. To turn off pulse brew mode, choose
for the time.
When Pre-infusion is On, Pulse Brew disappears from the list of menu items.
Pulse Brew – selects the pulse brew pattern (Pre-Infusion must be off to access, the factory default setting is C). The pulse brew pattern selected “tunes” or changes the flavor of the coffee. Once accessed, press
or ► to choose the desired setting. Then, press
to exit.
When Pulse Brew is On, Cold Brew Lock is set to within 5°F (3°C) of the water temperature level and, Cold Brew Lock and Pre-Infusion disappear from the list of program selections.
| Setting | Description |
| A | Toward the beginning of brew cycle: 4 cycles of 10 seconds on and 10 seconds off, then on until end of brew cycle. |
| B | Starts towards ends of brew cycle. 4 cycles of 10 seconds off and 4 cycles of 10 seconds on. Ends when brew cycle ends. |
| C | Starts at beginning of brew cycle. 5 cycles of 25 seconds on and 20 seconds off, then on until end of brew cycle. |
| D | Manually set. Starts at beginning of brew cycle. Number of pulses is adjustable from 1 to 20. Pulse on time and off time are both adjustable from 5 to 150 seconds. |
| E | Manually set. Starts at beginning of brew cycle. Number of pulses is adjustable from 1 to 8. Pulse on time and off time are both adjustable from 1 to 150 seconds. |
Pulse Brew Guidelines
- Filter pack type coffees typically extract better with the A and B pulse setting.
- Decaffeinated coffees typically extract better with the B pulse setting.
- High-yield coffees typically extract better with the C pulse setting. Of course, any of the A, B or C settings may be used to suit your taste profile.
- Settings D and E are manual pulse counts.
By-Pass – helps control extraction with larger brews. The factory default settings are LARGE 35% (10% for TP1 series), MEDIUM 10%, SMALL Off. It reduces contact time to avoid extraction of undesirable bitter and harsh flavor compounds. The setting range is 0% to 50%. Once accessed, press
or ► to choose the desired setting, then, press
to exit.
Language Menu – changes the language that appears on the display. The factory default setting is English. This feature is programmable for changing and adding languages. Once accessed, press
or ► to choose the desired setting, then press
to exit.
Model Select Menu – changes the model number and number of batches (to match the label on the universal control module, the factory default is Gemini-Twin, One batch). Once accessed, press
or ► until the model number matching the model number label on the brewer appears, then press
. Press
or ► until the number of batches matches the number of batch sizes on the UCM label, then press
to exit. 
TPX2S – Single Coffee Brewer
TPX2T – Twin Coffee Brewer
* Standard brew basket
** High volume brew basket
ILLUSTRATED PARTS LIST
TPX2S – Main Chassis – Exploded View

Water tanks assemblies,
- See section IP43 for single voltage (220 Volt) models
- See section IP44 for dual voltage models
TPX2S – Main Chassis – Parts List
| ITEM # | PART # | DESCRIPTION |
| 1* | WC-5350 | TUBE, 1/2 ID x 1/8W SILICONE GEN USE |
| 2 | WC-66116 | COVER, TOP |
| 3* | WC-820WDR | VALVE, DUMP RIGHT 120V 12W W/INTERNAL RESISTOR & DIODE |
| 4 | WC-2977K | KIT, SPRAYHEAD FITTING METAL |
| 5A | WC-3417-P | BREW CONE,ASSY W/SPLASH POCKET BRWN STYLIZED GEMIN HOT COFFEE |
| 5B | WC-3422-P | BREW CONE,ASSY W/SPLASH POCKET |
| 6 | WC-442 | SOLENOID, LOCK BREW CONE RIGHT/LEFT 120V TP2T/TP2S/GEMSS/GEM |
| 7* | WC-844-101 | VALVE, BY-PASS, NON-ADJUSTABLE WITH RESTRICTOR (WC-2945) |
| 8* | WC-723 | CONTROL MODULE, UCM 120V TP2S/TP2T GEMSS/GEMTS |
| 9A | WC 390513 | LABEL, UCM PANEL 1-BATCH OPTION TPX2S CURTIS |
| 9B | WC-390514 | LABEL, UCM OVERLAY SINGLE 2-BATCH OPTION TPX2S |
| 9C | WC-390512 | LABEL, UCM OVERLAY 3-BATCH TPX2S |
| 10 | WC-8559 | RELAY, SOLID STATE 280V/40A W/ HEATSINK AND QUICK DISCONNECTS |
| 11 | WC-73179 | COVER, CENTER |
| 12 | WC-4439 | SCREW, 6-32x% PHIL PAN HD SS |
| 13 | WC-1825 | FAUCET, ASSY HOT WATER TP2S |
| 14* | WC-5310 | TUBE, 5/16 ID x 1/8W SILICONE |
| 15 | WC-3528 | LEG, 4″ ADJUSTABLE 3/8-16 THRD ITALIAN STYLE |
| 16 | WC 13286 | HARNESS, ASSY COMPLETE TP2S (INCLUDES TERMINAL BLOCK) |
| 17 | WC-2402P-P | ELBOW, 3/8″FL x 3/8″ NPT PLATED |
| 18 | WC-1501 | FUSE, HOLDER ASSY W/5A FUSE |
| 19 | WC-37132-101 | KIT, VALVE REPAIR FOR DELTROL WC-820WDR,WC-821WDR, WC-844WDR |
| 20 | WC-103 | SWITCH, TOGGLE NON-LIT DPST 25A 125/250VAC RESISTIVE |
| 21* | WC-847 | VALVE, INLET 2 GPM 120V 10W GEN USE BROWN BODY |
| 22* | WC-29050 | SPRAYHEAD, AMBER ADVANCED FLOW |
| 23 | WC-1200 b | CORD, 14/3 SJTO 6′ BLK W/PLUG |
| 24 | WC-5231 | COMPOUND, HEAT SINK 50Z |
| 25 | WC-314 | POWER BLOCK, 5 STATION |
| 26 | WC-29044-101 | SLEEVE, OVERFLOW ASSY GEN USE |
| 27 | WC-1412 | CORD GRIP, 3/4″ FOR METAL CORD TO .81″OD |
| 28 | WC-4320 | O’RING, 0.4871.D.x 0.6930D x0.103CS BUNA-N #112 |
| 29 | WC-4213-P | NUT, 5/8 LOCK PLATED |
| 30 | WC-4412 | SCREW, 10-32×3/16″ PH PN HD MS SS |
| 31 | WC-4616 | SCREW, 1/4-20 x 1/2 PHILLIPS PAN HEAD STAINLESS STEEL |
| 32 | WC-4426 | SCREW, 8-32×3/8 PH HEAD TRUSS |
| 33 | WC 1805 | SEAT CUP, “S” FAUCET USE ON WC-1800/B/ LB/D/DUUVVC-1803 |
a. Single voltage (220 Volt) units
b. Dual voltage units
* Recommended parts to stock
ILLUSTRATED PARTS/RECOMMENDED PARTS
TPX2T – Main Chassis – Exploded View

ILLUSTRATED PARTS LIST
TPX2T – Main Chassis – Parts List
| ITEM # | PART # | DESCRIPTION |
| 1A* | WC-820WDR a, b | VALVE, DUMP RIGHT 120V 12W WINTERNAL RESISTOR & DIODE |
| 1B | WC-854 c | VALVE, BREW DUMP RIGHT 240V 12W GEM12D/ TP/TPC |
| 2A* | WC-821WDR a, b | VALVE, DUMP LEFT 120V 12W WINTERNAL RESISTOR & DIODE |
| 2B | WC-853 c | VALVE, BREW DUMP LEFT 240V 12W GEM12D/ TP/TPC |
| 3A* | WC-442 a, b | SOLENOID, LOCK BREW CONE RIGHT/LEFT 120V TP2T/TP2S/GEMSS/GEM |
| 3B | WC-446 c | SOLENOID, LOCK BREW CONE RIGHT 220V THERMOPRO/GEMTS |
| 4 | WC-2977K | KIT, SPRAYHEAD FITTING METAL |
| 5A* | WC-844-101 a, b | VALVE, BY-PASS, NON-ADJUSTABLE WITH RESTRICTOR (WC-2945) |
| 5B | WC-844-102 c | VALVE, BY-PASS, 240V NON-ADJUSTABLE W/ RESTRICTOR (WC-2945) |
| 6 | WC-37132-101 | KIT, VALVE REPAIR FOR DELTROL WC-820WDR,WC-821WDR, WC-844WDR |
| 7* | WC-723 | CONTROL MODULE, UCM 120V TP2S/TP2T GEMSS/GEMTS |
| 8 | WC-4412 | SCREW, 10-32×3/16″ PH PN HD MS SS |
| 9* | WC-29050 | SPRAYHEAD, AMBER ADVANCED FLOW |
| 10 | WC-8559 | RELAY, SOLID STATE 280V/40A W/ HEATSINK AND QUICK DISCONNECTS |
| 11A | WC-3417-P | BREW CONE, ASSY W/SPLASH POCKET BRWN STYLIZED GEMIN HOT COFFEE |
| 116 | WC-3422-P | BREW CONE,ASSY W/SPLASH POCKET |
| 12 | WC-73185 | COVER, CENTER |
| 13 | WC-2402P-P | ELBOW, 318″FL x 3/8″ NPT PLATED |
| 14 | WC-1412 | CORD GRIP, 3/4″ FOR METAL CORD TO .81″OD |
| 15 | WC-4426 | SCREW, 8-32×3/8 PH HEAD TRUSS |
| 16A | WC-13335 a | HARNESS ASSY, COMPLETE TP2T10/GEMTS FOR SOLID STATE RELAY (INCLUDES TERMINAL BLOCK) |
| 16B | WC-13337 b | HARNESS ASSY, COMPLETE TP2T19 GEMTS FOR SOLID STATE RELAY * |
| 16C | WC-13338 c | HARNESS ASSY, COMPLETE TP2T30 GEMTS FOR SOLID STATE RELAY * |
| 17 | WC-29044-101 | SLEEVE, OVERFLOW |
| 18 | WC-4439 | SCREW, 6-32×1/4 PHIL PAN HD SS |
| 19A* | WC-847 a, b | VALVE, INLET 2 GPM 120V 10W GEN USE BROWN BODY |
| 19B | WC-883 c | VALVE, INLET 2 GPM 240V 6W |
| 20 | WC-4616 | SCREW, 1/4-20 x 1/2 PHILLIPS PAN HEAD STAINLESS STEEL |
| 21 | WC-1501 | FUSE, HOLDER ASSY W/5A FUSE |
| 22A | WC 102 a | SWITCH, TOGGLE NON-LIT SPST 15A 125/6A 250VAC RESISTIVE |
| 22B | WC-180 b | SWITCH, TOGGLE 3 PST 30A/250V |
| 22C | WC 103 c | SWITCH, TOGGLE NON-LIT DPST 25A 125/250VAC RESISTIVE |
| 23 | WC-66118 | COVER, TOP |
| 24A | WC-3528 a, b | LEG, 4″ ADJUSTABLE 3/8-16 THRD ITALIAN STYLE |
| 24B | WC-3500T c | LEG, 4″ ADJUSTABLE W/TIE DOWNS 3/8-16 THRD |
| 25 | WC-1825 | FAUCET, ASSY HOT WATER TP2S |
| 26* | WC-5310 | TUBE, 5/16 ID x 1/8W SILICONE GEN USE |
| 27 | WC-5231 | COMPOUND, HEAT SINK 50Z |
| 28* | WC-5350 | TUBE, 1/2 ID x 1/8W SILICONE GEN USE |
| 29A | WC-390517 | LABEL, UCM OVERLAY DUAL TWIN 3-BATCH TPX2T |
| 29B | WC-390510 | LABEL, UCM OVERLAY TWIN 1-ETCH OPTION TPX2T |
| 29C | WC-390511 | LABEL, UCM OVERLAY TWIN 2-BATCH OPTION TPX2T |
| 30 | WC-4320 | O’RING, 0.4871.D.x 0.6930D x0.103CS BUNA-N #112 |
| 31 | WC-4213-P | NUT, 5/8 LOCK PLATED |
| 32 | WC-314 | POWER BLOCK, 5 STATION |
| 33 | WC-1805 | SEAT CUP, “S” FAUCET USE ON WC-1800/B/ LB/D/DUUWC-1803 |
| 34 | WC 1250 c | CORD, 4=12 90°C 49A 450/750V 6 FT LG W/ FERRULES ONE END |
| 35 | WC-596K c | KIT, NOISE FILTER EMI 250V/30A 1PH |
a. Domestic, single voltage (220 Volt) units
b. Domestic , 3 phase, units
c. Export units
* Recommended parts to stock
ILLUSTRATED PARTS LIST
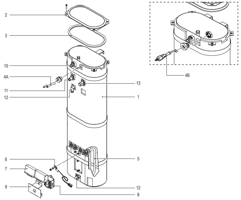
WC-62032 – Tank Assembly

| ITEM # | PART # | DESCRIPTION |
| 1 | WC-62032 | TANK. COMPLETE TP2S ULTEM FITTNGS |
| 2 | WC-5853-102 | COVER. TOP HEATING TANK GEN USE |
| 3 | WC-43062* | GASKET. TANK LID |
| 4A¹ | WC-5528K* | KIT. WATER LEVEL PROBE. SILICONE |
| 4B² | WC-5502-01* | KIT. PROBE. ASSY WATER LEVEL W/HEX FITTING. 0-RING & NUT |
| 5 | WC-906-04* | KIT. ELEMENT. HEATING 2KW 220V W/ JAM NUT & SILICONE 0-RING |
| 6 | WC-1438-101* | SENSOR. TEMPERATURE TANK |
| 7 | WC 4394* | GUARD. SHOCK/HEATING ELEMENT FOR SINGLE HEATING ELEMENT |
| 8 | WC 522* | THERMOSTAT. HI LIMIT HEATER CONTROL DPST 277V 40A |
| 9 | WC-43055* | GUARD. SHOCK RESET THERMOSTAT (WC-522) |
| 10 | WC-37266* | KIT. FITTING TANK OVERFLOW |
| 11 | WC-37317* | KIT. STRAIGHT FITTING & BUSHNG 8mm GEN USE |
| 12 | WC-37365* | KIT. FITTING TANK INLET |
| 13 | WC 37357* | KIT. STRAIGHT PLASTIC FITTING AND BUSHING 12MM |
ILLUSTRATED PARTS LIST
WC-62031 – Tank Assembly
| ITEM # | PART # | DESCRIPTION |
| 1 | WC-62031 | TANK, COMPLETE TP2S (2) 1600W/120V |
| 2 | WC-5853-102 | COVER, TOP HEATING TANK GEN USE |
| 3 | WC-43062* | GASKET, TANK LID |
| 4A* | WC-5528K1 | KIT, WATER LEVEL PROBE, SILICONE |
| 4B* | WC-5502-012 | KIT, PROBE, ASSY WATER LEVEL W/HEX FIT-TING, 0-RING & NUT |
| 5* | WC-904-04 | KIT ELEMENT, HEATING 1.6KW120V W/ JAM NUT & SILICONE 0-RING |
| 6* | WC-1438-101 | SENSOR, TEMPERATURE TANK |
| 7* | WC-4394 | GUARD, SHOCK/HEATING ELEMENT FOR SIN-GLE HEATING ELEMENT |
| 8* | WC-522 | THERMOSTAT, HI LIMIT HEATER CONTROL DPST 277V 40A |
| 9* | WC-43055 | GUARD, SHOCK RESET THERMOSTAT (WC-522) |
| 10* | WC-37357 | KIT, STRAIGHT PLASTIC FITTING AND BUSHING 12MM |
| 11* | WC-37317 | KIT, STRAIGHT FITTING & BUSHNG 8mm GEN USE |
| 12* | WC-37365 | KIT, FITTING TANK INLET |
- Units built 01/04/2019 and later.
- Units built before 01/04/2019. Replaces WC-5527.
* Recommended parts to stock.
ILLUSTRATED PARTS/RECOMMENDED PARTS
WC-62030 – Tank Assembly
WC-62030 – Tank Assembly – Parts List
| ITEM # | PART # | DESCRIPTION |
| 1 | WC-62030 | TANK, COMPLETE TP2T ULTEM FITTNGS |
| 2 | WC-37008 | KIT, TANK LID ROUND (INCLUDES GASKET) |
| 3 | WC-37357* | KIT, STRAIGHT PLASTIC FITTING AND BUSHING 12MM |
| 4A¹ | WC-5528K* | KIT, WATER LEVEL PROBE, SILICONE |
| 4B² | WC-5502-01* | KIT, PROBE, ASSY WATER LEVEL W/HEX FITTING, O-RING & NUT |
| 5 | WC-934-04* | KIT,ELEMENT HEATING 2.5KW 220V W/ JAM NUT & SILICONE WASHERS |
| 6 | WC-1438-101* | SENSOR, TEMPERATURE TANK |
| 7 | WC-4382* | GUARD, SHOCK HTNG ELMNT DOUBLE |
| 8 | WC-522* | THERMOSTAT, HI LIMIT HEATER CONTROL DPST 277V 40A |
| 9 | WC-37365* | KIT, FITTING TANK INLET |
| 10 | WC-37266* | KIT, FITTING TANK OVERFLOW |
| 11 | WC-37317* | KIT, STRAIGHT FITTING & BUSHNG 8MM GEN USE |
| 12 | WC-43055* | GUARD, SHOCK RESET THERMOSTAT (WC-522) |
| 13 | WC-43067* | SILICONE TANK LID O-RING, 4-1/2” I.D. X Ø.285 |
- Units built 01/04/2019 and later.
- Units built before 01/04/2019. Replaces WC-5527.
* Recommended parts to stock.
ELECTRICAL SCHEMATICS
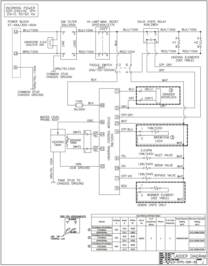
SINGLE, DOMESTIC, 220 VOLT
| UCM Pin Assignments | |
| 20 Pin Connector | |
| 1 | GRINDER INTERLOCK |
| 2 | COMMON-SOLID STATE RELAY & GRINDER |
| 3 | +5 VDC |
| 4 | BREW CONE LOCK |
| 5 | NOT USED |
| 6 | INLET VALVE |
| 7 | BYPASS VALVE |
| 8 | NOT USED |
| 9 | WARMER |
| 10 | NOT USED |
| 11 | NOT USED |
| 12 | NOT USED |
| 13 | TANK TEMPERATURE SENSOR |
| 14 | TANK TEMPERATURE SENSOR |
| 15 | UCM GROUND |
| 16 | WATER LEVEL PROBE |
| 17 | 120V NEUTRAL |
| 18 | 120V Ll HOT |
| 19 | BREW VALVE |
| 20 | NOT USED |
| ELECTRICAL RATING TABLE | |||||||||
| Model | Voltage V | Amps A | Watts W | Hertz Hz | # of Conductor Wires | Phase | # of Elements | Element Rating W/V | Warmer Element Rating W/V |
| TP2S | 208 | 18.3 | 3800 | 50/60 | 3 | 1 | 2 | 2000W/220V | – |
| 220 | 19.5 | 4300 | |||||||
| 240 | 20.8 | 5000 | |||||||
| TPC2S | 208 | 18.5 | 3800 | 50/60 | 3 | 1 | 2 | 2000W/220V | – |
| 220 | 19.5 | 4300 | |||||||
| 240 | 21.3 | 5000 | |||||||
| GEMSS | 208 | 18.5 | 3850 | 50/60 | 3 | 1 | 2 | 2000W/220V | 100W/120V |
| 220 | 19.5 | 4300 | |||||||
| 240 | 21.5 | 5150 | |||||||
- ALL WIRES SHALL BE MIN. 18AWG PVC/UL1015 UNLESS NOTED
- USE THIS DIAGRAM FOR ALL OTHER MODELS WITH ADDED PREFIX LETTERS A\D/OR SUFFIX NUMBERS ON THEIR PART NUVBERS HAVING THE SAVE ELECTRICAL RATINGS.
NOTES: UNLESS OTHERWISE SPECIFIED
ELECTRICAL SCHEMATICS
SINGLE, EXPORT

| UCM Pin Assignments | |
| 20 Pin Connector | |
| 1 | GRINDER INTERLOCK |
| 2 | COMMON-SOLID STATE |
| 3 | +5 VDC |
| 4 | BREW CONE LOCK |
| 5 | NOT USED |
| 6 | INLET VALVE |
| 7 | BYPASS VALVE |
| 8 | NOT USED |
| 9 | WARMER |
| 10 | NOT USED |
| 11 | NOT USED |
| 12 | NOT USED |
| 13 | TANK TEMPERATURE SENSOR |
| 14 | TANK TEMPERATURE SENSOR |
| 15 | UCM GROUND |
| 16 | WATER LEVEL PROBE |
| 17 | 230V L2 |
| 18 | 230V L1 |
| 19 | BREW VALVE |
| 20 | NOT USED |
NOT USED ON TP1S MODELS.
2. USE THIS DIAGRAM FOR ALL OTHER MODELS WITH ADDED PREFIX LETTERS AND/OR SUFFIX NUMBERS ON THEIR PART NUMBERS HAVING THE SAME ELECTRICAL RATINGS.
1. ALL WIRES SHALL BE MIN. 18AWG PVC/UL1015 UNLESS NOTED.
NOTES: UNLESS OTHERWISE SPECIFIE
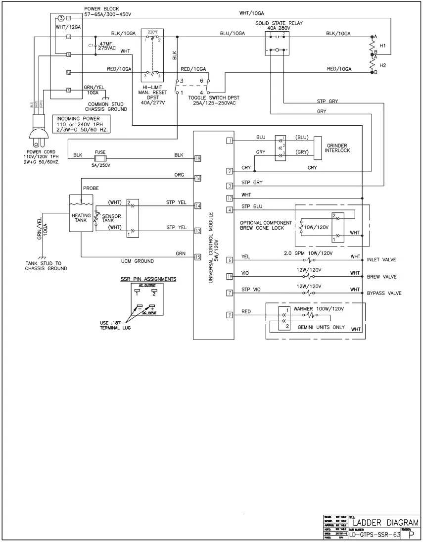
SINGLE, DOMESTIC, DUAL VOLTAGE
| UCM Pin Assignments | |
| 20 Pin Connector | |
| 1 | GRINDER INTERLOCK |
| 2 | COMMON-SOLID STATE RELAY & GRINDER |
| 3 | +5 VDC |
| 4 | BREW CONE LOCK |
| 5 | NOT USED |
| 6 | INLET VALVE |
| 7 | BYPASS VALVE |
| 8 | NOT USED |
| 9 | WARMER |
| 10 | NOT USED |
| 11 | NOT USED |
| 12 | NOT USED |
| 13 | TANK TEMPERATURE SENSOR |
| 14 | TANK TEMPERATURE SENSOR |
| 15 | UCM GROUND |
| 16 | WATER LEVEL PROBE |
| 17 | 120V NEUTRAL |
| 18 | 120V L1 HOT |
| 19 | BREW VALVE |
| 20 | NOT USED |
| ELECTRICAL RATING TABLE | |||||||||
| Model | Voltage V | Amps A | Watts W | Hertz Hz | # of Conductor Wires | Phase | # of Tank Elements | Tank Element Rating W/V | Warmer Element Rating W/V |
| GEMSS52 GEMXSIFT52 | 120 | 9.2 | 1100 | 50/60 | (2) | 1 | 2 | 1150W/120V | (1X) 100W/120V |
| 110/220 | 9.5 | 2100 | 3 | ||||||
| 120 | 9.2 | 1100 | (2) | 1 | |||||
| 120/240 | 10 | 2400 | 3 | ||||||
| GEMSS63 GEMXSIFT63 | 120 | 15 | 1800 | 50/60 | (2) | 1 | 2 | 1600W/120V | (1X) 100W/220V |
| 110/220 | 12.7 | 3300 | 3 | ||||||
| 120 | 15 | 1800 | (2) | 1 | |||||
| 120/240 | 15 | 3600 | 3 | ||||||
| TP2S52 TPC2S52 TPX2S52 | 120 | 12.5 | 1500 | 50/60 | (2) | 1 | 2 | 1450W/120V | – |
| 110/220 | 13.2 | 2900 | 3 | ||||||
| 120 | 12.5 | 1500 | (2) | 1 | |||||
| 120/240 | 12.9 | 3100 | 3 | ||||||
| TP2563 TPC2S63 TPX2S63 | 120 | 15 | 1800 | 50/60 | (2) | 1 | 2 | 1600W/120V | – |
| 110/220 | 12.7 | 2800 | 3 | ||||||
| 120 | 15 | 1800 | (2) | 1 | |||||
| 120/240 | 13.8 | 3300 | 3 | ||||||
| TP1S52 | 120 | 12.5 | 1500 | 50/60 | (2) | 1 | 2 | 1450W/120V | – |
| 110/220 | 13.2 | 2900 | 3 | ||||||
| 120 | 12.5 | 1500 | (2) | 1 | |||||
| 120/240 | 12.9 | 3100 | 3 | ||||||
| TP1S63 | 120 | 13.8 | 1650 | 50/60 | (2) | 1 | 2 | 1600W/120V | – |
| 110/220 | 12.2 | 2700 | 3 | ||||||
| 120 | 13.8 | 1650 | (2) | 1 | |||||
| 120/240 | 12.1 | 2900 | 3 | ||||||
NOT USED ON TP1S MODELS.
2. USE THIS DIAGRAM FOR ALL OTHER MODELS WITH ADDED PREFIX LETTERS AND/OR SUFFIX NUMBERS ON THEIR PART NUMBERS HAVING THE SAME ELECTRICAL RATINGS.
1. ALL WIRES SHALL BE MIN. 18AWG PVC/UL1015 UNLESS NOTED.
NOTES: UNLESS OTHERWISE SPECIFIE
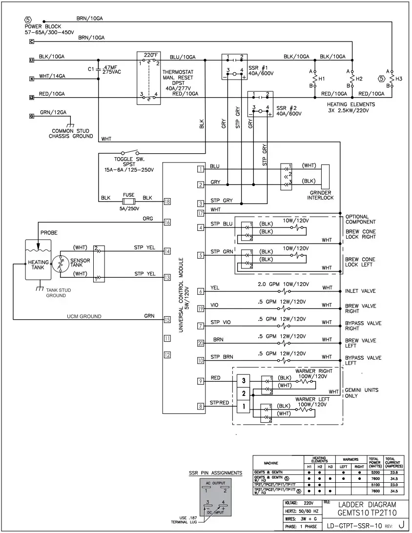
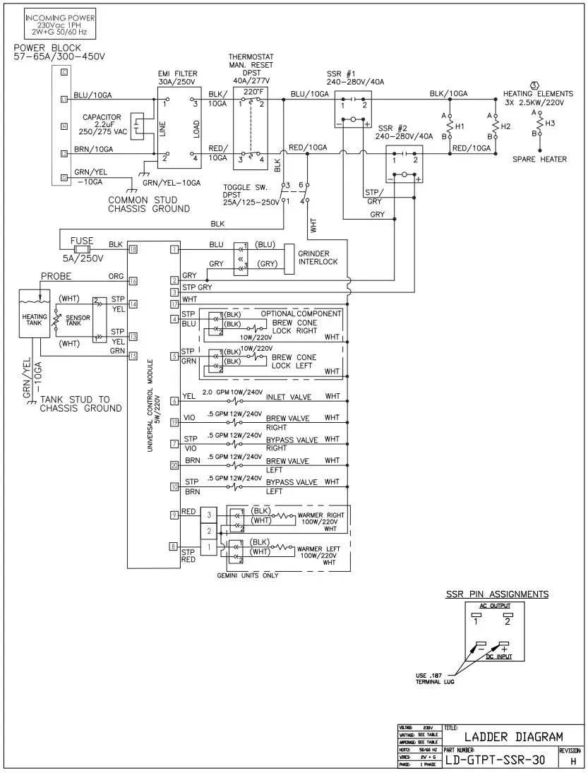
TWIN, DOMESTIC
LEGEND
UNIVERSAL CONTROL MODULE
PIN ASSIGNMENT (20 PIN)
- = GRINDER (NOT USED ON TP1T/TP1TT)
- = COMMON — SOLID STATE RELAY & GRINDER
- = +5 VDC
- = SOLENOID LOCK RIGHT (NOT USED ON TP1T/TP1TT)
- = SOLENOID LOCK LEFT (NOT USED ON TP1T/TP1TT)
- = INLET VALVE
- = BYPASS VALVE RIGHT
- = WARMER LEFT
- = WARMER RIGHT
- = BYPASS VALVE LEFT
- = SENSOR WARMER RIGHT (NOT USED ON TP1T/TP1TT)
- = SENSOR WARMER LEFT (NOT USED ON TP1T/TP1TT)
- = SENSOR TANK
- = SENSOR COMMON
- = GROUND CHASSIS
- = WATER LEVEL PROBE
- = 120VAC RETURN
- = 120VAC HOT
- = BREW VALVE RIGHT
- = BREW VALVE LEFT
5. H1 AND H2 CONNECTION ONLY: REMOVE & CAP BRN WIRE END FROM H3 H1, H2 AND H3 CONNECTION: REMOVE CAP & CONNECT BRN WIRE FROM H3 TO C (COMMON) ON POWER BLOCK.
4. USE THIS DIAGRAM FOR ALL OTHER MODELS WITH ADDED PREFIX LETTERS AND/OR SUFFIX NUMBERS ON THEIR PART NUMBERS HAVING THE SAME ELECTRICAL RATINGS. Ex.: SCGEMTS10 or SCTP2T10.
3. LOCATE MATED CONNECTORS AWAY FROM HEAT.
2. INSTALL A GROUND WIRE ASSEMBLY FROM THE HARNESS TO THE SEPARATE GROUND STUD ON TANK.
1. ALL WIRES SHALL BE 22AWG TEFLON.
NOTES: UNLESS OTHERWISE SPECIFIED
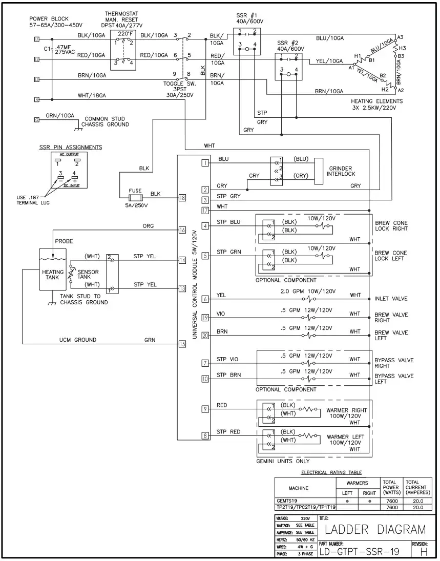
TWIN, 3 PHASE WITHOUT TRANSFORMER
UNIVERSAL CONTROL MODULE
PIN ASSIGNMENT (20 PIN)
- = GRINDER
- = COMMON- SOLID STATE
- = +5 VDC
- = SOLENOID LOCK RIGHT
- = SOLENOID LOCK LEFT
- = INLET VALVE
- = BYPASS VALVE RIGHT
- = WARMER LEFT
- = WARMER RIGHT
- = BYPASS VALVE LEFT
- = NOT USED
- = NOT USED RELAY & GRINDER
- = SENSOR TANK
- = SENSOR COMMON
- = UCM GROUND
- = WATER LEVEL PROBE
- = 120VAC RETURN
- = 120VAC HOT
- = BREW VALVE RIGHT
- = BREW VALVE LEFT
USE THIS DIAGRAM FOR ALL OTHER MODELS WITH ADDED PREFIX LEI I ERS AND/OR SUFFIX NUMBERS ON THEIR PART NUMBERS HAVING THE SAME ELECTRICAL RATINGS. Ex.: SCGEMTS19, SCTP2T19, OR SCTP1T19.
2. LOCATE MATED CONNECTORS AWAY FROM HEAT.
1. INSTALL GROUND LUG OVER THE SENSOR ON TANK SENSOR STUD.
NOTES: UNLESS OTHERWISE SPECIFIED
TWIN, EXPORT
STD UCM LEGEND
UNIVERSAL CONTROL MODULE PIN ASSIGNMENT (20 PIN)
- = GRINDER
- = COMMON – SOLID STATE RELAY & GRINDER
- = +5 VDC
- = SOLENOID LOCK RIGHT
- = SOLENOID LOCK LEFT
- = INLET VALVE
- = BYPASS VALVE RIGHT
- = WARMER LEFT
- = WARMER RIGHT
- = BYPASS VALVE LEFT
- = NOT USED
- = NOT USED
- = SENSOR TANK
- = SENSOR COMMON
- = UCM GROUND
- = WATER LEVEL PROBE
- = 230V L2
- = 230V Ll
- = BREW VALVE RIGHT
- = BREW VALVE LEFT
| ELECTRICAL RATING TABLE | ||||||||
| Model | Voltage V | Amps A | Wafts W | Hertz Hz | # of Conductor Wires | Phase | # of Tank Elements | Tank Element Rating W/V |
| GEMTS30 | 230 | 24.7 | 5683 | 50/60 | 2 | 1 | 2 | 2500W/220V |
| TP2T30 | 230 | 24.2 | 5574 | 50/60 | 2 | 1 | 2 | 2500W/220V |
| TPC2T30 | 230 | 24.2 | 5574 | 50/60 | 2 | 1 | 2 | 2500W/220V |
| TP1T30 | 230 | 24.2 | 5574 | 50/60 | 2 | 1 | 2 | 2500W/220V |
HEATING ELEMENT H3 ONLY USED AS SPARE, NO WIRE CONNECTION.
2. LOCATE MATED CONNECTORS AWAY FROM HEAT.
1. ALL WIRES SHALL BE MIN 18AWG PVC PER UL 1015.
NOTES: UNLESS OTHERWISE SPECIFIED
TROUBLESHOOTING GUIDE
WARNING:
Electric Shock Hazard – the following procedures are to be performed only by a qualified service technician. Disconnect power when replacing components. Lock out and tag the circuit breaker on units without a power plug. Neither Wilbur Curtis Co., Inc. nor the seller can be held responsible for the interpretation of this information, or any liability in connection with its use.
Scald and Burn Hazard – keep body parts clear of hot surfaces during troubleshooting.
IMPORTANT: If it is necessary to replace the G3 universal control module (UCM), always check all inlet, dump (brew), bypass* and dilution* valve coils for a short and replace the valve as necessary, before replacing the module. See the Valve Test Procedure, below to test for defective valves. *Some units do not have this function, see the ELECTRICAL SCHEMATIC.
Troubleshooting Guidelines
- If an error message appears on the display, consult the ERROR CODES section before troubleshooting.
- A brewer that is not level may not function properly. Make sure the brewer is properly leveled before proceeding.
- This troubleshooting guide identifies some, but not all, of the possible causes for common problems that can occur.
- Use this troubleshooting guide along with the appropriate ELECTRICAL SCHEMATIC.
Valve Test Procedure
Use a digital multi-meter to measure the resistance of valve coils.
Measure the resistance across the valve coil terminals with the wiring harness disconnected. Reverse the meter leads on the terminals and measure the resistance in the opposite direction. A resistance of less than 100 ohms, in either direction indicates a shorted coil. The valve must be replaced.
If a shorted coil is not detected, test for an open coil:
- Reconnect the valve terminals to the wiring harness.
- Power up the brewer with the appropriate cover removed to allow access to the valve.
- Run a brew cycle while monitoring the voltage at the valve coil terminals. If voltage is present on the terminals, you should hear the valve click open/closed at the moment power is applied or removed from the terminals. The inlet valve should open any time the water tank is not full. If the valve does not open, replace the valve. If voltage is not detected, first check the wiring. If the wiring is OK, replace the UCM.
Water Not Hot Enough
- If the water heats, but is not hot enough, first check for the correct temperature setting on the control panel. Reprogram as necessary.
- If the temperature setting is OK, and the actual water temperature does not match setting on the control panel, replace the temperature sensor.
Water Heats More Slowly Than Usual
- Check for power across the terminals of the heating element(s). If power is being supplied, disconnect the heating element(s) and check for continuity. Replace a heating element if the resistance is too high (nominal resistance is 13 Ohms).
- If there is no power to the heating element(s), check the wiring to any element that does not have the proper voltage across it. Also check for corroded connections anywhere between the power cord and the heating element(s).
Dispenser Overflows During Brewing
- Check to make sure the control module (UCM) brew, bypass* and dilution* levels are set properly.
- Check for a missing spray head. Replace as needed.
- Make sure the dispenser is empty before starting the brew cycle. If not, empty it before brewing.
*Some units do not have this function, see the ELECTRICAL SCHEMATIC.
No Power – Display Not Lit
- Make sure the circuit breaker to the circuit supplying power to the brewer is not tripped and is turned on.
- On brewers with a power plug, make sure it is connected to the power receptacle.
- Make sure that the main power toggle switch on the back panel is turned ON.
- Verify that all wires from the power cord are properly connected inside the unit. Check to make sure the wires are not burned/overheated. Loose connections can create heat. Check chassis ground.
- Check to make sure power and ground are being supplied to the control module (UCM). If there is power into UCM, but display is blank, UCM is probably bad.
- If there is no power into the UCM, trace the circuit back (using the wiring diagram) to the power cord to find out where power is lost. If there is power into the thermostat reset switch, but not out, see step 7.
- If there is power into the thermostat reset switch, but not out, check to make sure that the water tank is not empty. If the tank is empty, the reset switch has probably opened up due to a low water level, go to Water Tank Does Not Fill. If there is water in the tank, but no power out, push in on the reset switch button to see if it restores power. If power is restored, check to make sure that the switch is not opening up at the wrong temperature (the switch should not open up at normal water temperatures). If there is still no power through the switch after pushing the button, replace the thermostat reset switch.
Brewer Does Not Start When Brew Button is Pressed
- If Brewing appears on the display, check for faulty wiring and connections between the universal control module (UCM) and the valves.
- If Brewing does not appear on the display, check for a faulty universal control module (UCM).
Sensor Error Message
This error indicates a malfunction (open circuit) in the temperature sensor system. Once the malfunction is corrected, the error message must be cleared. To reset the brewer and return to normal operation, turn the toggle switch on the back of the brewer to the OFF position for 5 seconds, then back ON.
- Check the resistance across the leads of the temperature sensor while it is disconnected from the universal control module (UCM). If an open circuit is measured (resistance above 200 k), replace the sensor.
- If the sensor resistance is less than 200 k check the sensor wires for corrosion and reconnect them to the UCM. Afterward, if the error message comes back after resetting the control and power modules, replace the UCM.
Water Tank Overfills
- Turn the toggle switch on the back of the brewer ON and OFF If water continues to flow when the switch is in both positions, replace the inlet valve.
- If water stops flowing to the water tank when the toggle switch is turned OFF and continues when the switch is turned back ON, remove the orange wire from the water probe on the tank. While power is ON, short the end of the orange wire to the metal surface on the outside of the tank. If the water tank stops filling when the orange wire is shorted to the tank, check for a corroded connection at the water probe.
- If water does not stop flowing when the orange wire is shorted to the tank, check the tank ground connection and the continuity of the orange wire connecting to the universal control module (UCM). If both are OK, replace the UCM.
Water Tank Does Not Fill
IMPORTANT: No water or low water in the tank can cause the tank to overheat, resulting in the thermostat reset switch opening. If after correcting a tank fill problem there is no power to the control panel, push the reset switch button to reset.
- Check to make sure the water supply is turned on. Check for a clogged water supply line, water filter or plugged inlet valve.
- If there are no plugs in the water supply line, check for power across the inlet valve terminals. If power is being supplied, but there is no water flow, replace the inlet valve.
- If power is not being supplied to the inlet valve, check the wires between the universal control module (UCM) and the inlet valve. Check for corroded connections.
- If the wiring between the UCM and the inlet valve is OK, but there is no power to the inlet valve, remove the orange wire from the water tank probe. If the water tank starts to fill, replace the water probe. If the water tank does not start to fill, replace the UCM.
Coffee/Tea Too Strong
See Dispenser Not Filled To Normal Level During Brewing.
Dispenser Not Filled To Normal Level During Brewing
- Check to make sure that the universal control module (UCM) brew, bypass* and dilution* levels are set properly.
- Check to make sure that the flow rate and water pressure from the water supply line meet the minimum specifications for the brewer. See the SPECIFICATIONS section.
- Check to make sure that the spray head is clean and free of debris. Clean or replace as needed. Also make sure that the spray head is correctly aligned and that the tubing is routed properly to allow for maximum water flow (no kinks).
- Remove the brew basket and place a large container under the dump (brew) and dilution outlet points. Run a brew cycle and confirm that the dump (brew) valve, bypass* valve and dilution* valve open during the brew cycle. Check for flow through any exit point that is slow or non-existent. Not all valves open at the same time. If flow is restricted, check for obstructions in the related tubing or valve. If there are no obstructions, but flow through one particular valve is slow, it can be assumed that the particular valve is not opening all the way and should be replaced. If water does not flow at all through a particular valve during the brew cycle, check to make sure that power is being supplied to the valve in question. Replace any valve that is not opening when power is applied to the terminals. If power is not being supplied to the valve, check the wiring between the valve and the UCM. If the wiring is OK, replace the UCM.
*Some units do not have this function, see the ELECTRICAL SCHEMATIC.
Dispenser Overflows All Of The Time
- Check to see if water continues to flow from the spray head, the bypass* outlet or the dilution* spout when the toggle switch is turned OFF Replace any valve that is stuck open.
*Some units do not have this function, see the ELECTRICAL SCHEMATIC. - If one or more of the valves mentioned in step 1 turns on when the toggle switch on the back is ON and turns off when the switch is OFF, replace the universal control module (UCM).
No Water/Tea Flows From Brewer During Brewing
- Make sure that the water supply is turned on.
- Check to see if the water in the tank is level with the water tank probe? If not, see Water Tank Does Not Fill.
- If the water tank is full, the water is hot and power is on, but NO water flows during a brew cycle, the problem is usually a bad universal control module (UCM). Run a brew cycle and check for power from the UCM to the dump (brew), bypass* and dilution* valves. If there is no power output, replace the UCM. *Some units do not have this function, see the ELECTRICAL SCHEMATIC.
Low Water Flow Warning
See Water Level Error Message.
Water Level Error Message
Water level fill error or overflow. This error message occurs when the inlet valve solenoid has been or too long during initial fill or tank refill, See the ERROR CODES section for the maximum times allowed. Once the malfunction is corrected, the error message must be cleared. To reset the unit and return to normal operation, turn the toggle switch on the back of the brewer to the OFF position for 5 seconds, then back ON.
- Check to make sure that the water filter is not clogged.
- Check to make sure that the flow rate from the water supply line meets the minimum flow rate specifications for the brewer. Also check the water pressure. See the SPECIFICATIONS section.
- Check for blockage at the inlet valve inlet and outlet and that it opens completely. Check for blockage in the tubing between the inlet valve and the water tank.
- Check the water probe wire for an open condition or corroded connections.
- If the probe connections are OK, cycle power to the unit by turning the rear toggle switch OFF, then ON. Check to see if power is applied to the inlet valve terminals. If power is applied to the terminals, but there is not water flow, replace the inlet valve.
- Check for power from the universal control module (UCM) to the inlet valve. If the wiring is OK, replace the UCM.
Water Does Not Heat At All
- Check to see if the water level in the tank is in contact with the water level probe. If not, see Tank Does Not Fill. The water will not heat unless it is in contact with the probe.
- If the water heats, but is not hot enough, see Water Not Hot Enough.
- If Ready to brew appears on the display, but the water is not hot, check the resistance across the leads of the temperature sensor. If the resistance is less than 10 k and the water is not hot, replace the temperature sensor. If the sensor resistance is above 10 k when the water is cool, replace the universal control module (UCM).
If Heating… appears on the display, but the water is not hot, follow the steps below. The following steps are performed with the rear toggle switch in the ON position.
- Check for power across the terminals of the heating element(s). If power is being supplied, remove the wires and check for an open heating element.
- If there is no power to the element(s), trace the circuit back (using the ELECTRICAL SCHEMATIC) to the power cord to find out where power is lost. If there is power into the solid state relay(s) (SSRs) but not cut, see the following step. On units having two SSRs, be sure to check both.
- If there is power into a SSR, but not out, check for 5 Vdc (nominal*) across the + and – pins of the SSR(s). If there is 5 Vdc across the + and – pins of the SSR(s), but no (or low) output voltage at a SSR output terminal, replace the SSR. If 5 Vdc is not being supplied from the UCM, but Heating… appears on the display, check the wiring from the UCM to the SSR(s). If the wiring is OK, replace the UCM.
Water Too Hot (Boiling or Excessive Steaming)
IMPORTANT: Before proceeding, make sure that the control panel temperature is adjusted to compensate for higher elevations. The factory setting is 200°F. Reduce the temperature setting two degrees for every 1000 feet of elevation above 4000 feet.
- If Over Temp Sensor or Ready to Brew appears on the display and the water is too hot, go to Over Temp Sensor Error Message.
- If the display reads Heating constantly, first check to make sure that the temperature sensor is attached tightly to the tank and that heat sink compound was used. A properly mounted sensor should have a resistance of around 7 k when the water is hot. If not, replace the sensor.
- Check to see if the universal control module (UCM) constantly has +5 Vdc output (nominal) to the solid state relay (SSR), regardless of the resistance of the temperature sensor. If so, the UCM is probably bad.
- If the UCM is working properly, check for a shorted SSR.
Over Temp Sensor Error Message
This error message indicates that the universal control module (UCM) has detected a water overheating problem. The UCM is reading a water temperature in the tank above 210°F. If the water temperature is too hot, but Heating… appears on the display, see Water Too Hot. Once the malfunction causing the error is corrected, the error message must be cleared. To reset the brewer and return to normal operation, turn the toggle switch on the back of the brewer to the OFF position for 5 seconds, then back on.
- Check for 5 Vdc (nominal) across the + and – pins of the solid state relay (SSRs). If no power is applied to the SSR and the heating elements are always on, replace the SSR. On units having two SSRs, check both.
- Turn off power to the brewer and allow the water tank to cool. Once cool, turn power back on while monitoring the voltage across the + and – pins of the SSR(s). During normal operation, the voltage should be 5 Vdc, until the water is hot, then drop to below 1 Vdc. The UCM should be replaced if the voltage reads 5 Vdc constantly even though Ready to brew or Over Temp Sensor appears on the display.
- If the UCM is operating normally, check for a false over-temp error caused by the temperature sensor. Check the resistance across the leads of the temperature sensor. If the resistance is less than 10 k when the water is cool, replace the temperature sensor.
ERROR CODES
System Fault Messages
An error message will appear on the screen in the event of a malfunction under the following conditions:
- Water level overflow. This error indicates that either there is not enough incoming water flow/pressure or a water overflow condition (unit will stop functioning).
- Break in temperature control circuit.
- Excess temperature in heating tank.
If any of the errors below appear on the screen, turn off the main power toggle switch and call for service.
| ERROR MESSAGE | WARNING DESCRIPTION | CAUSE |
| Water Level Error | Fill run error/Overflow | The water inlet valve has either been open for more than 10 minutes on the initial tank fill or has been open for more than 30 seconds* in normal operation. |
| Sensor Error | Open Probe | Break in the temperature thermistor circuit. |
| Over Temp. Error | Excess Temperature | The sensor is reading that temperature in the heating tank has risen above 210°F (99°C). |
* 120 seconds for models with water tanks larger than 2 gallons.
PRODUCT WARRANTY
Wilbur Curtis Co., Inc. certifies that its products are free from defects in material and workmanship under normal use. The following limited warranties and conditions apply: 3 years, parts and labor, from original date of purchase on digital control boards
2 years, parts, from original date of purchase on all other electrical components, fittings and tubing
1 year, labor, from original date of purchase on all other electrical components, fittings and tubing
Additionally, Wilbur Curtis Co., Inc. warrants its grinding burrs for four (4) years from the date of purchase. Stainless steel components are warranted for two (2) years from the date of purchase against leaking or pitting. Replacement parts are warranted for ninety (90) days from the date of purchase or for the remainder of the limited warranty period of the equipment in which the component is installed.
All in-warranty service calls must have prior authorization. For authorization, call the Technical Support Department at 800-995-0417. Additional conditions may apply. Go to www.wilburcurtis.com to view the full product warranty information.
CONDITIONS & EXCEPTIONS
The warranty covers original equipment at time of purchase only. Wilbur Curtis Co., Inc., assumes no responsibility for substitute replacement parts installed on Curtis equipment that have not been purchased from Wilbur Curtis Co., Inc. Wilbur Curtis Co., Inc. will not accept any responsibility if the following conditions are not met. The warranty does not cover:
- Adjustments and cleaning: The resetting of safety thermostats and circuit breakers, programming and temperature adjustments are the responsibility of the equipment owner. The owner is responsible for proper cleaning and regular maintenance of this equipment.
- Replacement of items subject to normal use and wear. This shall include, but is not limited to, spray heads, faucets, light bulbs, shear disks, “0” rings, gaskets, silicone tubing, silicone elbows, canister assemblies, whipper chambers and plates, mixing bowls, agitation assemblies and whipper propellers.
The warranty is void under the following circumstances:
- Improper operation of equipment The equipment must be used for its designed and intended purpose and function.
- Improper installation of equipment This equipment must be installed by a professional technician and must comply with all local electrical, mechanical and plumbing codes.
- Improper voltage: Equipment must be installed at the voltage stated on the serial plate supplied with this equipment.
- Improper water supply: This includes, but is not limited to, excessive or low water pressure and inadequate or fluctuating water flow rate.
- Damaged in transit: Equipment damaged in transit is the responsibility of the freight company and a claim should be made with the carrier.
- Abuse or neglect (including failure to periodically clean or remove lime accumulations):
The manufacturer is not responsible for variation in equipment operation due to excessive lime or local water conditions. The equipment must be maintained according to the manufacturer’s recommendations. - Unauthorized repair or modification: This equipment must be serviced only by qualified service technicians, using factory specified parts to factory specifications.
- Modified/Missing Serial Tag: The serial number label (tag) must not be defaced or removed.
Repairs and/or Replacements are subject to Curtis’ decision that the workmanship or parts were faulty and the defects showed up under normal use. All labor shall be performed during regular working hours. Overtime charges are the responsibility of the owner. Charges incurred by delays, waiting time, or operating restrictions that hinder the service technician’s ability to perform service is the responsibility of the owner of the equipment. This includes institutional and correctional facilities. Wilbur Curtis Co., Inc. will allow up to 100 miles, round trip, per in-warranty service call.
Return Merchandise Authorization (RMA): All claims under this warranty must be submitted to the Wilbur Curtis Technical Support Department prior to performing any repair work or return of this equipment to the factory. All returned equipment must be properly re-packaged in the original carton and received by Curtis within 45 days following the issuance of a RMA. No units will be accepted if they are damaged in transit due to improper packaging. NO UNITS OR PARTS WILL BE ACCEPTED WITHOUT A RETURN MERCHANDISE AUTHORIZATION (RMA). THE RMA NUMBER MUST BE MARKED ON THE CARTON OR SHIPPING LABEL. All warranty claims must be submitted within 60 days of service. Invoices will not be processed or accepted without a RMA number. Any defective parts must be returned in order for warranty invoices to be processed and approved. All in-warranty service calls must be performed by an authorized service agent. Call the Wilbur Curtis Technical Support Department to find an agent near you.
Contact Information
Wilbur Curtis Co., Inc.
6913 Acco Street | Montebello, CA 90640 US
Phone: 323-837-2300 | Toll Free: 800-421-6150
Email: [email protected] | Web: www.wilburcurtis.com
A.M. – 4:00 P.M. PT
Email: [email protected]
Connect the Water Supply
Connecting the Power Cord (units without power cord installed or units being converted from 120 Volt to 200 – 240 Volt operation)

Powering up the Unit









Cleaning the Faucet Parts and Site Gauge



















