easee SDM630MCT-RC Equalizer Kit

Product overview
This kit consists of main components required to install an Easee Equalizer on a charging site with one or multiple circuits. All of the components are tested and guaranteed to work with the Easee Equalizer (E02-EQP). Not for use with the Easee Equalizer HAN version.
Power meter:
Eastron SDM630MCT-RC 3-phase meter reader
Power supply:
Tufvassons electricity transformer (part no. PSLR 30 230/24VDC)
Cable:
RJ12
Current transformer:
- CT Clamp (part no. ESCT-TU16)
- Rogowki Coil (part no. ESCT-RC60)
Technical specifications
Eastron SDM630MCT-RC 3-phase meter reader
- Measurements (mm): H: 94,5 x W: 72 x D: 65 Voltage: 3 x 400V ac / 230V ac
- Network frequency: 50/60Hz (± 2%)
- Type: 3-phase 400 imp/kWh
- IP-classification: IP51
- Running temperature: -25°C – 55°C
- Primary connection: 2,5mm2
- Secondary connection: 2,5mm2
- Montage: DIN-rail or alternative wall mount with screw
- Material: Self-extinguishing UI94 V-0
Tufvassons electricity transformer
- Measurements (mm): H: 110 x W: 53 x D: 66 Input voltage: 180-264V, 47-63 Hz N – L
- Output voltage: 24V dc (± 5%)
- Effect: 30VA (1,25A) (electricity limit 2,5A) MTBP: 50000 h at 70% load at 25°C
- IP-classification: IP40
- Running temperature: -10°C – 45°C
- Double isolation (not to be earthed)
- Protected against circuit cut and overload Primary connection: 2-polig 2,5mm2 Secondary connection: 2-polig 2,5mm2 Mounting: DIN-rail or wall mount with screw
RJ12 cable
- Length: 1.5m
- Colour: Black
- Pre-cut
- Connector plug: RJ12
- Lead cable: 6 pin
100A KIT CT Clamps
- Input: Max 100A
- Output: 333 mV
- Measurements (mm): H: 46 W: 29 Diameter: 15.7 mm
- Running temperature: -15°C – +60°C
500A KIT Rogowski Coils
- Input: 500A
- Output: 85-100 mV | 1KA
- Measurements (mm): L: 200
- Diameter: 45-60 mm
- Running temperature: -30°C – +80°C
Before you start
WARNING! This product shall only be installed, repaired or serviced by an authorised electrician. All applicable local, regional and national regulations for electrical installations must be respected.
- Please check the safety instructions on the manufacturer’s user guides for all the components of the kit.
- Make sure you have enough space on the DIN rail for all the components. Minimum required space is 10 modules.
- If you need to move the Equalizer away from the main fuse cabinet, the cable to the modbus can be extended up to 200 meters. Please use appropriate cable and cross section.
- Get the WiFi password. Make sure the Equalizer and the master charger(s) will be connected to the same WiFi network. The Equalizer needs to be connected to a WiFi network to work properly.
- Main distribution unit or secondary distribution unit / facade metre reader unit.
- Rogowski Coils must be fitted in the correct order to read incoming power line.
- Fuse triple pole 10A (not included).
- Install the Easee Installer App on your phone by using the QR code below.
TIPS
Prepare installation in a new encapsulation (not included):
- 4 Modules for Eastron 3-phase meter reader. — 3 Modules for Tufvasson’s electricity transformer .
- 3 Modules for fuse 10A 3 pole (not included).
Installing
WARNING: Turn off the power before you begin the installation. Use extreme caution and follow instructions carefully.
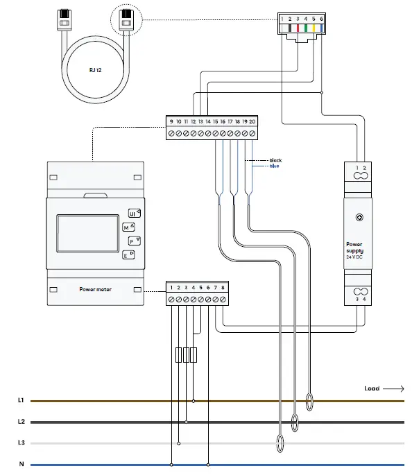
- Install the components in the distribution box according to the wiring diagram on the next page.

Configuring
Configure Eastron Meter:
- Press and hold E-button for 3 seconds.
- Type in 1000 as password, press and hold E- button for 3 seconds to confirm.
- Scroll down to Set-CT1-0.1KA if using the 100A CT kit variant or 0.5KA for 500A Rogowski coil kit variant. Press and hold for 3 seconds to select.
- Press U/It-button to return to main menu. You should now be able to see phase readings on the display.
Setting up
Download the Easee Installer App via App store or Google play. To use the Easee Installer App, you must have an Easee Cloud account. If you already have an account, you can log in immediately. Commission the site by following the steps below in the Easee Installer App.
- Pairing. Create new facility:
- Site information.
- Select Easee as the operator.
- Main fuse.
- Circuit fuse.
- Wi-Fi information.
- Scan the backplate and complete the site.
- Equalizer. At Site Overview:
- Add Equalizer.
- WiFi information.
- Scan Equalizer with your phoneâ
- NFC reader.
- Connect Equalizer to the metre reader.
- Update Equalizer to at least v.99 (takes up to 10 min).
- Set metre type -> Eastron SDM.
- Set main fuse limit -> 100%.
- Set circuits for load balancing -> Circuit (on)
- Restart the device.
- Transfer ownership. At Site Overview:
- Upload to cloud.
- Invite new owner by phone number (you remain the administrator).
- Ask the customer to download the Easee app and create an Easee cloud account. If an account already exists, the customer needs to accept the ownership request which is sent via email.
Troubleshooting
Is the charging robot already installed?
If the charger is already installed you will need to be invited as an administrator to access it in the Easee Installer App.
- Do this by asking the site owner to invite you as an administrator via the Easee Cloud, or
- Add the charger (master) to the users Easee app with the serial number and pin code.
Then you will automatically become an administrator and will find the site under
“update existing site” in the Easee Installer App. Note that you must be logged in with the same account in the Easee app as for your Easee Installer App for this step to work.
I can’t connect the Equalizer to the Wi-Fi via the Easee Installer App. If you are unable to connect the device to the Wi-Fi, check the following:
- The name and the password of the Wi-Fi. Be sure to check lowercase and uppercase letters as well as special characters. If you have the option to rename the Wi-Fi, only use letters and numbers, avoid special characters and spaces.
- The Wi-Fi must have a password, it can’t be an open Wi-Fi.
- Connected on 2.4 GHz Wi-Fi (5 GHz does not work)
- Firewalls or login portals blocking internet access.
- Make sure that the Equalizer has good
coverage for Wi-Fi. Change location of the Wi-Fi router and Equalizer. Open any garage doors and the facade metre cabinet to get as good coverage during the connection process as possible. Alternatively, install a Wi-Fi extender (Mesh).
How to connect the Equalizer via the charging robot
If you do not succeed in connecting the Equalizer to Wi-Fi via the Easee Installer App, you can try moving the Equalizer towards the charging robot until the box displays a green light.
- Ensure that the charging robot is connected to the same Wi-Fi that you want the Equalizer to be connected to. This is due to the name and password being copied over when you scan the devices.
- If the Wi-Fi is not already available, connect the charging robot via the Easee Cloud, the Easee app or via the charging robot’s Wi-Fi interface.
To set the Wi-Fi up via the charging robot’s Wi-Fi interface:
- Turn the fuses on and off to activate the installer’s interface.
- Press the button on the charger for 5 seconds until it lights up green.
- Log into the charging robot’s Wi-Fi interface (192.168.4.1) and set the Wi-Fi.
- Scan the Equalizer again when these steps are completed.
I am receiving negative values on my metre reader.
Check the following:
- The arrows on the Rogowski coils are connected in the right direction.
- The phase sequence control by measuring on the charging robot with a voltage meter.
- The connection of the respective colour in the meter (Red&Blue / Black).
- That the connection is correct from the fuse to the metre reader. Note on the wiring diagram that the connection on the meter has the sequence L3, L2, L1 from below.
- If the site has solar cells, it can show negative values during production.
The metre reader shows abnormal values or no values.
Check the following:
- RJ12 cable is connected in sequence according to the wiring diagram. If the cable was incorrectly turned (see picture of RJ12 cable in the wiring diagram), the Equalizer will receive power but no data.
- The metre is set to 0.5KA or 1KA by following the instructions in the section Installation Configure the Eastron 3-phase meter.
- The charging robot and the metre reader are installed in the same phase sequence. If switching has taken place in the house e.g.
- L2, L1, L3 the phase sequences need to be adjusted for the phase angle to be correct. Please contact Easee Customer Excellence to adjust the phase sequence in the Equalizer. Switching on the metre reader may need to be done, therefore an installer needs to be in place during this troubleshooting.
Equalizer is offline.
Do the following steps:
- Check that the charging robot is connected to Wi-Fi.
- Disconnect the Equalizer from the metre reader until it stops flashing.
- Hold the Equalizer against the charging robot until it lights up green.
- Reconnect the Equalizer to the metre reader.— If the Equalizer does not appear in the Easee Installer App, the signal is too weak. Reposition Wi-Fi or Equalizer to get a stronger signal. If necessary, install a Wi-Fi extender (Mesh) for portable connection.
How to make sure the Equalizer is displaying the correct values?
Do the following steps:
Via the Easee Installer App, go to Site Overview Site Structure → Equalizer, you can click on the product card and get the same visual image of the Equalizer that the customer gets via their Easee app. Here you can confirm that the same ampere values are displayed as on the Eastron meter. Ampere values can be found on the Eastron metre by clicking on [U / I] and scrolling to ampere values (A).

Assistance
Make sure to have the serial number available for the Easee Home and Equalizer to receive more rapid assistance.
Easee Customer Excellence
Telephone: 02039946725
Email: [email protected]



















