easee Equalizer Kit Small Smart Device

Installation instructions
Before you start
- Please check the safety instructions on the manufacturer’s user guides for all the components of the kit.
- WiFi network must be enabled for the Equalizer to work properly. Ensure that there is an active WiFi network and note down the login details.
- Install the Easee Installer App on your phone by using the QR code below.

Equalizer Kit
WARNING! This product shall only be installed, repaired or serviced by an authorised electrician. All applicable local, regional and national regulations for electrical installations must be respected.
WARNING! Turn off the power before you begin the installation. Use extreme caution and follow instructions carefully.
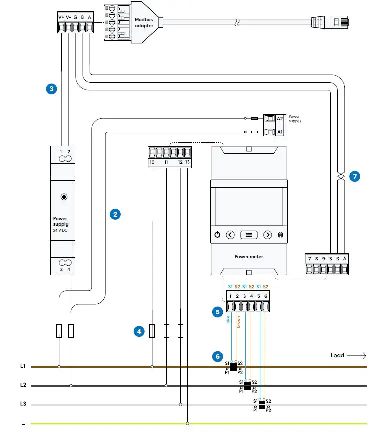
- Mount the power meter and the 24 V-power supply on a DIN rail in the fuse cabinet.
- Connect the terminals for 230 V operating current on the power meter and the 24 V-power supply. Using a separate fuse of 10A is recommended.
- Connect the power supply 24 V terminals to terminals V+ and V- on the Modbus adapter.
- Connect phase- and neutral conductors (PE if IT) to the power meter voltage measurement terminals.
- Connect the wires from the CT clamps to the power meter current measurement terminals.
- Attach one CT-clamp around each conductor either in front of or behind the main fuse in the fuse cabinet. Ensure that the sensors are connected correctly, the marked arrows on the sensors must follow the current direction from the intake to the site.
- Connect power meter terminals A+, B- and S to A, B and G on the modbus adapter.
Before powering up the system, make sure that
- V+ and V- are connected correctly to 24 V power supply.
- The load direction is correct on the CT terminals and that S1 / S2 are connected correctly to the power meter.
- The phase sequence is correct on both voltage measurement and current measurement. The CT clamp measuring L1 should be mounted to the same phase as connected to 10, L2 CT clamp to 11 and L3 CT clamp to 12.
TN 3-phase 400 V 
IT 3-phase 230 V 
Configuring
Configuring the current transformer ratio
- Identify the current sensor ratio. This is displayed on the current sensor (e.g. 300 A/ 5 A).
- Press and hold the menu button on the power meter for 3 seconds to enter programming mode.
- Press the right arrow button twice to access the primary current screen.
- Press and hold the menu button for 3 seconds to enter edit mode. The digit on the left will start to flash when in edit mode. Use the arrow buttons to move the cursor. Use the menu button to modify the digit value.
- Set the primary value of the current sensor. For example, in a 300:5 current sensor ratio, 300 is the primary value, and is displayed as 00300.
- Press and hold the menu button for 3 seconds to exit edit mode.
- Press the right arrow button to access the secondary current screen.
- Set the secondary value of the current sensor. Use the menu button to modify digit value.
- Exit the edit mode by pressing and holding the menu button for 3 seconds. Press and hold the right-arrow button to exit programming mode.

Configuring the distribution system - Press and hold the menu button on the power meter for 3 seconds to enter programming mode.
- Press the right arrow button 6 times to access the distribution system section.
- Press and hold the menu button for 3 seconds to enter the settings.
- Use the menu button to select an option. For 3 phase TN, select 4-3Ph. For 3 phase IT, select 3-3Ph.
- Exit the edit mode by pressing and holding the menu button for 3 seconds. Press and hold the right-arrow button to exit programming mode.

Setting up
To configure the Equalizer on a site with multiple circuits, use the Easee Installer App.
Ensure that the Equalizer and the master charger(s) are connected to the same WiFi network. Also check that you have NFC enabled on your mobile phone.
- Go to Ongoing sites or Update existing site and select the site you want to add an Equalizer to.
- Select Add Equalizer under Site structure.
- Enter WiFi information (same network to which the chargers are connected).
- Hold the front of the Equalizer to your mobile phone to transmit the WiFi details. The Equalizer does not need power to receive this.
- Connect the Equalizer to the Modbus adapter.
- Go to Site settings → Equalizer → Meter type and select the meter used in your system.
- For installations with more than one circuit, it is common (and recommended) to set an upper limit value for the entire charging site (eMobility fuse). Go to Site settings → Equalizer → Max allocated current to enter this.
For support and troubleshooting, please check our knowledge base by visiting easee.com/equalizersupport or scanning the QR code:

THIS DOCUMENT CONTAINS INFORMATION THAT IS SUBJECT TO CHANGE WITHOUT NOTICE.
The latest version of this publication can be downloaded at http://easee.support
No part of this publication may be reproduced or transmitted in any form or by any means, electronic or mechanical, including, but not limited to, copying, recording, retrieving data, or computer networks without the written permission of Easee AS.
Easee and all other Easee product names and slogans are trademarks or registered trademarks of Easee AS. Easee products can be protected by one or more patents.
All other products and services mentioned may be trademarks or service marks of their respective owners.
Illustrations of the product and user interface are exemplary and may differ from the actual appearance.
July 2022 – Version 2.02
© 2022 by Easee AS. All rights reserved.
Contact details
Easee AS
Grenseveien 19
4313 Sandnes, Norway
Org. nr: 920 292 046
You can find additional contact details for your country at easee.com.




















