RYOBI RY40108 LAWN MOWER 
PARTS DESCRIPTION
ITEM NO. RY40108
The model number will be found on a label attached to the deck. Always mention the model number in all correspondence regarding your LAWN MOWER or when ordering replacement parts.
Key Part Key Part
No Number Description Qty No Number Description Qty
| 1 | 621895001 | Pin (Handle Lock Clip)…………………………….. 2 | 24 | 695002005 | Upper Handle Tube……………………………………. 2 |
| 2 | 636233001 | Washer (ID8.5 x OD20.5 x 2t)…………………… 2 | 25 | 635385006 | Bag Frame………………………………………………. 1 |
| 3 | 638387002 | Washer (1/4 in.)…………………………………….. 6 | 26 | 120723001 | Switch Kit………………………………………………… 1 |
| 4 | 664004003 | Screw (1/4-15 x 22mm, T30 Torx Pan Hd.)….. 6 | 27 | 529261002 | Safety Switch Cover………………………………….. 1 |
| 5 | 529260001 | Hinge Cover…………………………………………. 2 | 28 | 205011004 | Upper Handle/Bail Kit…………………………………. 1 |
| 6 | 662324001 | Shoulder Screw (M8 x 60 mm, T40 Torx Hd.).. 2 | 29 | 205045001 | Upper Panel Assembly (Inc. Key Nos. 35-37)….. 1 |
| 7 | 760961002 | Switch…………………………………………………. 2 | 30 | 563862001 | Rubber Plate (Handle Lock Clip)…………………… 2 |
| 8 | 528361002 | Adjustment Knob…………………………………… 2 | 31 | 205047001 | Lower Panel Assembly (Inc. Key Nos. 38-39)….. 1 |
| 9 | 673441001 | Spring Pin……………………………………………. 2 | 32 | 529298001 | Block (Handle Lock Clip)…………………………….. 2 |
| 10 | 694490001 | Compression Spring………………………………. 2 | 33 | 970698001 | Bag……………………………………………………….. 1 |
| 11 | 673438001 | Detent Pin……………………………………………. 2 | 34 | 529293001 | Handle Lock Clip………………………………………. 2 |
| 12 | 642586001 | Spring Pin Housing………………………………… 2 | 35 | 940705322 | Logo Label………………………………………………. 1 |
| 13 | 661189003 | Screw (M4 x 18 mm, T20 Torx Pan Hd.)……. 22 | 36 | 940851127 | Start Label (Right)…………………………………….. 1 |
| 14 | 636779003 | Height Adjustment Bracket………………………. 1 | 37 | 940851133 | Start Label (Left)……………………………………….. 1 |
| 15 | 760551002 | Switch…………………………………………………. 1 | 38 | 940851128 | Lithium Label……………………………………………. 1 |
| 16 | 678880001 | E-Ring………………………………………………… 2 | 39 | 940851198 | Handle Extended Label………………………………. 1 |
| 17 | 679076001 | Torsion Spring (Rear Door)………………………. 1 | 40 | 120723002 | Switch Repair Kit (Inc. Key Nos. 2, 6, 26 & 33)… 1 |
| 18 | 635469001 | Rear Door Axle……………………………………… 1 | 41 | 660563002 | Screw (M4 x 20 mm, T20 Torx Pan Hd.)…………. 4 |
| 19 | 527478001 | Rear Discharge Door……………………………… 1 | 42 | 695065001 | Lower Handle Tube (Left)……………………………. 1 |
| 20 | 533467001 | Switch Plug Housing……………………………………….. 1 |
| 21 22 23 | 695001001 529328002 529327001 | Lower Handle Tube (Right)……………………………….. 1 Handle Tube Bushing (Large)…………………………………2 Handle Tube Bushing (Small)…………………………………2 |
Not Shown:
991000664 Operator’s Manual
5-21-18
(Rev:10)
ITEM NO. RY40108
The model number will be found on a label attached to the deck. Always mention the model number in all correspondence regarding your LAWN MOWER or when ordering replacement parts.
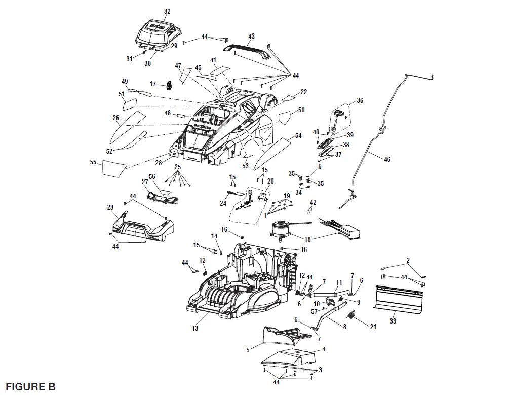
FIGURE B PARTS LIST
Part Number, Description, Qty
- 638557001 Washer (ID6.2 x OD15 x 0.08t)……………………………………… 4
- 639116003 Axle Pressure Plate……………………………………………………… 2
- 636062001 Washer (ID4.5 x OD10 x 1t)………………………………………….. 4
- 527548002 Baffle…………………………………………………………………………. 1
- 527556001 Mulching Plug…………………………………………………………….. 1
- 678279004 Cotter Pin…………………………………………………………………… 4
- 639013001 Washer (ID8.4 x OD18 x 1t)………………………………………….. 3
- 635378005 Front Lift Rod……………………………………………………………… 1
- 679992001 Torsion Spring (Height Adjustment)……………………………….. 1
- 639203001 Height Adjustment Bracket…………………………………………… 1
- 635379005 Rear Lift Rod………………………………………………………………. 1
- 639116002 Axle Mount…………………………………………………………………. 2
- 531172001 Deck………………………………………………………………………….. 1
- 513211001 Cord Clip……………………………………………………………………. 2
- 660608002 Screw (M4 x 16 mm, T20 Torx Pan Hd.)…………………………. 6
- T662406001 Square Nut (M8)………………………………………………………….. 2
- 311280001 Start Key……………………………………………………………………. 1
- 312922001 Motor and Controller Assembly
(EU17300 & Before, B.D.C. Week 30, 2017)……………………. 1
312922003 Motor and Controller Assembly
(EU17301, A.D.C. Week 30, 2017)…………………………………. 1 - 680196006 Hex Nut (M6)………………………………………………………………. 4
- 205080001 Key Holder Assembly (Inc. Key No. 21)………………………….. 1
- 694052001 Rentention Spring……………………………………………………….. 1
- 941843004 Height Adjustment Label……………………………………………… 1
- 529372001 Front Bumper……………………………………………………………… 1
- 291805001 Circuit Board (Before EU17171,
B.D.C. Week 17, 2017 Light Assembly)………………………….. 1
280424002 Circuit Board
(EU17171, & After A.D.C. Week 17, 2017 Light Assembly).. 1 - 660203001 Screw (M3 x 8 mm, Pan Hd.)………………………………………… 8
- 940851132 Brushless Label (Right)………………………………………………… 1
- 205057001 Light Assembly (Inc. Key No. 56)…………………………………… 1
- 205046001 Deck Cover (Inc. Key Nos. 22, 26, 41, 45 & 47-55)………….. 1
- 621628001 Axle…………………………………………………………………………… 1
- 679073001 Compression Spring……………………………………………………. 1
- 679074002 Torsion Spring…………………………………………………………….. 1
- 529259001 Battery Cover……………………………………………………………… 1
- 534779001 Rear Protective Guard…………………………………………………. 1
- 639125002 Pressure Plate (Height Adjustment)……………………………….. 2
- 661189003 Screw (M4 x 18 mm, T20 Torx Pan Hd.)…………………………. 4
- 205011003 Height Adjust Handle Kit……………………………………………… 1
- 678509001 Hex Lock Nut (M5)………………………………………………………. 2
- 563454001 Dust Gasket……………………………………………………………….. 1
- 635382001 Height Adjustment Plate………………………………………………. 1
- 660713001 Screw (M5 x 16 mm, Soc. Hd.)……………………………………… 2
- 941107021 Bilingual Danger (French/Spanish) &
Trilingual Warning (English/French/Spanish) Label…………… 1 - 870601002 Close-End Connector………………………………………………….. 2
- 529258001 Carrying Handle………………………………………………………….. 1
- 660563002 Screw (M4 x 20 mm, T20 Torx Pan Hd.)……………………….. 26
- 941107020 Danger/Warning Icon Label (English)……………………………… 1
- 291556001 Wiring Harness (EU17151 & Before,
B.D.C. Week 15, 2017)…………………………………………………. 1
291556002 Wiring Harness (EU17301 & After, A.D.C. Week 30, 2017)… 1
291556003 Wiring Harness (EU17152-EU17300,
A.D.C. Week 15, 2017 to B.D.C. Week 30, 2017)…………….. 1 - 941842015 40V Lithium Label……………………………………………………….. 1
- 941843005 On Board Battery Storage Label…………………………………… 1
- 941107015 Warning Label…………………………………………………………….. 1
- 941641001 No Hands Label………………………………………………………….. 1
- 941588122 Data Label………………………………………………………………….. 1
- 941842004 RYOBI Label (Right)…………………………………………………….. 1
- 941842007 Logo Label…………………………………………………………………. 1
- 940705323 Brushless Label (Left)………………………………………………….. 1
- 940705324 40V Brushless Logo Label……………………………………………. 1
- 940851129 LED Headlight Label……………………………………………………. 1
- 639122001 Adjust Height Axle………………………………………………………. 1
ITEM NO. RY40108
The model number will be found on a label attached to the deck. Always mention the model number in all correspondence regarding your LAWN MOWER or when ordering replacement parts.
Key Part Key Part
No Number Description Qty No Number Description Qty
| 1 | 679075001 | Hex Nut (M10, Flange)…………………………….. 1 | 9 | 639116003 | Axle Pressure Plate………………….. 4 |
| 2 | 639118001 | Blade Retainer……………………………………….. 1 | 10 | 662082001 | Lock Nut (3/8-16, Flange)…………… 4 |
| 3 | 526920001 | Spacer…………………………………………………. 1 | 11 | 330073005 | Front Wheel Assembly………………. 2 |
| 4 | 682162001 | Blade…………………………………………………… 1 | 12 | 635376003 | Front Wheel Axle……………………… 1 |
| 5 | 526921001 | Blade Holder………………………………………….. 1 | 13 | 330072005 | Rear Wheel Assembly………………. 2 |
| 6 | 613427001 | Motor Shaft Bushing………………………………… 1 | 14 | 635375002 | Rear Wheel Axle……………………… 1 |
| 7 | 660722002 | Bolt (M6 x 26 mm, Hex Hd.)………………………. 4 | 15 | 660563002 | Screw (M4 x 20 mm, T20 Torx Pan Hd.)………………………………………. 8 |
| 8 | 638557001 | Washer (ID6.2 x OD15 x 0.08t)………………….. 4 |
WIRING DIAGRAM
ITEM NO. RY40108

















