ROPOX 6068 Swing Washbasin Height Adjustable

Keep this manual with the product at all times
Product information
It is important to read this manual before use.
- Product: Ropox Dock-in
- Manufacturer: Ropox, DK-4700 Naestved, Tel. +45 55 75 05 00
- Application: This Ropox Dock-in station is used in connection with the Ropox swing washbasin. It is designed to provide an extra tabletop around the washbasin and to increase the stability and safety when the washbasin is locked. The Dock-in station is ideal for use in private homes, care centres or similar institutions.
Components
40-40069 Ropox Dock-in

Technical data
- Height adjustment 150mm
- Materials Tabletop: Molded marble and polymer with sanitary gelcoat surface
- Frame: Surface-treated steel
- Locking mechanism: Stainless steel
- Surface treatment Steel: Blue chromate, powder-coated, white RAL 9003 mat
- Maximum load According to DS/ISO 17966 maximum user weight is 245kg.
The Ropox Dock-in is designed to support and stabilise the washbasin so that a person of 245kg may lean on the washbasin when it is locked
The weight of 245kg is based on a person positioned at an angle of up to 45⁰
This product has CE-marking and has been tested according to the European standard for assistive devices for disabled persons DS/ISO 17966 and the Machinery Directive 2006/42/EC.
This product is UKCA-marked in accordance with:
UK SI 2002 No. 618 – The Medical Devices Regulations 2002, and its amendments
UK SI 2008 No. 1597 – The Supply of Machinery (Safety) Regulations 2008, and its amendments
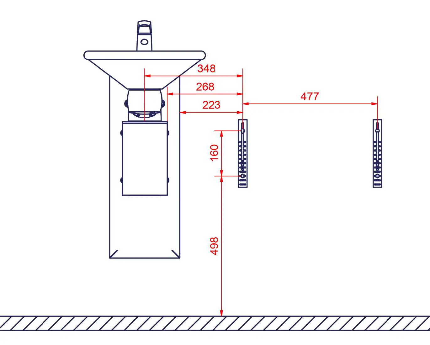
Dimension sketches

Mounting instruction
Mounting templates
- No. 1
For Swing Wash Basin
40-41110 og 40-41120
- No. 2
For Swing Wash Basin 40-41130
- No. 3
For Swing Wash Basin 40-41140
- No. 4
For retrofitting of Dock-in
Retrofitting of Dock-in

Mounting template



Without the mounting template
For Ropox Swing Wash Basin (fixed height)
40-41110
40-41120
For Ropox Swing Wash Basin (height adjustable)
40-41130
40-41140
ATTENTION:
The sink must be in top position

The screws and rawlplugs included are for mounting on a concrete wall. The installer must always examine the material, condition and strength of the wall and use appropriate screws and rawlplugs.
Maximum load in the top screws are 98kg / 216lbs.




Tighten

Placing handle




Instructions
Daily use
The Dock-in station is designed to ensure easy locking of the washbasin during daily use.
The washbasin is guided into the notch and will be locked automatically in the right position. To release the washbasin pull one of the two handles. This will release the washbasin from the locking mechanism after which it may swing freely.
Permanent lock
The wash basin can be permanently locked and thereby function as a standard wash basin. This is done by inserting the two supplied M5 screws as shown below. Please note that the wash basin needs to be locked in the Dock-in when the screws are tightened and both screws must be used.
Deactivation of the lock
It is also possible to use the screws to deactivate the locking system if desired. This is done by inserting and tighten one of the screws while pulling out the handle. This only has to be done in one of the side to work.
Recommendations
To ensure optimum utilization of the features of the Ropox Dock-in station and to avoid accidents it is important to follow these basic safety procedures.
- Be careful not to load the washbasin during coupling with the Dock-in station. This may result in inaccuracies and mean that the washbasin cannot be locked or hits the upper or lower edge of the Dock-in station.
- To obtain a long life of the locking mechanism as well as proper locking of the washbasin it is recommended to guide the washbasin slowly during coupling with the Dock-in station.
- Please note that the Dock-in station is designed to provide stability so that you may lean on but not hang on it.
Height adjustment
The Dock-in station can be easily height adjusted together with the Swing Wash Basin as shown. Make sure that the Dock-in station is level after the height adjustment, and insure that the Wash Basin is easy to insert and release from the Dock-in station.


Maintenance
Ropox Dock-in is maintenance-free. However, for safety reasons it is recommendable to check all mounting screws and moving parts at regular intervals to ensure that the screws are fixed securely in the wall and in the washbasin.
Cleaning
Do not use a high-pressure washer to clean this product. Simply use a soft cloth or sponge with soapy water (pH7) of max. 60°C or cleaning alcohol. If a detergent is used the surface of the tabletop may get greasy after some time. This may be removed with equal parts water and chlorine. Clean the Dock-in station at regular intervals to prevent dirt from sticking to the surfaces.
Important:
Do not use scouring powder or other abrasives as they may scratch the surfaces. Also avoid the use of cleaning utensils with sharp edges. Never use strong acids or alkaline products.
Fault finding
| Error | Possible remedy |
| Washbasin cannot be locked | Check that washbasin and Dock-in have been installed as prescribed. Check that they are both level and that the mounting screws are fastened securely in the wall. |
| Washbasin is locked, but cannot be released | Check if the locking screws are tightened. See page 5. If so please loosen or remove these. |
| Washbasin hits Dock-in station and cannot reach locking mechanism | Check that washbasin and Dock-in have been installed as prescribed. Check that they are both level and that the mounting screws are fastened securely in the wall. |
Waste handling
Used equipment must be disposed of according to national law. We recommend dismantling of the product to the greatest possible extent so that most parts may be reused. Example of sorting groups: Metal and compact laminate.
Normal use
- Temperature: 0 °C to 50 °C
- Relative humidity: 5% to 85% non-condensing
Storage and transport
Fragile
Keep away from water
This side up
Marking
Label
The Ropox Dock-in station has a label of its own as illustrated. This label contains important information to be stated in connection with all approaches to the supplier.

Symbols
Read the user manual before use.
Waste must be sorted – if possible for reuse.
CE-marking. This product meets the requirements for ”General Safety and Functionality” of the relevant EU-directives and standards.
Spare parts
Current spare parts
| 40-40071-082 Fixture for washbasin | ![]() |
| 96000177 Revolving Handle | ![]() |
CE-marking
EU – Declaration of Conformity
Ropox hereby declares that the following product
- 40-40069-4
- Ropox Dock-in
is classified as Class I and conforms to the following directive and standard:
Directives
Directive No. 93/42/EEC concerning Medical Devices (risk class 1) Machinery Directive No. 2006/42/EC, amended by Directive No. 98/37/EC.
Standards
- DS/ISO 17966: 2016: Assistive products for personal hygiene that support users – Requirements and test methods
- DS/EN 14971: 2012: Medical devices – Application of risk management to medical devices
- DS/EN 9999: 2011:Assistive devices for persons with functional disabilities – Classification and terminology
Complaints
All inquiries concerning complaints must be directed to the distributor representing Ropox on the market in question.
Cf. Ropox General Terms of Sale and Delivery.
Ropox A/S
Ringstedgade 221
DK – 4700 Naestved
Tel.: +45 55 75 05 00 Fax.: +45 55 78 05 50
E-mail: [email protected]
www.ropox.dk





Fragile
Keep away from water
This side up
Read the user manual before use.
Waste must be sorted – if possible for reuse.


















