CMXECXM601 60-Gallon Single Stage Electric Vertical Air Compressor
Instruction Manual
IF YOU HAVE QUESTIONS OR COMMENTS, CONTACT US.
Definitions: Safety Alert Symbols and Words
This instruction manual uses the following safety alert symbols and words to alert you to hazardous situations and your risk of personal injury or property damage.
DANGER: Indicates an imminently hazardous situation that, if not avoided, will result in
WARNING: Indicates a potentially hazardous situation that, if not avoided, could result in
CAUTION: Indicates a potentially hazardous situation that, if not avoided, may result in
(Used without a word) Indicates a safety-related message.
NOTICE: Indicates a practice not related to personal injury which, if not avoided, may result in
Components
| 1. Auto/Off Switch | 9. Air Outlet |
| 2. Pressure Switch (not shown) | 10. Motor Overload Protector |
| 3. Safety Valve | 11. Compressor Pump Head |
| 4. Tank Pressure Gauge | 12. Compressor Pump Cylinder |
| 5. Check Valve | 13. Outlet Tube |
| 6. Air Intake Filter | 14. Oil Fill Plug |
| 7. Air Compressor Pump | 15. Oil Sight Glass |
| 8. Drain Valve | 16. Oil Drain Plug |
WARNING: Read all safety warnings and all instructions. Failure to follow the warnings and instructions may result in electric shock, fire, and/or serious injury.
WARNING: Never modify the product or any part of it. Damage or personal injury could result.
WARNING: To reduce the risk of injury, read the instruction manual.
If you have any questions or comments about this or any product, call CRAFTSMAN toll free at: 1-888-331-4569
Air Compressor CMXECXM601
SAVE ALL WARNINGS AND INSTRUCTIONS FOR FUTURE REFERENCE
DANGER: RISK OF EXPLOSION OR FIRE![]()
| What can happen | How to prevent it |
| It is normal for electrical contacts within the motor and pressure switch to spark. | Always operate the compressor in a well-ventilated area free of combustible materials, gasoline, or solvent vapors. |
| If electrical sparks from compressors come into contact with flammable vapors, they may ignite, causing fire or explosion. | If spraying flammable materials, locate the compressor at least 20 feet (6.1 m) away from the spray area. An additional length of the hose may be required. |
| Store flammable materials in a secure location away from the compressor. | |
| Restricting any of the compressor’s ventilation openings will cause serious overheating and could cause a fire. | Never place objects against or on top of the compressor pump. |
| Operate the compressor in an open area at least 12″ (30.5 cm) away from any wall or obstruction that would restrict the flow of fresh air to the ventilation openings. | |
| Operate compressor in a clean, dry well-ventilated area. Do not operate the unit indoors or in any confined area. | |
| Unattended operation of this product could result in personal injury or property damage. To reduce the risk of fire, do not allow the compressor to operate unattended. | Always remain in attendance with the product when it is operating. |
| Always turn off and unplug the unit when not in use. |
CAUTION: RISK FROM NOISE![]()
| What can happen | How to prevent it |
| Under some conditions and duration of use, noise from this product may contribute to hearing loss. | Always wear certified safety equipment: ANSI S12.6 (S3.19) hearing protection. |
WARNING:
CONTAINS LEAD. May be harmful if eaten or chewed. May generate dust containing lead. Wash hands after use. Keep out of reach of children
WARNING:
This product can expose you to chemicals including lead, which is known to the State of California to cause cancer and birth defects or other reproductive harm.
For more information go to www.P65Warnings.ca.gov.
DANGER: RISK TO BREATHING (Asphyxiation)![]()
| What can happen | How to prevent it |
| The compressed air directly from your compressor is not safe for breathing. The airstream may contain carbon monoxide, toxic vapors, or solid particles from the air tank. Breathing these contaminants can cause serious injury or death. | Air obtained directly from the compressor should never be used to supply air for human consumption. In order to use air produced by this compressor for breathing, suitable filters and in-line safety equipment must be properly installed. In-line filters and safety equipment used in conjunction with the compressor must be capable of treating air to all applicable local and federal codes prior to human consumption. |
| Exposure to chemicals in dust created by power sanding, sawing, grinding, drilling, and other construction activities may be harmful. | Work in an area with good ventilation. Read and follow the safety instructions provided on the label or safety data sheets for the materials you are spraying. Always use certified safety equipment: OSHA/MSHA/NIOSH respiratory protection designed for use with your specific application. |
| Sprayed materials such as paint, paint solvents, paint remover, insecticides, weed killers, may contain harmful vapors and poisons. |
WARNING: RISK OF BURSTING![]()
Air Tank: On February 26, 2002, the U.S. Consumer Product Safety Commission published Release U 02-108 concerning air compressor tank safety:
Air compressor receiver tanks do not have an infinite life. Tank life is dependent upon several factors, some of which include operating conditions, ambient conditions, proper installations, field modifications, and the level of maintenance. The exact effect of these factors on air receiver life is difficult to predict.
If proper maintenance procedures are not followed, internal corrosion to the inner wall of the air receiver tank can cause the air tank to unexpectedly rupture allowing pressurized air to suddenly and forcefully escape, posing a risk of injury to consumers.
Your compressor air tank must be removed from service by the end of the year shown on your tank warning label. The following conditions could lead to a weakening of the air tank, and result in a violent air tank explosion:
| What can happen | How to prevent it |
| Failure to properly drain condensed water from the air tank causes rust and thinning of the steel air tank. | Drain the air tank daily or after each use. If the air tank develops a leak, replace it immediately with a new air tank or replace the entire compressor. |
| Modifications or attempted repairs to the air tank. | Never drill into, weld, or make any modifications to the air tank or its attachments. Never attempt to repair a damaged or leaking air tank. Replace with a new air tank. |
| Unauthorized modifications to the safety valve or any other components which control air tank pressure. | The air tank is designed to withstand specific operating pressures. Never make adjustments or parts substitutions to alter the factory set operating pressures. |
| Attachments & accessories: | |
| Exceeding the pressure rating of air tools, spray guns, air-operated accessories, tires, and other inflatables can cause them to explode or fly apart and could result in serious injury. | Follow the equipment manufacturer’s recommendation and never exceed the maximum allowable pressure rating of attachments. Never use compressor to inflate small low pressure objects such as children’s toys, footballs, basketballs, etc. |
| Tires: | |
| Over inflation of tires could result in serious injury and property damage. | Use a tire pressure gauge to check the tire pressure before each use and while inflating tires; see the tire sidewall for the correct tire pressure. NOTE: Air tanks, compressors and similar equipment used to inflate tires can fill small tires similar to these very rapidly. Adjust the pressure regulator on the air supply to no more than the rating of the tire pressure. Add air in small increments and frequently use the tire gauge to prevent over inflation. |
WARNING: RISK OF ELECTRICAL SHOCK![]()
| What can happen | How to prevent it |
| Your air compressor is powered by electricity. Like any other electrically powered device, If it is not used properly it may cause electric shock. | Never operate the compressor outdoors when it is raining or in wet conditions. |
| Never operate the compressor with protective covers removed or damaged. | |
| Repairs attempted by unqualified personnel can result in serious injury or death by electrocution. | Any repairs required on this product should be performed by authorized service center personnel. |
| Electrical Grounding: Failure to provide adequate grounding to this product could result in serious injury or death from electrocution. See Grounding Instructions under Installation. | Make certain that the electrical circuit to which the compressor is connected provides a proper electrical grounding, correct voltage, and adequate fuse protection. |
WARNING: RISK FROM FLYING OBJECTS![]()
| What can happen | How to prevent it |
| The compressed air stream can cause soft tissue damage to exposed skin and can propel dirt, chips, loose particles, and small objects at high speed, resulting in property damage or personal injury. | Always wear certified safety equipment: ANSI Z87.1 eye protection (CAN/CSA Z94.3) with side shields when using the compressor. |
| Always wear certified safety equipment: ANSI Z87.1 eye protection (CAN/CSA Z94.3) with side shields when using the compressor. | |
| Always turn the compressor off and bleed pressure from the air hose and air tank before attempting maintenance, attaching tools or accessories. |
WARNING: RISK OF HOT SURFACES![]()
| What can happen | How to prevent it |
| Touching exposed metal such as the compressor head, engine head, engine exhaust, or outlet tubes, can result in serious burns. | Never touch any exposed metal parts on the compressor during or immediately after operation. The compressor will remain hot for several minutes after the operation. Do not reach around protective shrouds or attempt maintenance until the unit has been allowed to cool. |
WARNING: RISK OF INJURY FROM LIFTING![]()
| What can happen | How to prevent it |
| Serious injury can result from attempting to lift too heavy an object. | The compressor is too heavy to be lifted by one person. Obtain assistance from others before lifting. |
WARNING: RISK FROM MOVING PARTS![]()
| What can happen | How to prevent it |
| Moving parts such as the pulley, flywheel, and belt can cause serious injury if they come into contact with you or your clothing. | Never operate the compressor with guards or covers which are damaged or removed |
| Keep your hair, clothing, and gloves away from moving parts. Loose clothes, jewelry, or long hair can be caught in moving parts. | |
| Air vents may cover moving parts and should be avoided as well. |
| Attempting to operate a compressor with damaged or missing parts or attempting to repair a compressor with protective shrouds removed can expose you to moving parts and can result in serious injury. | Any repairs required on this product should be performed by authorized service center personnel. |
WARNING: RISK OF UNSAFE OPERATION![]()
| What can happen | How to prevent it |
| Unsafe operation of your air compressor could lead to serious injury or death to you or others. | Review and understand all instructions and warnings in this manual. |
| Become familiar with the operation and controls of the air compressor. | |
| Keep the operating area clear of persons, pets, and obstacles. | |
| Keep children away from the air compressor at all times. | |
| Do not operate the product when fatigued or under the influence of alcohol or drugs. Stay alert at all times. | |
| Never defeat the safety features of this product. | |
| Equip the area of operation with a fire extinguisher. | |
| Do not op er ate machine with missing, broken, or unauthorized parts. | |
| Never stand on the compressor |
Specifications
| Model | CMXECXM601 |
| Bore | 2.68″ (68.014 mm) |
| Stroke | 1.50″ (35 mm) |
| Voltage/Hz-Single Phase | 240/60 |
| Minimum Branch Circuit Requirement | 20 amps |
| Fuse Type | Time Delay |
| Air Tank Capacity | 60 Gallons (227.1 liters) |
| Approximate Cut-in Pressure | 145 psi |
| Approximate Cut-out Pressure | 175 psi |
| SCFM @ 40 psi | 13.4 * |
| SCFM @ 90 psig | 11.5 * |
| Tank Fill Time | 7 minutes |
| Duty Cycle | 50%, ex. 30 minutes each hour |
| Weight | Approximately 200 lbs (91 kg) |
*Tested per ISO 1217
Refer to Glossary for abbreviations.
GLOSSARY
Become familiar with these terms before operating the unit.
CFM: Cubic feet per minute.
SCFM: Standard cubic feet per minute; a unit of measure of air delivery.
PSIG: Pounds per square inch gauge; a unit of measure of pressure.
PSI: Pounds per square inch; a unit of pressure.
Code Certification: Products that bear one or more of the following marks: UL’, CUL, CULUS, ETL°, CETL, CETLUS, have been evaluated by OSHA certified independent safety laboratories and meet the applicable Standards for Safety.
Cut-In Pressure: While the motor is off, air tank pressure drops as you continue to use your accessory. When the tank pressure drops to a certain lower level the motor will restart automatically. The low pressure at which the motor automatically restarts is called “cut-in” pressure.
Cut-Out Pressure: When an air compressor is turned on and begins to run, air pressure in the air tank begins to build. It builds to a certain high pressure before the motor automatically shuts off, protecting your air tank from pressure higher than its capacity. The high pressure at which the motor shuts off is called “cut-out pressure.
Branch Circuit: Circuit carrying electricity from electrical panel to outlet.
Duty Cycle: For proper operation of your air compressor, it is recommended that a 5096 duty cycle be maintained; that is, the air compressor should not run more than 30 minutes in any 60-minute period.
Well-ventilated: A means of providing fresh air in exchange for dangerous exhaust or vapors. Dedicated circuit: An electrical circuit reserved for the exclusive use of the air compressor.
ASME: American Society of Mechanical Engineers. Indicates that the components are manufactured, tested, and inspected to the specifications set by ASME.
CSA: Canadian Standards Association
Indicates that the products that have this marking have been manufactured, tested, and inspected to standards that are set by CSA.
Canadian Standards Association (USA): Indicates that the products that have this marking have been manufactured, tested, and inspected to standards
that are set by CSA. These products also conform to U.L. standard 1450.
California Code: The unit may comply with California Code 462 (I) (2)/(M) (2). Specification/model label is on the side of the air tank on units that comply with California Code.
ASSEMBLY AND ADJUSTMENTS
WARNING: To reduce the risk of serious personal injury, turn the unit off, and disconnect it from the power source before making any adjustments or removing/installing attachments or accessories. An accidental start-up can cause injury.
WARNING: Risk of unsafe operation. Unit cycles automatically when power is on. When performing maintenance, you may be exposed to voltage
sources, compressed air, or moving parts. Personal injuries can occur. Before performing any maintenance or repair, disconnect the power source from the compressor and bleed off all air pressure.
UNPACKING
Remove unit from package and discard all packaging.
INSTALLATION
How To Set Up Your Unit Location of the Air Compressor
- Locate the air compressor in a clean, dry, and well-ventilated area.
- The air compressor should be located at least 12″ (30.5 cm) away from the wall or other obstructions that will interfere with the flow of air.
- The air compressor pump and shroud are designed to allow for proper cooling. The ventilation openings on the compressor are necessary to maintain proper operating temperature. Do not place rags or other containers on or near these openings.
NOISE CONSIDERATIONS
Consult local officials for information regarding acceptable noise levels in your area. To reduce excessive noise, use vibration mounts or silencers, or relocate the unit.
Anchoring of the Air Compressor
WARNING: Risk of bursting. Excessive vibration can weaken the air tank and cause an explosion. The compressor must be properly mounted. The air compressor MUST be properly mounted. The air compressor MUST be bolted to a level, solid concrete surface. Use 3/8” lag screws, vibration pads and concrete anchors.
- Place the air compressor on a level, solid concrete surface. Make sure the concrete is in good condition with no cracks or damage.
- Mark the surface using the holes in the air compressor feet as a template.
- Drill holes in the surface for the concrete anchors. Install concrete anchors.
- Line up holes in the surface with holes in air compressor feet.
- Place the vibration pads between the floor and air compressor feet, see figure. If needed use shims to level the unit.
- Place the 3/8″ lag screws through the air compressor feet, vibration pads, and into the anchors.
- Torque 3/8″ lag screws to 7-10 ft.-lbs (9.5-13.5 Nm).
![]()
Grounding Instructions
WARNING: Risk of electrical shock. In the event of a short circuit, grounding reduces the risk of shock by providing an escape wire for the electric current. This air compressor must be properly grounded.
This product must be connected to a grounded, metallic, permanent wiring system, or an equipment-grounding terminal or lead on the product.
DANGER: Risk of electrical shock. IMPROPER GROUNDING CAN RESULT IN ELECTRICAL SHOCK.
Voltage and Circuit Protection
Refer to the Voltage and Minimum Branch Circuit Requirements under Specifications.
- The voltage supply to the circuit must comply with the National Electrical Code.
- The circuit is not used to supply any other electrical needs.
NOTE: If the compressor is connected to a circuit protected by fuses, use only time-delay fuses. Time delay fuses should be marked “D” in Canada and “T” in the US.
Main Power Disconnect Switch
Install a main power disconnect switch in the line from the panel to the compressor. The main power disconnect switch must be located near the compressor, for ease of use and safety. When turned OFF, the main power disconnect switch shuts off all power to the compressor. When it is turned ON, the compressor will start and stop automatically, controlled by the pressure switch.
Electrical Wiring
WARNING: Improper electrical installation of this product may void its warranty and your fire insurance. Has circuit wiring performed by qualified personnel such as a licensed electrician who is familiar with the current national electrical code and any prevailing local electrical codes?
WARNING: Risk of electrical shock. Improper electrical grounding can result in electrical shock.
The wiring should be done by a qualified electrician.
A qualified electrician needs to know the following before wiring:
- The amperage rating of the electrical box is adequate.
Refer to the Specifications, in the instruction manual, for this information. - If the supply line has the same electrical characteristics (voltage, cycle, phase) as the motor. Refer to the motor nameplate, on side of the motor, for this information.
NOTE: The wiring used must be rated for the motor nameplate voltage, plus or minus 10%. Refer to local codes for recommended wire sizes, correct wire
size and maximum wire run.
Undersized wire causes high amp draw and overheating to the motor.
NOTE: A circuit breaker is recommended. If the air compressor is connected to a circuit protected by a fuse, use only time-delay fuses.
WARNING: Risk of electrical shock. Electrical wiring must be located away from hot surfaces such as manifold assembly, compressor outlet tubes, heads, or cylinders.
Air Distribution System
WARNING: Risk of bursting. Plastic or PVC pipe is not designed for use with compressed air. Regardless of its indicated pressure rating, plastic pipes can burst from air pressure. Use only metal pipes for air distribution lines.
INSTALLING AND DISCONNECTING HOSES
WARNING: Risk of unsafe operation. Firmly grasp hose in hand when installing or disconnecting to prevent hose whip. Ensure the regulated pressure gauge reads 0 PSI.
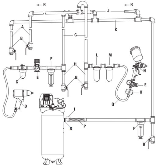
The next figure represents a typical air distribution system.
The following are tips to remember when setting up the air compressor’s air distribution system.
NOTE: Compressed air from oil lubed air compressors will contain water condensation and oil mist. Several drains, traps, and filters will be needed to supply air without water (including aerosols) or oil to spray equipment, air tools, and accessories requiring filtered air. Always read the instructions for the air tools and accessories being used.
- Use a pipe that is the same size as the air tank outlet. Piping that is too small will restrict the flow of air.
- If piping is over 100′ (30.5 m) long, use the next larger size.
- Bury underground lines below the frost line and avoid pockets where condensation can gather and freeze. Apply pressure before underground lines are covered to make sure all pipe joints are free of leaks.
- A flexible coupling is recommended to be installed between the globe valve/air discharge outlet and main air distribution line to allow for vibration.
- A separate regulator is recommended to control the air pressure. Air pressure from the tank is usually too high for individual air-driven tools.
- DO NOT install lubricators between the tank and any spray equipment, air tool or accessory requiring oil-free filtered air.
- Drain all traps, filters, and dirt legs daily.
SEE NEXT PAGE FOR A TYPICAL COMPRESSED AIR DISTRIBUTION SYSTEM
TYPICAL COMPRESSED AIR DISTRIBUTION SYSTEM

| Part | Description |
| A | Drain Legs |
| B | Drain Valves |
| C | Lubricator |
| D | Air Tool |
| E | Regulator |
| F | Filter / Moisture Trap |
| G | Air Usage Lines |
| H | Dirt Legs |
| 1 | Air Discharge Valve |
| 1 | Feeder Lines Slope with Air Flow |
| K | Main Distribution Air Lines – Slope pipe in direction of airflow. Water condensate flows along the bottom of the pipe to drain legs, preventing it from entering feeder lines. |
| L | 5 Micron Filter |
| M | .01 Micron Filter |
| N | Spray Gun |
| 0 | Ball fitter |
| P | Flexible Coupling |
| Q | For Best Performance – The distance between the compressor and the moisture trap should be as long as possible. |
| R | Airflow |
| S | Air Outlet |
OPERATION
WARNING: To reduce the risk of serious personal injury, turn the unit off and disconnect it from the power source before making any adjustments or removing/installing attachments or accessories. An accidental start-up can cause injury.
WARNING: Risk of unsafe operation. Unit cycles automatically when power is on. When performing maintenance, you may be exposed to voltage sources, compressed air, or moving parts. Personal injuries can occur. Before performing any maintenance or repair, disconnect power source from the compressor and bleed off all air pressure.
Know The Air Compressor
READ THIS INSTRUCTION MANUAL AND SAFETY RULES BEFORE OPERATING THE UNIT. Compare the illustrations with the unit to familiarize yourself with the location of various controls and adjustments. Save this manual for future reference.
Description of Operation (Fig. A)
Become familiar with these controls before operating the unit.
AUTO (-) / OFF (O) SWITCH
Place this switch (1) in the “AUTO (-)” position to provide automatic power to the pressure switch and “OFF (O)” to remove power at the end of each use.
PRESSURE SWITCH (NOT SHOWN)
The pressure switch (2) automatically starts the motor when the air tank pressure drops below the factory set “cut-in” pressure. It stops the motor when the air tank pressure reaches the factory set “cut-out” pressure.
SAFETY VALVE
If the pressure switch does not shut off the air compressor at its “cut-out” pressure setting, the safety valve (3) will protect against high pressure by “popping out” at its factory set pressure (slightly higher than the pressure switch “cut-out” setting).
TANK PRESSURE GAUGE (SUPPLIED)
The tank pressure gauge (4) indicates the reserve air pressure in the tank.
AIR INTAKE FILTER
The filter (6) is designed to clean air entering the pump. To ensure the pump continually receives a clean, cool, and dry air supply, the filter must always be clean and the filter intake must be free from obstructions.
REGULATOR (SOLD SEPARATELY, NOT SHOWN)
Controls the air pressure shown on the outlet pressure gauge. Turn the regulator knob clockwise to increase pressure and counterclockwise to decrease pressure.
WARNING: Risk of Bursting. Too much air pressure causes a hazardous risk of bursting. Check the manufacturer’s maximum pressure rating for air tools and accessories. The tank outlet pressure must never exceed the maximum pressure rating of the tools or accessories.
AIR COMPRESSOR PUMP
Compresses air into the air tank. Working air is not available until the compressor has raised the air tank pressure above that required at the air outlet.
DRAIN VALVE
The drain valve (8) is located at the base of the air tank and is used to drain condensation at the end of each use.
CHECK VALVE
When the air compressor is operating, the check valve (5) is “open”, allowing compressed air to enter the air tank. When the air compressor reaches “cut-out” pressure, the check valve “closes”, allowing air pressure to remain inside the air tank.
MOTOR OVERLOAD PROTECTOR
The motor has a thermal overload protector. If the motor overheats for any reason, the overload protector will shut off the motor. The motor must be allowed to cool down before restarting.
To restart:
- Move the Auto/Off switch to “OFF (O)” and unplug the unit.
- Allow the motor to cool.
- Depress the red reset button (10) on the motor.
- Plug the power cord into the correct branch circuit receptacle.
- Move the Auto/Off switch to “AUTO (-)”.
How to Use The Unit
How to Stop
- Move the Auto/Off switch to “OFF (O)”.
- Unplug the unit when not in use.
Before Starting
WARNING: Do not operate this unit until you read this instruction manual for safety, operation, and maintenance instructions.
Break-in Procedure
NOTICE: Risk of property damage. Serious damage may result if the following break-in instructions are not closely followed. This procedure is required before the air compressor is put into service and when the check valve or a complete compressor pump has been replaced.
- Make sure the Auto/Off switch is in the “OFF (O)” position.
- Check the oil level in the pump. See the Oil paragraph in the Maintenance section for instructions.
- Recheck all wiring. Make sure wires are secure at all terminal connections. Make sure all contacts move freely and are not obstructed.
- Open the drain valve fully to permit air to escape and prevent air pressure build-up in the air tank during the break-in period.
- Move the Auto/Off switch to the “AUTO (-)” position. The compressor will start.
- Run the compressor for 30 minutes. Make sure the drain valve and all airlines are open so there is only a minimal air pressure build-up in the tank.
NOTE: After about 30 minutes, If the unit does not operate properly, SHUT DOWN IMMEDIATELY, and contact Product Service. - Check for excessive vibration. Re-adjust or shim air compressor feet, if necessary.
- After 30 minutes, turn the Auto/Off switch to the “OFF (O)” position.
- Close the drain valve.
- Move the Auto/Off switch to the “AUTO (-)” position.
The air receiver will fill to “cut-out” pressure and the motor will stop. - Check all airline fittings and connections/piping for air leaks by applying a soap solution. Correct if necessary.
NOTE: Minor leaks can cause the air compressor to overwork, resulting in premature breakdown or inadequate performance. - The compressor is now ready for use.
Before Each Start-Up
- Every day check the sight glass (15) to ensure that the level of oil in the pump is at the required level.
- Move Auto/Off switch to “OFF (O)”.
- Close the drain valve.
- Visually inspect airlines and fittings for leaks.
- Check the safety valve. See To Check Safety Valve under Maintenance.
- Attach hose and accessories.
WARNING: Risk of unsafe operation. Firmly grasp air hose in hand when installing or disconnecting to prevent hose whip.
Warning: Risk of unsafe operation. Do not use damaged or worn accessories.
NOTE: The hose or accessory will require a quick connect plug if the air outlet is equipped with a quick-connect socket.
WARNING: Risk of bursting. Too much air pressure causes a hazardous risk of bursting. Check the manufacturer’s maximum pressure rating for air tools and accessories. The regulator outlet pressure must never exceed the maximum pressure rating.
NOTICE: Risk of property damage. Compressed air from the unit may contain water condensation and oil mist. Do not spray unfiltered air at an item that could be damaged by moisture. Some air tools and accessories may require filtered air. Read the instructions for the air tools and accessories.
How to Start
- Move the Auto/Off switch to “AUTO (-)” and allow tank pressure to build. The motor will stop when tank pressure reaches “cut-out” pressure.
- When the tank pressure reaches “cut-out” pressure opens the air discharge valve.
IMPORTANT: When using a regulator and other accessories refer to the manufacturer’s instructions.
WARNING: Risk of bursting. If any unusual noise or vibration is noticed, stop the compressor immediately and have it checked by a trained service technician.
- The compressor is ready for use.
How to Shut Down
- Move Auto/Off switch to the “OFF (O)” position.
NOTE: If finished using compressor, follow steps 2 – 5. - Drain the air tank, see Draining Air Tank under Maintenance. Ensure air tank pressure gauge reads 0 PSI (0 kPa).
- Remove hose and accessory.
- Allow the compressor to cool down.
- Wipe air compressor clean and store in a safe, non-freezing area.
WARNING: Risk of unsafe operation. Firmly grasp air hose in hand when installing or disconnecting to prevent hose whip.
WARNING: Risk of bursting. Drain air tank daily.
Water will condense in air tank. If not drained, water will corrode and weaken the air tank causing a risk of air tank rupture.
MAINTENANCE
WARNING: To reduce the risk of serious personal injury, turn the unit off and disconnect it from the power source before making any adjustments or removing/installing attachments or accessories.
An accidental start-up can cause injury.
WARNING: Risk of unsafe operation. Unit cycles automatically when power is on. When performing maintenance, you may be exposed to voltage sources, compressed air, or moving parts. Personal injuries can occur. Before performing any maintenance or repair, disconnect the power source from the compressor and bleed off all air pressure.
To ensure efficient operation and longer life of the air compressor outfit, a routine maintenance schedule should be prepared and followed. The following routine maintenance schedule is geared to an outfit in a normal working environment operating on a daily basis. If necessary, the schedule should be modified to suit the conditions under which the compressor is used. The modifications will depend upon the hours of operation and the working environment. Compressor outfits in an extremely dirty and/or hostile environment will require a greater frequency of all maintenance checks.
Customer Responsibilities
| Daily | Weekly | Monthly | 1 Year or Every 100 Hours | |
| Check safety valve | X | |||
| Drain Tank | X | |||
| Check Pump Oil Level | X | |||
| Inspect Air Filter | X+ | |||
| Change Pump Oil | X** | |||
| Oil Leak Inspection | X | |||
| Inspect Drive Belt | X | |||
| Check Drive Belt Tension | X | |||
| Check Pulley/Flywheel Alignment | X | |||
| Check for Unusual Noise/Vibration | X | |||
| Check for Air Leaks | X* | |||
Clean Compressor Exterior | X |
***SEE TANK WARNING LABEL FOR DATE TO REMOVE TANK FROM SERVICE***For more information, call our Customer Care Center at 1-888-331-4569
*To check for air leaks apply a solution of soapy water around joints. While the compressor is pumping to pressure and after pressure cuts out, look for air bubbles to form.
**the pump oil must be changed after the first 20 hours of operation. Thereafter, when using full synthetic non-detergent air compressor oil, change the oil every 100 hours of operation or once a year, whichever comes first.
+Perform more frequently in dusty or humid conditions.
NOTE: See the Operation section for the location of controls.
To Check Safety Valve
WARNING: Risk of bursting. If the safety valve does not work properly, over-pressurization may occur, causing air tank rupture or an explosion.
WARNING: Risk from flying objects. Always wear certified safety equipment: ANSI Z87.1 eye protection (CAN/CSA Z94.3) with side shields.
Before starting the compressor, pull the ring on the safety valve to make sure that the safety valve operates freely. If the valve is stuck or does not operate smoothly, it must be replaced with the same type of valve.
To Drain Tank
WARNING: Risk of unsafe operation. Air tanks contain high-pressure air. Keep face and other body parts away from the outlet of the drain. Use eye protection [ANSIZ87.1 (CAN/CSAZ94.3)] when draining as debris can be kicked up into the face.
WARNING: Risk from noise. Always wear proper hearing protection during use. Under some conditions and duration of use, noise from this product may contribute to hearing loss.
NOTE: All compressed air systems generate condensation that accumulates in any drain point (e.g., tanks, filter, aftercoolers, dryers). This condensate contains lubricating oil and/or substances which may be regulated and must be disposed of in accordance with local, state, and federal laws and regulations.
WARNING: Risk of bursting. Water will condense in the air tank. If not drained, water will corrode and weaken the air tank causing a risk of air tank rupture.
NOTICE: Risk of property damage. Drain water from the air tank may contain oil and rust which can cause stains.
- Move the Auto/Off switch to “OFF (O)”.
- Turn the regulator knob counterclockwise to set the outlet pressure to zero.
- Pull ring on safety valve allowing air to bleed from the tank until tank pressure is approximately 20 PSI.
Release the safety valve ring. - Remove the air tool or accessory.
- Place a suitable container under the drain valve to catch discharge.
- Drain water from the air tank by opening the drain valve on the bottom of the tank.
- After the water has been drained, close the drain valve. The air compressor can now be stored.
NOTE: If the drain valve is plugged, release all air pressure. The valve can then be removed, cleaned, then reinstalled.
To Check Air Intake Filter
WARNING: Hot surfaces. Risk of burn. Tubes, pump heads, and surrounding parts are very hot and do not touch them (See Hot Surfaces identification (Fig. A)). Allow the compressor to cool prior to servicing.
A dirty air filter will not allow the compressor to operate at full capacity. Keep the air filter clean at all times.
- Ensure the Auto/Off switch is in the “OFF (O)” position.
- Allow the unit to cool.
- Unsnap the air filter cover to remove.
- Check the filter element. If it is dirty, blow compressed air through the filter element for 10-15 seconds or replace if needed. If the filter is filled with paint, replace it.
- Place elements into the housing and reattach the air filter cover.
CAUTION: Risk of unsafe operation. Do not operate without air filter.
Compressor Pump Oil
NOTICE: Risk of property damage. Use air compressor oil only. Multi-weight automotive engine oils like 10W30 should not be used in air compressors. They leave carbon deposits on critical components, thus reducing performance and compressor life.
NOTE: Use full synthetic, non-detergent air compressor oil.
NOTE: Crankcase oil capacity is approximately 16 fluid ounces
(473 ml).
To Check
WARNING: Drain tank to release air pressure before removing the oil fill plug or oil drain plug.
- Remove the oil fill plug (14).
- Remove the oil drain plug (16) and drain the oil into a suitable container.
- Replace the oil drain plug and tighten it securely
- Slowly add compressor oil until it reaches the middle of the sight glass (15). NOTE: When filling the crankcase, the oil flows very slowly into the pump. If the oil is added too quickly, it will overflow and appear to be full.
CAUTION: Overfilling with oil will cause premature compressor failure. Do not overfill. - Replace the oil fill plug and tighten securely.
To Replace Belt
WARNING: This unit starts automatically.
ALWAYS shut off and unplug the compressor, and bleed all pressure from the system before servicing the compressor, and when the compressor is not in use. Do not use the unit with the shrouds or belt guard removed. Serious injury could occur from contact with moving parts. Hot surfaces. Risk of burn. The pump head and surrounding parts are very hot and do not touch them (see the Hot Surfaces identified in Fig. A). Allow the compressor to cool prior to servicing.
- Move the Auto/Off switch to “OFF (O)”, unplug the unit, and relieve all air pressure from the air tank.
- Remove the outer belt guard.
- Mark motor position on the saddle.
- Loosen the motor mounting screws and slide the motor toward the air compressor pump.
- Remove the belt and replace it with a new one.
- See the Adjusting Belt Tension before tightening motor mounting screws.
To Adjust Belt Tension
- Slide motor into original position, line the motor up with the mark made earlier on the saddle.
- Tighten two outside motor mounting screws enough to hold the motor in place for checking pulley and flywheel alignment.
- The belt should deflect 1/4″ (6.5 mm) at midway between the pulley and the flywheel when a 10-pound (4.5 kg.) weight is applied at the midway point.
- When proper belt tension is achieved, tighten motor mounting screws. Torque to 20-25 ft-lbs (27.1-33.9 Nm)
NOTE: Once the motor pulley has been moved from its factory-set location, the grooves of the flywheel and pulley must be aligned to within 1/16″ (1.6 mm) to prevent excessive belt wear. Verify the alignment by performing the following Motor Pulley/Flywheel – Alignment.

To Align Motor Pulley/Flywheel
NOTE: Once the motor pulley has been moved from its factory-set location, the grooves of the flywheel and pulley must be aligned to within 1/16″ (1.6 mm) to prevent excessive belt wear.
The air compressor flywheel and motor pulley hub must be in-line (in the same plane) within 1/16″ (1.6 mm) to assure belt retention within flywheel belt grooves. To correct misalignment, perform the following steps:
- Move the Auto/Off switch to “OFF (O)”, unplug the unit, and relieve all air pressure from the air tank.
- Remove the outer belt guard.
- Loosen the motor mounting bolts.
- Loosen the set-screws on the motor pulley.
- Align the motor pulley with the pump flywheel.
- Retighten the motor pulley set screws. Torque 115-125 in.-lbs (13.0 – 14.1 Nm).
- Adjust the proper belt tension.
- Retighten the motor mounting bolts. Torque to 20-25 ft.-lbs (27.1–33.9 Nm)
- Reinstall the outer belt guard. All moving parts must be guarded.

To Check Air Compressor Pump Intake and Exhaust Valves
Once a year have a Trained Service Technician check the air compressor pump intake and exhaust valves.
To Inspect Air Lines and Fittings for Leaks
- Move the Auto/Off switch to “AUTO (-)” and allow tank pressure to build. The motor will stop when tank pressure reaches “cut-out” pressure.
- Move the Auto/Off switch to “OFF (O)” and unplug the unit.
- Apply a soap solution to all air-line fittings and connections/piping to look for any leaks.
- Pull ring on safety valve allowing air to bleed from the tank until tank pressure is approximately 20 PSI.
Release the safety valve ring. - Drain water from the air tank by opening the drain valve on the bottom of the tank.
- Correct any leaks found.
IMPORTANT: Even minor leaks can cause the air compressor to overwork, resulting in premature breakdown or inadequate performance.
To Check Air Compressor Pump Head Bolt Torque
The air compressor pump head bolts should be kept properly torqued. Check the torques of the head bolts after the first five hours of operation. Torque to 15-20 ft.-lbs. (20.3-27.1 Nm).
SERVICE AND ADJUSTMENTS
ALL MAINTENANCE AND REPAIR OPERATIONS NOT LISTED MUST BE PERFORMED BY A TRAINED SERVICE TECHNICIAN.
WARNING: Risk of unsafe operation. Unit cycles automatically when power is on. When servicing, you may be exposed to voltage sources, compressed air, or moving parts. Before servicing the unit unplugs or disconnects the electrical supply to the air compressor, bleed the tank of pressure, and allow the air compressor to cool.
To Replace or Clean Check Valve
- Release all air pressure from the air tank. See Draining Air Tank in the Maintenance section.
- Move the Auto/Off switch to “Off (O)”, unplug the unit, and relieve all air pressure from the air tank.
- Using an adjustable wrench loosen the outlet tube nut at the air tank and pump. Carefully move the outlet tube away from the check valve.
- Using an adjustable wrench loosen the pressure relief tube nut at the air tank. Carefully move the pressure relief tube away from the check valve.
- Unscrew the check valve (turn counterclockwise) using a 13/16″ open end wrench. Note the orientation for reassembly.
- Using a screwdriver, carefully push the valve disc up and down.
NOTE: The valve disc should move freely up and down on a spring that holds the valve disc in the closed position, if not, the check valve needs to be cleaned or replaced. - Clean or replace the check valve. A solvent, such as paint or varnish remover can be used to clean the check valve.
- Apply sealant to the check valve threads. Reinstall the check valve (turn clockwise) to the proper orientation.
- Replace the pressure release tube. Tighten nuts.
- Replace the outlet tube and tighten the nuts.
- Perform the Break-in Procedure. See Break-in Procedure in the Operation section.

Cleaning
WARNING: Blow dirt and dust out of all air vents with clean, dry air at least once a week. To minimize the risk of eye injury, always wear ANSIZ87.1 approved eye protection when performing this.
WARNING: Never use solvents or other harsh chemicals for cleaning the non-metallic parts of the tool. These chemicals may weaken the plastic materials used in these parts. Use a cloth dampened only with water and mild soap. Never let any liquid get inside the tool; never immerse any part of the tool into a liquid.
Repairs
WARNING: To assure product SAFETY and RELIABILITY, repairs, maintenance and adjustment (including brush inspection and replacement, when applicable) should be performed by a CRAFTSMAN authorized service center. Always use identical replacement parts.
Storage
Before you store the air compressor, make sure you do the following:
- Review the Maintenance section on the proceeding pages and perform scheduled maintenance as necessary.
- Drain water from the air tank. See To Drain Tank under Maintenance.
WARNING: Water will condense in the air tank. If not drained, water will corrode and weaken the air tank causing a risk of air tank rupture. - Protect the electrical cord and air hose from damage (such as being stepped on or run over).
- Store the air compressor in a clean and dry location.
Limited Warranty
The manufacturer warrants from the date of purchase.
2 Year – Limited warranty on oil-lubricated air compressor pumps.
1 Year – Limited Warranty on all other air compressor components. This warranty is not transferable to subsequent owners.
The manufacturer will repair or replace, without charge, at their option, any defects due to faulty materials or workmanship. For further detail of warranty coverage and warranty repair information, call 1-888-331-4569 or visit craftsman.com. This warranty does not apply to accessories or damage caused where repairs have been made or attempted by others. This warranty also does not apply to merchandise sold by the Manufacturer which has been manufactured by and identified as the product of another company, such as gasoline engines. Such manufacturer’s warranty, if any, will apply. ANY INCIDENTAL, INDIRECT OR CONSEQUENTIAL LOSS, DAMAGE OR EXPENSE THAT MAY RESULT FROM ANY DEFECT, FAILURE, OR MALFUNCTION OF THE PRODUCT IS NOT COVERED BY THIS WARRANTY. Some states do not allow the exclusion of limitation of incidental or consequential damages, so the above limitation or exclusion may not apply to you. IMPLIED WARRANTIES, INCLUDING THOSE OF MERCHANTABILITY OR FITNESS FOR A PARTICULAR PURPOSE, ARE LIMITED TO ONE YEAR FROM THE DATE OF ORIGINAL PURCHASE. Some states do not allow limitations on how long an implied warranty lasts, so the above limitations may not apply to you.
What the Manufacturer Will Do: (the Manufacturer) will cover parts and labor to remedy substantial defects due to materials and workmanship during the first year of ownership, with the exceptions noted below. Parts used in the repair of whole goods or accessories are warranted for the balance of the original warranty period.
What is Not Covered Under This Warranty? Failures by the original retail purchaser to install, maintain, and operate said equipment in accordance with standard industry practices. Modifications to the product, or tampering with components, or failure to comply with the specific recommendations of the The manufacturer set forth in the owner’s instruction manual will render this warranty null and void. The Manufacturer shall not be liable for any repairs, replacements, or adjustments to the equipment, or any costs for labor performed by the purchaser without the Manufacturer’s prior written approval. The effects of corrosion, erosion, surrounding environmental conditions, cosmetic defects, and routine maintenance items, are specifically excluded from this warranty. Routine maintenance items such as oil, lubricants, and air filters, as well as changing oil, air filters, belt tensioning, etc… fall under the owner’s responsibility. Additional exclusions include freight damage, failures resulting from neglect, accident, or abuse, induction motors when operated from a generator, oil leaks, air leaks, oil consumption, leaky fittings, hoses, drain valve, bleeder tubes, and transfer tubes.
- The following components are considered normal wear items and are not covered after the first year of ownership: Belts, pulleys, flywheels, check valves, pressure switches, air unloaders, throttle controls, electric motors, brushes, regulators, o-rings, pressure gauges, tubing, piping, fittings, fasteners, wheels, quick couplers, gaskets, seals, air filter housings, piston rings, connecting rods, and piston seals.
- Labor, service calls, and travel charges, are not covered after the first year of ownership on stationary compressors (compressors without handles, or wheels). Repairs requiring overtime, weekend rates, or any other charges beyond the standard shop labor rate are not covered.
- Time required for orientation training for the service center to gain access to the product, or additional time due to inadequate egress.
- Damage caused by incorrect voltage, improperly wired, or failure to have a certified licensed electrician install the compressor, will render this warranty null and void.
- Damage caused by inadequate filter maintenance.
- Pump wear or valve damage caused by using oil not specified.
- Pump wear or damage caused by any contamination.
- Pump wear or valve damage is caused by failure to follow proper maintenance guidelines.
- Operation below proper oil level or operation without oil.
- Gas Engines, if the product is equipped with a gas engine, see the engine manual for specific engine manufacturer’s warranty coverage.
Parts purchased separately: The warranty for parts purchased separately such as pumps, motors, etc., are as follows:
From Date of Purchase
| • All single & two-stage pump | 1 year |
| • Electric motors | 90 days |
| • Universal motor/pump | 30 days |
| • All other parts | 30 days |
| • No return authorization will be issued for electrical components once items are installed. | |
How Do You Get Service? In order to be eligible for service under this warranty, you must be the original retail purchaser, and provide proof of purchase from one of the Manufacturer’s dealers, distributors, or retail outlet stores. Portable compressors or components must be delivered, or shipped, to the nearest Authorized Service Center. All associated freight costs and travel charges must be borne by the consumer.
Please call our toll-free number 1-888-331-4569 for assistance.
THIS WARRANTY GIVES YOU SPECIFIC LEGAL RIGHTS, AND YOU MAY ALSO HAVE OTHER RIGHTS WHICH VARY FROM STATE TO
STATE. THE COMPANY MAKES NO OTHER WARRANTY OR REPRESENTATION OF ANY KIND WHATSOEVER, EXPRESSED OR IMPLIED, EXCEPT THAT OF TITLE. ALL IMPLIED WARRANTIES, INCLUDING ANY WARRANTY OF MERCHANTABILITY AND FITNESS FOR A PARTICULAR PURPOSE, ARE HEREBY DISCLAIMED. LIABILITY FOR CONSEQUENTIAL AND INCIDENTAL DAMAGES UNDER ANY AND ALL WARRANTIES, OTHER CONTRACTS, NEGLIGENCE, OR OTHER TORTS IS EXCLUDED TO THE EXTENT EXCLUSION IS PERMITTED BY LAW.
FREE WARNING LABEL REPLACEMENT: If your warning labels become illegible or are missing, call 1-888-331-4569
for a free replacement.

TROUBLESHOOTING
WARNING: Risk of Unsafe Operation. Unit cycles automatically when power is on. When servicing, you may be exposed to voltage sources, compressed air, or moving parts. Before servicing the unit, unplug or disconnect electrical supply to the air compressor, bleed the tank of pressure, and allow the air compressor to cool.
| PROBLEM | CAUSE | CORRECTION |
| The compressor does not run. | The tank has insufficient pressure. There is no electrical pow in the unit. The circuit breaker has topped or a fuse has blown at the main power source. The other malomrtoad protector is actuated. Thee 6 loss of power or meditating The pressure switch is bad. | When the tank pressure drops, the compressor will turn on to cut-in pressure. Writ/ the riming connection reside the pressure switch and the terminal box area. Check the fuse/breaker to determthe the underlying cause Tum the air compressor Off ( 0 ). Wait until the comaessa cools down_ Depress the red reset button on the motor Turn the air compressor to AUTO (-). Worry theming. NOTE: Long lengths of ekoctncal wiring can] cause power loss to the motor. Replace the pressure switch. |
| The motor hums while running slowly, or it does not run at all. | There is low voltage from the paver Source. There are loose Mural connections. There is a shorted or open motor wiring. There is a defame check valve or unloader | Check the voltage wrth a voltmeter Worry the %Ping connections inside the pressure snitch and the terminal box area is secure. Bring the compressor to a sente center. Sting the compressor to a service center. |
| The compressor is making squealing sounds. | The compressor pump has no oil. The belt is too loose. | Check the pomp of Check the belt tension. |
| The compressor is making squealing sounds. | The air filter 6 is dirty. | Om or replace the air Met |
| The compressor is making squealing sounds. | Them 6 a nose pulley. There 6 a tose flywheel The compressor mounting sans are loose. The belt is too loose. An excessive amount of carbon has been built- i..p in the pump The belt is too tight. | Tighten the puff*/ set won Tighten the fly steel SCreit Tighten the mounting screws. Check the ben tension. Bring the compressor to a service center Check the ben tension. |
| PROBLEM | CAUSE | CORRECTION |
| There is excessive belt wear. | The belt is too loose. The belt is too tight. The pulley is loose. The pulley is misaligned. | Check the belt tension. Check the belt tension. Align the pulley/flywheel. Correct the belt tension. Torque the set screws. Align the pulley/flywheel. |
| Tank is slow to build pressure will not build pressure | The connections (fittings, tubing, etc.) are loose and leaking. The drain valve is loose or open. The check valve is leaking. | Check all the connections with a soap and water solution and tighten. Tighten the drain valve. Bring the compressor to a service center. |
| There is excessive moisture in the discharge air | There is excess water in the air tank. The oil blow-by has accumulated in the pump | It is normal for oil tube air compressor pumps to release some oil into the tank and airlines. Air compressors will also generate water condensation that will form in the tank and airlines. Install water and oil filter traps when needed. The Typical Compressed Air Distribution System section provides a guideline. Contact or call Crafstman Customer Service for more information. IMPORTANT:If the tank or airlines have excessive water and/or oil, bring the compressor to a service center. |
| The fuses blow or the circuit breaker trips repeatedly. | The incorrect fuse size is being used, or the circuit is overloading. There are loose electrical connections. There is a defective check valve or unloader. | Verify the proper fuse size is being used Use time-delay fuses. Disconnect other electrical appliances from the cl:c. C7 operate the compressor on its own branch circuit. Verify the wiring connection inside the pressure switch and the terminal box area. Bring the compressor to a service center. Clean or replace check valve |

















