DB5018 9-Inch Single Speed Angle Grinder
Instruction Manual

Instructions Manual
SAVE THIS MANUAL
You will need this manual for safety instructions, operating procedures, and warranty.
Put it and the original sales receipt in a safe dry place for future reference.
![]()
SPECIFICATIONS
| No load speed | 6000rpm |
| Power input | 15A |
| Rated Voltage | 110/120V~50/60Hz |
- The manufacturer reserves the right to change specifications without notice.
- Specifications may differ from country to country.
GENERAL SAFETY RULES
WARNING:
Read and understand all instructions. Failure to follow all instructions listed below may result in electric shock, fire, and/or serious personal injury.
SAVE THESE INSTRUCTIONS
Work Area
- Keep your work area clean and well-lit.
Cluttered benches and dark areas invite acci dents. - Do not operate power tools in explosive atmospheres, such as in the presence of flammable liquids, gases, or dust. Power tools create sparks that may ignite dust
or fumes. - Keep bystanders, children, and visitors away while operating a power tool. Distrac tions can cause you to lose control.
Electrical Safety - Double insulated tools are equipped with a polarized plug (one blade is wider than the other.) This plug will fit in a polarized outlet only one way. If the plug does not fit fully in the outlet. reverse the plug. If it still does not fit, contact a qualified elec patrician to install a polarized outlet. Do not change the plugin anyway. Double insula to eliminate the need for the three-wire grounded power cord and grounded power supply system.
- Avoid body contact with grounded sur faces such as pipes, radiators, ranges, and refrigerators. There is an increased risk of electric shock if your body is grounded.
- Do not expose power tools to rain or wet conditions. Water enters ng a power tool will increase the risk of electric shock.
- Do not abuse the cord. Never use the cord to carry the tools or pull the plug from an outlet. Keep cord away from heat. oil, sharp edges or moving parts. Replace damaged cords immediately. Damaged cords increase the risk of electric shock.
- When operating a power tool outside, use an outdoor extension cord marked “W-A” or “W”, These cords are rated for outdoor use and reduce the risk of electric shock,
Personal Safety - Stay alert, watch what you are doing, and use common sense when operating a power tool. Do not use tools while tired or under the influence of drugs, alcohol, or medication. A moment of inattention while operating power tools may result in serious personal injury.
- Dress properly. Do not wear loose cloth rings or jewelry. Contain long hair. Keep your hair, clothing, and gloves away from moving parts. Loose clothes, jewelry, or long hair can be caught in moving parts.
- Avoid accidental starting. Be sure the switch is off before plugging in. Carrying tools with your finger on the switch or plugging in tools that have to switch on invites accidents.
- emove adjusting keys or wrenches before turning the tool on. A wrench or a key that is left attached to a rotating part of the tool may result in personal injury.
- Do not overreach. Keep proper footing and balance at all times. Proper footing and balance enable better control of the tool in unexpected situations.
- Use safety equipment, Always wear eye protection. Dust mask, non-skid safety shoes, hard hat, or hearing protection must be used for appropriate conditions. Ordinary eye or sunglasses are NOT eye protection.
Tool Use and Care - Use clamps or another practical way to secure and support the workpiece to a stable platform. Holding the work by hand or against your body is unstable and may lead to loss of control.
- Do not force tool. Use the correct tool for your application. The correct tool will do the job better and safer at the rate at which it is designed.
- Do not use the tool if the switch does not tum it on or off. Any tool that cannot be controlled with the switch is dangerous and must be repaired.
- Disconnect the plug from the power source before making any adjustments, changing accessories, or storing the tool. Such preventive safety measures reduce the risk of starting the tool accidentally.
- Store idle tools out of reach of children and other untrained persons. Tools are dangerous in the hands of untrained users.
- Maintain tools with care. Keep cutting tools sharp and clean. Properly maintained tools with sharp cutting edges are less likely to bind and are easier to control.
- Check for misalignment or binding of moving parts, breakage of parts, and any other condition that may affect the operation of the tool. If damaged, have the tool ser advice before using. Many accidents are caused by poorly maintained tools.
- Use only accessories that are recom mended by the manufacturer for your model. Accessories that may be suitable for one tool, may become hazardous when used on another tool.
SERVICE - Tool service must be performed only by qualified repair personnel. Service or main tenancy performed by unqualified personnel could result in a risk of injury.
- When servicing a tool, use only identical replacement parts. Follow instructions in the Maintenance section of this manual.
Use of unauthorized parts or failure to follow Maintenance Instructions may create a risk of electric shock or injury.
USE PROPER EXTENSION CORD: Mako sure your extension cord is in good condition.
When using an extension cord, be sure to use one heavy enough to carry the current your product will draw. An undersized cord will cause a drop in line voltage resulting in loss of power and overheating. Table 1 shows the correct size to use depending on cord length and nameplate ampere rating. If in doubt, use the next heavier gauge. The smaller the gage num ber, the heavier the cord.
SPECIFIC SAFETY RULES
DO NOT let comfort or familiarity with product (gained from repeated use) replace strict adherence to grinder safety rules. If you use this tool unsafely or incorrectly, you can suffer serious personal injury.
- Always use proper guard with grinding wheel. A guard protects the operator from bro ken wheel fragments.
- Accessories must be rated for at least the speed recommended on the tool warning label. Wheels and other accessories running at overrated speed can fly apart and cause injury.
- Hold the tool by insulated gripping surfaces when performing an operation where the cutting tool may contact hidden wiring or its own cord. Contact with a “live ” wire will make exposed metal parts o the tool “live” and shock the operator.
- When using depressed center grinding wheels, be sure to use only fiberglass reinforced wheels.
- Always use safety glasses or goggles. Ordinary eyes or sunglasses are NOT safety glasses.
- Check the wheel carefully for cracks or damage before operation. Replace cracked or damaged wheel immediately.
Run the tool (with guard) at no load for about a minute, holding the tool away from others. If the wheel is flawed, it will likely sep the rate during this test. - Use only flanges specified for this tool.
- Be careful not to damage the spindle, the flange (especially the installing surface), or the lock nut. Damage to these parts could result in wheel breakage.
- NEVER use tools with wood cutting blades or other sawblades. Such blades when used on a grinder frequently kick and cause loss of control leading to personal injury.
- Hold the tool firmly.
- Keep nan0s away from rotating parts.
- Make sure the cord is clear of the wheel. Do not wrap the cord around your arm or wrist. If control of the tool is lost, the cord may become wrapped around you and cause personal injury.
- Make sure the wheel is not contacting the workpiece before the switch is turned on.
- Before using the tool on an actual work piece, let it run for a while. Watch for vibration or wobbling that could indicate poor installation or a poorly balanced wheel.
- Use the specified surface of the wheel to perform the grinding.
- Watch out for flying sparks. Hold the tool so that sparks fly away from you and other persons or flammable materials.
- Do not leave them too! running. Operate the tool only when hand-held.
- Do not touch the workpiece immediately after operation; it may be extremely hot and could burn your skin.
- ALWAYS wear helmets, dust masks, protective gloves, protective glasses, protective clothing, And safety shoes to protect the skin from injury.
- Use of this tool to grind or sand some products, paints, and wood could expose users to dust containing hazardous sub stances. Use appropriate respiratory pro action.
SAVE THESE INSTRUCTIONS
WARNING:
MISUSE or failure to follow the safety rules stated in this instruction manual may cause serious personal injury.
SYMBOLS
The followings show the symbols used for the tool.
V………………… volts
A………………… amperes
Hz………………. hertz
…………… alternating current
……………… no-load speed
………………. Class II Construction
…/min……….. revolutions or reciprocation per minute
FUNCTIONAL DESCRIPTION

- Shaft lock

- Slide switch
CAUTION:
- Always be sure that the tool is switched off and unplugged before adjusting or checking the function on the tool.
Shaft lock
CAUTION:
- Never actuate the shaft lock when the spindle is moving.
The tool may be damaged.
Press the shaft lock to prevent spindle rotation when install ing or removing accessories.
Switch action
CAUTION:
- Before plugging in the tool, always check to see that the slide switch actuates properly and returns to the “OFF” position when the rear of the slide switch is depressed.
- The switch can be locked in the “ON” position for ease of operator comfort during extended use. Apply caution when locking the tool in the “ON” position and maintain a firm grasp on the tool.
To start the tool, slide the slide switch toward the “I (ON)” position. For continuous operation, press the front of the slide switch to lock it.
To stop the tool, press the rear of the slide switch, then slide it toward the “O (OFF)” position.
ASSEMBLY

CAUTION:
- Always be sure that the tool is switched off and unplugged before carrying out any work on the tool.
Installing side grip (handle)
CAUTION:
- Always be sure that the side grip is installed securely before operation.
Screw the side grip securely on the position of the tool as shown in the figure.

| 1. Wheel guard | 3. Screw |
| 2. Bearing box |
Installing or removing wheel guard
CAUTION:
- When using a depressed center grinding wheel/Multi disc, flex wheel, wire wheel brush, or cut-off wheel, the wheel guard must be fitted on the tool so that the closed side of the guard always points toward the operator.
Mount the wheel guard with the protrusion on the wheel guard band aligned with the notch on the bearing box. Then rotate the wheel guard around 180 degrees. Bo sure to
tighten the screw securely.
To remove the wheel guard, follow the installation procedure in reverse.

- Locknut
- Depressed center grinding wheel Multi-disc
- Inner flange
installing or removing depressed center grinding wheel/Multi-disc
WARNING:
- Always use supplied guard when depressed center grinding wheel/Multi-disc is on the tool. The wheel can shatter during use and a guard helps to reduce the chances of personal injury.
Mount the inner flange onto the spindle. Fit the wheel/disc on the inner flange and screw the lock nut onto the tile spindle.

- Lock nut wrench
- Shall lock
To tighten the lock nut, press the shaft lock firmly so that the spindle cannot revolve, then use the lock nut wrench and securely tighten c! ockwise.
To remove the wheel, follow the installation procedure in reverse.

- Locknut
- Flex wheel
- Plastic pad
- Inner flange
Installing or removing flex wheel {optional accessory)
WARNING:
• Always use supplied guard when flex wheel is on the tool.
The wheel can shatter during use and a guard helps to reduce the chances of personal injury.
Follow instructions for depressed center grinding wheel/ Multi-disc but also use a plastic pad over the wheel. See the order of assembly on the accessories page in this manual.
Installing or removing abrasive disc (optional accessory)

- Locknut
- Abrasive disc
- Rubber pad
Use sander accessories specified in this manual. These must be purchased separately.
Mount the rubber pad onto the spindle. Fit the disc on the rubber pad and screw the lock nut onto the spindle. To tighten the lock nut, press the shaft lock firmly so that the spindle cannot revolve, then use the lock nut wrench and securely tighten clockwise.
To remove the disc, follow the installation procedure in reverse.
OPERATION
WARNING:
- It should never be necessary to force the tool, The weight of the tool applies adequate pressure. Forcing and excessive pressure could cause dangerous wheel breakage.
- ALWAYS replace the wheel if the tool is dropped while grinding.
- NEVER bang or hit grinding disc or wheel onto work.
- Avoid bouncing and snagging the wheel, especially when working corners, sharp edges etc. This can cause loss of control and kickback.
- NEVER use tools with wood cutting blades and other sawblades. Such blades when used on a grinder frequently kick and cause loss of control leading to personal injury.
CAUTION: - After the operation, always switch off the tool and wait until the wheel has come to a complete stop before putting the tool down.
Grinding and sanding operation
ALWAYS hold the tool firmly with one hand on the housing and the other on the side handle. Turn the tool on and then apply the wheel or disc to the workpiece.
In general, keep the edge of the wheel or disc at an angle of about 15 degrees to the workpiece surface.
During the break-in period with a new wheel, do not work the grinder in the B direction or it will cut into the workpiece.
Once the edge of the wheel has been rounded off by use, tho wheel may be worked in both A and B directions. 
Operation with a wire cup brush (optional accessory)

- Wire cup brush
CAUTION:
- Check operation of the brush by the running tool with no load, ensuring that no one is in front of or in line with a brush.
- Do not use a brush that is damaged, or which is out of balance. The use of a damaged brush could increase the potential for injury from contact with broken brush wires.
Unplug the tool and place it upside down allowing easy access to the spindle. Remove any accessories on the spindle. Thread wire cup brush onto the spindle and tighten with the supplied wrench.
When using a brush, avoid applying too much pressure which causes over bending of wires, leading to premature break age.
Operation with a wire wheel brush (optional accessory)

CAUTION:
- Check operation of wire wheel brush by the running tool with no load. ensuring that no one is in front of or in line with the wire wheel brush.
- Do not use a wire wheel brush that is damaged, or which is out of balance. The use of a damaged wire wheel brush could increase the potential for injury from contact with broken wires.
- ALWAYS use a guard with wire wheel brushes, assuring the diameter of the wheel fits inside the guard. The wheel can shatter during use and a guard helps to reduce the chances of personal injury.
Unplug the tool and place it upside down allowing easy access to the spindle. Remove any accessories on the spindle. Thread wire wheel brushes onto the spindle and tightens with the wrenches.
When using a wire wheel brush, avoid applying too much pres sure which causes over bending of wires, leading to prema ture breakage.
Operation with an abrasive cut-off wheel (optional accessory)

- Locknut
- Abrasive cut-off wheel
- Inner flange
- Wheel guard for cut-off wheel
A WARNING:
- When using an abrasive cut-off wheel, be sure to use only the special wheel guard designed for use with cut off wheels.
- • NEVER use the cut-off wheel for side grinding.
During cutting operations, never change the angle of the wheel. Placing side pressure on the cut-off wheel (as in grinding) will cause the wheel to crack and break, causing serious personal injury.
MAINTENANCE

CAUTION:
- Always be sure that the tool is switched off and unplugged before attempting to perform inspection or maintenance.
The tool and its air vents have to be kept clean. Regularly clean the tool’s vents or whenever the vents start to become obstructed.
CAUTION:
- These accessories or attachments are recommended for use with your Makita tool specified in this manual. The use of any other accessories or attachments might present a risk of injury to persons. Only use accessory or attachment for its stated purpose.
- Your tool is supplied with a guard for use with a depressed center grinding wheel, multi-disc, flex wheel, and wire wheel brush. A cut-off wheel can also be used with an optional guard. If you decide to use your Makita grinder with approved accessories that you purchase from your Makita distributor or factory service center, be sure to obtain and use all necessary fasteners and guards as recommended in this manual. Your failure to do so could result in personal injury to you and others.
If you need any assistance with more details regarding these accessories, ask your local Makita service center.

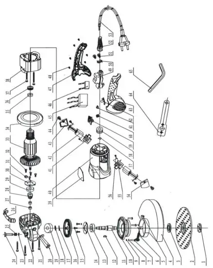
| ITEM | DESCRIPTION | ITEM | DESCRIPTION |
| 1 | Top flange | 34 | windshield ring |
| 2 | Sand disk | 35 | Bearing 6028 |
| 3 | Bottom flange | 36 | ring |
| 4 | guard | 37 | screw |
| 5 | MS screw nut | 38 | stator |
| 6 | screw | 39 | Label |
| 7 | screw | 40 | housing |
| 8 | M5 plate | 41 | Carbon brush holder |
| 9 | M5 washer | 42 | Carbon brush |
| 10 | gearbox cover | 43 | brush cover left |
| 11 | output spindle | 44 | screw |
| 12 | woodruff key | 45 | Soft start |
| 13 | Bearing 202 | 46 | capacitor |
| 14 | Bearing cover 202 | 47 | handle(right haft) |
| 15 | screw | 48 | screw |
| 16 | Big gear | 49 | switch |
| 17 | washer | 50 | Cord clamping |
| 18 | washer | 51 | screw |
| 19 | Bearing 6028 | 52 | Cord sleeve |
| 20 | side handle | 53 | plug |
| 21 | screw | 54 | brush cover (right) |
| 22 | Gearbox | 55 | M4 washer |
| 23 | washer | 56 | screw |
| 24 | spindle lock pin | 57 | clasp |
| 25 | spring | 58 | ring |
| 26 | plate | 59 | Button |
| 27 | bolt | 60 | Spring of switch |
| 28 | gear | 61 | Transparent cover |
| 29 | Bearing 201 | 62 | Light |
| 30 | Bearing cover | 63 | handle(left haft) |
| 31 | plate | 64 | wrench |
| 32 | screw | 65 | wrench |
| 33 | rotor |

















