EMERSON AVENTICS AS1 Lubricator Instruction Manual

Operating instructions
3/2-shut-off valve and directional valve, filling valve, BAV, SOV, SSV, SSU R412013433-BAL-001-AI
About this documentation
These instructions contain important information for the safe and appropriate assembly and commissioning of the product.
- Read these instructions carefully, especially (see “Notes on safety”), before working with the product.
These instructions apply only to valves without coils/pilot valves. - Please heed the operating instructions for ATEX-version coils/pilot valves when used in explosive areas.
1.1 Additional documentation
- Also, follow the instructions for the other system components.
- Please also observe the generally relevant, statutory, and other binding regulations of European and national legislation and the national regulations for accident prevention and environmental protection in your country.
1.2 Presentation of information
1.2.1 Warnings
In this documentation, there are warning notes before the steps whenever there is a risk of personal injury or damage to equipment. The measures described to avoid these hazards must be followed.
Structure of warnings
Hazard type and source
Consequences
- Precautions
Meaning of the signal words
DANGER
Immediate danger to the life and health of persons.
Failure to observe these notices will result in serious health consequences, including death.
WARNING
Possible danger to the life and health of persons.
Failure to observe these notices can result in serious health consequences, including death.
A possible dangerous situation.
Failure to observe these notices may result in minor injuries or damage to property.
NOTICE
Possibility of damage to property or malfunction.
Failure to observe these notices may result in damage to property or malfunctions, but not in personal injury.
1.2.2 Symbols
Recommendation for the optimum use of our products.
Observe this information to ensure the smoothest possible operation.
Notes on safety
The product has been manufactured according to the accepted rules of current technology. Even so, there is a risk of injury or damage if the following general safety instructions and the specific warnings given in this instruction manual are not observed.
- Please read all these instructions carefully before working with the product.
- Keep these instructions in a location where they are accessible to all users at all times.
- Always include the operating instructions when you pass the product on to third parties.
2.1 Intended use
The product is exclusively intended for installation in a machine or system, or for combination with other components to form a machine or system. The product may only be commissioned after it has been installed in the machine/system for which it is intended.
Use is permitted only under the operating conditions and within the performance limits listed in the technical data. Only use compressed air as the medium.
The product is technical equipment and is intended for professional use only.
Intended use includes having read and understood this documentation, especially the chapter Safety instructions (see “Notes on safety”).
2.2 ATEX
If operated as intended, mechanical maintenance units/equipment have no inherent potential source of ignition and no internal explosive atmosphere.
They are not labeled according to ATEX Directive 2014/34/EU. Manufacturer declarations may be requested via your service partner.
It is imperative that you comply with the set-up regulations for ex-components (e.g. EN 1127-1, EN 60079-14).
2.3 Use of maintenance unit/equipment
- ln Zone 1 (gas-ex, category 2G) in explosion groups IIA, IIB and IIC
- ln Zone 2 (gas-ex, category 3G) in explosion groups IIA, IIB and IIC
- ln Zone 21 (dust-ex, category 2D) in explosion groups IIIA and IIIB
- ln Zone 22 (dust-ex, category 3D) in explosion groups IIIA and IIIB
2.4 Permissible zone
When combining electrical equipment and mechanical components without any inherent source(s) of ignition, identification of the electrical equipment must always be taken into account when selecting the zone. Only accessories compliant with all statutory European and national regulations may be used in explosive areas.
- The set-up regulations in the country of use must be observed.
- The devices may be subject to electrostatic charging. Appropriate measures must be adopted to exclude any risk, including electrostatic grounding, “Only clean with a damp cloth” and avoidance of charging processes.
– When used in gas ex-areas, an “Only clean with a damp cloth” warning sign must be mounted.
– A warning label is mounted on various pieces of equipment as an example. - All external materials consist of suitable low-sparking materials and lightweight metal. However, the operator is solely responsible for checking ignition danger caused by sparks during the operation of the entire machine.
- On some versions the outer material is aluminum. These versions must be protected against external impact energy.
- The mechanical components in the series must be included in the potential equalization.
- If the air preparation unit/device has built-in electrical components/devices such as valve solenoids etc., the electrical part of the air preparation unit/device is subject to ATEX Directive 2014/34/EU with all its consequences (nameplate, ATEX identification, etc.). The operating instructions of the electrical device must be observed.
- Repairs and/or changes to air preparation units/devices operated in explosive areas are not permitted.
- In the explosion group, IIC and Zone 1 external parts must not have any projecting surfaces in plastic > 20 cm is permissible. Equipment must not be used where high electrostatic charging is likely to be caused (propagating bush discharges) (not possible with human body static).
2; for IIB or dust 100 cm 2
– Do not blow off/clean the maintenance unit/equipment with compressed air. - Only insulated connection tubing with a diameter < 20 mm (IIC) or < 30 mm (IIA, IIB, dust) may be used.
- Compressed air may only be discharged diffusely in ex areas.
- Dust deposits must be removed regularly.
- If the housing leaks, you must stop using the equipment.
- Compressed air generation and preparation must take place outside the ex area.
- The use of combustible or explosive media is not permissible.
- Stray current (e.g. in systems with electrical corrosion protection) must not be carried over components.
- EN 1127-1 Appendix A must be observed in case of assembly in ex areas (if necessary, use low spark tools).
Increases in temperature due to operation for the purpose intended are negligible.
2.5 Personnel qualifications
All tasks associated with the product require basic mechanical, pneumatic, and electrical knowledge, as well as knowledge of the respective technical terms. In order to ensure operational safety, these tasks may only be carried out by qualified personnel or an instructed person under the direction of qualified personnel.
Qualified personnel is those who can recognize possible dangers and institute the appropriate safety measures, due to their professional training, knowledge, and experience, as well as their understanding of the relevant regulations pertaining to the work to be done. Qualified personnel must observe the rules relevant to the subject area and hold qualifications according to the Technical Rules for Hazardous Substances (TRGS 727).
2.6 General safety instructions
- Observe the valid local regulations to protect the environment in the country of use and to avoid workplace accidents.
- Only use AVENTICS products that are in perfect working order.
- Examine the product for obvious defects, such as cracks in the housing or missing screws, caps, or seals.
- Do not modify or convert the product.
- Persons who assemble, operate, disassemble, or maintain AVENTICS products must not consume any alcohol, drugs, or pharmaceuticals that may affect their ability to respond.
- The warranty will not apply if the product is incorrectly assembled.
- Do not place any improper mechanical loads on the product under any circumstances.
- Product warnings and information must be legible, i.e. not covered by paint, etc.
2.7 Safety instructions related to the product and technology
- Lay cables and lines so that they cannot be damaged and no one can trip over them.
- Do not operate the product in aggressive ambient air (e.g., solvent vapors).
Scope of delivery
- 1 valve according to the order
- Operating/assembly instructions
Additionally with a 3/2 directional valve with end position detection (AS3/AS5):
- Sensor, pre-mounted
About this product
3/2-shut-off valves and 3/2-directional valves AS filling valves are components of maintenance units.
3/2-shut-off valves are used to shut off the supply of compressed air mechanically or pneumatically.
3/2-directional valves that enable electrical switching of compressed air can be customized to different requirements via various coils and plates.
3/2-directional valves with end position detection are used to detect the position of the control piston via a sensor. An output signal is supplied on the connected sensor when the valve is in its inactive position (2 → 3 = exhaust).
Sensor switching is also visible on the front plate (on AS3) and rear plate (on AS5).
Filling valves permit the controlled application of compressed air on the system.
Assembly, commissioning, and operation
Danger of fire
Overcurrent, e.g. resulting from a short circuit, can cause overheating and fires.
- Provide for overcurrent protection as per EN 60204-1 if the current in any circuit can exceed either the rated value for a component or the current carrying capacity of the conductor, whichever is the lower value.
CAUTION
The danger of injury if assembled under pressure or voltage!
Assembling when under pressure or electrical voltage can lead to injuries and damage to the product or system components.
- Make sure that the relevant system component is not under voltage or pressure before you assemble the product.
- Protect the system against being restarted.
The danger of burns!
The surfaces of adjacent system components can become hot during operation.
- Do not touch the device during operation.
5.1 Mount fastening elements
See Fig. 15 – 18.
5.2 3/2-directional valve SOV and 3/2-shut-off valve BAV
Explosive atmospheres
If unsuitable components are used switching processes may trigger ignition in explosive areas.
- Please only use ATEX-version pilot valves and coils in explosive areas.
If silencers are not used, 3/2-directional and 3/2-shut-off valves emit very loud exhaust noises.
- Please therefore only operate 3/2-directional and 3/2-shut-off valves with silencers.
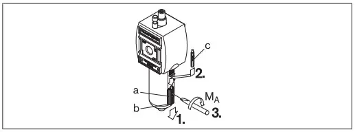
5.3 BAV 3/2-shut-off valve, mechanically operated
See Fig. 1
Adjust valve position (1-III)
The 3/2-shut-off valve is open in position (a).
- Turn the rotary knob by 90° in a clockwise direction to shut off the pressure. In position (b) the pressure P1 (2 → 3) is shut off and pressure P2 is exhausted via output 3.
Close valve (1-I + IV)
The rotary knob can be secured by a padlock to prevent unauthorized opening of the 3/2-shut-off-valve.
1. AS1: Press the rotary knob down.
Three round openings appear to attach the padlocks.
AS2: Pull the shut-off plate (c) out. Push down the film hinge.
AS3/AS5: Pull the shut-off plate (c) out.
2. Attach the padlock.
Up to three padlocks can be attached to AS1/AS2.
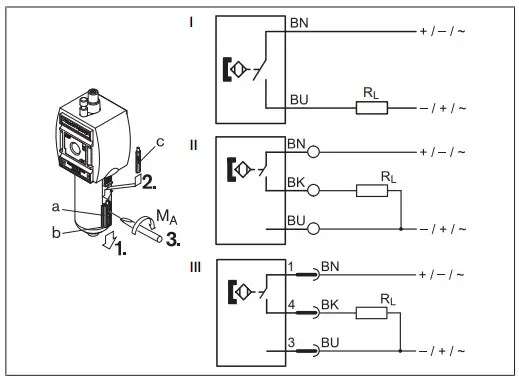
5.4 SOV 3/2-directional valve, pneumatically operated See Fig. 2
5.4.1 Connecting
1. Insert the seal (b) in the connection (a) and mount the push-in fitting (c) with G 1/8 thread on the connection (a).
2. Connect the pressure supply (d) for the control pressure.
Function:
- On applying control pressure > 2.5 bar the valve switches to opening 1 → 2.
- P1 is shut off and pressure P2 is exhausted for compressed air pressure relief.
The control pressure depends on the operating pressure P1 (see online catalog)
5.5 SOV 2/2-directional or 3/2-directional valve, electrically operated*
5.5.1 Mount electrical connector with C-shape connection See Fig. 3
- Place the seal (b) on the C-shape push-in fitting.
- Mount the electrical connector (c) and screw on tight.
Function:
• On supplying voltage to the coil and pressure to P1 (electrical:
2.5 bar < P1 < 10 bar, pneumatic: 2.5 bar < P1 < 16 bar) the valve switches to opening 1 → 2.
• P1 is shut off and P2 exhausted for compressed air pressure relief.
• If pressure is supplied to P1, the valve can be manually switched via the manual override (d) (inching function).
5.5.2 Attach the connecting cable to connection M12 See Fig. 4
- Screw together the M12 plug (a) and the electrical connector (b).
Function:
• On supplying voltage to the coil the valve switches to opening 1 → 2.
• If pressure is supplied to P1, the valve can be manually switched via the manual override (c).
5.5.3 Mount selected DO16 pilot valve See Fig. 5
- Insert the seal (b) in the recess (a).
- Mount the pilot valve (c) and screw on tight (d).
5.5.4 Mounting transition plate AS CNOMO See Fig. 6
- Insert the seals (b) in the recess (a).
- Mount the transition plate (c) and tighten the screws (d).
5.5.5 Mounting pilot valve DO30 See Fig. 7
- Mount the DO30 pilot valve (b) on the transition plate and fasten it tight with the supplied screws (d).
- Push the coil (e) and washer (f) onto the valve shaft (b), and secure them with the knurled nut (g).
- Open the electrical connector, push the line through (n), (m), (l) and the opening, and fasten the wires to the clamps.
- Close the electrical connector.
- Place the seal (h) on the coil (e).
- Mount the electrical connector (i) on the coil contacts (e), and secure the electrical connector with the screw (k).
5.5.6 Mounting coil for explosive areas See Fig. 8
- Mount the pilot valve (c) on the transition plate (b), and fasten it tight with the supplied screws (e).
- Push the coil (f) and washer (g) onto the valve shaft (c), and secure them with the knurled nut (h).
CAUTION
Sudden rise in pressure during commissioning! The system is exposed to sudden pressure on commissioning if no SSU filling unit is used! This may result in dangerous erratic cylinder motions.
- Please ensure when commissioning a system without an SSU filling unit that the cylinders are in their end position or that no danger can emit from those not in the end position.
During commissioning
- Let the product acclimatize for several hours before commissioning, otherwise, water may condense in the housing.
- Check that all the electrical and pneumatic connections are allocated or closed. Only commission fully installed products.
5.6 Filling valve SSV
Filling valves or units must not be mounted in front of open consumers (such as nozzles, air barriers, air curtains, or condensate reservoirs) of filters and filter regulators with fully automatic condensate drains (“open without pressure” version), as they may prevent component switching.
5.6.1 Pneumatically operated See Fig. 9
Adjust filling time
The filling valve prevents a sudden build-up of pressure when the system is commissioned. The filling time can be changed on the adjustment screw. (The screw
position varies depending on the series.)
- Remove the adjustment screw lock (a) (if fitted).
- Turn the adjustment screw (e.g. with a screwdriver) in a clockwise direction to lengthen the filling time or in an anti-clockwise direction to shorten the filling time.
- Press the adjustment screw lock (a) into the adjustment screw (if fitted).
5.6.2 Pneumatically operated, adjustable filling time, and changeover pressure See Fig. 10
a) Adjust change-over pressure
- Push up the handwheel (to unlock).
- Set the required change-over pressure by turning the handwheel.
- Push down the handwheel (to lock).
This reactivates the filling valve.
b) Adjust filling time
• See description under Pneumatically operated > Adjust filling time.
5.6.3 Filling valve with electrical priority circuit See Fig. 11
Adjust filling time
- See description under Pneumatically operated > Adjust filling time.
Force switching
An electrical impulse forces the filling valve to switch over. Please note that if the electrical control is removed, only the throttled cross-section is available. For unthrottled operation, the filling valve must therefore be permanently electrically actuated (see “SOV 2/2-directional or 3/2-directional valve, electrically operated*”).
5.6.4 Filling valve with pneumatic priority circuit See Fig. 12
Adjust filling time
- See description under Pneumatically operated > Adjust filling time.
Force switching
A pneumatic impulse forces the filling valve to switch over. Please note that if the pneumatic control is removed, only the throttled cross-section is available. In forthe unthrottled operation, the filling valve must therefore be permanently pneumatic-cally actuated (see “SOV 2/2-directional or 3/2-directional valve, electrically operated*”).
5.6.5 SSU filling unit See Fig. 13
The filling unit combines a shut-off and filling valve.
* Exhaust
AS2: Exhaust via rear.
AS1, AS3, AS5: Exhaust via bottom.
Service and repairs
6.1 Cleaning and servicing
- Close all openings with suitable safety devices so that no cleaning agent can enter into the system.
- Never use solvents or aggressive detergents. Only clean the product using a slightly damp cloth. Only use water and, if necessary, a mild detergent.
- Do not use high-pressure cleaners for cleaning.
- Do not use compressed air for cleaning (blowing off) the maintenance unit or equipment.
Disassembly and exchange
CAUTION
Danger of injury in case of disassembly or replacement under pressure or voltage! Disassembling or replacement when under pressure or electrical voltage may lead to injuries and damage to the product or system components.
- Make sure that the relevant system part is not under pressure or voltage before disassembling the product or exchanging parts.
- Protect the system against being restarted.
CAUTION
Danger of burns!
The surfaces of adjacent system components can become hot during operation.
- Let the system component cool off before disassembling it.
Disposal
Dispose of the product and condensate in accordance with the national regulations in your country.
Conversion and extension
CAUTION
Danger of injury in case of disassembly or replacement under pressure or voltage!
Disassembling or replacement when under pressure or electrical voltage may
lead to injuries and damage to the product or system components.
- Make sure that the relevant system part is not under pressure or voltage before disassembling the product or exchanging parts.
- Protect the system against being restarted.
CAUTION
Danger of burns!
The surfaces of adjacent system components can become hot during operation.
• Let the system component cool off before disassembling it.
9.1 Change flow direction See Fig. 14
No conversion is necessary on the AS1 series. The “right/left flow” version has a separate order number.
On delivery, the flow direction is from left (1, IN) to right (2, OUT). The following conversion on the product is necessary if the flow direction is to be changed: Regular conversion (14-I)
On almost all components, the flow direction change is performed by rotating an installation by 180° around the vertical axis. The housing covers need to be changed for the purpose.
- Remove the housing cover on the front and rear and replace it on the opposite side (the order number can now be read off at the front).
- Mount components at a position 180° around the vertical axis.
Conversion for AS2 shut-off valves and filling valves in all series (14-II)
As the exhaust is at the rear on these components, the housing cover cannot be changed over. Install the components rotated 180° around the lateral axis to change the flow direction.
Troubleshooting
| Malfunction | Possible cause | Remedy |
| Pressure/flow level is not reached or drops off slowly. | Operating pressure too low | • Set higher operating pressure • Check tubing diameter |
| Leak on tubing | Check tubing and tubing connections |
Technical data
Maximum permissible pressure, temperature range, and thread connection are indicated on the products.
| General data | |
| Mounting orientation | Any |
| Medium/ambient temperature min./max. | -10 °C /+50 °C |
Further technical data can be found in our online catalog at
www.aventics.com/pneumatics-catalog
Appendix
Figures: View varies according to the series.

Fig. 1: Lubricator with wiring diagram
Fig. 2: Connecting the sensor (Sensor ST6: I = 2-wire, II = 3-wire, III = 3-pin) | Series AS2, AS3, AS5
Fig. 3: Filling the oil reservoir manually | Series AS1
Fig. 4: Filling the oil reservoir manually | Series AS2, AS3, AS5
Fig. 5: Filling the oil reservoir semi-automatically | Series AS2, AS3, AS5
Fig. 6: Adjusting the oil quantity | Series AS1
Fig. 7: Adjusting the oil quantity | Series AS2, AS3, AS5
Fig. 8: Exchanging sensor ST6 | Series AS2, AS3, AS5
Fig. 9: Mounting with mounting plate W01
Fig. 10: Changing the flow direction
Fig. 11: Changing the housing cover | Series AS2, AS3, AS5
Fig. 12: Block assembly with W04 block assembly kit
Fig. 14: Block assembly and mounting with W05 block assembly kit






























