metabo Power 180-5 W OF Compressor
Product Information
The product is a power tool with four different models: Power 180-5 W OF, Power 250-10 W OF, Power 280-20 W OF, and Power 400-20 WOF. The tool is manufactured by Metabowerke GmbH and is available at www.metabo.com. It has a serial number starting with 01531, 01544, 01545, or 01546. The tool requires a voltage of 230V (1~50 Hz) and has a power range from 180W to 400W. It has an IP rating of IP20 or IP44 and weighs between 16kg to 45kg based on the model. The product is compliant with EU directives such as 2011/65/EU, 2006/42/EC, 2004/108/EC, and 2014/30/EU.
Product Usage Instructions
- Before using the tool, read the user manual carefully.
- Attach the crane hook (12) as shown in figure B on page 3 if needed.
- Make sure the condensate drain (3) is closed.
- Pull out the transport handle (11) and the transport screws.
- Connect the tool to a power source with a voltage of 230V (1~50 Hz).
- To generate compressed air, adjust the regulator pressure (7) to the desired level. The current pressure is displayed on the regulator pressure gauge (6).
- Operate the tool as required.
- Regularly maintain and clean the tool according to the instructions in the user manual.
- Do not attempt to repair the tool unless you are authorized to do so.
- Dispose of the tool properly and in accordance with local environmental regulations.
Original Instructions
- Power 180-5 W OF
- Power 250-10 W OF
- Power 280-20 W OF
- Power 400-20 W OF
13. | Power 180-5 W OF | Power 250-10 W OF | Power 280-20 W OF | Power 400-20 W OF | |
| *1) Serial Number | 01531.. | 01544.. | 01545.. | 01546.. | |
| A | l/min | 160 | 220 | 280 | 330 |
| F | l/min | 90 | 120 | 150 | 200 |
| Leff | l/min | 75 | 100 | 140 | 185 |
| p | bar | 8 | 10 | 10 | 10 |
| V | l | 5 | 10 | 20 | 20 |
| a | – | 1 | 2 | 2 | 2 |
| z | – | 1 | 1 | 1 | 2 |
| n0 | /min, rpm | 2850 | 2850 | 2850 | 1400 |
| P1 | kW | 1,1 | 1,5 | 1,7 | 2,2 |
| U | V | 230 (1~ 50 Hz) | 230 (1~ 50 Hz) | 230 (1~ 50 Hz) | 230 (1~ 50 Hz) |
| I | A | 4,0 | 6,0 | 6,5 | 9,6 |
| F | A | T 10 A | T 10 A | T 10 A | T 12 A |
| IP | – | IP 20 | IP 20 | IP 20 | IP 44 |
| G | . | 3 x 1,0 mm2 -> 10 m 3 x 1,5 mm2 -> 25 m 3 x 2,5 mm2 -> 25 m | 3 x 1,0 mm2 -> 10 m 3 x 1,5 mm2 -> 25 m 3 x 2,5 mm2 -> 25 m | 3 x 1,0 mm2 -> 10 m 3 x 1,5 mm2 -> 25 m 3 x 2,5 mm2 -> 25 m | 3 x 1,0 mm2 -> 10 m 3 x 1,5 mm2 -> 25 m 3 x 2,5 mm2 -> 25 m |
| A | mm | 370 x 395 x 286 | 470 x 480 x 348 | 580 x 600 x 500 | 580 x 600 x 500 |
| Tmax | °C | + 50 | + 50 | + 50 | + 50 |
| Tmin | °C | 0 | 0 | 0 | 0 |
| m*5) | kg | 16 | 24 | 40 | 45 |
| LpA/KpA | dB(A) | 81,6 / 1,8 | 83,7 / 0,5 | 82,5 / 1,0 | 78,0 / 1,0 |
| *5) LWA/KWA | dB(A) | 94,2 / 1,8 | 96,5 / 0,5 | 95,8 / 1,0 | 94,0 / 1,0 |
| *5) LWA(G)/KWA(G) | dB(A) | 96 | 97 | 97 | 95 |
Declaration of Conformity
We, being solely responsible: Hereby declare that these compressors, identified by type and serial number *1), meet all relevant requirements of directives *2) and standards *3). issuing testing authority *4), measured LWA(M) / guaranteed LWA(G) sound power level *5), technical documentation for *6) – see page 4.
Specified Use
This tool is used for the generation of compressed air for professional tools powered by compressed air. The use in the medical and food sector as well as refilling of oxygen tanks is not permitted.
Explosive, flammable or harmful gases must not be aspirated. Operation in potentially explosive rooms is not permitted. Any other use does not comply with the intended purpose. Unspecified use, modification of the pump or use of parts that have not been tested and approved by the manufacturer can cause unforeseeable damage! Children, adolescents and untrained persons must not use the machine and the connected compressed air tools. Operate the device only unter supervision.
General Safety Instructions
WARNING
Reading the operating instructions will reduce the risk of injury.
warnings and instructions may result in electric shock, fire and/or serious injury. Save all safety warnings and information for future reference! Pass on your power tool only together with these documents. You and all other users must be able to inform yourselves at any time.
Work area safety
- Keep work area clean and well lit. Cluttered or dark areas invite accidents.
- Do not operate the device in explosive atmospheres, such as in the presence of flammable liquids, gases or dust. Tools create sparks which may ignite the dust or fumes.
- Keep children and other persons away while operating the device.
Electrical safety
- Tool plugs must match the outlet. Never modify the plug in any way. Do not use any adapter plugs with earthed (grounded) tools. Unmodified plugs and matching outlets will reduce risk of electric shock.
- Avoid body contact with earthed or grounded surfaces, such as pipes, radiators, ranges and refrigerators. There is an increased risk of electric shock if your body is earthed or grounded.
- Do not expose power tools to rain or wet conditions. Water entering a power tool will increase the risk of electric shock.
- Do not abuse the cord. Never use the cord for carrying, hanging or unplugging the tool. Keep cord away from heat, oil, sharp edges or moving parts. Damaged or entangled cords increase the risk of electric shock.
- When operating a power tool outdoors, use an extension cord suitable for outdoor use. Use of a cord suitable for outdoor use reduces the risk of electric shock.
Personal safety
- Stay alert, watch what you are doing and use common sense when operating a tool. Do not use a tool while you are tired or under the influence of drugs, alcohol or medication. A moment of inattention while operating power tools may result in serious personal injury.
- Use personal protective equipment. Always wear eye protection. Protective equipment such as a dust mask, non-skid safety shoes, hard hat or hearing protection, depending on the type and application of the tool, will reduce personal injuries.
- Prevent unintentional starting. Ensure the switch is in the off-position before connecting to power source and/or battery pack, picking up or carrying the tool. Carrying power tools with your finger on the switch or energising power tools that have the switch on invites accidents.
- Remove any adjusting key or wrench before turning the power tool on. A wrench or a key left attached to a rotating part of the power tool may result in personal injury.
- Do not overreach. Keep proper footing and balance at all times. This enables better control of the tool in unexpected situations.
- Wear appropriate clothing. Do not wear loose clothing or jewellery. Keep your hair, clothing and gloves away from moving parts. Loose clothes, jewellery or long hair can be caught in moving parts.
- Do not let familiarity gained from frequent use of tools allow you to become complacent and ignore tool safety principles. A careless action can cause severe injury within a fraction of a second.
Tool use and care
- Do not force the power tool. Use the correct tool for your application. The correct tool will do the job better and safer at the rate for which it was designed.
- Do not use the tool if the switch does not turn it on and off. Electrical devices that can no longer be switched on or off are dangerous and must be repaired immediately.
- Disconnect the plug from the power source and/or the battery pack from the tool before making any adjustments, changing accessories, or storing tools. Such preventive safety measures reduce the risk of starting the power tool accidentally.
- Store idle tools out of the reach of children. Do not allow persons unfamiliar with the device or these instructions to operate the device. Devices are dangerous when used by inexperienced personnel.
- Maintain power tools and accessories with care. Check that the moving parts are functioning properly and do not jam, that there is no breakage of parts or any other condition that may affect the device’s operation. If damaged, have the device repaired before using. Many accidents are caused by poorly maintained power tools.
- Use the power tool, accessories, tool bits etc. in accordance with these instructions. Take into account the working conditions and the work to be performed. Use of the power tool for operations different from those intended could result in a hazardous situation.
- Keep handles and grasping surfaces dry, clean and free from oil and grease. Slippery handles and grasping surfaces do not allow safe handling and control of the tool in unexpected situations.
Service
- Have your device serviced by a qualified repair person using only genuine replacement parts. This will ensure that the device functions safely.
Additional Safety Instructions
- These operating instructions are intended for people with basic technical knowledge in handling machines such as the one described here. If you have had no experience with machines of this kind, you should initially work under the supervision of people with previous experience.
- The manufacturer bears no liability for damage caused by non-compliance with these operating instructions.
Information in these operating instructions is designated as shown below:
Danger!
Risk of personal injury or environ-mental damage.
Risk of electric shock!
Risk of personal injury from electric shock.
Caution!
Risk of material damage.
Special Safety Instructions
The following residual risks basically exist for compressed air tools and cannot be remedied completely even with safety installations:
Danger of injury due to escaping compressed air and parts, which are carried along by compressed air!
- Never direct compressed air on people or animals.
- Ensure that all compressed air tools and accessories used are designed for the working pressure or can be connected via a pressure reducer.
- When loosening the quick coupling pay attention that the compressed air contained in the compressed air hose escapes suddenly. Therefore get a firm grip of the end of the compressed air hose to be loosened.
- Ensure that all screwed connections are always tightened properly.
- Do not attempt to repair the pump yourself! Only professionals may carry out repairs on compressors, compressed containers and compressed air tools.
Risk of burns at the surfaces of the parts bearing compressed air!
- Let the tool cool down prior to the servicing work.
Risk of personal injury and crushing by moving parts!
- Do not operate the tool without installed guards.
- Keep in mind that the tool starts up automatically when the minimum pressure is reached!
- Ensure the tool is disconnected from power before servicing.
- Ensure that when switching on (e.g. after servicing) no tools or loose parts are left on or in the tool.
Hazard generated by insufficient personal protection gear!
- Wear hearing protection.
- Wear protective goggles.
- Wear a breathing mask for applications generating dust or when harmful gases, mist or vapours are generated.
- Wear suitable work clothes.
- Wear non-slip footwear.
Hazard generated by tool defects!
- Keep tool and accessories in good repair. Observe the maintenance instructions.
- Prior to each use check the tool for any eventual damage: Before continuing to use the tool, safety devices, protective devices or lightly damaged parts must be carefully inspected for correct and proper operation. A damaged device must only be reused after it has been correctly repaired.
- Check to see that all moving parts work properly and do not jam. All parts must be correctly installed and fulfil all conditions necessary to ensure perfect operation of the unit.
- Damaged protection devices or parts must be repaired or replaced by a qualified specialist.
Additional Safety Instructions
- Please also observe the special safety instructions in the respective chapters.
- Observe any particular health and safety or accident prevention regulations governing the use of compressors and compressed air tools.
- Observe the legal provisions for the operation of systems requiring monitoring.
- Keep in mind that escaping condensate and other consumables contaminate the surrounding area and may trigger damage to the environment during operation and storage of the tool.
- Consider environmental conditions:
Symbols on the machine (depends om Model)
Read the operating instructions.
Warning of personal injury by touching hot parts.
Wear eye goggles
Wear ear protectors.
Warning of automatic startup.
Danger
electrical voltage. Guaranteed sound power level.
Safety devices
Safety valve
The spring-loaded valve (4) reacts if the permitted maximum pressure is exceeded.
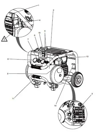
Overview
See page 2.
- compressor
- pressure vessel
- condensate outlet
- safety valve
- connection for compressed air (quick coupling), regulated compressed air
- manometer control pressure
- pressure regulator
- manometer boiler pressure
- ON/OFF Switch
- air filter / air filter housing
- transport handle *
- crane eyelet *
- fixture point for MetaLoc, Sortimo/LBoxx
- cable winder *

Commissioning
Assembly (depending on model)
- Mount the tyres as shown (see fig. A, page 3).
- If required, mount the crane eyelet (12) as shown (see fig. B, page 3).

Check condensate outlet
Ensure that the condensate outlet (3) is closed.
Installation
The positioning site of the device has to meet the following requirements:
- Dry, protected from frost
- Stable, horizontal and even surface
Danger!
Wrong positioning might cause serious accidents.
- Secure the device against rolling away, tilting and slipping.
- Safety installations and operating elements have to be easily accessible at any time.
Transport
- Do not pull the device from the hose or mains cable. Transport the device at the transport handle (11).
- Check the crane eyelet (12) for secure fastening. If required fasten securely.
Extendable transport handle (depending on model):
- Place device on rear rubber feet.
- Loosen the locking screws of the transport handle and pull out transport handle (11).
- Retighten the locking screws of the transport handle.
- Pull the device, while on its wheels, behind you from the transport handle (11).
Operation
Power-supply connection
Danger! High voltage.
Operate the device in dry surroundings only. Operate the device only at a power source meeting the following requirements: Wall sockets installed according to regulations, earthed and tested; fuse protection according to the technical data. Position power supply cable so it does not interfere with the work and is not damaged. Check every time if the device is switched off, prior to plugging the mains plug into the socket outlet. Protect power supply cable from heat, aggressive liquids and sharp edges. Use only extension cables with sufficient core cross-section (see chapter 12. Technical Data).
Use extension cables for outdoor areas. When working outdoors, only use the correspondingly marked extension cable approved for this purpose.
Do not switch off the compressor by pulling the mains plug, but use the ON/OFF switch. Always install an RCD with a maximum trip current of 30 mA upstream.
Generate compressed air
- Switch on the device using the ON/OFF switch (9) and wait, until the maximum boiler pressure has been reached (compressor switches off). The boiler pressure is shown at the boiler pressure manometer (8) . Set the control pressure at the pressure reducer (7) . The current control pressure is shown at the control pressure manometer (6) .
Attention!
The set control pressure must not exceed the maximum operating pressure of the connected compressed air tools! - Connect the compressed air hose at the compressed air inlet (5) .
- Connect the compressed air tool. Now you can work with the compressed air tool.
- Switch off the tool if you don’t want to continue working immediately. Afterwards pull the mains plug.
- Drain the condensed water of the pressure vessel at the condensate outlet (3) on a daily basis.
Care And Maintenance
Danger!
Prior to all servicing:
Switch machine off. Disconnect the mains plug. Wait until the device has stopped. Ensure that there is no more pressure on the device and all used compressed air tools and accessories.
Leave the device and all used compressed air tools and accessories to cool down.
After to all servicing:
Put back into operation and check all safety installations. Ensure that there are no tools or similar at or in the device. Repair and maintenance work other than described in this section should only be carried out by qualified specialists.
Important information
Maintenance and test have to be planned and carried out in accordance with the legal provisions in line with the setup and mode of operation of the device. Regulatory authorities may ask to view respective documentation.
Regular maintenance
Prior to every start
- Check compressed air hoses for damage and replace, if necessary.
- Check that all screw fittings are seated securely, and tighten if necessary.
- Check connection cables for damage, and, if necessary, have it replaced by a qualified electrician.
- Drain the condensed water of the pressure vessel at the condensate outlet (3).
Every 50 hours of operation
- Have an inspection carried out in an authorised service centre. This significantly increases the service life of the compressor.
Storage of device
- Switch off the device and pull mains plug.
- Depressurise the pressure vessel and all connected compressed air tools.
- Drain the condensed water of the pressure vessel at the condensate outlet (3).
- Store the device in such a way that unauthorised persons cannot start it.
Attention!
Do not store the tool outdoors or in damp conditions without protection.
Danger of frost
Attention!
Frost (< 5 °C) destroys the pump and accessories as both always contain water! If there is a danger of frost disassemble pump and accessories and store in frost-free conditions.
Repairs
- Danger!
Repair of tools must be carried out by qualified electricians only! If you have Metabo devices that require repairs, please contact your Metabo service centre. See www.metabo.com for addresses.
You can download a list of spare parts from www.metabo.com.
Environmental Protection
- Danger!
The condensed water from the pressure vessel contains oil residue and /or contaminations hazardous to the environment. Dispose of the condensed water in an environmentally-friendly manner using respective collection sites!
Observe national regulations on environmentally compatible disposal and on the recycling of disused machines, packaging and accessories. Only for EU countries: Never dispose of devices in your household waste! In accordance with European Guideline 2002 96/EC on used electronic and electric equipment and its implementation in national legal systems, used devices must be collected separately and returned for environmentally compatible recycling.
Troubleshooting
Danger!
Prior to all servicing:
Switch machine off. Disconnect the mains plug. Wait until the device has stopped. Ensure that there is no more pressure on the device and all used compressed air tools and accessories. Leave the device and all used compressed air tools and accessories to cool down. Any works other than the ones described in this chapter, must be carried out only by a qualified electrician or the service branch in your country.
After to all servicing:
Put back into operation and check all safety installations. Ensure that there are no tools or similar at or in the device.
Compressor does not run:
- No mains voltage.
- Check cables, plug, outlet and mains fuse.
- Mains voltage too low.
- Use only extension cables with sufficient core
- cross-section (see chapter 12. Technical Data). For cold device: Avoid extension cable. For cold device: Depressurise the pressure vessel.
- Compressor was switched off by pulling the mains plug while it was running.
- First, switch off the compressor using the ON/OFF switch (9), then switch on again.
- Motor overheated, e.g. due to insufficient cooling (cooling ribs covered).
- Switch off the compressor using the ON/OFF switch (9) .
- Remedy the cause for overheating. Leave to cool for about ten minutes.
- Switch on the compressor again using the ON/OFF switch (9) .
Compressor runs without building up sufficient pressure
- Condensate outlet leaking.
- Ensure that the condensate outlet (3) is closed.
- Check the seal of the drainage plug, if required, replace.
- Check valve leaking.
- Have check valve serviced in authorised service centre.
Compressed air tool does not get enough pressure
- Pressure controller not open enough.
- Open pressure controller (7) further.
- Hose connection between compressor and compressed air tool leaking.
- Check hose connection; if required replace damaged parts.
Technical Data
Explanatory notes on the specifications on page 3. Changes due to technological progress reserved.
- A =suction capacity
- F =filling capacity
- Leff =Effective output volume at 80% max.
- pressure
- p =max. pressure
- V =vessel size
- a =number of air outlets
- z =number of cylinders
- n0 =max. torque
- P1 =rated input power
- U =connection voltage
- I =rated power
- F =min. fuse protection
- IP =protection class
- G =maximum overall length and core crosssection
- of extension cables
- A =dimensions (lxwxh)
- Tmax =max. storage / operating temperature *
- Tmin =min. storage / operating temperature **
- m =weight
The service life of some components e.g. seal in check valve is significantly reduced, if the compressor is operated at high temperatures (max. storage / operating temperature and higher). ** = At temperature below the min. storage /
operating temperature, there is danger of frost for the condensate in the pressure vessel. The technical specifications quoted are subject to tolerances (in compliance with the relevant valid standards).
Emission values
These values make it possible to assess the emissions from the device and to compare different devices. The actual load may be higher or lower depending on the operating conditions, the condition of the device or the accessories. Please allow for breaks and periods when the load is lower for assessment purposes. Arrange protective measures for the user e.g. organisational measures based on the adjusted estimates.
Typical A-effective perceived sound levels:
- LpA = sound-pressure level
- LWA = acoustic power level
- LWA(G) = gua2000/14rant /ECeed acoustic power level as per

Wear ear protectors!
Information on the nameplate:
- A Manufacturer
- B Item, version, serial number
- C Machine designation
- D Connection voltage / frequency
- E Rated input power
- F Rated power / protection type
- G Max. torque
- H Max. pressure
Metabowerke GmbH
Metabo-Allee 1
72622 Nuertingen
Germany
www.metabo.com

13.


















