GYS W5S-4L Arc Welding Machine

WARNING – SAFETY RULES
GENERAL INSTRUCTIONS
Read and understand the following safety recommendations before using or servicing the unit. Any change or servicing that is not specified in the instruction manual must not be undertaken. The manufacturer is not liable for any injury or damage caused due to non-compliance with the instructions featured in this manual . In the event of problems or uncertainties, please consult a qualified person to handle the installation properly. Read the welding machine’s instruction manual before using the wire feeder.
ENVIRONMENT
This equipment must only be used for welding and gouging operations in accordance with the limits indicated on the descriptive panel and/or in the user manual. The operator must respect the safety precautions that apply to this type of welding. In case of inedaquate or unsafe use, the manufacturer cannot be held liable for damage or injury. This equipment must be used and stored in a place protected from dust, acid or any other corrosive agent. Operate the machine in an open, or well-ventilated area.
- Operating temperature: Use between -10 and +40°C (+14 and +104°F)./Store between -20 and +55°C (-4 and 131°F).
- Air humidity:
- Lower or equal to 50% at 40°C (104°F).
- Lower or equal to 90% at 20°C (68°F).
- Altitude: Up to 1000 meters above sea level (3280 feet)
INDIVIDUAL PROTECTIONS AND OTHERS
Arc welding can be dangerous and can cause serious and even fatal injuries. Welding exposes the user to dangerous heat, arc rays, electromagnetic fields, noise, gas fumes, and electrical shocks. People wearing pacemakers are advised to consult with their doctor before using this device. Protect yourself and others. Ensure the following safety precautions are taken:

- In order to protect you from burns and radiations, wear clothing without cuffs. These clothes must be insulated, dry, fireproof and in good condition, and cover the whole body.
- Wear protective gloves which guarantee electrical and thermal insulation.
- Use sufficient welding protective gear for the whole body: hood, gloves, jacket, trousers… (variable depending on the application/ operation). Protect your eyes during cleaning operations. Do not operate whilst wearing contact lenses. It may be necessary to install fireproof welding curtains to protect the area against arc rays, weld spatters and sparks. Inform the people around the working area to never look at the arc ray or the molten metal, and to wear protective clothes.
- Ensure ear protection is worn by the operator if the work exceeds the authorised noise limit. Ensure ear protection is worn by anyone in the welding area .
- Stay away from moving parts (e.g. engine, fan…) with hands, hair, clothes etc… Never remove the safety covers from the cooling trolley when the machine is plugged in – The manufacturer is not responsible for any accident or injury that happens as a result of not following these safety precautions.

- The pieces that have just been welded are hot and may cause burns when manipulated. During maintenance work on the torch, you should make sure it’s cold enough and wait at least 10 minutes before any intervention. The cooling trolley must be on when using a water cooled torch in order to ensure that the liquid does not cause any burns. ALWAYS ensure the working area is left as safe and secure as possible to prevent damage or accidents.
WELDING FUMES AND GAS
The fumes, gases and dust produced during welding are hazardous. It is mandatory to ensure adequate ventilation and/or extraction to keep fumes and gases away from the work area. An air fed helmet is recommended in cases of insufficient air supply in the workplace. Check that the air intake is in compliance with safety standards. Caution, welding in small work areas requires surveillance from a safe distance. Welding certain pieces of metal containing lead, cadmium, zinc, mercury or beryllium can be extremely toxic. The user will also need to degrease the workpiece before welding. Gas cylinders must be stored in an open or ventilated area. The cylinders must be in a vertical position secured to a support or trolley. Do not weld in areas where grease or paint are stored.
FIRE AND EXPLOSIONS RISKS
Protect the entire welding area. Compressed gas containers and other inflammable material must be moved to a minimum safe distance of 11 meters. A fire extinguisher must be readily available. Be careful of spatter and sparks, even through cracks. It can be the source of a fire or an explosion. Keep people, flammable objects and containers under pressure at a safe distance. Welding of sealed containers or closed pipes should not be undertaken, and if opened, the operator must remove any inflammable or explosive materials (oil, petrol, gas…). Grinding operations should not be directed towards the device itself, the power supply or any flammable materials.
GAS BOTTLE
Gas leaking from the cylinder can create a hazard if present in high concentrations around the work area. Transport must be done safely: Cylinders closed and product off. Always keep cylinders in an upright position securely chained to a fixed support or trolley. Close the bottle after any welding operation. Be careful with gas bottles placed in areas of high temperature, or in sunlight. Cylinders should be located away from areas where they may be struck or subjected to physical damage. Always keep gas bottles at a safe distance from arc welding or cutting operations, and any source of heat, sparks or flame. Be careful when opening the valve on the gas bottle, it is necessary to remove the tip of the valve and make sure the gas meets your welding requirements.
ELECTRIC SAFETY
The machine must be connected to an earthed electrical supply. Use the recommended fuse size. An electrical discharge can directly or indirectly cause serious or deadly accidents. Do not touch any live part of the machine (inside or outside) when it is plugged in (Torches, earth cable, cables, electrodes) because they are connected to the welding circuit. Before opening the device, it is imperative to disconnect it from the mains and wait 2 minutes, so that all the capacitors are discharged. Do not touch the torch or electrode holder and earth clamp at the same time. Damaged cables and torches must be changed by a qualified and skilled professional. Make sure that the cable cross section is adequate with the usage (extensions and welding cables). Always wear dry clothes in good condition, in order to be insulated from the electrical circuit. Wear insulating shoes, regardless of the environment in which you work in.
EMC CLASSIFICATION

- These Class A devices are not intended to be used on a residential site where the electric current is supplied by the public network, with a low voltage power supply. There may be potential difficulties in ensuring electromagnetic compatibility on these sites, because of the interferences, as well as radio frequencies.
- These devices are not compliant with the CEI 61000-3-12 standard. On a public low-voltage power grid, it is the responsibility of the installer or user of the device to ensure, by checking with the operator of the distribution network, which device can be connected.
ELECTROMAGNETIC INTERFERENCES
The electric currents flowing through a conductor cause electrical and magnetic fields (EMF). The welding current generates an EMF field around the welding circuit and the welding equipment. The EMF fields may disrupt some medical implants, such as pacemakers. Protection measures should be taken for people wearing medical implants. For example, access restrictions for passers-by or an individual risk evaluation for the welders. All welders should take the following precautions in order to minimise exposure to the electromagnetic fields (EMF) generated by the welding circuit::
- position the welding cables together – if possible, attach them;
- keep your head and torso as far as possible from the welding circuit;
- never enroll the cables around your body;
- never position your body between the welding cables. Hold both welding cables on the same side of your body;
- connect the earth clamp as close as possible to the area being welded;
- do not work too close to, do not lean and do not sit on the welding machine
- do not weld when you’re carrying the welding machine or its wire feeder.
TRANSPORT AND TRANSIT OF THE WIRE FEEDER
The wire feeder is equipped with handles for easy transportation. Be careful not to underestimate the machine’s weight. The handle cannot be used to hang the machine from other equipment. Never lift the machine while there is a gas cylinder on the support shelf. A clear path is available when moving the item. Do not place/carry the unit over people or objects. The removal of the wire reel from the machine is recommended before undertaking any lifting operation. Stray welding currents/voltages may destroy earth conductors, damage electrical equipment or cause components to warm up which may cause a fire.
- All welding connections must be firmly secured, check regularly !
- Check that the metal piece fixation is strong and without any electrical problems !
- Attach or hang all the electrically conductive elements,such as the trolley in order to insulate them
- Do not place any electrical equipment such as drills on top of the welding machine without insulating them !
- Always place welding torches or electrodes holders on an insulated surface when they’re not in use !
INSTALLATION
Follow the Rule
- The wire feeder must be switched on with all access panels closed.
- Put the wire feeder on a floor with a maximum incline of 10°.
- The machine must be placed in a sheltered area away from rain or direct sunlight.
- The equipment’s protection level is IP21, which means :
- Protection against acess to dangerous parts from solid bodies of a ≥12.5mm diameter and,
- Protection against vertically falling drops.
The manufacturer does not incur any responsability regarding damages to both objects and persons that result from an incorrect and/or dangerous use of the machine.
MAINTENANCE / RECOMMENDATIONS

- Maintenance should only be carried out by a qualified person. Annual maintenance is recommended.
- Ensure the wire feeder is disconnected from the welding machine, and wait for two minutes before carrying out maintenance work
- Remove the casing 2 or 3 times a year to remove any excess dust. Take this opportunity to have the electrical connections checked by a qualified person, with an insulated tool.
- Regularly check the connection cable between the wire feeder and the machine. If damaged, the connection cable cable must be replaced.
- Warning ! If the welding machine is transported/handled by another solution than the one recommended by the manufacturer; the wire feeder casing must be insulated from the transporting/handling solution.
Rules to follow : - The wire feeder must be switched on with all access panels closed.
INSTALLATION – PRODUCT OPERATION
Only qualified personnel authorized by the manufacturer should perform the installation of the welding equipment. During set up, the operator must ensure that the machine is unplugged. Risk of injury due to moving parts! The wire feeders contain moving parts that may catch hand, hair, clothes or tools which can lead to injuries! Take extra care.
- Do not place your hand on mobile/pivoting/wire feeding parts of the machine!
- Make sure that all panels remain closed when in use !
DESCRIPTION
The W5S-4L is a wire feeder suitable for a water or air cooled torch and designed for use with MIG 400 GR, 500 GR et 500 WS. The wire feeder works with 200mm reels.
DEVICE PRESENTATION (I)

- Reel support (200 mm)
- Wire feeder
- Handle
- Wire speed potentiometer
- Euro torch connector
- Gas connector of the connecting harness
- Control cable connector
- Power cable connector
- Water connection
ASSEMBLY & CONNECTION (I & II)


Gas Coupling
Fit the gas pipe to the connector (6) of the wire feeder (collar included)
Contact Cable Connection
Connect the wire feeder to the generator, making sure that the power connectors (8) & (11), the command connectors (7) & (12), and the water connectors (13) & (9) are securely tightened.
WIRE REEL INSTALLATION (III)

- Open the door of the machine.
- Position the reel on to the support (1) taking care of the pin.
- Adjust the break (2), to avoid reel movement tangling the wire when the welding stops.
- Tighten the plastic screw firmly (3).
- For the first use :
- Release the fixing screw of the wire guide (4)
- Put the rollers in place (5). The visible diameter on the roller should be equal to the wire diameter used.
- Place the wire guide (6) as close as possible to the roller but without touching it, then tighten the fixing screw.
- To select the adjustment of the drive rollers: loosen the drive roller knob as far as possible (7), insert the wire until it exits the other side by about 2cm. Start the motor by pressing the torch trigger, tighten the knob whilst pressing the trigger. Bend the wire where it comes out of the nozzle and hold it in place to stop its progress – the setting is correct when the guide roller slides over the wire, even when it is blocked at the end of the torch.
USE
W5S-4L allows the user welding using the parameters set on the MIG generator. To adjust the settings to the type and diameter of wire used, please refer to the 400 GR, 500 GR and 500 WS user manual. It is possible to change the wire speed, in synergic or manual mode using the potentiometer on the front panel.
TROUBLESHOOTING


MACHINE MAINTENANCE DETAILS
Machine maintenance or alteration should only be carried out by a qualified person. Failure to comply may void the warranty. Any maintenance or action performed on the machine should be done with power supply off (machine disconnected from the power supply network), wait at least 5 minutes before any operation, block access to the installation if necessary.
Daily :
- Check the torch, the rollers and the tightening, the connections.
Twice a year :
- Clean the inside of the machine with a compressed air cleaner.
- Make sure not to put any conductor inside the machine, such as the torch.
- Check the wear and coupling of the connections, retighten if necessary.
- Check the following parts: electrical, gas, wire reel support, wire-feeding motor and bottle support.
WARRANTY
The warranty covers faulty workmanship for 2 years from the date of purchase (parts and labour).
The warranty does not cover:
- Transit damage.
- Normal wear of parts (eg. : cables, clamps, etc..).
- Damages due to misuse (power supply error, dropping of equipment, disassembling).
- Environment-related failures (pollution, rust, dust).
In case of failure, return the unit to your distributor together with:
- The proof of purchase (receipt etc …)
- A description of the fault reported
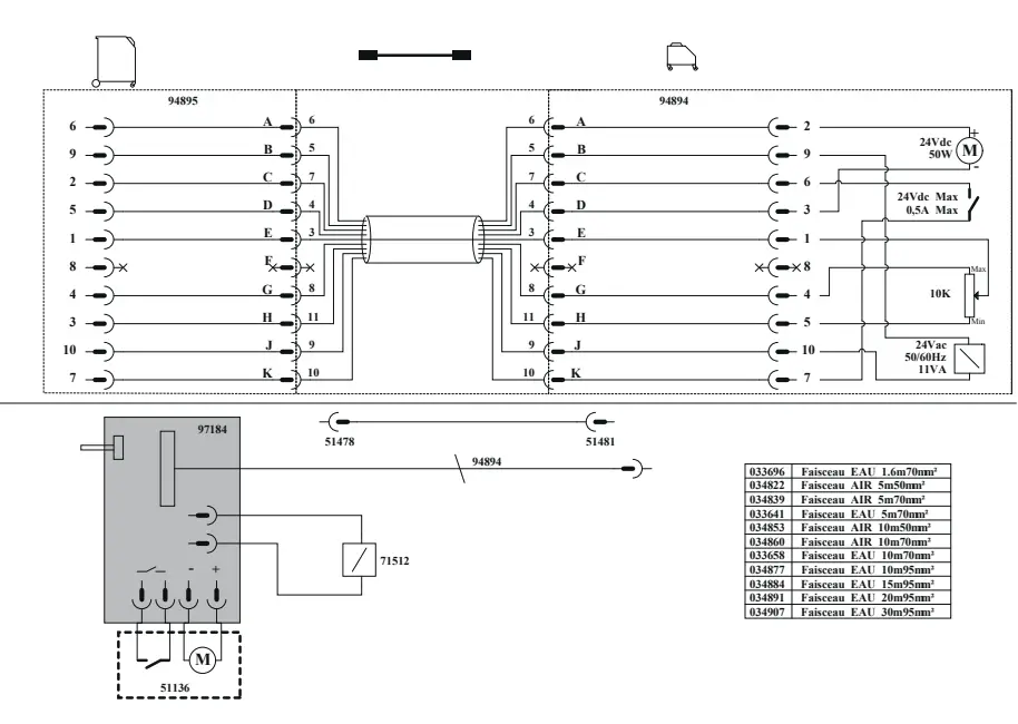
CIRCUIT DIAGRAM

SPARE PARTS

- Wire reel support: 71602
- Wire feeder: 51136
- Potentiometer: 73018
- Board: 97184C
- Feet: 56061
- Handle: 56048
- front handle: 56047
- Solenoid valve: 71512
- Connector: 94894ST
- T95 connector: 51481
- Water connector: 71437
- Hinges: 72004
TECHNICAL SPECIFICATIONS
- Power supply voltage (DC) – generator output: U1 = 24V-3A
- Motor speed: 1.0-24.0 m/mn
- Torch connector: EURO
- Supported wire reels: 200 mm
- Supported wires:
- Fe: 0.6 mm – 1.2 mm
- SS: 0.8 mm – 1.2 mm
- Al: 1.0 mm – 1.2 mm
- Cored: 0.9 mm – 1.2 mm
- Duty cycle at 40°C (10 min)* Standard EN60974-1.: 410A
- Protectice gas: Depending on the material to weld
- Drive roller type: B
- Cooling liquid: ref. 052246
- Functionning temperature: -10°C +40°C
- Storage temperature: -25°C +55°C
- Protection level: IP21
- Dimensions (LxWxH): 23 x 32 x 49 cm
- Weight: 15 kg
ICONS

- Caution! Read the user manual
- The wire feeder complies with the IEC 60974-5 standard
- Wire feeder symbol
- Protected against rain and against fingers access to dangerous parts
- Direct welding current
- Duty cycle according to standard EN 60974-1 (10 minutes – 40°C
- Corresponding conventional welding current
- U2: conventional voltages in corresponding load
- Machine(s) compliant with European directives The declaration of conformity is available on our website
- EAEC Conformity marking (Eurasian Economic Community
- This hardware is subject to waste collection according to the European directives 2002/96/UE. Do not throw out in a domestic bin/waste
- Equipment in conformity with Moroccan standards. The declaration Cم) CMIM) of conformity is available on our website (see cover page)
- Equipment in compliance with British requirements. The British Declaration of Conformity is available on our website (see home page)
- This product should be recycled appropriately
- Temperature information (thermal protection)
- Cooling liquid input
- Cooling liquid output
- Gas purge
- Gas input
GYS
1, rue de la Croix des Landes
CS 54159
53941 SAINT-BERTHEVIN Cedex
France




















