D21580, D21582
Electric Diamond Drill
Instructions
D21580 Electric Diamond Drill
![]() | ![]() |
![]() | ![]() |
![]() | |
DIAMOND DRILLING MACHINES D21580, D21582
Congratulations!
You have chosen a DEWALT tool. Years of experience, thorough product development, and innovation make DEWALT one of the most reliable partners for professional power tool users.
Technical Data
| D21580 | D21582 | ||
| Voltage | V | 230 | 230 |
| (U.K. & Ireland only) | V | 230/115 | — |
| Type | 1 | 1 | |
| Power input | W | 1705/1510 | 1705 |
| Power output | W | 1705/900 | 1150 |
| No-load speed | |||
| 1st gear | mire’ | 0-1100 | 0-1100 |
| 2nd gear | mire’ | 0-2500 | 0-2500 |
| Load speed | |||
| 1st gear | min’ | 0-650 | 0-650 |
| 2nd gear | mire’ | 0-1450 | 0-1450 |
| Spindle thread | 1/2″ (Male) | 1/2″ (Female) | |
| Side handle clamp | mm | 53 (Euronorm) | 53 (Euronorm) |
| Protection class | II | II | |
| Max. water pressure | bar | — | 3 |
| Weight | kg | 5. | 6. |
DRILLING CAPACITIES
| Drilling range in masonry | |||
| 1st gear | |||
| Handheld Stationery | mm mm | 91–100 91–152 | 91–100 91–152 |
| max. allowable length: | |||
| Handheld Stationary | mm mm | 150 350 | 150 350 |
| 2nd gear | |||
| Handheld Stationary | mm mm | 10–82 10–82 | 10–82 10–82 |
| max. allowable length: | |||
| Handheld Stationary | mm mm | 150 350 | 150 350 |
| Drilling range in concrete | |||
| 1st gear | |||
| Handheld Stationary | mm mm | – – | – 70–132 |
| max. allowable length: | |||
| Handheld Stationary | mm mm | – – | 350 350 |
| 2nd gear | |||
| Handheld Stationary | mm mm | – – | 10–40 10–70 |
| max. allowable length: | |||
| Handheld Stationary | mm mm | – – | 350 350 |
| D21580 | D21582 | |
| Handheld | ||
| Noise values and vibration values (triax vector sum) according to EN60745-2-1: | ||
| LIDA (emission sound pressure level) dB(A) | 90 | 90 |
| LWA (sound power level) dB(A) | 101 | 101 |
| K (uncertainty for the given sound level) dB(A) | 2.9 | 2.9 |
| Vibration emission value ah =m/s2 Uncertainty K = m/s2 | 4.3 2.0 | 4.3 2.0 |
The vibration emission level given in this information sheet has been measured in accordance with a standardized test given in EN60745 and may be used to compare one tool with another. It may be used for a preliminary assessment of exposure.
WARNING: The declared vibration emission level represents the main applications of the tool. However, if the tool is used for different applications, with different accessories, or poorly maintained, the vibration emission may differ. This may significantly increase the exposure level over the total working period. An estimation of the level of exposure to vibration should also take into account the times when the tool is switched off or when it is running but not actually doing the job. This may significantly reduce the exposure level over the total working period.
WARNING: Identify additional safety measures to protect the operator from the effects of vibration such as: maintaining the tool and the accessories, keeping the hands warm, and organization of work patterns.
Fuses:
| Europe | 230 V tools | 10 Amperes, mains |
| U.K. & Ireland | 230 V tools | 13 Amperes, in plugs |
NOTE: This device is intended for the connection to a power supply system with a maximum permissible system impedance Zmax of 0.25Ω at the interface point (power service box) of the user’s supply.
The user has to ensure that this device is connected only to a power system that fulfills the requirement above. If necessary, the user can ask the public power supply company for the system impedance at the interface point.
Definitions: Safety Guidelines
The definitions below describe the level of severity for each signal word. Please read the manual and pay attention to these symbols.
DANGER: Indicates an imminently hazardous situation which, if not avoided, will result in death or serious injury.
WARNING: Indicates a potentially hazardous situation that, if not avoided, could result in death or serious injury.
CAUTION: Indicates a potentially hazardous situation which, if not avoided, may result in minor or moderate injury.
NOTICE: Indicates a practice not related to personal injury which, if not avoided, may result in property damage.
Denotes risk of electric shock.
Denotes risk of fire.
EC-Declaration of Conformity
MACHINERY DIRECTIVE![]()
DIAMOND DRILLING MACHINE
D21580, D21582
DEWALT declares that these products described under Technical Data are in compliance with:
2006/42/EC, EN60745-1:2009+A11:2010, EN60745-2-1:2010.
These products also comply with Directive
2004/108/EC (until 19.04.2016), 2014/30/EU (from 20.04.2016), and 2011/65/EU. For more information, please contact DEWALT at the following address or refer to the back of the manual.
The undersigned is responsible for the compilation of the technical file and makes this declaration on behalf of DEWALT.

Markus Rompel
Director Engineering
DEWALT, Richard-Klinger-Straße 11,
D-65510, Idstein, Germany
22.02.2016
General Power Tool Safety Warnings
WARNING! Read all safety warnings and instructions Failure to follow the warnings and instructions may result in electric shock, fire and/or serious injury.
SAVE ALL WARNINGS AND INSTRUCTIONS FOR FUTURE REFERENCE
The term “power tool” in the warnings refers to your mains-operated (corded) power tool or battery-operated (cordless) power tool.
1) WORK AREA SAFETY
a) Keep the work area clean and well-lit.
Cluttered or dark areas invite accidents.
b) Do not operate power tools in explosive atmospheres, such as in the presence of flammable liquids, gases, or dust. Power tools create sparks that may ignite dust or fumes.
c) Keep children and bystanders away while operating a power tool. Distractions can cause you to lose control.
2) ELECTRICAL SAFETY
a) Power tool plugs must match the outlet.
Never modify the plug in any way. Do not use any adapter plugs with earthed (grounded) power tools. Unmodified plugs and matching outlets will reduce the risk of electric shock.
b) Avoid body contact with earthed or grounded surfaces such as pipes, radiators, ranges, and refrigerators. There is an increased risk of electric shock if your body is earthed or grounded.
c) Do not expose power tools to rain or wet conditions. Water entering a power tool will increase the risk of electric shock.
d) Do not abuse the cord. Never use the cord for carrying, pulling, or unplugging the power tool. Keep the cord away from heat, oil, sharp edges, or moving parts.
Damaged or entangled cords increase the risk of electric shock.
e) When operating a power tool outdoors, use an extension cord suitable for outdoor use. The use of a cord suitable for outdoor use reduces the risk of electric shock.
f) If operating a power tool in a damp location is unavoidable, use a residual current device (RCD) protected supply.
The use of an RCD reduces the risk of electric shock.
3) PERSONAL SAFETY
a) Stay alert, watch what you are doing, and use common sense when operating a power tool. Do not use a power tool while you are tired or under the influence of drugs, alcohol or medication. A moment of inattention while operating power tools may result in serious personal injury.
b) Use personal protective equipment.
Always wear eye protection. Protective equipment such as dust masks, non-skid safety shoes, hard hats, or hearing protection used for appropriate conditions will reduce personal injuries.
c) Prevent unintentional starting. Ensure the switch is in the off position before connecting to a power source and/or battery pack, picking up, or carrying the tool. Carrying power tools with your finger on the switch or energizing power tools that have the switch on invites accidents.
d) Remove any adjusting key or wrench before turning the power tool on. A wrench or a key left attached to a rotating part of the power tool may result in personal injury.
e) Do not overreach. Keep proper footing and balance at all times. This enables better control of the power tool in unexpected situations.
f) Dress properly. Do not wear loose clothing or jewelry. Keep your hair, clothing, and gloves away from moving parts. Loose clothes, jewelry, or long hair can be caught in moving parts.
g) If devices are provided for the connection of dust extraction and collection facilities, ensure these are connected and properly used. The use of dust collection can reduce dust-related hazards.
4) POWER TOOL USE AND CARE
a) Do not force the power tool. Use the correct power tool for your application.
The correct power tool will do the job better and safer at the rate for which it was designed.
b) Do not use the power tool if the switch does not turn it on and off. Any power tool that cannot be controlled with the switch is dangerous and must be repaired.
c) Disconnect the plug from the power source and/or the battery pack from the power tool before making any adjustments, changing accessories, or storing power tools. Such preventive safety measures reduce the risk of starting the power tool accidentally.
d) Store idle power tools out of the reach of children and do not allow persons unfamiliar with the power tool or these instructions to operate the power tool. Power tools are dangerous in the hands of untrained users.
e) Maintain power tools. Check for misalignment or binding of moving parts, breakage of parts, and any other condition that may affect the power tool’s operation.
If damaged, have the power tool repaired before use. Many accidents are caused by poorly maintained power tools.
f) Keep cutting tools sharp and clean.
Properly maintained cutting tools with sharp cutting edges are less likely to bind and are easier to control.
g) Use the power tool, accessories and tool bits, etc., in accordance with these instructions taking into account the working conditions and the work to be performed. Use of the power tool for operations different from those intended could result in a hazardous situation.
5) SERVICE
a) Have your power tool serviced by a qualified repair person using only identical replacement parts. This will ensure that the safety of the power tool is maintained.
Additional Safety Instructions for Drills
- Wear ear protectors. Exposure to noise can cause hearing loss.
- Hold power tools by insulated gripping surfaces when performing an operation where the cutting accessory may contact hidden wiring or its own cord. Cutting accessories contacting a “live” wire may make exposed metal parts of the tool “live” and could give the operator an electric shock.
- Use auxiliary handles supplied with the tool. Loss of control can cause personal injury.
- Wear safety goggles or other eye protection. Drilling operations cause chips to fly. Flying particles can cause permanent eye damage.
- Bits, tools, and drilling area get hot during operation. Wear gloves when touching them.
- Use the diamond drill under constant supervision.
- Make sure not to cut through electric mains, gas, or water pipes. Use detection systems prior to drilling.
- Make sure the cutting accessory is fitted properly.
- Check all screws and tighten them securely before you use the machine.
- When drilling downward, make sure the core can drop safely without injuring someone standing beneath.
- Drilling is only allowed downward, horizontally, and overhead (upward). If performing overhead (upward) drilling, water cooling use is NOT PERMITTED.
- When drilling handheld, always use the side handle and hold the machine firmly with both hands.
- Make sure to stand on a stable surface and keep body balance at all times for better control of reaction torque.
- Inspect the machine before every use. Do not use the machine if there are any defects on the mains plug, power cord, trigger switch, or any part of the housing. Has the machine been repaired by an authorized repair agent?
- Do not use the machine in a damp or wet location.
- Switch off the machine immediately if there is any leak of water.
- After interrupting the cut, do not switch it on until the core bit can rotate freely.
- Always trigger off the switch to prevent the machine from accidentally self-starting.
Note this procedure, especially after the power supply is interrupted or the plug is disconnected from the power outlet. - Mounting the tool onto a stand is recommended to increase user comfort and reduce the risk of injuries.
- Use auxiliary handles supplied with the tool.
- Loss of control can cause personal injury.
- In case of a jammed core, bit disconnect the machine from the power supply, and remove the reason for the jam before turning on the machine again.
DRY DRILLING
- Dry drilling is suitable for masonry (bricks, breeze blocks).
- Always use a suitable dust extractor.
- Always use core bits designed for dry drilling.
- Do not use the machine handheld with core bits larger than 100 mm.
- Always mount the drill on a stand when drilling holes larger than 100 mm.
- Wear a dust mask when performing dry cuts.
D21582 – WET DRILLING
- Wet drilling is suitable for stone and concrete.
- Always use a water cooling device and a water collection system.
- Always use core bits designed for wet drilling.
- Do not use the machine handheld with core bits larger than 40 mm.
- Always mount the drill on a stand when drilling holes larger than 40 mm.
- The maximum water pressure is 3 bar. Use a pressure relief valve in case of higher water pressure.
- Use only pure tap water for cooling purposes.
- Prevent water from entering the motor or other electrical components. Make sure the PRCD is not in contact with water.
Safe Operation for Stationary Stands
- A machine incorrectly assembled may cause a hazardous situation. Carefully fix the machine into the drill stand and check that the drill stand holder is secured.
- Fixing the drill stand with a vacuum device can lead to dangerous situations.
- Check the surface where the drill stand shall be fixed. a surface such as irregular (rough) can significantly reduce the effectiveness of the suction system. The coated or laminated surfaces can be pulled off during work
- The minimum vacuum level shall not be lower than 600bar. Periodically control this value on the pressure gauge.
- Do not use drill core bits with a diameter greater than recommended. Refer to the technical data for recommended drill core bits.
Additional Instructions for Use in Stationary Position
SAFETY PRECAUTIONS
- Hazardous situation due to broken parts.
Always check the core bits before using them.
Never use deformed or damaged drill core bits. - Use of non-recommended cutting tools, which can lead to injuries due to the loss of control. Use only core bits which are designed for this tool and consider the minimum and maximum diameter and length of those core bits.
- Incorrect clamping and positioning of the core bit may lead to dangerous situations by broken and ejected parts of the drill core bit. Ensure that the drill core bit is assembled and adjusted correctly. Tighten the core bit with sufficient fastening torque.
- Always wear suitable protective equipment (PPE) such as:
- Hearing protection, to reduce the risk of induced hearing loss
- Gloves, when handling core bits or rough material, to reduce injuries by sharp edges
- Safety glasses, to prevent injuries from flying particles
- Non-slipping footwear, to prevent injuries caused by slippery surfaces
- Hazardous situation due to dust production when drilling without a water supply. Use a dust extraction device, if any, or at least a dust mask.
Residual Risks
In spite of the application of the relevant safety regulations and the implementation of safety devices, certain residual risks cannot be avoided.
These are:
- Impairment of hearing
- Risk of personal injury due to flying particles.
- Risk of burns due to accessories becoming hot during operation.
- Risk of personal injury due to prolonged use.
The following factors increase the risk of breathing problems: - No dust extractor was connected when performing the dry operation
- Insufficient dust extraction caused by uncleaned exhaust filters
Markings on Tool
The following pictograms are shown on the tool:
| Safe use warning | |
| Read the instruction manual before use. | |
| Wear ear protection. | |
| Wear eye protection. | |
| No water supply | |
| Water supply | |
| Gear selection | |
| Applications in masonry | |
| Applications in concrete | |
| When using the machine in applications exceeding the max. allowable diameter for handheld use, make sure that the machine is mounted on a stand. Never use the machine handheld in these applications, as it will lead to a loss of control and serious injury |
DATE CODE POSITION (FIG. 1)
The Date Code (X) which also includes the year of manufacturing, is stamped into the motor housing.
Example:
2016 XX XX
Year of Manufacture
Package Contents
The package contains:
1 Diamond drilling machine
1 Side handle
1 Open-ended spanner, 22 mm
1 Open-ended spanner, 32 mm
1 Hose with tap (D21582)
1 Kitbox
1 Instruction manual
- Check for damage to the tool, parts or accessories which may have occurred during transport.
- Take the time to thoroughly read and understand this manual prior to operation.
Description (Fig. 1, 2)
WARNING: Never modify the power tool or any part of it. Damage or personal injury could result.
A. Variable speed switch
B. Lock-on button
C. Overload warning indicator LED
D. Spindle
E. Side handle
F. Two-gear selector
G. Water supply fitting (D21582)
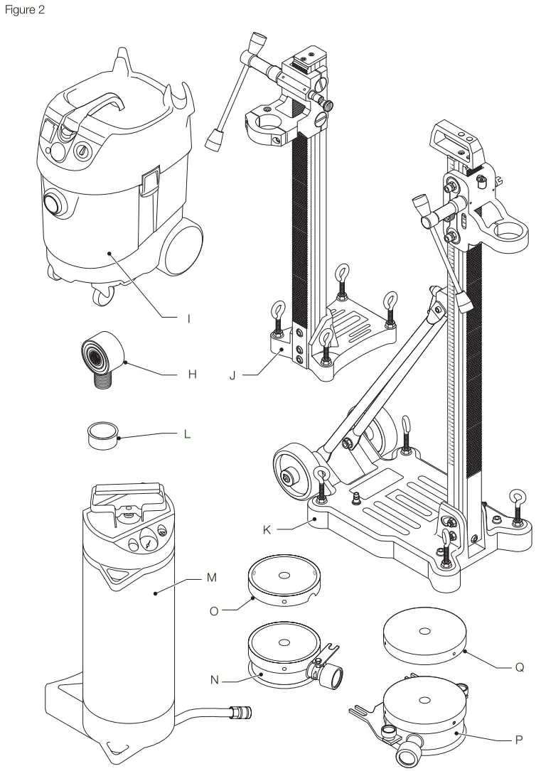
OPTIONAL ACCESSORIES (FIG. 2)
| D21580, D21582 | |
| H. D215804 | Dust extraction device |
| I. D27902 | Dust extractor |
| J. D215821 | Drill stand |
| K. D215831 | Drill stand |
| L. D215834 | Reduction ring 60 to 53 mm collar (for use with D215831) |
| D21582 | |
| M. D215824 | Water pump |
| N. D215822 | Water collection ring (for use with D215821) |
| O. D215823 | Spare seal for water collection ring (3 pcs) (for use with D215822) |
| P. D215832 | Water collection ring (for use with D215831) |
| Q. D215833 | Spare seal for water collection ring (3 pcs) (for use with D215832) |
INTENDED USE
Your D21580, D21582 diamond drilling machine has been designed for dry drilling into masonry materials such as brick, breezeblock, etc. with a dry diamond core bit, up to 92 mm, in conjunction with dust extraction.
Your D21582 diamond drilling machine can also be used for wet drilling into engineered bricks, stone concrete, and reinforced concrete with wet diamond core bits and a water supply.
The machine can be used handheld in applications up to 100 mm for masonry or 40 mm for concrete. When drilling holes larger than 100 mm diameter in masonry or 40 mm diameter in concrete, the machine must be used on a drill stand, e. g. D215821.
DO NOT use under wet conditions or in presence of flammable liquids or gases.
These diamond drills are professional power tools.
DO NOT let children come into contact with the tool. Supervision is required when inexperienced operators use this tool.
- Young children and the infirm. This appliance is not intended for use by young children or infirm persons without supervision.
- This product is not intended for use by persons (including children) suffering from diminished physical, sensory or mental abilities; or lack of experience, knowledge, or skills unless they are supervised by a person responsible for their safety. Children should never be left alone with this product.
Torque Limiting Clutch
This tool is equipped with a torque-limiting clutch that reduces the maximum torque reaction transmitted to the operator in case of jamming of a drill bit. This feature also prevents the gearing and electric motor from stalling. The torque limiting clutch has been factory-set and cannot be adjusted.
Electronic Overload Protection
The electronic overload protection offers additional safety: if the current approach a certain limit, the warning indicator LED (C) lights up to indicate that the machine switches into overload mode if the operation is continued at the same pressure level.
Reduced operator pressure on the machine makes the electronics switch back into normal mode.
If continuous overload pressure is applied, the machine switches off. Thus, overheating of the motor windings is avoided. The machine is operational again after the load has been released.
Thermal Protection
After the machine has worked in overload for a long period of time, the thermal protection shuts off the machine to protect the motor. The machine will be operational after the thermal protection has cooled down. The time of cooling down depends on the overheating of the motor and the ambient temperature.
Water Supply
D21582
The integrated water swivel works directly through the motor shaft to provide continuous cooling of the core bit in wet drilling applications.
Electrical Safety
The electric motor has been designed for one voltage only. Always check that the power supply corresponds to the voltage on the rating plate.
Your DEWALT tool is double insulated in accordance with EN60745; therefore no earth wire is required.
In case of cord or plug replacement, the tool must only be repaired by an authorized service agent or by a qualified electrician.
Mains Plug Replacement
(U.K. & Ireland Only)
If a new mains plug needs to be fitted:
- Safely dispose of the old plug.
- Connect the brown lead to the live terminal in the plug.
- Connect the blue lead to the neutral terminal.
WARNING: No connection is to be made to the earth terminal.
Follow the fitting instructions supplied with good-quality plugs. Recommended fuse: 13 A.
Using an Extension Cable
If an extension cable is required, use an approved 3–core extension cable suitable for the power input of this tool (see technical data). The minimum conductor size is 1.5 mm 2; the maximum length is 30 m. When using a cable reel, always unwind the cable completely.
Fitting a Mains Plug to 115 V Units
(U.K. & Ireland only)
- The plug should be fitted by a competent person. If you are in doubt, contact an authorized DEWALT repair agent or a qualified electrician.
- The plug fitted should comply with BS EN 60309 (BS4343), 16 Amps, earthing contact position 4h.
The wires are colored according to the following code:
live = brown
neutral = blue - Do not connect the blue or brown wire to the earth terminal in the plug. Connect as follows: brown to the terminal marked “L” blue to the terminal marked “N”
WARNING: Always ensure that the cable clamp is correctly and securely fitted to the sheath of the cable.
DI-switch (In-line Protector PRCD)
(Fig. 1)
D21582
The machine is equipped with a portable residual current device (PRCD) (Z), which protects the user against electric shock by interrupting the circuit when a leakage current of 10 mA or greater is detected. For 115 V units, the rated leakage current is 6 mA.
WARNING: Never operate the machine without the PRCD in place. Do not use the machine if the PRCD does not function properly. For the PRCD to work, the machine must be connected to an earthed wall socket.
TO SWITCH ON THE RCD
I = ON (red LED lights up).
Switch on the machine (also refer to the section Switching On and Off).
To switch it off, proceed in reverse order.
TO TEST THE RCD
O = Test button: the switch must break the circuit (machine switches off).
WARNING:
If in the test mode the switch does not break the circuit, we recommend that the unit is inspected by an authorized DEWALT repair agent.- It is not permitted to make any modifications to the machine, in particular, it is not allowed to open the PRCD or to repair or replace the cable.
- Never use the PRCD as the main switch.
Always switch the PRCD under no load conditions.
ASSEMBLY AND ADJUSTMENTS
WARNING: To reduce the risk of injury, turn the unit off and disconnect the machine from the power source before installing and removing accessories, before adjusting or changing setups, or when making repairs. Be sure the trigger switch is in the OFF position. An accidental start-up can cause injury.
Fitting the Side Handle (Fig. 3)
The side handle (E) can be fitted to suit both RH- and LH users.
WARNING: Always use the tool with the side handle properly assembled.
- Twist the side handle to loosen it.
- For RH users, slide the side handle clamp over the collar, the handle at the left.
For LH users, slide the side handle clamp over the collar, the handle at the right. - Rotate the side handle to the desired position and tighten the handle.
Mounting and Removing an
Accessory (Fig. 4)
This tool uses threaded core bits and adaptors which thread directly onto the spindle (D).
We recommend using professional accessories only.
- Choose the appropriate core bit for wet or dry drilling.
- Follow the core bit or manufacturer’s recommendations for mounting the accessory.
You may require an adaptor to fit the bit onto the spindle. - Hold the spindle using the open-ended wrench(R) and tighten the core bit (S) by rotating clockwise using the open-ended wrench (T).
WARNING: Make sure the entire assembly is tight before starting the operation.
Two Gear Selector (Fig. 1)
The tool is fitted with a two-gear selector (F) to vary the speed/torque ratio.
- Release the switch and select the required position after the motor has come to a complete standstill.
- Always align the selector with the marks on the gear housing.
- Refer to the technical data to choose the appropriate gear according to the diameter of the core bit and the material to be drilled.
- Do not change gears at full speed or during use.
Connecting to a Water Supply (Fig. 5)
D21582
These tools have a standard 1/8″ pipe thread for the water supply fitting (G).
- Remove the cap screw (U). Store the cap screw in a safe place.
- Screw the male end of the water hose (V) into the fitting (G) and tighten it firmly.
- Close the water tap (W).
- Connect the water hose to an appropriate water supply system.
WARNING: Make sure that the pressure of the water supply is below the max. pressure as stated in the technical data.
Regulating the Water Flow (Fig. 5)
The water tap (W) on the water hose can be adjusted to regulate the flow of cooling water toward the drill bit.
- To reduce the flow, turn the tap clockwise.
- To increase the flow, turn the tap counterclockwise.
Prior to Operation
- Mount the appropriate accessory.
- Mark the spot where the hole is to be drilled.
OPERATION
Instructions for Use
WARNING: Always observe the safety instructions and applicable regulations.
WARNING: To reduce the risk of serious personal injury, turn the tool off and disconnect the tool from the power source before making any adjustments or removing/installing attachments or accessories.
WARNING:
- Be aware of the location of pipework and wiring.
- Apply only gentle pressure to the tool.
Excessive force does not speed up drilling but decreases tool performance and may shorten tool life. - To reduce the effects of vibration make sure the environment temperature is not too cold, the machine and accessory are well maintained and the workpiece size is suitable for this machine.
Proper Hand Position (Fig. 1, 6)
WARNING: To reduce the risk of serious personal injury, ALWAYS use proper hand position as shown.
WARNING: To reduce the risk of serious personal injury, ALWAYS hold securely in anticipation of a sudden reaction.
Proper hand position requires one hand on the side handle (E), with the other hand on the main handle (Y).
Switching On and Off (Fig. 1)
To run the tool, press the variable speed switch (A).
The pressure exerted on the variable speed switch determines the tool speed.
For continuous operation, press and hold down the switch (A), press the lock-on button (B), and release the switch.
To stop the tool, release the switch.
To stop the tool in continuous operation, press the switch briefly and release it. Always switch off the tool when work is finished and before unplugging it.
General Tips for Drilling with Diamond Core Bits
WARNING: Follow the core bit or manufacturer’s recommendations for using the accessory.
WARNING: When using the machine in handheld applications, we recommend assembling a center drill into the core bit to locate the periphery of the hole to be drilled more accurately. When using the machine in stationary applications, i.e. on a stand, the use of a center drill is not necessary.
- Assemble the center drill into the core bit.
The center drill is mounted into an adaptor fitted between the spindle of the machine and the core bit. - Place the centre drill on the spot and switch on the machine.
- Drill at low speed until the core penetrates the surface approx. 5-10 mm.
- Remove and unplug the machine.
- Remove the center drill from its holder.
- Plug the machine in and insert the core bit into the workpiece.
- Continue drilling, increasing to full speed and drilling to the desired depth.
WARNING: Do not mix or stir inflammable liquids labeled accordingly.
Dry Drilling
- Make sure that the end cap is fitted in the water supply fitting (D21582).
- Connect the machine to an appropriate dust extraction system.
- Proceed as described above.
Wet Drilling
D21582
- Connect the machine to an appropriate water supply system.
- Adjust the water flow as necessary.
- Proceed as described above.
WARNING: DO NOT use wet drilling (water cooling) when performing overhead (upward) drilling.
WARNING: If any water comes out of the drainage hole at the gear neck, stop the work immediately and have the machine repaired by an authorized repair agent.
Drill Stand
D21582K
- Drilling with the stand is only allowed downwards or horizontally.
- The stand must be stationary, either by bolts or a vacuum device.
NOTE: When using bolts for the stationary stand, use either Cat. No.: D212825 for concrete or D215826 for masonry.
MAINTENANCE
Your DEWALT power tool has been designed to operate over a long period of time with a minimum of maintenance. Continuous satisfactory operation depends upon proper tool care and regular cleaning.
WARNING: To reduce the risk of injury, turn the unit off and disconnect the machine from the power source before installing and removing accessories, before adjusting or changing setups, or when making repairs. Be sure the trigger switch is in the OFF position. An accidental start-up can cause injury.
Regularly take the tool to an authorized repair agent for inspection. This includes checking the carbon brushes, topping up oil in the gear case, and replacement of the gearcase sealing ring.
Troubleshooting
If your tool seems not to operate properly, follow the instructions below. If this does not solve the problem, please contact your repair agent.
The core bit does not cut
Material too hard for core bit
- Choose a more appropriate core bit (with softer segments).
- Apply wet drilling when appropriate.
Segments look glazed and polished
• Drill in abrasive material to re-expose diamond segments.
Evacuated water is too clear and too fluid
Water flow slows down the cutting action and prevents the diamond segments from self-sharpen. - Reduce water flow.
Dust accumulating in the core bit
Accumulating dust slows down the drilling speed. - Use the appropriate dust extraction device.
- Disengage the drill bit regularly to evacuate cuttings.
Rotating speed not appropriate - Refer to the technical data for proper speed ratings.
Segments and cores are burnt - Increase water flow.
Segments wear too fast - Choose a more appropriate core bit (with harder segments).
- Reduce the pressure applied on the core bit.

Lubrication
Your power tool requires no additional lubrication.
Dust Extraction (Dry Operation)
WARNING: When performing a dry the cutting operation, connect a dust extraction device designed in accordance with the relevant regulations regarding dust emissions.![]()
Cleaning
WARNING: Blow dirt and dust out of the main housing with dry air as often as dirt is seen collecting in and around the air vents. Wear approved eye protection and an approved dust mask when performing this procedure.
WARNING: Never use solvents or other harsh chemicals for cleaning the non-metallic parts of the tool. These chemicals may weaken the materials used in these parts. Use a cloth dampened only with water and mild soap. Never let any liquid get inside the tool; never immerse any part of the tool in a liquid.
Optional Accessories
WARNING: Since accessories, other than those offered by DEWALT, have not been tested with this product, the use of such accessories with this tool could be hazardous. To reduce the risk of injury, only DEWALT, recommended accessories should be used with this product.
Consult your dealer for further information on the appropriate accessories.
DUST EXTRACTION SYSTEM (FIG. 6)
The D27902 dust extractor (I) ensures a proper and safe discharge of dust in all drilling applications.
The D215804 dust extraction device (H) is required to accommodate the assembly for dry drilling applications.
WATER PUMP (FIG. 7)
Removing debris from the working area and cooling the core bit in wet applications, the D215824 water pump (M) ensures water supply where the main water supply is not available.
DRILL STAND (FIG. 2, 7)
The D215831 drill stand (K) allows your diamond drill to be used in stationary applications for increased accuracy, comfort, and stability. The D215834 reduction ring is required to make the collar of the drill fit in the drill holder.
WARNING: DO NOT use the stand with a vacuum pump on a wall or ceiling.
Alternatively: The D215821 drill stand (J) enables a quick set-up for the stationary use of your diamond drill.
The D215822/D215832 water collection ring (14/16) is required to accommodate the assembly of wet drilling applications.
Protecting the Environment
Separate collection. Products and batteries marked with this symbol must not be disposed of with normal household waste.
Products and batteries contain materials that can be recovered or recycled reducing the demand for raw materials. Please recycle electrical products and batteries according to local provisions. Further information is available at www.2helpU.com.
United
Kingdom
DEWALT
, 210 Bath Road;
Slough, Berks SL1 3YD
Tel: 01753-567055
Fax: 01753-572112
www.dewalt.co.uk
[email protected]
References
2helpU
2helpU.com.com
DEWALT® Power Tools Official Site | Guaranteed Tough® | Middle East
Elektrowerkzeuge – Industrielle Maschinen – Professionelle Werkzeuge von DEWALT
Elektrisch gereedschap | Opbergsystemen | Landscaping | DEWALT
Elektrowerkzeuge – Industrielle Maschinen – Professionelle Werkzeuge von DEWALT
Power Tools | Storage | Landscaping | DEWALT
Power Tools | Storage | Landscaping | DEWALT
Power Tools | Storage | Landscaping | DEWALT
DEWALT® | Sağlamlığın Garantisi® | Elektrikli El Aletleri, Aksesuarları, Lazer Ölçüm Cihazları
Elektrowerkzeuge | Aufbewahrung | Landschaftsbau | DEWALT Deutschland
Elværktøj | Opbevaring | Landskabspleje | DEWALT Denmark
Herramientas Eléctricas | Almacenamiento | Jardinería | DEWALT España
Sähkötyökalut | Säilytys | Maisemointi | DEWALT SUOMI
Outils électroportatifs | Rangement | Jardin | DEWALT
DEWALT Ηλεκτρικά Εργαλεία και Αξεσουάρ
Power Tools | Storage | Landscaping | DEWALT
Elettroutensili | Storage | Giardinaggio | DEWALT Italia
Elektrisch gereedschap | Opbergsystemen | Landscaping | DEWALT
Elektroverktøy | Oppbevaring | Landskapspleie | DEWALT Norge
Ferramentas Elétricas | Armazenamento | Paisagismo | DEWALT PORTUGAL
Elverktyg | Förvaring | Trädgårdsmaskiner | DEWALT Sverige






















