DS18 EQX7PRO Pro-Audio Equalizer with 7 Volt-Output LED Indicator

FEATURES
The EQX7PRO is a 7-band stereo equalizer / crossover specifically created for the mobile environment.
The EQX7PRO provides powerful features in a compact size:
- Seven volts output LED indicator on each Band and output.
- Seven equalization bands(50Hz, 125Hz, 320Hz, 750Hz, 2.2KHz, 6KHz, and 16KHz), each frequency adjustable from -12 to + 12dB (-15 to + 15dB for subwoofer frequencies).
- Subwoofer output uses a built-in 18dB per octave electronic crossover fixed at 60Hz or 120Hz.
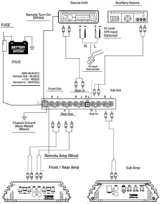
- Three stereo RCA outputs to drive front, rear, and subwoofer audio amplifiers.
- An Auxiliary stereo RCA input for use with portable devices, such as a MP3 player or a DVD player.
- Separate controls for master volume, subwoofer volume (sub level), front/rear fader, and selection of main or auxiliary inputs.
- Extended frequency response from 20Hz to 30KHz with exceptional 100 dB signal-to-noise performance.
- Gold-plated RCA connectors to ensure the best audio signal output.
- Speaker Hi-Level Converter, use this in case the radio doesn’t have low level RCA output.
- Auto Turn ON, when the Hi-Level Input is connected to the Speaker output from the source (Factory Radio), the EQX7PRO can be turn on when the Radio is turned on.
- ISO mounting holes.
WHAT IS INCLUDED IN THE BOX
In addition to this manual, the box contains:
- 7-band graphic equalizer
- 2 mounting brackets
- 8 Phillips-head screws
- Hi-Level Input Connector
- Power Connector
BEFORE STARTING
Mounting precautions
This EQX7PRO can be mounted next to the source unit or under the dash using the mounting brackets. The front panel controls should be easily accessible from the driver’s seat.
In addition:
- This unit requires additional mobile audio components for proper operation.
- Always use great care when attaching anything to a vehicle! Check clearances in front of, behind, and on both sides of the planned installation before drilling any holes or installing any screws.
WARNING!
CHANGES OR MODIFICATIONS TO THIS PRODUCT THAT ARE NOT APPROVED BY THE MANUFACTURER WILL VOID THE WARRANTY AND WILL VIOLATE FCC APPROVAL.
PRECAUTIONS
- Do not operate this product in ways other than those described in this manual.
- Do not disassemble or modify this unit.
- Do not pour liquid or poke foreign objects into the unit. Water and humidity may damage internal circuitry.
- If the unit becomes wet, turn off all power and ask your authorized dealer to clean or service the unit.
Failure to observe these precautions may damage your car, the monitor, or the video source, and may void the warranty.
INSTALLATION
Installation of mobile audio and video components requires experience with a variety of mechanical and electrical procedures. Although this manual provides general installation and operation instructions, it does not show the exact installation methods for your particular vehicle.
If you do not have the required knowledge and experience to successfully complete the installation, consult an authorized dealer about professional installation option
- This unit is exclusively for vehicles with a negative ground, 12V battery system.
- A good chassis ground connection is critical to minimize resistance and avoid noise problems. Use the shortest wire possible and securely connect it to the car chassis and the source unit ground.
- When routing RCA cables, keep the cables away from the power cables and output speaker wires.
- If you are using a source unit without a remote turn-on lead, the EQX7PRO can be turned on with a switched accessory lead. This accessory power source is located in the factory harness at the back of the radio. This lead turns on and off with the ignition key.
- Do not open the case. There are no user-serviceable parts inside. If you require assistance, consult your dealer or an authorized service center.
TOOLS AND ADDITIONAL COMPONENTS
YOU WILL NEED:
- A Phillips-head screwdriver when mounting the unit in the vehicle.
- A small flat-head screwdriver to adjust the AUX gain controls if you connect an MP3 player or video source.
- High-quality RCA input and output cables.
Extra cable can cause signal loss and act as an antenna for noise. Use only high quality RCA cables that are no longer than necessary to make a direct connection with the source unit and amplifiers.
MOUNTING DIAGRAM

CONTROLS
FRONT PANEL CONTROLS

REAR PANEL CONECTIONS


BLUE ON
RED MAXIMIZED OUTPUT
- The Sub level and Volume will have separated LED to show BLUE/RED (Maximized)
- The Aux and Fader have no clipping, so they will be always blue
- The EQ will have separated LED to show BLUE/RED (Maximized)
- The BLUE light is on when power on, when each frequency output reaches about 7V, RED light will light up (Maximized). So when you play music, it will constant flashing the RED maximized light like spectrum analyzer.
WIRING DIAGRAM

WARNING
TO PREVENT SHORT CIRCUITS DURING INSTALLATION, ALWAYS DISCONNECT THE VEHICLE’S NEGATIVE(-) BATTERY LEAD BEFORE MAKING ANY CONNECTIONS.
OPERATIONS
OPERACIONES SETTING SYSTEM VOLUME
- Turn the master volume and subwoofer level controls to their minimum settings.
- Turn the source unit on and increase the volume until you hear distortion.
- Reduce the volume to just below the distortion point (approximately 80% of full volume).
This is the maximum usable musical signal for the source unit. Turning the volume beyond this point increases noise and distortion without increasing the musical signal.
NOTE
Once you set the source unit volume, do not change it. Always use the volume control on the EQX7PRO as the master (main) volume control. The EQX7PRO has better electronics, a higher sound to noise ratio, and is more linear than the volume settings on any source unit available.
ADJUSTING THE CONTROLS
EQX7PRO has seven frequency ranges:
You can adjust the center of each frequency band to fine tune the acoustical response to your vehicle’s interior.
- Set all frequencies to the center position. The small dot on the control knob should be set at 12 o’clock.
- Play your favorite music track and adjust the individual controls to suit your taste. Avoid extreme settings, which can distort musical peaks.
- Increase or decrease the equalizer gain controls to suit your taste.
- If your system includes a subwoofer, slowly increase the subwoofer level until you hear a solid bass.
- If your system includes rear speakers, adjust the fader control to add rear sound. Set it so most of the music comes from the front and only fills the rear.
SETTING THE LOW-PASS FREQUENCY
Set the low pass frequency switch on the top of the Equalizer to either 60Hz or 120Hz depending on the subwoofer and subwoofer amplifier requirements.
CONNECTING AN AUDIO SOURCE TO AUXILIARY INPUT
- Plug any audio source into the auxiliary RCA input on the back of the EQX7PRO unit.
- Make sure the auxiliary button on the front of the unit is out, ready to receive input from the main RCA input (not the auxiliary RCA input).
- Turn the master volume to a normal listening level.
- Press the play button on the auxiliary source.
- Push in the AUX button to change to the auxiliary source.
- Using a small flathead screwdriver, adjust the AUX gain controls located on the top of the unit so that the volume of the auxiliary source matches the volume of the main source.
AUTO TURN ON FUNCTION
Only used in high input mode, the remote input from the radio is not connected to REM, when the input of L / R is connected to the high output from the source (Factory Radio), the EQX7PRO can be turn on when the Radio is turned on.
REM OUT
DC 12V Remote output function
CARE AND MAINTENANCE
CLEANING THE CABINET
Use a soft, dry cloth to gently wipe dust and dirt from the unit.
Do not use benzene, thinner, car cleaner, or ‘ether cleaners. These substances may damage the unit or cause the paint to peel.
SERVICING THE EQUALIZER / CROSSOVER UNIT
In the event that trouble arises, never open the case or disassemble the unit. The internal parts are not serviceable by the user. Opening any components will void the warranty.
SPECIFICATIONS
EQUALIZER SECTION
- Type of Equalizer ……………………………………………………………………. Graphic
- Number of bands ……………………………………………………………………………………………..7
- Frequency Point ………………………………………Hz : 50, 125, 320, 750, 2.2k, 6k, 16k
- Boost/CutCortar……………12dB (15dB Subwoofer Frequency
CROSSOVER SECTION:
- Passive Crossover Ways / Type …………………………………….1 (LPF) (Subwoofer Ch
- Frequency Crossover point a……….60/120Hz Selectable
- Cut-Off Slope …………………………………………………………………………………………….. 12dB/Oct
AUDIO SPECIFICATIONS:
- S/N Ratio ………………………………………………………………………………………………………….100dB
- THD ……………………………………………………………………………………………… 0.005%
- Input Sensitivity……………………………………………………………………………50mV-3V
- Input Impedance…………………………………………………………………………….20Kohm
- Output Voltage e…………………………………………………………………………………………………..8V
- Output Impedance ……………………………………………………………………………… 2Kohm
- Head Room ………………………………………………………………………………………….. 20dB
- Stereo Separation ………………………………………………………………………. 82dB @ 1Khz
- Frequency Response …………………………………………………………… 10Hz-30Khz
FEATURES
- Operating Voltage : ……………………………………………………………………. 11-15V
- Subwoofer Output : ……………………………………………………………………………Yes
- Audio Controls : ………………………………………Subwoofer Level, Master Volume, Fader
- Audio Inputs : ……………………………………………………………… Main (RCA) , Auxiliar (RCA)
- RCA Type ……………………………………………………………………..Gold-plated
- Housing Material ……………………………….Metal / Aluminum
- Adjustments …………………………………………………Aux Input Gain
EXTRA FEATURES
- Knobs :…………………………………………………………………Blue Backlit with Red 7V output indicator
- Hi-Level Speaker Input ……………………………………………………….Yes
- Auto Turn-on …………………………Yes (Hi-Level input)
- Remote Turn-on Input ……………………………………….Yes Input and Output
- Entrada:
MEASUREMENTS
- Overall Length ……………………………………………………………………………………….. 7″ / 178mm
- Overall Depth……………………………………………………………………………………4.4″ / 112mm
- Overall Height ………………………………………………………………………………………….1.18″ / 30mm
NOTE
The technical data and the design of the equipment may change without prior notice for the sake of technical improvements.
TROUBLESHOOTING
THE UNIT DOES NOT WORK; NO LIGHTS
The power wires may not be connected. Check the power and ground wiring, then retest.
SOUND IS DISTORTED
- The source unit volume may be set too high. Reduce the source unit volume.
- Equalizer gain controls are set too high. Turn the equalizer controls to the center position and listen for distortion again. If the problem still occurs, see your authorized dealer.
- Speakers may be damaged. Consult your authorized dealer.
NO SOUND COMING FROM THE UNIT
- The wrong input is selected. Press the AUX switch to turn the main inputs on.
- No remote-on. Using a voltmeter, check for + 12V from the remote-on source.
WARRANTY
Please visit our website DS18.com for more information on our warranty policy.
We reserve the right to change products and specifications at any time without notice. Images may or may not included optional equipment.
WARNING: Cancer and Reproductive Harm. www.P65Warning.ca.gov
GLOSSARY
- Crossover: A device that limits the range of frequencies sent to a speaker or amplifier.
- Equalization: The process of boosting or cutting sound signal frequencies to improve the quality of the sound. The term comes from the filters used to add back high frequencies at the receiving end of analog transmissions over wires.
- Equalization band: The frequency range impacted by a specific filter.
- dB: Decibel, a measurement of the relative difference in power or intensity between two acoustic signals
- Gain control: Gain is the amount of amplification (voltage, current or power) of an audio signal expressed in dB
- Graphic equalizer: A multi-band variable equalizer that uses mechanical controls to adjust amplitude.
- Hz: Abbreviation for Hertz, a unit of frequency equal to one cycle per second.
- Octave: The musical principle of dividing sound frequencies into the eight notes of the musical scale.
- OEM: Original Equipment Manufacturer
- RCA input/output: Port through which sound travels in and out of the system; “RCA” refers to the type of connector, which was originally manufactured by Radio Corporation of America.
- Slope: How fast the sound changes rated in dBs. The higher the dB number, the faster the frequency drops off.
PLEASE VISITFOR MORE INFORMATION DS18.COMPLEASE VISIT
DS18.COM
We LIKE IT LOUD



















