Nakamichi EQ-Z1825 7 Band Audio Equalizer
YOUR SPEAKER
Dear Customer, Congratulations on purchasing our Nakamichi mobile system product for your sound system. This product has been designed and manufactured to Nakamichi’s exacting standards to ensure many years of audio enjoyment. For the best performance, we recommend that you have your Nakamichi product installed by an authorized Nakamichi dealer. If you would like to install this product on your own, we recommend for you to go through this manual to familiarize yourself with all the installation requirements and procedures. If you encounter any issues or if you have any questions on the operation of this prod-uct, please contact your nearest authorized Nakamichi dealer for assistance, or you may also contact us through our website or social media channels.
Installation of Your Product In today’s modern vehicles, it is very easy to cause damage to existing systems through improper installation. Please follow and scrutinize all wiring diagrams to ensure that you have connected everything in its proper place. If you find yourself uncomfortable of unfamiliar with understanding the wiring and installation diagrams or testing instructions, do contact your nearest Nakamichi dealer to perform the installation for you.
SPECIFICATIONS

DIMENSIONS
PANEL CONTROLS AND FEATURES
PRECAUTIONS
- Do not operate this product in ways other than those described in this manual.
- Do not disassemble or modify this unit.
- Do not pour liquid or poke foreign objects into the unit. Water and humidity may damage the internal circuitry.
- If the unit becomes wet, turn off all power and ask your authorized dealer to clean or service the unit.
- Failure to observe these precautions may damage your car, the monitor, or the video source, and may void the warranty.
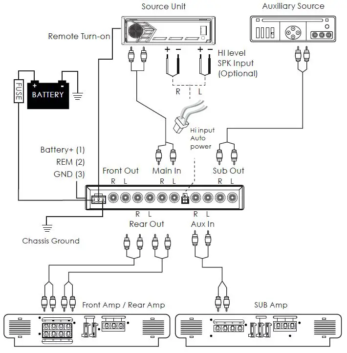
INSTALLATION AND WIRING
Installation of mobile audio and video components requires experience with a variety of mechanical and electrical procedures. Although this manual provides general installation and operation instructions, it does not show the exact installation methods for your particular vehicle. If you do not have the required knowledge and experience to successfully complete the installation, consult an authorized dealer about professional installation options.
Read these instructions and the following precautions carefully!
- EQ can be mounted next to the source unit or under the dash using the mounting brackets. The front panel controls should be easily accessible from the driver’s seat.
- This unit requires additional mobile audio components for proper operation.
- Always use great care when attaching anything to a vehicle! Check clearances in front of, behind, and on both sides of the planned installation before drilling any holes or installing any screws. wiring precautions Disconnect the ground(-) terminal on the vehicle’s battery.
- To prevent short circuits during installation, always disconnect the vehicle’s nega-tive(-) battery lead before making any connections.
- This unit is exclusively for vehicles with a negative ground, 12V battery system.
- A good chassis ground connection is critical to minimize resistance and avoid noise problems. Use the shortest wire possible and securely connect it to the car chassis and the source unit ground.
- When routing RCA cables, keep the cables away from the power cables and output speaker wires.
- If you are using a source unit without a remote turn-on lead, the EQ can be turned on with a switched accessory lead, This accessory power source is located in the factory harness at the back of the radio. This lead turns on and off with the ignition key.
- Do not open the case. There are no user-serviceable parts inside. If you require assistance, consult your dealer or authorized service center.
INSTALLATION AND WIRING
TROUBLESHOOTING
THE UNIT DOES NOT WORK; NO LIGHTS
- The power wires may not be connected. Check the power and ground wiring, then retest.
- SOUND IS DISTORTED
- The soutce unit volume may be set too high. Reduce the source unit volume.
- Equalizer gain controls are set too high. Turn the equalizer controls to the center position and listen for distortion again. If the problem still occurs, see your authorized dealer.
- Speakers may be damaged. Consult your authorized dealer.
- NO SOUND COMING FROM THE UNIT
- The wrong input is selected. Press the AUX switch to turn the main inputs on.
- No remote-on. Using a voltmeter, check for +12V from the remote-on source.
OPERATIONS
SETTING SYSTEM VOLUME
- Turn the master volume and subwoofer level controls to their minimum settings. Turn the source unit on and increase the volume until you hear distortion.
- Reduce the volume to just below the distortion point (approximately 80% of full volume). This is the maximum usable musical signal for the source unit. Turning the volume beyond this point increases noise and distortion without increasing the musical signal.
- Note Once you set the source unit volume ,do not change it. Always use the volume control on the EQ as the master (main) volume control. The EQ has better electronics, a higher sound to noise ratio, and is more linear than the volume settings on any source unit available.
ADJUSTING THE CONTROLS
- provides a graphic adjustment band for each of seven frequency ranges: sub,bass, mid bass, mid, mid high,high and super high frequency. You can adjust the center of each frequency band to fine tune the acoustical response to your vehicle’s interior.
- Set all frequencies to the center position. The small dot on the control knob should be set at 12 o’clock.
- Play your favorite music track and adjust the individual control to suit your taste. Avoid extreme settings, which can distort musical peaks.
- Increase or decrease the equalizer gain controls to suit your taste.
- If your system includes a subwoofer, slowly increase the subwoofer level until you hear a solid bass.
- If your system includes rear speakers, adjust the fader control to add rear sound.
SETTING THE LOW-PASS FREQUENCY Set the low pass frequency switch on the top of the EQ to either 60Hz or 90Hz depending on the subwoofer and subwoofer amplifier requirements.
CONNECTING AN MP3 PLAYER OR VIDEO UNIT
- Plug the Mp3 player or video unit into the auxiliary RCA input on the back of the EQ unit
- Make sure the auxiliary button on the front of the unit is out, ready to receive input from the main RCA input (not the auxiliary RCA input).
- Turn the EQ master volume to a normal listening level.
- Press the play button on the auxiliary source.
- Push in the AUX button to change to the auxiliary source.
- Using a small flathead screwdriver, adjust the AUX gain controls located on the top of the unit so that the volume of the auxiliary source matches the volume of the main source.
CARE AND MAINTENANCE
- Cleaning the cabinet Use a soft, dry cloth to gently wipe dust and dirt from the unit. Do not use benzene, thinner, car cleaner, or other cleaners. These substances may damage the unit or cause the paint to peel.
- Servicing the equalizer/ crossover unit In the event that trouble arises, never open the case or disassemble the unit. The internal parts are not serviceable by the user. Opening any components will void the warranty.
- CAUTION! Changes or modifications to this product that are not approved by the manufacturer will void the warranty.

























