INSPIRE M186BG Bottle Trap
INSTALLATION INSTRUCTION
- This product must be installed by licensed plumber. Unlicensed installation will void warranty.
- Ensure all o-rings are luricated with silicone based lubricant.
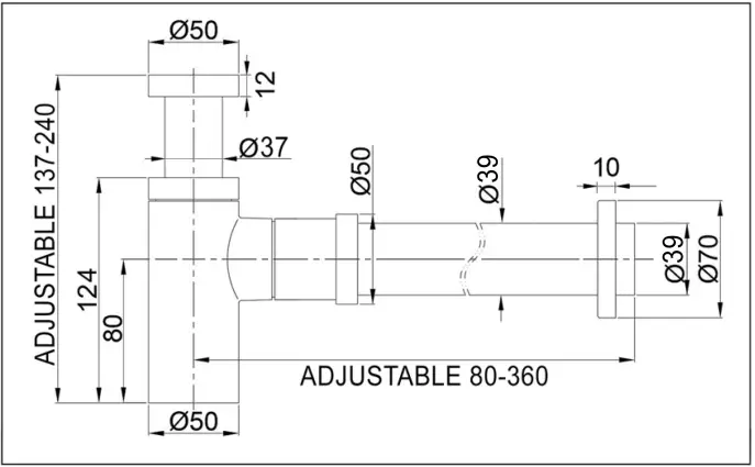
- Fit Bottle Trap to appropriate 40mm Waste.
- Adjust bottle trap height to in-wall outlet pipe and ensure there is a adequate fall in the outlet pipe when installed.
- Measure and trim outlet pipe, ensuring there is adequate allowance for pipe and rubber seal to fit into connector.
- Firmly tighten all joints. Do not over-tighten, Test for leaks.




















