Winsen ZE40A-TVOC Electrochemical TVOC Detection Module User Manual
Statement
This manual copyright belongs to Zhengzhou Winsen Electronics Technology Co., LTD. Without thewritten permission, any part of this manual shall not be copied, translated, stored in databaseorretrieval system, also can’t spread through electronic, copying, record ways.
Thanks for purchasing our product. In order to let customers use it better and reduce thefaultscaused by misuse, please read the manual carefully and operate it correctly in accordancewiththeinstructions. If users disobey the terms or remove, disassemble, change the components insideofthe sensor, we shall not be responsible for the loss.
The specific such as color, appearance, sizes …etc., please in kind prevail. We are devoting ourselves to products development and technical innovation, so we reservetheright to improve the products without notice. Please confirm it is the valid version beforeusingthismanual. At the same time, users’ comments on optimized using way are welcome.
Please keep the manual properly, in order to get help if you have questions during the usageinthefuture.
Electrochemical TVOC Detection Module ZE40B-TVOC

Profile
The ZE40B-TVOC electrochemical alcohol module is a general-purpose, miniaturized module. The electrochemical principle is used to detect the presence of TVOC in the air, which has good selectivity and stability. Builtin temperature sensor for temperature compensation; digital output and analog voltage output for easy use. ZE40A-TVOC is a universal gas module designed and manufactured by combining proven electrochemical detection technology with sophisticated circuit design. Features
High sensitivity, high resolution, low power consumption, long lifespan UART and analog voltage output
Good stability and excellent anti-interference, temperature compensation, good linearity.
Main Application
Portable meters, air quality monitoring equipment, air purifiers, fresh air ventilation systems, air conditioners, smart home equipment and other places.
Technical Parameters
table1.
| Model No. | ZE40B-TVOC |
| Testing Gas | alcohol |
| Interference gases | CO &etc gas |
| Output Data | UART Output (3V electrical level) |
| Working Voltage | 3.7~5.5V |
| Preheating time | ≤3 min |
| Response time | ≤60 sec |
| Recovery time | ≤60 sec |
| Detection Range | 0~2 ppm |
| Resolution | ≤0.01ppm |
| Operating Environment | Temp.: -20~50℃ |
| Humidity.: 15%-90%RH(no condensation) | |
| Storage Temp. | 0~25℃ |
| Working Life | 2 years (in air) |


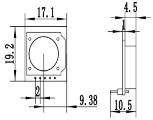
Fig1. Structure(tolerance ±0.2mm)
Pin Description
table2.
| PIN1 | Vin(Power input 3.7V~5.5V) |
| PIN2 | UART(TXD) 0~3V data output |
| PIN3 | UART(RXD) 0~3V data input |
| PIN4 | GND |
| PIN5 | Reserved |

Fig2. Pins construction
Communication Protocol
General Settings
Table 3
| Baud Rate | 9600 |
| Data Byte | 8 bytes |
| Stop Byte | 1 byte |
| Check Byte | Null |
Communication Commands
There are two kinds of communication mode: initiative upload mode and question & answer (Q&A) mode. We take initiative upload mode as the default settings.and it sends gas concentration every other one second.
If users want to switch back to initiative upload mode under Q&A mode, send the following command:Table4
| Byte 0 | Byte 1 | Byte 2 | Byte 3 | Byte 4 | Byte 5 | Byte6 | Byte 7 | Byte 8 |
| Start Byte | Reserve | Switch command | Initiative upload mode | Reserve | Reserve | Reserve | Reserve | Check sum |
| 0xFF | 0x01 | 0x78 | 0x40 | 0x00 | 0x00 | 0x00 | 0x00 | 0x47 |
(Q &A mode to initiative upload mode)
The module sends the gas concentration value every 1s under initiative upload mode: Table 5
| Byte 0 | Byte 1 | Byte 2 | Byte 3 | Byte 4 | Byte 5 | Byte6 | Byte 7 | Byte 8 |
| Start Byte | Gas Type (TVOC) | Unit (ug/m3) | No. of decimal | Concentration (High Byte)ug/m3 | Concentration (Low Byte)ug/m3 | Full Range (High Byte) | Full Range (Low Byte) | Check sum |
| 0xFF | 0x34 | 0x14 | 0x00 | 0x00 | 0x25 | 0x09 | 0xC4 | 0xC6 |
Gas concentration value ppb = High Byte*256+Low Byte, mg/m3=(ug/m3)/1000
Please note that in the above calculation formula, the byte4 and byte5 means the decimalismvalue changedfrom hexadecimal.
Switch to the question & answer (Q&A) mode, please send the following command to close the initiativeuploadmode first : Table 6
| Byte 0 | Byte 1 | Byte 2 | Byte 3 | Byte 4 | Byte 5 | Byte6 | Byte 7 | Byte 8 |
| Start Byte | Reserve | Switch command | Q&A mode | Reserve | Reserve | Reserve | Reserve | Check sum |
| 0xFF | 0x01 | 0x78 | 0x41 | 0x00 | 0x00 | 0x00 | 0x00 | 0x46 |
(command to close initiative upload mode )
To read concentration in Q&A mode, the command line format is as follows: Table 7
| Byte 0 | Byte 1 | Byte 2 | Byte 3 | Byte 4 | Byte 5 | Byte6 | Byte 7 | Byte 8 |
| Start Byte | Reserve | Command | Reserve | Reserve | Reserve | Reserve | Reserve | Check sum |
| 0xFF | 0x01 | 0x86 | 0x00 | 0x00 | 0x00 | 0x00 | 0x00 | 0x79 |
Return the concentration as follow: Table 8
| Byte 0 | Byte 1 | Byte 2 | Byte 3 | Byte 4 | Byte 5 | Byte6 | Byte 7 | Byte 8 |
| Start Byte | Command | Reserve | Reserve | Reserve | Reserve | Concentration (High Byte)ppb | Concentration (Low Byte)ppb | Check sum |
| 0xFF | 0x86 | 0x00 | 0x28 | 0x00 | 0x00 | 0x00 | 0x20 | 0x32 |
Gas concentration value = High Byte*256+Low Byte
Please note that in the above calculation formula, the High byte and Low byte means the decimalismvaluechanged from hexadecimal.
Checksum and calculation
unsigned char FucCheckSum(unsigned char *i,unsigned char ln)
{
unsigned char j,tempq=0;
i+=1;
for(j=0;j<(ln-2);j++)
{
tempq+=*i;
i++;
}
tempq=(~tempq)+1;
Cross interference gas
| Gas Concentration/ppm | Equal to C2H5OH |
| C6H6 10 | 0.1 |
| C7H8 10 | 0.46 |
| CH3COOH 200 | 0.52 |
| H2S 50 | 3 |
| CO 200 | 0.64 |
Cautions
- The module avoids contact with organic solvents (including silica gel and other adhesives), paints, chemicals, oils and high-concentration gases.
- The module can not be completely encapsulated with resin material, nor can it be immersed in an oxygen-freeenvironment, otherwise it will damage the performance of the sensor;
- The module can not be used for long time in the environment containing corrosive gases, corrosive gases will damage the sensor;
- The module cannot withstand excessive impact or vibration.
- The module needs to be preheated for 24-48 hours when it is first powered on, so that the module canbefullystabilized and then tested normally.
- Do not apply the module to systems that involve personal safety.
- Do not install the module in a strong convection air environment.
- Do not place the module in a high concentration of organic gas for a long time. If it is placed for a long time, thesensor zero point will drift and the recovery will be slow.
- It is forbidden to use hot melt adhesive or sealant package module with curing temperature higher than80°C;
- It is forbidden to store and use in high concentration alkaline gas for a long time.
Customer Support
Zhengzhou Winsen Electronics Technology Co., Ltd
Add: No.299, Jinsuo Road, National Hi-Tech
Zone,Zhengzhou 450001 China
Tel: +86-371-67169097/67169670
Fax: +86-371-60932988
Tel: 86-371-67169097/67169670 Fax: 86-371-60932988
Email: [email protected]


















