Orbic R100ML5 5G Module

FCC ID:2ABGH-R100ML5
| Doc Title | Orbic 5G Module Datasheet | Number | 20210623 |
| Version | 0.2 |
HISTORY
| Version | Date | Description |
| 0.1 | 06/18/2021 | Initial version release |
| 0.2 | 06/23/2021 | Modify working temperature and storage temperature |
| Doc Title | Orbic 5G Module Datasheet | Number | 20210623 |
| Version | 0.2 |
| Doc Title | Orbic 5G Module Datasheet | Number | 2021060901 |
| Version | 0.1 |
Overview
Orbic 5G Module is a 5G universal module, can be used for MIFI, notebooks and other products. It supports both mmW bands and Sub-6bands. It integrates the low-power Qualcomm SDX55 application processor that is designed for the 5G Module.
The SDX55 device is the second 5G modem from Qualcomm Technologies. Inc.
(QTI). It implements the 5G NR standard for millimeter-wave (mmW) bands and sub-6 GHz bandsSDX55 uses the advanced 7 nm process.SDX55 is designed as a stand-alone 5G modem for MBB.
Parameter
| Type | Items | Performance |
|
Hardware | WorkingVoltage | 3.6-4.4V |
| WorkingCurrent | 200~2000mA | |
| StandbyCurrent | 10mA | |
| OperatingAmbient Temperature | 0℃~55℃ | |
| StorageTemperature | -5℃~60℃ |
| Doc Title | Orbic 5G Module Datasheet | Number | 2021060901 |
| Version | 0.1 |
Hardware Description
Description of Hardware Interface
Orbic 5G Module provides 8 RF connectors for the external antenna connection. As shown in Figure 2-1, “M” is the RF main antenna, which is used for receiving and receiving RF signals. “D/G” is the Diversity antenna for receiving the Diversity radio signals, and M1 and M2 are the MIMO receiving antennas. “PS” is the GPS receiving antenna.”mmW1″-“mmW3” are the mmW antenna connections.

P.2-1
| Doc Title | Orbic 5G Module Datasheet | Number | 2021060901 |
| Version | 0.1 |
| BAND | MAIN | G/DRX | MIMO1 | MIMO2 |
| LTE TRX: B2 B4 B5 B12 B13 B66 B41 B71 WCDMA TRX:B2 B4 B5 5G NR TRX: N2 N5 N66 N71 N77 N78 5G NR PRX MIMO:N41 |
√ | |||
| LTE DRX: B2 B4 B5 B12 B13 B66 B41 B71 WCDMA DRX:B2 B4 B5 GNSS L1 5G NR DRX: N2 N5 N66 N71 N77 N78 5G NR DRX MIMO:N41 |
√ | |||
| LTE PRX MIMO:B2 B4 B66 B41 5G NR TRX:N41 5G NR PRX MIMO: N2 N66 N77 N78 |
√ | |||
| LTE DRX MIMO:B2 B4 B66 B41 5G NR DRX:N41 5G NR DRX MIMO: N2 N66 N77 N78 |
√ |
P2–2 RFAntenna distribution table
| Doc Title | Orbic 5G Module Datasheet | Number | 2021060901 |
| Version | 0.1 |
Pin Description.
The following figures is the PIN identification of the module:

| Doc Title | Orbic 5G Module Datasheet | Number | 2021060901 |
| Version | 0.1 |
Pin Description:
| PIN# | PIN name | I/O | ResetValue | PIN description | characteristic |
| 1 | CONFIG_3 | O | NC | NC,Module internal configuration。 | 1.8V |
| 2 | VCC | PI | – | Power input | Power |
| 3 | GND | – | – | GND | Power |
| 4 | VCC | PI | – | Power input | Power |
| 5 | GND | – | – | GND | Power |
| 6 | FULL_CARD_ POWER_OFF# | I | PU | Module switch machine control, low level off, or high-level boot.。 | CMOS 1.8V |
| 7 | USBD+ | I/O | – | USB2.0data + | 0.3-3V |
| 8 | W_DISABLE1# | I | PU | NA | CMOS 1.8V |
| 9 | USBD- | I/O | – | USB2.0data – | 0.3-3V |
| 10 | LED1# | O | T | NA。 | CMOS 1.8V |
| 11 | GND | – | – | GND | Power |
| 12 | Notch | – | – | Notch | – |
| 13 | Notch | – | – | Notch | – |
| 14 | Notch | – | – | Notch | – |
| 15 | Notch | – | – | Notch | – |
| 16 | Notch | – | – | Notch | – |
| 17 | Notch | – | – | Notch | – |
| 18 | Notch | – | – | Notch | – |
| 19 | Notch | – | – | Notch | – |
| 20 | I2S_CLK | O | PD | I2S-reserve | CMOS1.8V |
| 21 | CONFIG_0 | – | NC | NC | – |
| 22 | I2S_DATA0 | I | PD | I2S-reserve | CMOS1.8V |
| 23 | M2_WOWWAN_ | O | PD | NA | CMOS1.8V |
| 24 | I2S_DATA1 | O | PD | I2Sreserve | CMOS1.8V |
| PIN# | PIN name | I/O | ResetValue | PIN description | characteristic |
| 25 | M2_DPR | I | PU | reserve | CMOS1.8V |
| 26 | M2_W_DISABLE 2# | I | PU | reserve | CMOS 1.8V |
| 27 | GND | – | – | GND | Power |
| 28 | I2S_WS | O | PD | I2Sreserve | CMOS1.8V |
| 29 | USB_SS-TX- | O | – | USB3.0 reserve | – |
| 30 | UIM1_RESET | O | L | SIM1 | CMOS 1.8V |
| 31 | USB_SS-TX+ | O | – | USB3.0 reserve | – |
| 32 | UIM1_CLK | O | L | SIM1 | CMOS1.8V |
| 33 | GND | – | – | GND | Power |
| 34 | UIM1_DATA | I/O | L | SIM1 | CMOS1.8V |
| 35 | USB_SS-RX- | I | – | USB3.0 reserve | – |
| 36 | UIM1_PWR | PO | – | SIM1 | CMOS1.8V |
| 37 | USB_SS-RX+ | I | USB3.0 reserve | – | |
| 38 | NC | – | – | – | – |
| 39 | GND | – | – | GND | Power |
| 40 | SIM2_DETECT | I | PU | SIM2 | CMOS1.8V |
| 41 | PCIE_TX0_M | O | – | PCIe | – |
| 42 | UIM2_DATA | I/O | L | SIM2 | CMOS1.8V |
| 43 | PCIE_TX0_P | O | – | PCIe | – |
| 44 | UIM2_CLK | O | L | SIM2 | CMOS1.8V |
| 45 | GND | – | – | GND | Power |
| 46 | UIM2_RESET | O | L | SIM2 | CMOS1.8V |
| 47 | PCIE_RX0_M | I | – | PCIe | – |
| PIN# | PIN name | I/O | ResetValue | PIN description | characteristic |
| 48 | UIM2_PWR | PO | – | SIM2 | CMOS1.8V |
| 49 | PCIE_RX0_P | I | – | PCIe | – |
| 50 | PCIE_RST_N | I | PD | PCIe | CMOS 1.8V |
| 51 | GND | – | – | GND | Power |
| 52 | PCIE_CLKREQ_N | I/O | T | PCIe | CMOS 1.8V |
| 53 | PCIE_REFCLK_M | I | – | PCIe | – |
| 54 | PXIE_WAKE_N | O | T | PCIe | CMOS 1.8V |
| 55 | PCIE_REFCLK_P | I | – | PCIe | – |
| 56 | ANTCTL5 | O | PD | Antenna switch | CMOS1.8V |
| 57 | GND | – | – | GND | Power |
| 58 | ANTCTL6 | I/O | PD | Antenna switch | CMOS1.8V |
| 59 | LAA_TX_EN | O | PD | NA | CMOS1.8V |
| 60 | WLAN_TX_EN | I | – | 5GHz WLANswitch | CMOS1.8V |
| 61 | ANTCTL1 | O | PD | Antenna switch | CMOS1.8V |
| 62 | COEX_UART_RX | I | PD | WiFi/BTUART | CMOS1.8V |
| 63 | ANTCTL2 | O | PD | Antenna switch | CMOS1.8V |
| 64 | COEX_UART_TX | O | PD | WiFi/BTUART | CMOS1.8V |
| 65 | ANTCTL3 | O | PD | Antenna switch | CMOS1.8V |
| PIN# | PIN name | I/O | ResetValue | PIN description | characteristic |
| 66 | SIM_DETECT | I | PU | SIM1 | CMOS1.8V |
| 67 | M2_RESET_N | I
O | PU
GND | Module reset | CMOS1.8V |
| 68 | FORCE_USB_BO OT | Download mode switch | CMOS1.8V | ||
| 69 | CONFIG_1 | NC, | – | ||
| 70 | VCC | PI | – | VCC | Power |
| 71 | GND | – | – | GND | Power |
| 72 | VCC | PI | – | VCC | Power |
| 73 | ANTCTL4 | – | – | Antenna switch | |
| 74 | VCC | PI | – | VCC | Power |
| 75 | CONFIG_2 | O | NC | NC |
Reset Value:
- H: High level
- L: Low level
- PD: pull down
- PU: pull up
- T: Hi-Z。
- OD: Open drain
- PP: Push-Pull
- PI: Power in
- PO: Power out
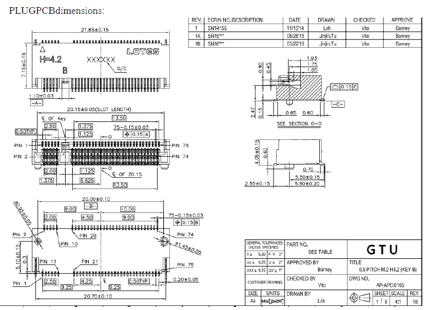
Mechanical Dimension
Module has the dimension of 52 mmx 30.2 mm. The detailed layout will be given shortly below. Unit: mm

PLUGPCB dimensions:

Software Introduction

PIN code needed power on

Module Environmental and Package
Environmental Ratings
The environmental ratings are shown as the following table.
| Characteristic | Value | Units | Conditions/Comments |
| StorageTemperature | -5~60 | ℃ | |
| Relative humidity | Lessthan60 | % | Storage |
| Lessthan80 | % | Operation |
Electrostatic Discharge Specifications
Extreme caution must be exercised to prevent electrostatic discharge(ESD) damage. Proper use of wrist and heel groundings traps to discharge static electricity is required when handling the devices. Always store unused material in its antistatic packaging.
ESD Specifications
| Type | Symbol | Condition | ESDRating | Unit |
| ESDHandling | ESD_HAND_HBM | HumanBodyModelContactD ischargeper JEDECEID/JESD22-A114 | 1000 | V |
| MachineModel (MM) | ESD_HAND_MM | MachineModelContact | 30 | V |
| CDM | ESD_HAND_CDM | ChargedDeviceModelContactD ischargeper JEDECEIA/JESD22-C101 | 300 | V |
Ordering Information
Table5-1 Part Ordering Information
| PartNumber | Package | Description | Remark |
| A98M | 67-PINNGFFGoldenFingers | RAM:128MB Flash:128MB | |
| A98M-12 | 67-PINNGFFGoldenFingers | RAM:128MB Flash:256MB | |
| A98M-22 | 67-PINNGFFGoldenFingers | RAM:256MB Flash:256MB | |
| A98MG | 67-PINNGFFGoldenFingers | RAM:512MB Flash:512MB |
FCC Information
RF Exposure Information:
To maintain compliance with FCC RF exposure requirements, use the product that maintain a 20cm separation distance between the user’s body and the host.
FCC statements:
This device complies with part 15 of the FCC rules. Operation is subject to the following two conditions:
- this device may not cause harmful interference, and
- this device must accept any interference received, including interference that may cause undesired operation.
NOTE: The manufacturer is not responsible for any radio or TV interference caused by unauthorized modifications or changes to this equipment. Such modifications or changes could void the user’s authority to operate the equipment.
NOTE: This equipment has been tested and found to comply with the limits for a Class B digital device, pursuant to part 15 of the FCC Rules. These limits are designed to provide reasonable protection against harmful interference in a residential installation. This equipment generates uses and can radiate radio frequency energy and, if not installed and used in accordance with the instructions, may cause harmful interference to radio
communications.
However, there is no guarantee that interference will not occur in a particular installation. If this equipment does cause harmful interference to radio or television reception, which can be determined by turning the equipment off and on, the user is encouraged to try to correct the interference by one or more of the following measures:
- Reorient or relocate the receiving antenna.
- Increase the separation between the equipment and receiver.
- Connect the equipment into an outlet on a circuit different from that to which the receiver is connected.
- Consult the dealer or an experienced radio/TV technician for help.
This device is intended only for OEM integrators under the following conditions:
- The antenna must be installed such that 20 cm is maintained between the antenna and users.
- The transmitter module may not be co-located with any other transmitter or antenna. As long as the two conditions above are met, additional transmitter testing will not be required. However, the OEM integrator is still responsible for testing their end-product for any additional compliance requirements required for the installed module.
Important Note:
In the event that these conditions cannot be met (for example certain laptop configurations or co-location with another transmitter), then the Federal Communications Commission of the U.S. Government (FCC) and the Canadian Government authorizations are no longer considered valid and the FCC ID cannot be used on the final product. In these circumstances, the OEM integrator shall be responsible for re-evaluating the end-product (including the transmitter) and obtaining a separate FCC authorization in the U.S. and Canada.
OEM Integrators – End Product Labeling Considerations:
This transmitter module is authorized only for use in device where the antenna may be installed such that 20 cm may be maintained between the antenna and users. The final end product must be labeled in a visible area with the following: “Contains, FCC ID: 2ABGH-R100ML5”. The grantee’s FCC ID can be used only when all FCC compliance requirements are met.
OEM Integrators – End Product Manual Provided to the End User:
The OEM integrator shall not provide information to the end user regarding how to install or remove this RF module in end product user manual. The end user manual must include all required regulatory information and warnings as outlined in this document.




















