XW-3010 1200 W Subwoofer Amplifiers
Owner’s Manual
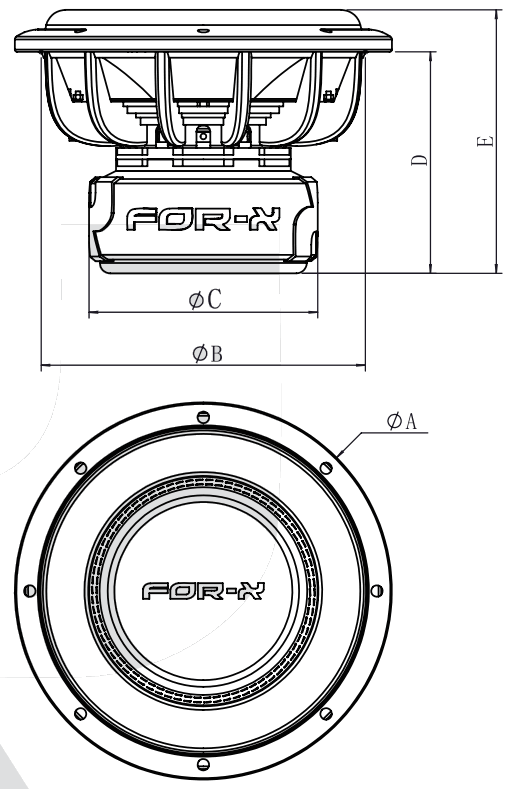
Dimensions

| MODEL | A(mm) | B(mm) | C(mm) | D(mm) | E(mm) |
| XW-3010 | 277 | 236 | 198 | 178 | 208 |
| XW-3012 | 321 | 285 | 198 | 198 | 228 |
| XW-3015 | 393 | 354 | 198 | 220 | 255 |
Recommended vented enclosure information’s
| Model | Subwoofer Displacement (cuff) | Enclosure Volume(cuffs) (net enclosure volume) | Port Area (sq.in) | Port Length (inch) | Tuning Frequency (Hz) |
| XW-3010 | 0.041 | 1.2-2.2 | 30. | 25. | 42 |
| XW-3012 | 0.060 | 1.5-2.5 | 34. | 27. | 37 |
| XW-3015 | 0.081 | 3.0-3.5 | 43. | 28. | 34 |
Specifications
General Data
| XW-3010 D2 | XW-301004 | XW-301202 | XW-301204 | XW-301502 | XW-301504 | ||
| Overall Dimensions | mm | 277*208 | 216129 | 278*195 | |||
| Nominal Power Handling | W | 1750 | |||||
| Transient Power 10ms | W | 3500 | |||||
| Sensitivity | dB | 82 | 82. | 85 | 85. | 86 | 87. |
| Frequency Response | Hz | 42-300 | 42-300 | 39-400 | 39-300 | 35-300 | 36-400 |
| Cone Material | PAPER | ||||||
| Net Weight | kg | 12.75 13 13.4 | |||||
Electrical Data
| Nominal Impedance | Ohm | Dual 2 | Dual 4 | Dual 2 | Dual 4 | Dual 2 | Dual 4 |
| DC Resistance | Ohm | Dual 1.8 | Dual 3.2 | Dual 1.8 | Dual 3.2 | Dual 1.8 | Dual 3.2 |
| Voice Coil and Magnet Parameters | |||||||
| Voice Coil Diameter | mm | 77. | |||||
| Voice Coil Height | mm | 60 | |||||
| HE Magnetic Gap Height | mm | 12 | |||||
| Max.Linear Excursion | mm | 24 | |||||
| Voice Coil bobbin | Black aluminum | ||||||
| Voice Coil Wire | CCAW | ||||||
| Number Of Layers | layers | 4L | |||||
| Magnet System Type | Ferrite | ||||||
| BL Product | N.A | 21.2 I 12.3 I 19.3 12.8 20.8 13.8 | |||||
T-S Parameters
| Suspension Compliance | Cms | 0.05 | 0.049 | 0.06 | 0.059 | 0.061 | 0.062 |
| Mechanical Q Factor | Qms | 5. | 5. | 5. | 5 | 6. | 6. |
| Electrical Q Factor | Qes | 0.64 | 0.68 | 0.68 | 0.71 | 0.72 | 0.78 |
| Total Q Factor | Qts | 0.58 | 0.61 | 0.6 | 0.63 | 0.61 | 0.65 |
| Moving Mass | Mms | 259. | 243. | 314 | 302 | 387. | 369. |
| Eq.Cas Air Load( liters) | VAS | 8. | 8. | 19. | 20 | 46 | 41. |
| Resonant Frequency | Fs | 42 | 42 | 39 | 39 | 35 | 36 |
| Effective Piston Area(CM2) | SD | 314. | 471. | 779. | |||
| Connection: | Series I Parallel | Series Parallel | Series Parallel | ||||
![]()
















