
WLE624WA Electric Upright Cookers
User Guide
ELECTROLUX HOME PRODUCTS PTY LTD
ABN 51 004 762 341
Technical Publication Nº CE739.docx
Issue: 1 Date: 7/14
WESTINGHOUSE
ELECTRIC UPRIGHT COOKERS
MODEL PNC
WLE624WA 940001817
WLE626WA 940001819
Copyright 2014 ELECTROLUX HOME PRODUCTS PTY LTD Technical Services
0081 009 277
MODELS: WLE624WA
WLE626WA
EX. VIEW DRAWING 8168 FRONT FRAME ASSEMBLY
0395 002 295.doc
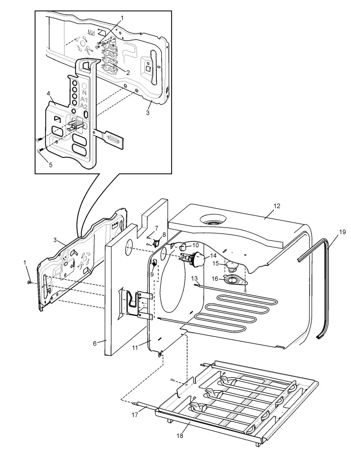
MODEL: WLE624WA
EX. VIEW DRAWING 8163 OVEN ASSEMBLY
Page 6 CE739.docx
0395 002 296.docx
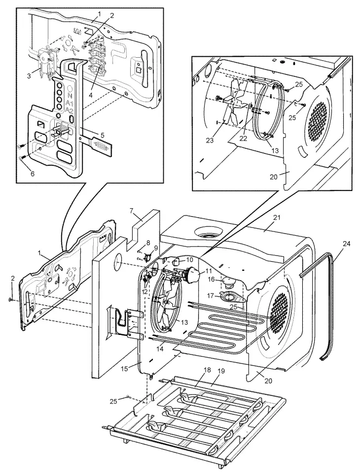
MODEL:
WLE626WA
EX. VIEW DRAWING 8164 OVEN ASSEMBLY
0038 012 946.docx
MODELS: WLE624WA
EX. VIEW DRAWING 5417a CONTROL PANEL ASSEMBLY
0038 012 947.docx
MODEL: WLE626WA
EX. VIEW DRAWING 5417a CONTROL PANEL ASSEMBLY
0602 003 917.docx
MODELS: WLE624WA
WLE626WA
EX. VIEW DRAWING 8161 HOB ASSEMBLY
| ITEM | PART Nº | DESCRIPTION | QTY |
| 1 | 4 | ||
| 2 | 2 | ||
| 3 | 4 | ||
| 4 | 4 | ||
| 5 | 4 | ||
| 6 | 2 | ||
| 7 | 1 | ||
| 8 | 2 | ||
| 9 | 2 | ||
| 10 | 2 | ||
| 11 | 2 | ||
| N.I. | 4 | ||
| N.I. | 1 |
0009 001 791.docx
MODELS: WLE624WA
WLE626WA
EX. VIEW DRAWING 8042 OVEN DOOR ASSEMBLY
| ITEM | PART Nº | DESCRIPTION | Ex 8042 | QTY |
| 1 | 1 | |||
| 2 | 1 | |||
| 3 | 2 | |||
| 4 | 2 | |||
| 5 | 2 | |||
| 6 | 1 | |||
| 7 | 1 | |||
| 8 | 2 | |||
| N.I. | 4 |
0038 009 661.docx
MODELS: WLE624WA
WLE626WA
EX. VIEW DRAWING 8169 STORAGE DRAWER ASSEMBLY
| ITEM | PART Nº | DESCRIPTION | Ex 8169 | QTY |
| 1 | 2 | |||
| 2 | 1 | |||
| 3 | 1 | |||
| 4 | 1 | |||
| 5 | 2 | |||
| 6 | 2 | |||
| 7 | 2 |
0263 010 621.doc
MODEL: WLE624WA
EX. VIEW DRAWING 5683 INTERNAL PACK
ITEM PART Nº
| ITEM | PART Nº | DESCRIPTION | Ex 8169 | QTY |
| 1 | 2 | |||
| 2 | 1 | |||
| 3 | 1 | |||
| 4 | 1 | |||
| N.I | 2 | |||
0263 010 622.doc
MODEL: WLE626WA
EX. VIEW DRAWING 5683 INTERNAL PACK
| ITEM | PART Nº | DESCRIPTION | Ex 8169 | QTY |
| 1 | 2 | |||
| 2 | 1 | |||
| 3 | 1 | |||
| 4 | 1 | |||
| N.I | 2 | |||


















