Community HVS3 I Series BlancePoint Flyware

The BalancePoint™ Flyware Accessory Guide (a complete set of instructions for all of the BalancePoint™ Flyware Kits) is available on the Community website.
Community Professional Loudspeakers
333 East Fifth Street, Chester, PA 19013-4511 USA Phone (610) 876-3400 • Fax (610) 874-0190 communitypro.com • [email protected]
CAUTION: Installation of loudspeakers should only be performed by trained and qualified personnel. It is strongly recommended that a licensed and certified professional structural engineer approve the mounting design.
IMPORTANT SAFETY INSTRUCTIONS
Always follow these basic safety precautions when using or installing I SERIES loudspeakers and accessories:
- Read these instructions prior to assembly.
- Keep these instructions for reference.
- Heed all warnings.
- Follow all instructions, particularly those pertaining to rigging, mounting, hanging and electrical connections.
- Do not use this apparatus near water.
- Clean only with dry cloth.
- Do not block any ventilation openings. Install in accordance with the manufacturer’s instruction.
- Do not install near any heat sources such as radiators, heat registers, stoves,light fixtures, or other apparatus (including amplifiers) that produce heat.
- Only use attachments and accessories that are specified and approved by the manufacturer.
- Refer all servicing to qualified service personnel. Servicing is required when the apparatus has been damaged in any way, such as liquid has been spilled or objects have fallen into the apparatus, the apparatus has been exposed to rain or moisture, does not operate normally, or has been dropped.
- The terms CAUTION, WARNING, and DANGER may be used in this manual to alert the reader to important safety considerations. If you have any questions or do not understand the meaning of these terms, do not proceed with installation. Contact your local dealer, distributor, or call Community directly for assistance. These terms are defined as:
- CAUTION: describes an operating condition or user action that may expose the equipment or user to potential damage or danger.
- WARNING: describes an operating condition or user action that will likely cause damage to the equipment or injury to the user or to others in the vicinity.
- DANGER: describes an operating condition or user action that will immediately damage the equipment and/or be extremely dangerous or life threatening to the user or to others in the vicinity.
- These installation instructions are for use by qualified personnel only. To reduce the risk of fire or electric shock do not perform any servicing other than that contained in the operating instructions unless you are qualified to do so.
UNPACKING / INSPECTION
Community I SERIES loudspeakers are engineered and manufactured to be rugged and they are carefully packed in sturdy cartons. However, it is recommended to thoroughly inspect each unit after it has been removed from the packaging, as damage could occur during shipping.
Please note that once the shipment has left your dealer or the Community factory, the responsibility for damage is always borne by the freight company. If damage has occurred during shipping, you must file a claim directly with the freight company. It’s very important to contact the freight company as soon as possible after receiving your shipment, as most freight companies have a short time limit within which they will investigate claims. Make sure to save the carton and the packing material, as most claims will be denied if these materials are not retained. Your Community dealer and the factory will try to help in any way they can, but it is the responsibility of the party receiving the shipment to file the damage claim. It is always a good idea to retain the carton and packing materials, if possible, in the event that the unit may need to be returned to your dealer or distributor for repair in the future.
CAUTION: Installation of I SERIES loudspeakers should only be performed by trained and qualified personnel. It is strongly recommended that a licensed and certified professional structural engineer approve the mounting. Severe injury and/or loss of life may occur if this product is improperly installed.
RIGGING SAFETY / IMPORTANT NOTES
- There are three primary areas of responsibility for rigging loudspeakers. The first is the building structure. Always consult with the building architect or structural engineer to assure the ability of the structure to support the loudspeaker system.
- The second area of responsibility is the loudspeaker itself. Community certifies its loudspeaker systems and rigging accessories for suspension
- when they are properly installed according to our published guidelines. The third area of responsibility is everything between the loudspeaker and the building structure and the actual process of installation. The installing contractor assumes this responsibility. Loudspeaker rigging should be performed only by certified rigging professionals using certified rigging hardware chosen for the specific application. Prior to installation, the contractor should present a rigging plan, with drawing and detailed parts list, to a licensed structural engineer (P.E.) or architect for written approval.
- IMPORTANT: I SERIES loudspeakers are designed and intended to be mounted to differing building surfaces using a variety of rigging hardware, means and methods. Installation of loudspeakers should only be performed by trained and qualified personnel. All electrical connections must conform to applicable city, county, state, and national (NEC) electrical codes.
- DANGER: All rigging fittings must be fully tightened and secured. Any missing fasteners or parts will compromise the structural integrity of the enclosure and constitute a safety hazard. Over-tightening (crushing the wood) should be avoided as well. Do not suspend the loudspeaker unless all fasteners are securely in place!
- IMPORTANT: The flat head bolts that come installed in each enclosure must remain in place or be replaced by a threaded fastener from an array bracket. The bolts attach to internal metal brackets that are critical to the structural integrity and rated Safe Working Load (SWL) of each point and each array assembly. Failure to include a fastener in every location could lead to serious injury, or even death.
- DANGER: I SERIES rigging fittings are rated at a Working Load Limit (WLL) of 150 lbs (68 kg) with a 10:1 safety margin. No single rigging fitting should ever be subjected to a load that is greater than this stated limit. Failure to heed this warning could result in injury or death!
ARRAY ACCESSORIES
HVS3 – Horizontal/Vertical Splay Bracket Extension Kit (3-way)
APPLICATION: Add an additional enclosure to a full-range loudspeaker in a 3-way Horizontally or Vertically Splayed configuration.
ASSEMBLY
This kit includes the (4) 8mm bolts that may need to be threaded into the adjacent full range cabinet’s corner brackets before they are attached to that cabinet. There are several configurations possible and the specific bolt locations in the cabinet brackets are shown below. Follow the instructions and general order of assembly accompanying the kit that you are adding the third cabinet to. When attaching the hinges to the cabinet brackets it will be easier to remove the 6mm hardware and allow the hinge to move. After the hinge is attached, set the hinge angle and secure with the 6mm hardware.

Parts
PB-4 : 3-way Cabinet Brackets (4)
PH: Preassembled Hinges (2)
Hardware
| Qty | Code | Description |
| 4 | HH6 | 6 x 25 mm Hex Hd Bolts |
| 4 | HN6 | M6 Locknuts |
| 8 | HW6 | 6mm Flat Washers |
| 8 | HF8-3 | 8 x 30 mm Flat Hd Bolts |
| 8 | HN8 | M8 Locknuts |
| 8 | HW8 | 8mm Flat Washers |
| 8 | HF1-3 | 10 x 35 mm Flat Hd Bolts |
| 2 | HH1-12 | 10 x 120 mm Hex Hd Bolt |
| 4 | HW1 | 10 mm Flat Washers |
| 2 | HN1 | M10 Locknut |
Some of the hardware listed above may be included in plate and hinge preassemblies.
Kit Weight: 22.0 lb (10.0 kg)
If attaching to a HSB3 or VSB3 kit, there will be (2) cabinet brackets (PB-4) and some hardware not used. If necessary, remove the flat head bolts pre-installed in the extra PB-4s and use on the middle cabinet.
WARNING: Do NOT exceed three (3) full-range cabinets in a single array. More than three will exceed the maximum safe working load.

Best practices:
Orient hinges so that the nut securing the long bolt (hinge pivot) is at the bottom (direction of gravity) when mounted to a vertically oriented loudspeaker.
Horizontal arrays can be fully assembled on the ground or lifting surface.
It is easier to assemble vertical arrays from the upper cabinet down, lifting each cabinet into position and then attaching the lower one to it. Hinge angles should be set after each loudspeaker is secured to the upper cabinet.



Figure 24-6H. Secure angle on hinges by reinserting the 6mm hardware removed earlier Snug tighten the 6mm connections until desired angle is confirmed, then fully tighten

Figure 6V. Adjust hinge to desired angle and reinsert the 6mm hardware Snug tighten the 6mm connections until desired angle is confirmed, then fully tighten
Triple horizontal full-range 3-way array can be accomplished in two ways: HSB3-BFR22 / HSB3-SBR54 + (1) HVS3 kit or BFR22V / SBR54 + (2) HVS3 kits.
Remove (2) 8mm flat head bolts from the PP-2 (or PP-1) and thread them into the top of what will be the middle cabinet top bracket. Attach all cabinet brackets and mounting plates to the cabinets. Attach the hinges. Attach the rails and fully tighten all rail and cabinet connections. Set the angles on the hinges – they must be symmetrical to balance evenly.

The PP-2 splay adapter plate will not be used, and there will be hardware and a few parts left over.

TECHNICAL DRAWINGS
HINGE (ROTATIONAL ARRAY) BRACKET [PH]

CABINET CORNER BRACKET (3-WAAY) [PB-4]

LOUDSPEAKER WEIGHTS
| FULL-RANGE | 600 Level [lbs (kg)] | 800 Level [lbs (kg)] | SUBWOOFER | 600 Level [lbs (kg)] | 800 Level [lbs (kg)] |
| IP6/8-1122 | 65.0 (29.5) | 55.0 (24.9) | IP6/8-112 | 64.0 (29.0) | 58.0 (26.3) |
| IP6/8-1152 | 79.0 (35.8) | 68.0 (30.8) | IP6/8-115 | 78.0 (35.4) | 72.0 (32.7) |
| IP8-1153 | – | 105.0 (47.6) | IP6/8-118 | 97.0 (44.0) | 98.0 (44.5) |
| IP8-0002 | – | 63.0 (28.6) | IP6/8-212 | 101.0 (45.8) | 89.0 (40.4) |
| IP8-1151 | – | 54.0 (24.5) | IP6/8-215 | 126.0 (57.2) | 14.0 (51.7) |
| IP6/8-218 | 170.0 (77.1) | 172.0 (78.0) | |||
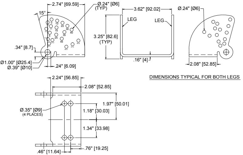
ROTATIONAL (HINGE) BRACKET
ROTATIONAL (HINGE) BRACKET ANGLE EXPLAINED
The I SERIES full-range loudspeakers are in trapezoidal enclosures. The hinge bracket is used in many of the array kits to precisely set the angle between two loudspeakers. The hinges are shipped preassembled with the 6mm fasteners already in place. They will need to be removed to set your desired splay angle.
IMPORTANT: The splay angles printed on the rotational bracket indicate the angle between adjacent enclosure surfaces, not (in most cases) the center-to-center (C-C) loudspeaker aiming angles. For most horizontal and vertical arrays, the long trapezoidal sides of the enclosures will be adjacent. The total included trapezoidal cabinet angles are 30° therefore, the C-C loudspeaker aiming angles will be 30° greater than the enclosure splay angle indicated on the rotational bracket.
For example, if a C-C loudspeaker array angle of 45° is desired, the 6mm angle selection fasteners should be placed in the “15°” angle selection holes on the rotation brackets. 45° (C-C splay angle) – 30° (trapezoidal cabinet angles) = 15° (splay between adjacent enclosure surfaces).
When using the DVS-BFR22 or DFS kits, the non-angled top and/or bottom panels are adjacent, therefore, the loudspeaker aiming angle and adjacent enclosure surface splay angles are identical. For these kits, the angle selected on the rotational bracket is the same thing as the loudspeaker aiming angle.



To set angle:
For most applications, and to achieve center-to-center (C-C) angles greater than 45° you align the “lighter” set of holes with the marked degree. This number equals the angle between the loudspeakers, and you should add 30 to get the C-C measurement. To achieve 62.5°, 67.5°, or 72.5° (C-C) splay, the circled outside holes only align with the holes in the “darker” marked area.
Aligning the “darker” set of holes with the marked degree hole equals that angle between centers, and should be used for downfill (DVS-BFR22, DFS) kits.
GENERAL ROTATIONAL (HINGE) BRACKET INFORMATION
Figures showing the basic assembly and how to secure the angles are shown below.
IMPORTANT: Each hinge is shipped preassembled with a 10mm hinge bolt and locknut fastened to allow some movement. Once the angle is permanently set (and confirmed by commissioning the system), the locknut should be tightened to prevent any movement. Do not remove the locknut or hinge bolt for any reason.
Each hinge assembly also has two 6mm fasteners with finger-tight lock nuts inserted into angle selection holes on each side of the hinge. Both 6mm fastener sets may be removed for assembly but must all be re-inserted and fully tightened in accordance with each kit’s specific assembly instructions.
Angles may be adjusted in 2.5° increments from 0° to 45° in any array configuration. Although it is possible in some configurations, do not exceed a splay angle of 45° (between adjacent sides).
Best practices: Orient the fasteners in the hinges to follow the direction of gravity; i.e. if the hinge will be used with the hinge bolt vertically oriented, position the hinge with the nut at the bottom to prevent the bolt from falling out if the nut should loosen.

HELPFUL INSTALLATION TIPS
- Assemble the horizontal arrays on the ground (or lifting surface) and then lift the entire assembly into place. Large vertical arrays should be assembled top down – lifting each component and attaching it in order. Smaller vertical arrays can be assembled on the ground and then flown.
- Many brackets and plates come preassembled with the 8mm flat head hardware installed. Some of the corner brackets have differing bolt patterns and we preinstall them in the most common configuration for that kit. Refer to the diagrams on install pages to confirm that the bolts are in the correct position for your cabinet size.
- Assemble the array with the differing models (horn/coverage patterns) in the correct configuration.
- If the cabinets are horizontal, keep the input panels all on the same side for wiring ease, whenever possible.
- To determine the approximate splay or array angles prior to installation, use simulation software such as EASE®. Document those values, and set the angles on the hinges and splay brackets as they are attached to the cabinets.
- When attaching corner brackets, thread both bolts in finger tight first, then continue to tighten equally with hex wrenches (helps avoid misalignment issues).
- Fully tighten the connections as each assembly is finished without crushing the wood fibers.
- The U-Brackets, Vertical Yokes and Isometric Frames have hole patterns compatible with third party manufacturers’ adapter plates for 1-1/2″ NPT rigid pole mounting systems (such as Chief CMA105 UL listed Ceiling mounting systems, with a SWL rating of 500 lbs [226.7 kg]). See manufacturer’s website for details.
- Contact our Technical Assistance Group (TAG) for additional guidance by phone: (610) 876-3400 or email: [email protected].
GENERAL ASSEMBLY INFORMATION
The BalancePoint™ Flyware kits for the I SERIES loudspeakers are modular and can be combined in a number of ways. The most common configuration of each kit is shown along with instructions for assembly.
Hardware and Parts: There is a key at the beginning of each instruction that shows the parts, their quantity and abbreviation. We also use a shortened code for the hardware that offers an easy reference to the type, diameter and approximate length.
ex: HW6 = Hardware Washer 6mm;
HF1-2 = Hardware, Flat head bolt, 10 x 25mm
Several parts have underside countersunk holes that are threaded for 8mm flat head bolts. They should be fully seated (at or below the surface of the piece) before attaching the plate/bracket to the enclosure. Bolt placement diagrams are shown for the cabinet brackets that have multiple holes. Several of the brackets are shipped with the 8mm flat head bolts already installed in the most common configuration for that kit.
IMPORTANT: The flat head bolts that come installed in each enclosure must remain in place or be replaced by a threaded fastener from an array bracket. The bolts attach to internal metal brackets that are critical to the structural integrity and rated Safe Working Load (SWL) of each point and each array assembly. Failure to include a fastener in every location could lead to serious injury, or even death.

TOOLS NEEDED FOR ASSEMBLY
- Metric socket and ratchet set
- Metric wrench set
- Metric hex key set

SAFETY CABLES
IMPORTANT: Attach a safety cable to one of the unused mounting points on the loudspeaker (and/or the bracket assembly). Safety cables must be secured to a suitable load-bearing point separate from the loudspeaker mounting point, with as little slack as possible, oriented to minimize dynamic swinging of the load, so as not to develop undue shock or kinetic force if the loudspeaker mount were to fail. Safety cables and hardware are not included. Please consult a structural engineer for the appropriate cables, hardware, and location(s) for the load and application.

BALANCEPOINT™ FLY RAILS
Positioning:
- The fly rails may be mounted in any position required as long as all attachment points are used.
- For the best aesthetics, the fly rails should not extend beyond the front edge of the front cabinet.
- The fly rails can extend beyond the back of the cabinet.
- The rails should be attached to the cabinets using all of the connections shown in the instructions for each assembly. This will ensure that the cabinets don’t rotate on the rigging and that the rigging is securely attached to the cabinets.
- In “Subwoofer Behind” configurations, the general rule of thumb is that there shouldn’t be less than 6″ (152mm) between the face of the subwoofer and the rear of the cabinet in front of it (allows sufficient air movement from the subwoofer cones and parts).
Flying:
- Optimally, each array should be lifted from the hole(s) on the fly rails that produce the desired tilt angle using gravity alone (the “Balance Point”).
- A second cable may be used to fine-tune the exact aiming angle and/or stabilize the array from rotation as necessary.


Community Professional Loudspeakers communitypro.com






















