R412013605 Profinet Bus coupler with link structure DDL
Instruction Manual
About This Documentation
1.1 Documentation validity
This document contains important information on the safe and appropriate assembly, operation, and maintenance of the bus coupler and how to remedy simple malfunctions yourself.
- Read this documentation completely, especially the chapter “For your safety”, before working with the bus coupler.
1.2 Required and supplementary documentation
- Only commission the product once you have obtained the following documentation and understood and complied with its contents.
Table 1:
Required and supplementary documentation
| Title | Document number | Document Type |
| DDL system description | R499050030 | Instructions |
| System documentation |
Further information on the components can be found in the online catalog at www.aventics.com/pneumatics-catalog.
1.3 Presentation of information
To allow you to begin working with the product quickly and safely, uniform safety instructions, symbols, terms, and abbreviations are used in this documentation. For better understanding, these are explained in the following sections.
1.3.1 Safety instructions
This document contains safety instructions before any steps that involve a risk of personal injury or damage to property. The measures described to avoid these hazards must be observed.
Safety instructions are set out as follows:
SIGNAL WORD
Hazard type and source
Consequences
Precautions
- Safety sign: draws attention to the risk
- Signal word: identifies the degree of hazard
- Hazard type and source: identifies the hazard type and source
- Consequences: describes what occurs when the safety instructions are not complied with
- Precautions: states how the hazard can be avoided
Table 2:
Hazard classes according to ANSI Z535.6-2006
| Safety sign, signal word | Meaning |
| CAUTION | Indicates a hazardous situation that, if not avoided, could result in minor or moderate injuries. |
| NOTICE | Indicates damage: the product or the environment may be damaged. |
1.3.2 Symbols
The following symbols indicate information that is not relevant for safety but that assists in comprehending the documentation.
| Table 3: | Meaning |
| Symbol | If this information is disregarded, the product cannot be used or operated optimally. |
| ▶ | Individual, independent action |
| 1. 2. 3. | Numbered steps: The numbers indicate sequential steps. |
1.3.3 Abbreviations used
This documentation uses the following abbreviations:
| Table 4: | Abbreviations |
| Abbreviation | Meaning |
| VS | Valve system |
| DDL | Drive & Diagnostic Link |
| FE | Functional |
For your safety
2.1 About this chapter
The product has been manufactured according to the accepted rules of safety and current technology. There is, however, still a danger of personal injury or damage to equipment if the following general safety instructions and the warnings before the steps contained in these instructions are not complied with.
- Read these instructions completely before working with the product.
- Keep these instructions in a location where they are accessible to all users at all times.
- Always include the operating instructions when you pass the bus coupler on to third parties.
2.2 Intended use
The product is an electro-pneumatic system component.
The product may be used as follows:
- only for industrial applications.
- only within the performance range provided in the technical data The product is intended for professional use only.
Intended use includes having read and understood this documentation, especially the chapter “For your safety”, and the DDL system description R499050030.
2.3 Improper use
Any use other than that described under Intended use is improper and is not permitted.
The installation or use of unsuitable products in safety-relevant applications can result in unanticipated operating states in the application that can lead to personal injury or damage to equipment.
Therefore, only use a product in safety-relevant applications if such use is specifically stated and permitted in the product documentation. For example, in areas with explosion protection or in safety-related components of control systems (functional safety).
AVENTICS GmbH is not liable for any damages resulting from improper use. The user alone bears the risks of improper use of the product.
Improper use of the bus coupler includes:
- use for any application not described in these instructions.
- use under operating conditions not described in these instructions or in the DDL system description (R499050030).
2.4 Personnel qualifications
Assembly, disassembly, commissioning, and operation require basic electrical and pneumatic knowledge, as well as knowledge of the appropriate technical terms. Assembly, disassembly, commissioning, and operation may therefore only be carried out by qualified electrical or pneumatic personnel or an instructed person under the direction and supervision of qualified personnel.
Qualified personnel is those who can recognize possible hazards and institute the appropriate safety measures due to their professional training, knowledge, and experience, as well as their understanding of the relevant conditions pertaining to the work to be done. Qualified personnel must observe the rules relevant to the subject area.
2.5 General safety instructions
- Observe the regulations for accident prevention and environmental protection.
- Observe the safety instructions and regulations of the country in which the product is used or operated.
- Only use AVENTICS products that are in perfect working order.
- Follow all the instructions on the product.
- Persons who assemble, operate, disassemble, or maintain AVENTICS products must not consume any alcohol, drugs, or pharmaceuticals that may affect their ability to respond.
- To avoid injuries due to unsuitable spare parts, only use accessories and spare parts approved by the manufacturer.
- Comply with the technical data and ambient conditions listed in the product documentation.
- If unsuitable products are installed or used in safety-relevant applications, this may result in unintended system operating states that may lead to injuries and/or equipment damage. Therefore, only use a product in safety-relevant applications if such use is specifically stated and permitted in the product documentation.
- You may only commission the product if you have determined that the end product (such as a machine or system) in which the AVENTICS products are installed meets the country-specific provisions, safety regulations, and standards for the specific application.
- Do not change or modify the device.
- Only use the device within the performance range provided in the technical data.
- Do not place any mechanical loads on the device under any circumstances. Do not place any loose objects on it.
- The warranty only applies when the product is used as intended.
- Observe related safety notes in the operating instructions.
Transport and storage
- A problem-free and safe operation of the devices requires proper transport, correct storage, installation and assembly.
During cleaning
- Only clean the device using a slightly damp cloth. Only use water and, if necessary, a mild detergent.
2.6 Safety instructions related to the product and technology
Before assembly
- The bus coupler (electrostatically endangered components) may only be opened by trained personnel.
- Make sure the relevant system component is not under pressure or voltage before assembling or when connecting and disconnecting plugs. Protect the system against being switched on.
- Only use a power pack with safe isolation in accordance with DIN EN 60742, classification VDE 0551 for the power supply. Please pay attention to external fuses that comply with this description.
- The warranty will not apply if the product is incorrectly assembled.
On installation
- Always assemble the bus coupler on a mounting plate or in a control cabinet.
- Observe the installation position described in the operating instructions.
- Lay the cables so that no one can trip over them.
- Other system parts may be damaged by uncontrolled device movements if it has not been properly mounted. Make sure that the device is securely fastened.
- Ground the devices according to national regulations.
- Only use cables indicated in the operating instructions or quotation drawings.
Commissioning
- Installation/assembly and commissioning of the device may only be carried out in a voltage-free and pressure-free state by trained and qualified specialists.
- Only put the device into operation if it has been completely assembled, correctly wired and tested.
- Before connecting or disconnecting the plugs, switch off the operating voltage to prevent damage to the electrical system.
During operation
- Observe related safety notes in the operating instructions.
Delivery Contents
The following is included in the delivery contents:
- 1 bus coupler PROFINET DDL (R412013399)
- 1 assembly and maintenance instructions (R412013605)
About this Product
4.1 Performance specifications
The bus coupler is used to connect the DDL system to a PROFINET field bus.
The bus coupler communicates with the field bus system and monitors the DDL (Drive and Diagnostic Link).
The bus coupler is designed only for use as a device on a PROFINET bus system.
The bus coupler is a modular I/O device that conforms to PROFINET specifications.
The bus coupler connects the local I/O devices with the PROFINET network. In the data model, these I/O devices are modularly connected to the bus coupler.
The bus coupler functions as an interface between the PROFINET network and the local DDL participants.
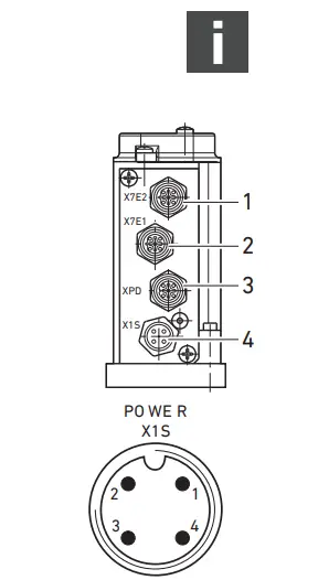
4.2 Product Description

| 1 PROFINET LEDs | 4 XPD: DDL connection |
| 2 X7E2: PROFINET IN | 5 X1S: M12 power supply (integrated X1S power supply plug) |
| 3 X7E1: PROFINET OUT | 6 S1/S2 |
4.3 Product identification
Comply with the product information on the product and the packaging.
Assembly
CAUTION
The danger of injury if assembled under pressure or voltage!
Assembling when under pressure or electrical voltage can lead to injuries and damage to the product or system components.
- Make sure that the relevant system part is not under voltage or pressure before you assemble the product.
- Protect the system from being switched on.
5.1 Assembling the product
CAUTION
The danger of injury if assembled incorrectly!
Incorrect assembly can lead to uncontrolled product or system movements.
▶Make sure that the bus coupler is correctly fastened.
▶Make sure that the device is securely fastened with the correct tightening torque.
- Let the bus coupler acclimate itself for several hours before installation; otherwise, water may condense in the housing.
- Make sure the relevant system part is not under voltage or pressure.
- Remove the four mounting screws.
- Set the bus coupler in the desired position on the mounting plate (any) or control cabinet (on the side).
- Tighten the four M5 mounting screws (tightening torque: 6 Nm).
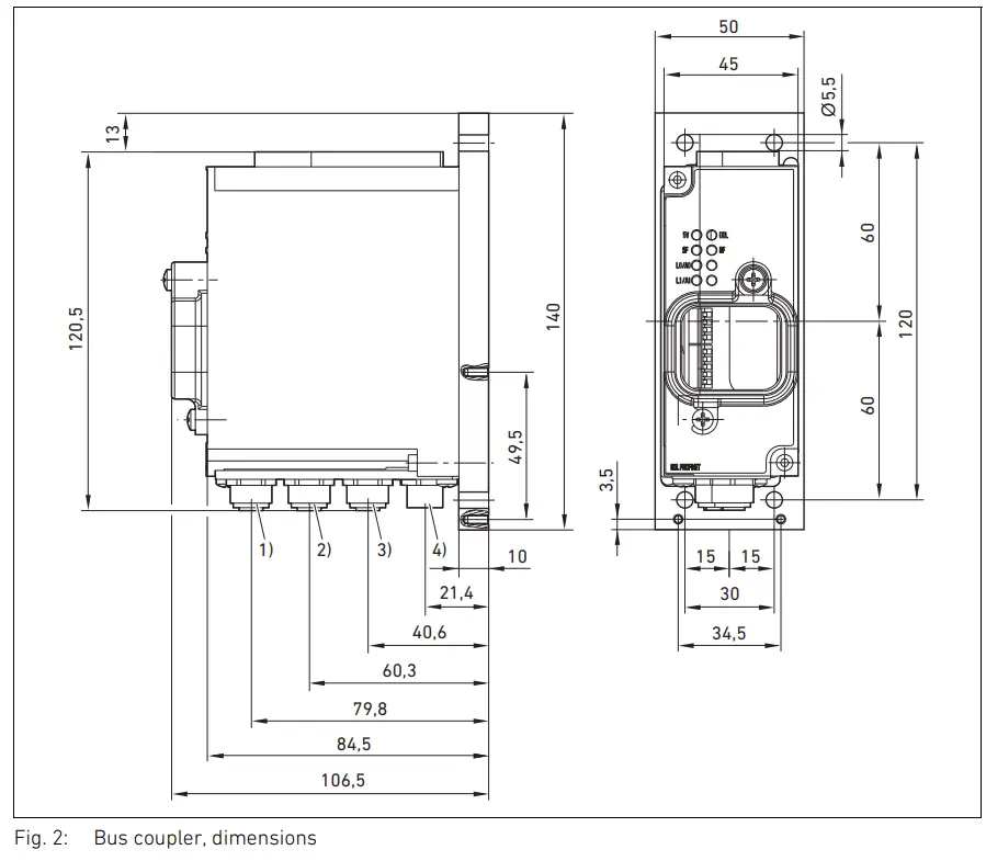
5.1.1 Dimensions

5.2 Electrical connection
5.2.1 Connecting the DDL and bus coupler
The electrical connections of the bus coupler are established using threaded M12x1 round plug connectors.
- Attach the connectors to the bus coupler.
NOTICE
Material damage due to penetration of liquids and foreign objects!
Liquids and foreign objects could penetrate the plug connections if seals and plugs are missing and cause damage to the product or system components.
- Use round plug connectors with the IP 65 protection class or better.
- Make sure that the seals are integrated into the plug and not damaged.
- Close all unused plug connectors with protective caps/blanking plugs.
- Make sure that all plugs are correctly connected before commissioning.
A functional ground is connected via the X1S connection (see Tab. 5).
5.2.2 Connecting the supply voltage
The valve solenoids are provided with power via the integrated X1S POWER SUPPLY (4) plug.
| Table 5: | X1S pin assignment |
| Contact | Pin assignment |
| Pin 11) | 24 V electronics |
| Pin 22) | 24 V valves |
| Pin3 | 0V (max. 4A) |
| Pin 4 | Functional ground |
- The electronics of the bus coupler and the electronics of all I/O modules and initiators connected through the DDL are supplied via X1S, Pin 1 (for modules without external voltage supply)
- When using modules without an external voltage supply, the switching voltage for the connected valves must be supplied via X1S, Pin 2.
The separate supply voltages via Pin 1 and Pin 2 make it possible to switch off only the valves in an emergency OFF situation, while the PLC, serial interfaces, and initiators remain in operation.
Shutting off the power supply for the serial interface can cause the PLC to STOP.
NOTICE
Damage can occur if the device is assembled or disassembled under voltage/load!
Inadvertently connecting and disconnecting the product or system parts under voltage/load can cause damage.
- Make sure that all relevant system parts are not under voltage before inserting or disconnecting plug connectors.
- Only use 4-pin M12 connection sockets where pin 5 is closed, in order to rule out confusion with other connections.
- Make sure that the largest connection cross-section possible is selected, at least 0.55 mm².
- Secure both supply voltages with external 3-A-T fuses.
– The applied supply voltage is indicated by a green LED (5 V): The LED illuminates as soon as the electronics voltage > 18 V (see also table 8 “Overview of PROFINET LED displays”).
– The maximum permissible current in the 0 V line is limited to 4 A by the plug connector.
– Only use a shared power pack or a shared 0 V connection for the 24 V power supply. The power pack must be one with safe isolation in accordance with DIN EN 60742, classification VDE 0551.
Commissioning
The bus coupler may only be commissioned with the entire system in which it is installed.
- Contact the system manufacturer if you want to commission the bus coupler.
6.1 Commissioning for the first time
NOTICE
Damage due to uncontrolled device movements!
The bus coupler and other system parts may be damaged by uncontrolled device movements.
- Commissioning of the bus coupler may only be carried out in a pressure-free state.
6.1.1 Making settings
The following prerequisites must be fulfilled:
- The transfer rate must be set the same for all DDL modules.
- The addressing conditions of the DDL (Drive & Diagnostic Link) must be fulfilled.
- The DDL configuration must be set and tested.
- The terminating resistor after the last DDL participant must be connected.
Setting the DDL address
No DDL address has to be set on the bus coupler
For the DDL (Drive & Diagnostic Link) to function properly, the following addressing conditions must be fulfilled:
- DDL address from 1-14, starting at 1, without gaps, no address assigned twice
DDL address 0: see DDL system description (R499050030).
Setting the transfer rate (DDL mode)
The DDL transfer rate is determined with the 5-pin S2 DIP switch on the front side. All DDL participants must be set to the same transfer rate.

Table 6:
DDL baud rate
| Switch | Bit | Open | On |
| S2 (5 bits) | 5 | DDL 125 k-baud | DDL 250 k-baud (default) |
The transfer rate can be set as follows:
- Open the cover of the S2 DIP switch.
- Move the S2.5 DIP switch to the desired position (see also Fig. 3: S2 DIP switch).
- Close the cover of the S2 DIP switch.
Configuring the bus coupler
See “DDL participant parameters” on page 48.
6.2 Starting the PROFINET interface
The bus system is connected using M12, 5-pin, D-coded data plugs. The physical sequence of the devices in a PROFILNET system can be chosen arbitrarily. The X7E1, PROFINET (2) and X7E2, PROFINET (1) connections (see figure on page 39) are therefore interchangeable and may only be configured when not in operation.

| Table 7: | Pin assignment, M12 data plug, D-coded |
| Contact | Pin assignment |
| Pin 1 | TD + |
| Pin 2 | RD + |
| Pin 3 | TD – |
| Pin 4 | RD – |
| Pin 5 | Not connected |
6.3 Commissioning the VS with bus coupler
Before commissioning the system, the following steps must have been carried out and completed:
- You have assembled the valve system and the bus coupler.
- You have connected the bus coupler (see “Electrical connection” on page 39).
- You have made the settings and configured the system (see “Making settings” on page 41).
- You have configured the bus master so that it actuates the valves correctly.
Commissioning may only be carried out by qualified electrical or pneumatic personnel or an instructed person under the direction and supervision of qualified personnel (see “Personnel qualifications” on page 34).
CAUTION
Risk of uncontrolled actuator movements when the pneumatics are switched on!
There is a danger of personnel injury if the system is in an undefined state.
- Put the system in a defined state before switching it on.
- Make sure that no personnel is within the hazardous zone when the compressed air supply is switched on.
- Also, observe the applicable instructions and safety information in the VS operating instructions.
1. Switch on the operating voltage.
2. Check the LED displays on all modules.
3. Switch on the compressed air supply.
6.3.1 Start-up procedure
The start-up procedure is as follows:
- The bus coupler automatically starts the communication with the DDL modules and determines which modules are present. At the same time, the PROFINET controller informs the bus coupler of the configuration saved in the controller.
- The bus coupler checks the configuration and returns the following error messages where necessary:
– DDL bus address the gap
– No DDL modules connected
– Fewer DDL modules are connected than configured
– More DDL modules are connected than configured - If an error is recognized, the bus coupler waits 5 seconds and restarts the DDL communication.
The user can then resolve the address error (see also “ Setting the DDL address” on page 41). The DDL LED stays red in the event of an error. If the error has been resolved, the LED extinguishes (see also “DDL participant parameters” on page 48). The bus coupler uses the first valid configuration. Any subsequent changes only take effect once the system has been restarted. - This information is used to create slots and subplots for PROFINET.
The bus coupler then waits for the parameters from the PROFINET controller. - The bus coupler and PROFINET controller then both start the cyclical exchange of data.
- In the event of an abort by PROFINET, the bus coupler then starts up again as long as the parameters remain unchanged, as the DDL stack is only started once with the transfer of parameters. In the event of changes to the parameters, the bus coupler must be restarted.
During operation
Observe the following points for operation:
- Do not change the switch and configuration during operation.
Changed settings only take effect after the devices have been switched on again. - Please note that compensating currents caused by differences in potential must not flow via the shielding.
7.1 Diagnosis
7.1.1 LED diagnosis
On top of the housing, light-emitting diodes (LEDs) indicate the status of the PROFINET interface and the power supply (see also “Connecting the supply voltage”).
Table 8:
Overview of PROFINET LED displays
| Label left | Label right | Meaning | ||
| 5V | green | DDL | red | 5 V: illuminates if the supply voltage is > 18 V DDL: WIlluminates for configuration errors (address, baud rate, terminating resistor) W Illuminates during initialization and flashes after successful initialization W OFF during DDL communication |
| SF | red | BF | red | SF: System Failure BF: Bus Failure (bus coupler error) |
| LINK 0 | green | LINK0/ACT0: illuminated if a link exists, flashes, flashes when sending and receiving data | ||
| LINK 1 | green | LINK0/ACT1: illuminated if a link exists, flashes, flashes when sending and receiving data | ||
The power supply for valves is not monitored at the bus coupler.
7.1.2 Software Diagnosis
The bus coupler provides diagnostic data:
Detailed information on the diagnosis structure of the individual DDL participants can be found in the descriptions of the respective DDL participants (see also “Software diagnosis” on page 49).
Disassembly and Exchange
8.1 Disassembling the bus coupler
NOTICE
Damage can occur if the device is under voltage!
Inadvertently disconnecting the voltage can damage the product or system parts.
▶Make sure the relevant system component is not under voltage before disassembling the device or when disconnecting plugs.
- Switch off the 24 V DC electronics power supply and valve supply.
- Remove the connected plugs.
- Loosen the bus coupler from the work surface.
- Remove the bus coupler.
Disposal
Dispose of the product in accordance with the currently applicable regulations in your country.
Service and Repairs
10.1 Cleaning and servicing
NOTICE
Damage to the surface caused by solvents and aggressive detergents!
The surfaces and seals could be damaged by solvents or aggressive cleaning agents.
- Never use solvents or strong detergents.
- Only clean the device using a slightly damp cloth. Only use water to do this and, if necessary, a mild detergent.
- Check that all seals and plugs for the plug connections are firmly fitted so that no humidity can penetrate the bus coupler during cleaning.
10.2 Maintenance
The bus coupler is maintenance-free. However, the seals of the bus coupler may age faster under aggressive ambient conditions. Defective seals will lead to pneumatics leaks and non-compliance with the IP 65 protection class.
- Regularly check that the seals on the bus coupler are in perfect order. Establish the maintenance intervals according to your ambient conditions and enter them in the system-dependent maintenance plan.
- Observe the system-specific maintenance intervals.
Troubleshooting
| Malfunctioning | Possible cause | Remedy |
| LED 5 V not illuminated | No voltage available | Check the power supply to the bus coupler |
| Defective bus coupler | Exchange the bus coupler | |
| Incorrectly assembled or defective cable | Use tested cables. | |
| LED L1 /A1 or L2/A2 not illuminated | There is no physical connection between the PROFINET Controller and bus coupler. | Check the Ethernet cable and PROFINET connections. |
| LED DDL is permanently illuminated | Faulty DDL configuration | Check the baud rate, consecutive addressing 1-x, terminating resistor present. |
| SF LED illuminated | Diagnosis is switched on and there is a diagnosis. | Check the diagnosis of the participants. |
| BF LED illuminated | Configuration does not match the connected hardware. | Adjust hardware configuration. |
If any other errors occur, please contact one of the addresses found under www.aventics.com/contact.
Technical Data
| Dimensions (width x height x depth) | 50 mm x 120.5 mm x 106.5 mm |
| Weight | Approx. 425 g |
| Storage conditions | < 80 % RH |
| Relative humidity | 0 – 95 % |
| Protection class according to EN 60529/IEC529 | IP 65 (only when assembled and with all plugs mounted and electrical connectors closed) |
| Supply voltage | 24 V DC sensor voltage (±20 %) 24 V DC valve voltage (±10 %) For the supply voltage, only use a power pack with safe isolation. |
| Permissible ripple | 5% |
| Mounting orientation | Any |
| Fuse for voltage: external valves | 3 A T |
| Fuse for voltage: external electronics | 3 A T |
| Warning: maximum current in the 0 Vline | Max. 4 A |
| Internal voltage drop | 0.8 V |
| The current requirement for electronics | 90 mA |
| Power supply for initiators | Max. 3 A per DDL line |
| Power supply for valves | Max. 3 A per DDL line |
| Start-up time after switching on the supply voltage | 2s |
| Temperature range | +5 °C to +50 °C |
| Storage temperature | -20 °C to +70 °C |
| Standards and directives complied with | 2004/108/EG “Electromagnetic compatibility” (The EMC Directive) DIN EN 61000-6-2 “Electromagnetic compatibility” (Immunity for industrial environments) DIN EN 61000-6-4 “Electromagnetic compatibility” (Emission standard for industrial environments) DIN EN 60204-1 “Safety of machinery – Electrical equipment of machines Part 1: General requirements” |
Appendix
13.1 PROFINET configuration
For the PLC configuration software, e.g. S7 Simatic Manager, the GSDML files are required for the bus coupler, as well as each DDL module used.
This file is not included in the delivery contents and can be requested from www.aventics.com/mediadirectory
The data model for the PROFINET DDL bus coupler is described by means of various modules. Each module (no. 1 to max. 14) represents a DDL module and each contains a submodule for input (no. 1), output (no. 2), and diagnosis (no. 3). Diagnosis alarms and parameters are allocated to the respective diagnosis submodule.
In addition, module 0 contains the PROFINET-specific submodules for DAP, device, and both ports. Submodule 1 (device) contains 4 bytes of bus coupler diagnosis data (life sign, error bits, and presence list).
In view of the fact that there are compatibility issues with a number of PROFINET CPUs, the 4 bytes of bus coupler diagnosis data can also be invoked using a 15th participant (DDL master diagnosis). This participant can only be placed in slot 15.
Before start-up, the bus coupler must be assigned a device name via Ethernet (DCP) so that the PROFINET controller can establish a connection. This device name is saved in the flash drive. The device name is empty when delivered, as is stipulated in the PROFINET standards.
So that the name can be assigned, a correct DDL configuration must be connected to the bus coupler, indicated by a flashing DDL LED.
13.2 DDL participant parameters
The parameter descriptions of the individual DDL participants can be found in the respective operating instructions.
13.3 PROFINET diagnosis alarms
The bus coupler provides a mechanism through which errors can be reported to the PROFINET controller. Extended channel diagnosis is used.
Bus coupler alarms are displayed on slot 0, subslot 1. These include:
- DDL bus address gap
- No DDL modules connected
- Fewer DDL modules are connected than configured
- More DDL modules are connected than configured
With the exception of the message “no DDL modules”, the presence list is transmitted as an additional parameter.
In addition, the StdDiag byte is monitored by each connected DDL module, and the message:
- DDL module – StdDiag
Transmitted as a parameter with the StdDiag byte. All of these error reports may occur at the same time and are deleted once the respective error has been resolved.
13.4 DDL data line
The output of the DDL is short-circuit-resistant on all lines. However, DDL participants can be damaged if 24 V is applied to the DDL H and DDL L signal lines.
For this reason, it is recommended to use preassembled cables. The assignments for DDL connections are described in the DDL system description (R499050030).
The DDL termination plug is needed if the module is the last or only participant of a DDL line. This ensures a defined line termination, and the module complies with the IP 65 protection class.
13.5 Software Diagnosis
The bus coupler provides diagnostic data:
Detailed information on the structures for diagnosis of the individual
DDL participants can be found in the descriptions of the respective DDL participants.
Transmitting the diagnosis to the PLC can be inhibited by using the S1.1 DIP switch.
S1.1 to 0 The diagnostic data will not be sent to the PLC (default).
S1.1 to 1 The diagnostic data will be sent to the PLC.
The warnings will be deleted automatically as soon as the cause has been eliminated. Only one message can be displayed.
When making changes at the DDL, it is recommended to always conduct a voltage reset.
13.6 PROFINET supported functions
| Table 9: | Supported and limited PROFINET functions |
| Supported protocols | RTC – Real-time Cyclic Protocol, Class 1 RTA – Real-time Acyclic Protocol DCP – Discovery and Configuration Protocol CL-RPC – Connectionless Remote Procedure Call LLDP – Link Layer Discovery Protocol SNMP – Simple Network Management Protocol |
| The maximum length of cyclic input data | 16 bytes |
| The maximum length of cyclic output data | 16 bytes |
| Maximum slot address | 255 |
| Maximum subslot address | 10 |
| Alarm types | Process Alarm, Diagnostic Alarm, Return of SubModule, Plug Alarm, Pull Alarm |
| Used protocols (subset) | UDP, IP, ARP, ICMP (Ping) |
| Topology recognition | LLDP, SNMP V1, MIB2, Physical Device |
| VLAN- and priority tagging | |
| Minimum cycle time | 1 ms |
| Conformity | Class A |
| Baud rate | 100 Mbit/s |
| Network protocol | Ethernet II, IEEE 802.3 |
| Not supported | RT over UDP IRT “flex” (synchronized RT Class 2) Fast Start-Up Media redundancy Supervisor AR Shared Device not supported Multicast communication DHCP |
AVENTICS GmbH
Ulmer Straße 4
30880 Laatzen
GERMANY
Phone +49 (0) 5 11-21 36-0
Fax: +49 (0) 511-21 36-2 69
www.aventics.com
[email protected]
Further addresses:
www.aventics.com/contact
The data specified above only serve to describe the product. No statements concerning a certain condition or suitability for a certain application can be derived from our information. The given information does not release the user from the obligation of own judgment and verification. It must be remembered that our products are subject to a natural process of wear and aging. An example configuration is depicted on the title page. The delivered product may thus vary from that in the illustration. Translation of the original operating instructions. The original operating instructions were created in the German language.
R412013605–BAL–001–AC/2017-06 Subject to modifications.
© All rights reserved by AVENTICS GmbH, even and especially in cases of proprietary rights applications. It may not be reproduced or given to third parties without its consent.


















