

IMSA Prototype Classes Scrutineering System
Manual
Scope
This document contains application notes on the installation and operation of the IMSA Prototype Classes Scrutineering System.

Contact
For technical information please contact:
Max Houck
[email protected]
Tel: +1-248-308-7689Or
Aaron Pfeifer
[email protected]
Tel: +1-248-533-8157
2.1 Sales
Sales will be performed through Bosch Motorsports using the included order form. Contact Bosch Motorsport for purchasing information via the contacts above.
2.1.1 Track Sales
Customers requiring spare parts purchased and delivered at the racetrack are subject to a 10% service fee.
Components
3.1 LMP2 Architecture
LMP2 classification cars will not utilize the LT4 and LSU 4.9 lambda sensors or any engine sensor, at this time. The chassis loom of the LMP2 cars must include wiring for these components. The engine room is not required to include provisions for these components in LMP2 cars.
3.2 Electronic Hardware
Component List:
| Part Number | Mating Connector | Name | Description |
| FO2U.VOU.290-01 | AS616-35 SN | DDU9 | P Scrutineering Logger |
| F02U.V01.794-0;6 | F02U.B00.760-01 F02U.B00.761-01 F02U.003.574-01 | PBX90 | PowerBox |
| FO2U.V01.511-02 | FO2U.B00.435-01 | IMU | 5 axis IMU |
| 1271.032.390 | IMU Plate | IMU mounting plate | |
| FO1T.A20.070-09 | AS114-35PN | LT4 | Lambda controller |
| FO2U.VOU.203-01 Or FO2U.VOU.268-01 | ASU603-03SN | GPS | 10 Hz GPS unit |
| FO2U.VOU.267-01 | ASL106-05SD | 1 Bar Pressure | Air pressure sensor |
| FO2U.VOU.205-01 | ASL106-05SB | 3.5 Bar Pressure | Boost pressure sensor |
| FO2U.V02.356-01 | ASL106-05SN | Temperature Sensor | Air temperature sensor |
| FO2U.VOU.264-01 | ASL106-05SE | Pitot Tube | Pitot Tube |
| FO2U.V01.342-01 | 02W08 FOO4S BK1 E1AA | USB Stick | Scrutineering data USB |
| 0258.988.001 | D261.205.356-01 | LSU 4.9 | Lambda Sensor |
| AS108-35SN | Leadlight panel* | Position display | |
| ASU603-05SN | X2 Transponder* | Timing Transponder | |
| ASL106-05SA-HE | Engine Speed** | RPM sensor | |
| ASDD606-09SD-HE | Fuel Flow* | Fuel flow sensor | |
| ASL606-05SC | Ride Height** | Laser ride height sensor | |
| DTM06-2S-E007 | Delphi System* | Yellow light system | |
| DTM06-2S-E007 | TV/Video* | Series camera power | |
| DTM06-2S-E007 | Pro/Am Light** | Pro/Am indicator |
* Denotes component available from IMSA or other spec suppliers
** Denotes components supplied by the team
3.2.1 DDU9
Functional Description: Logger and Marshalling Display for IMSA Prototype Class Scrutineering System
Mounting Note:
- Refer to Scrutineering Homologation Forms for mounting location. This device must be mounted away from heat sources. Note maximum temperature range below.
- This device should be mounted so that the display can be easily seen by the driver while on course.
- This device should be mounted to sustain vibrations within the Vibration Profile 1 defined in the appendix.
Brightness Control: Brightness must be commanded via CAN by a value of 1-6, message details found in the DBC.
Part Number: F02U.V0U.249-01
Temperature Range: -20 to 70 °C
Recommended Inspection: 2 years or 220 hours
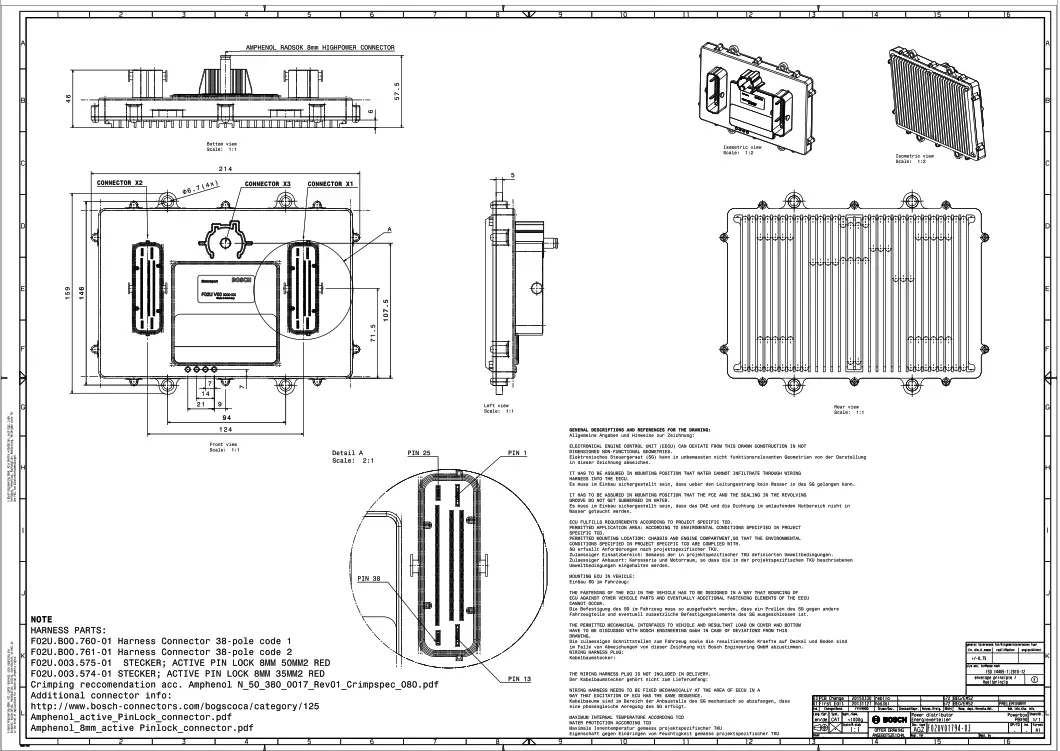
3.2.2 PBX90
Functional Description: Powerbox for IMSA Prototype Class Scrutineering System
Mounting Note:
- Refer to Scrutineering Homologation Forms for mounting location.This device must be mounted away from heat sources. Note maximum temperature range below.
- This device should be mounted so that the device can be easily accessed.
Part Number: F02U.V01.794-056
Temperature Range: –20 to 85 °C
Recommended Inspection: 2 years or 220 hours
3.2.3 IMU – MM5.10
Functional Description: 5 axis inertial measurement unit
Mounting Note:
- Refer to Scrutineering Homologation Forms for mounting location.
- Use of the mounting bracket is required.
- Device to be mounted with connector receptacle facing to the back of the vehicle as shown in Section 0 “Scope” and product sticker facing vertically ‘up’. Mounting plate to be aligned within +/-0.5° of vehicle axes.
Part Number: F02U.V01.511-02
Mounting Bracket Part Number: 1271.032.390
Temperature Range: -20 to 85 °C
3.2.4 LT4 (DPi Only)
Functional Description: 4 channel lambda sensor controller
Mounting Note:
• Refer to Scrutineering Homologation Forms for mounting location. This device should be mounted to sustain vibrations within the Vibration Profile 1 defined in the appendix.
Part Number: F01T.A20.070-09
Temperature Range: -20 to 85 °C
Recommended Inspection: 2 years or 220 hours
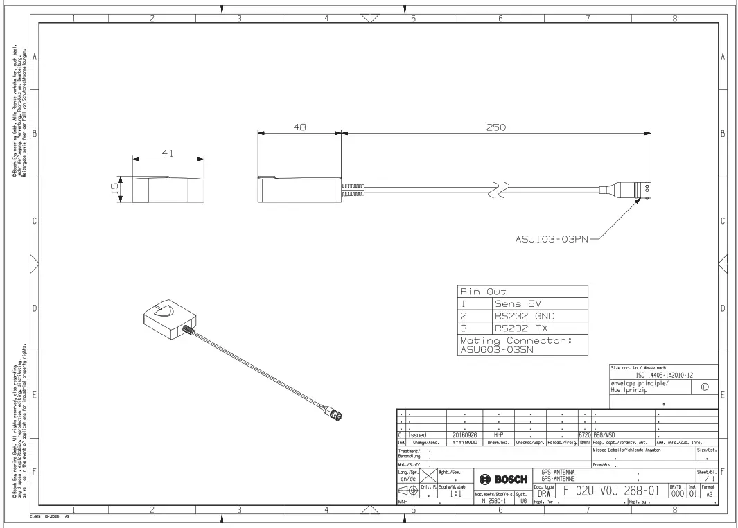
3.2.5 GPS
Functional Description: 10 Hz GPS unit
Mounting Note:
• Refer to Scrutineering Homologation Forms for mounting location. This device must be fitted with at least 250mm separation from all other antennas.
Part Number: F02U.V0U.203-01 OR F02U.V0U.268-01
3.2.6 USB Stick
Functional Description: IMSA Scrutineering USB Stick
Mounting Note:
• Device must be mounted in a labeled location near the IMSA Diagnostic port in a plainly visible location. An example is shown below (label not visible).
Temperature Range: -40 to 85 °C
Removal Note: To remove the USB stick from the connector the collar at the connector end of the USB stick must be pulled away from the connector. Do not pull on the main body to remove.

USB Stick Possession: IMSA will distribute and collect USB Sticks at every race, teams will not receive sticks with scrutineering components nor are they required to purchase these separately.
3.2.7 X2 Transponders
Functional Description: CAN based transponder for IMSA Prototype Class Scrutineering System
Mounting Note:
• Each car will carry two X2 Transponders.
Refer to Scrutineering Homologation Forms for mounting location.
Temperature Range: 0 to 60 °C
3.2.8 Leaderlight Panels
Functional Description: Leaderlight panels
Mounting Note:
• This device(s) must be fitted securely.
• Refer to Scrutineering Homologation Forms for mounting location.
3.2.9 Pro/Am Light
Functional Description: Pro/Am driver light indicator
Mounting Note:
• This device must be mounted away from heat sources.
Refer to Scrutineering Homologation Forms for mounting location. Harness Pinout:
| Connector | DTM06-2S-E007 |
| Pin | Description |
| 1 | 12V PWR |
| 2 | GND |
3.2.10 Delphi Yellow Light System
Functional Description: Delphi yellow light track condition light system
Mounting Note:
• This device must be mounted in a dry location using IMSA supplied AntiVibration Plate in the IMSA specified location.
Refer to Scrutineering Homologation Forms for mounting location.
3.3 Sensors
This section declares sensors that must be directly connected to the IMSA scrutineering system. IMSA will define the required engine sensors and locations for each engine application. These signals will be fed back to the teams via CAN. For all sensors refer to IMSA Scrutineering System homologation documentation for installation and mounting location with numbering referring to the fed engine bank.
All Prototype cars must run:
- Cockpit temperature
- Pitot tube
- Laser Ride Height sensors (if used)
In addition, DPi cars must run:
- Engine Sensors
o Intercooler Upstream temperature(s) (Turbo only)
o Plenum pressure(s) (NA only)
o Plenum temperature(s) (NA only)
o Inlet Port pressure(s) (NA only)
o Boost pressure(s) (Turbo only)
o Inlet Port temperature(s)
o Restrictor Throat pressure(s) (NA only)
o Lambda(s)
o Fuel flow meter
o Engine speed sensor
Sensors must be installed in an IMSA approved location as identified in Scrutineering System homologation documentation with numbering referring to the fed engine bank.
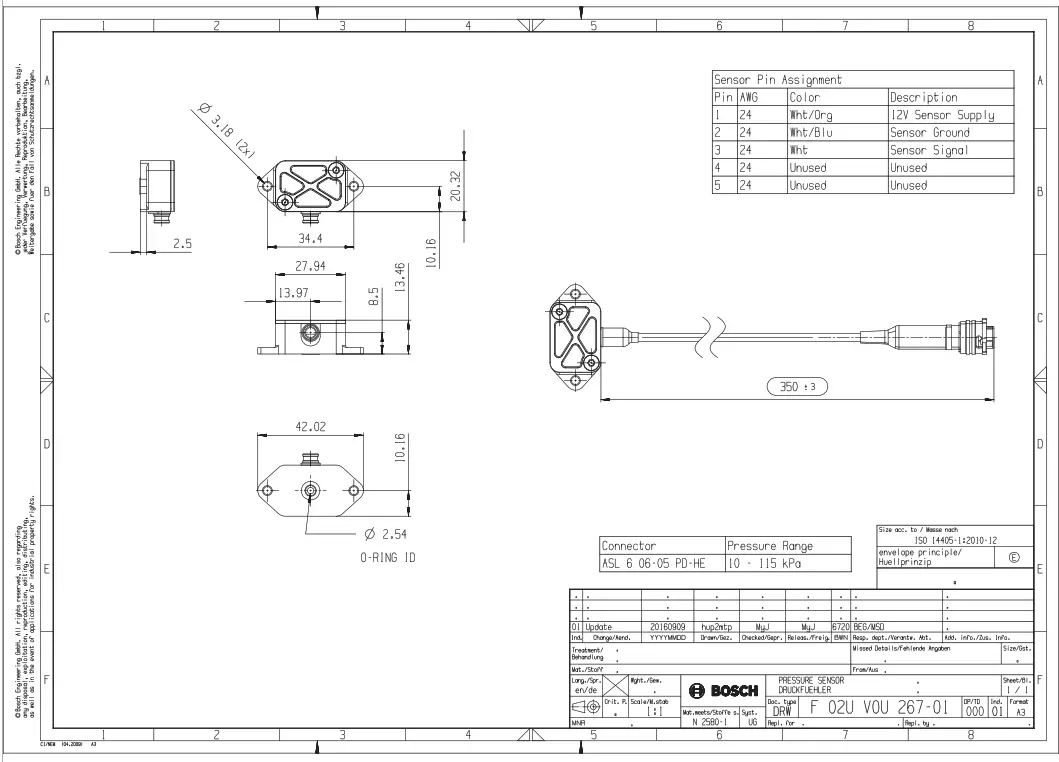
3.3.1 1 Bar Pressure
Functional Description: Air pressure sensor
Use Case:
• Plenum Pressure (NA engines):
• Inlet Port (NA engines):
• Restrictor Throat Pressure (NA engines):
Part Number: F02U.V0U.267-01
Pressure Range: 0.1 – 1.15 bar
Temperature Range: -40 to 125°C
3.3.2 3.5 Bar Boost Pressure
Functional Description: Boost pressure sensor
Use Case:
• Boost Pressure (Turbo engines):
Part Number: F02U.V0U.205-01
Pressure Range: 0.5 – 3.5 bar
3.3.3 Pitot Tube
Functional Description: Temperature and pressure sensor
Use Case:
- Dynamic Conditions:
o, Measure dynamic conditions of air flowing over the car. - Mounting Note:
o Pitot sensor must be mounted in the IMSA homologated position.
No other pitot tubes are permitted on the car.
Part Number: F02U.V0U.264-01
3.3.4 Laser Ride Height
Functional Description: Dynamic ride height measurement
Use Case:
• Ride Height:
o, Measure dynamic ride height of the car in multiple locations.
o Each manufacturer may select a sensor to be approved by IMSA.
• Mounting Note:
o Ride height sensors must be mounted in the IMSA homologated position connected to the scrutineering system if run. No other ride height sensors are permitted on the car.
• Harness Pinout:
| Connector Pin | ASL606-05SC |
| Pin | Description |
| 1 | 12V+ KL.30 |
| 2 | GND |
| 3 | Signal |
| 4 | |
| 5 |
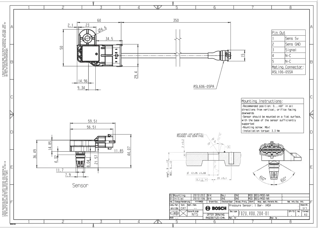
3.3.5 Temp Sensor
Functional Description: Temperature sensor
Use Case:
- Plenum Temperature (NA engines)
- Intercooler Upstream Temperature (Turbo engines)
- Inlet Port Temperature
- Cockpit Temperature
Part Number: F02U.V02.356-01
Temperature Range: -55 to 300 °C
Thread: M6 x 1
Installation Torque: 8 Nm
3.3.6 LSU 4.9 Lambda Sensor
Functional Description: Exhaust gas lambda sensor
Use Case:
• See Appendix for required sensor mounting information.
• Refer to Scrutineering Homologation Forms for mounting location.
• One sensor per cylinder bank is required.
Part Number: 0258.988.001
Thread: M18 x 1.5
Installation Torque: 40 to 60 Nm
3.3.7 Engine Speed Sensor
Functional Description: Hall effect speed sensor
Use Case:
• Each manufacturer may select a sensor to be approved by IMSA.
• Refer to Scrutineering Homologation Forms for mounting location.
Missing/extra tooth configurations are NOT supported
Recommendation:
• Bosch P/N: HA-N F.02U.V0U.714-01
• 20 teeth symmetrical wheel, no missing teeth
Trigger Wheel Requirements (for HA-N above):
- Diameter ≥ 80mm
- Slot Width ≥10mm
- Tooth Width ≥ 5mm
- Height of tooth ≥5mm
- Thickness≥8mm
Harness Pinout:
| ConnectorPin | ASL106-05SA-HE |
| Pin | Description |
| 1 | 12V+ KL.30 |
| 2 | GND |
| 3 | Signal |
| 4 | |
| 5 |
3.3.8 Fuel Flow Meter
Functional Description: CAN based fuel flow meter for IMSA Prototype Class Scrutineering System
Mounting Note:
Refer to Scrutineering Homologation Forms for mounting location.
Temperature Range: 0 to 85 °C
3.4 Sensor Declaration Form
Prior to each event weekend, a Sensor Declaration Form must be submitted via the IWSC regulations.
3.5 Component Seals
All Scrutineering system primary components (DDU9, PBX90, and LT4) units must have an IMSA Scrutineering Seal. Each device ordered through Bosch Motorsport NA using the attached order form will be delivered with the seal in place. This seal is not to be removed or transferred.
System Architecture
4.1 Team CAN
4.1.1 Team Connector
The pinout of the Team Connector is shown in the table. No changes are allowed to this arrangement. Termination of the CAN busses must be done in the car’s loom as depicted in 4.1.2 and 4.1.3.
Team Harness Connector: AS(0/1)08-35SN
Scrutineering Harness Connector:
| Connector | AS608-35PN |
| Pin | Description |
| 1 | CAN1_H |
| 2 | CAN1_L |
| 3 | CAN2_H |
| 4 | CAN2_L |
| 5 | Driver ID Signal |
| 6 | Driver ID GND |
4.1.2 Team CAN 1

4.1.3 Team CAN 2

NOTE:
- One termination resistor will be built into the scrutineering loom. The other termination resistor must be present in the team wiring of the CAN connection, external of the scrutineering loom.
- CAN buses must be laid out in a linear fashion, with a termination resistor (120 ohms) at each physical end of the bus.
4.1.4 Driver ID
The Driver ID will be an input on the same connector as the team CAN connections.
The Driver ID signal will be controlled by a different resistance value for each driver.
The resistor will go between the two pins for Driver ID with nothing else in the circuit. The Driver ID and resistor value pairings are in the table below:
| ID | Resistor Value (Ohm) |
| 1 | 0 |
| 2 | 820 |
| 3 | 2.2K |
| 4 | 4.7K |
| 5 | 12K |
4.2 Power Supply

All power supplied should be at least 11.0V and below 15.0V.
The following notations for power signals are used:
- KL 30 is the main relay switched battery positive rail. KL 30 must go directly to the car master relay. It may not be connected through a power box or other device.
- KL 31 is an un-switched ground rail (same as battery negative terminal)
4.3 Harness
The scrutineering system harness has two major parts. The major pieces are the engine harness and the chassis harness. These two meet with a bulkhead connector located at the rear of the cockpit. The engine harness has an optional connector, if used the smaller rear portion must be certified. An example layout is shown in section 7. This layout may be deviated from; however, the components must remain on the same harness and use the same connector. Contact an approved harness builder for more information and specifics for individual applications.
All harness pieces must be certified individually and marked as such by a Bosch Motorsport-approved dealer. Harnesses must be purchased through a Bosch Motorsport-approved builder.
Initial harness builds may have extended lead times of 4-6 weeks or longer. Teams and manufacturers are responsible for ensuring their harnesses are ordered with time to be built for the first event it is to be used.
Approved builders:
DC Electronics
Address: 119 Poplar Pointe Drive
Mooresville, NC 28117
Phone: 704-230-4649
Email: [email protected]
Sakata Motorsports Electronics, Inc.
Address: 1241 N. Patt ST.
Anaheim, CA 92801
Phone: 714-446-9473
Email: [email protected]
Loom Certification
All scrutineering looms will come certified and serialized from the builder. IMAGE reserves the right to require an additional HiPot inspection at any time.
The engine or chassis loom pieces may be certified individually without the presence of the rest of the harness components. If a loom has additional connectors all components of the loom including all connectors shown in the layout must be supplied for certification. The cost of additional inspections or recertification is $200 per loom.
CAN Specification
There are two IMSA CAN interfaces that may be used for communication, on these buses the team is required to send the “Team Transmitted Channels”.
Teams will be responsible for informing IMSA and Bosch which buses will be used for ECU and team communications. These messages may be on the same bus.
CAN Buses:
The CAN buses will be used to transfer vital information between the team and the Scrutineering System. The buses are required to be 1 Mbit and conform to CAN 2.0B specifications.
6.1 Team Transmitted Channels
| Channel Name | Short Name | Raster (ms) | Notes |
| Engine Revs | not | 10 | Engine revolutions per minute |
| Ignition Timing | ign_out | 10 | The crank angle of the ignition event |
| Fuel Injector Mass | fuel_mass | 10 | Fuel mass injected per 2 engine revolutions |
| Fuel Rail Pressure | April | 10 | Pressure measured in the high-pressure fuel rail |
| Gearbox Drum Position | gear_drum | 20 | The voltage of the gearbox drum angle sensor |
| Gearbox Flag | shift_* | 20 | Flag denoting, up/downshift, shift error, and shift strategy active |
| Gear | gear | 20 | Engaged gear in the transmission |
| FL Wheel speed | vwheel_fl | 20 | Speed of FL wheel |
| FR Wheel speed | vwheel_fr | 20 | Speed of FR wheel |
| RL Wheel speed | vwheel_rl | 20 | Speed of RL wheel |
| RR Wheel speed | vwheel_rr | 20 | Speed of RR wheel |
| Throttle Pedal | APPS | 50 | Throttle pedal percentage |
| Engine Throttle(s) | ath(2) | 50 | Throttle blade open percentage |
| FL Brake Pressure | pbrake_fl | 20 | If only axle pressure is available, send on both L & R |
| FR Brake Pressure | pbrake_fr | 20 | If only axle pressure is available, send on both L & R |
| RL Brake Pressure | pbrake_rl | 20 | If only axle pressure is available, send on both L & R |
| RR Brake Pressure | pbrake_rr | 20 | If only axle pressure is available, send on both L & R |
| Mixture Map | Zappos | 100 | Value of engine mixture map selection switch |
| Boost Map | map | 100 | Value of engine boost map selection switch |
| Display Brightness | display_b | 1000 | Desired scrutineering display brightness (1-6) |
| Fuel Consumption | falcons | 100 | The counter starts from 0 each session Does NOT reset during session/race |
| Steering Angle | steer | 20 | The angle of steering wheel from center |
| Clutch Pressure | clutch | 20 | Pressure in the clutch disengagement system |
| Cam Angle Left Bank Intake | Cam1Int | 100 | The angle of the drivers left bank intake CAM from the park |
| Cam Angle Left Bank Exhaust | Cam1Exh | 100 | The angle of the drivers left bank exhaust CAM from the park |
| Cam Angle Right Bank Intake | Cam2Int | 100 | The angle of the driver right bank intake CAM from the park |
| Cam Angle Right Bank Outlet | Cam2Exh | 100 | The angle of the driver right bank exhaust CAM from |
| Tire Pressure FL | ptireFL | 1000 | TPMS system reported absolute air pressure in FL tire |
| Tire Pressure FR | prefer | 1000 | TPMS system reported absolute air pressure in FR |
| Tire Pressure RL | ptireRL | 1000 | TPMS system reported absolute air pressure in RL |
| Tire Pressure RR | tire RR | 1000 | TPMS system reported absolute air pressure in RR |
| Fuel Probe Flag | b_fuelprobe | 20 | Fuel Probe sensor: 0 = not connected, 1 = connected |
6.2 Team Received Channels
| Channel Name | Short Name | Raster (ms) | Notes |
| Low Boost Counter** | LowBoostCtrOuting | 20 | Low overboost counter |
| High Overboost | HighBoostCtrOuting | 20 | High overboost counter |
| Overboost Integral** | integral | 20 | Live overboost integral |
| DDU9 Fault | ddu9fault | 20 | DDU9 Fault Status |
| PBX90 Fault | pbxfault | 20 | PBX90 Fault Status |
| LT4 Fault* | lt4fault | 20 | LT4 Fault Status |
| Beacon | b_* | 20 | Beacon for s/f, Pit In, Pit |
| Position in Class | position | 50 | Position of car in class |
| Track Condition | track_cond | 50 | Track condition |
| Rainlight On | rainlight | 50 | Rainlight activiation status |
| Lap Number | lapnum | 50 | Current lap number |
| Driver ID | driver_id | 50 | Driver ID from Timing and |
| DDU9 Temp | tlogger | 1000 | DDU9 logger core |
| Cockpit Temp | tcockpit | 1000 | Car cockpit temperature |
| PBX90 Temp | tpbx | 1000 | PBX90 core temperature |
| GPS Latitude | gpsLatitude | 50 | GPS latitude |
| GPS Longitude | gpsLongitude | 50 | GPS longitude |
| GPS Speed | gpsSpeed | 50 | GPS speed |
| GPS Altitude | gpsAltitude | 50 | GPS altitude |
| GPS Time | gpsTime | 50 | GPS time |
| Pressure 1* | p21 | 200 | Driver’s left bank plenum/pre- throttle pressure |
| Pressure 2* | p21_2 | 200 | Driver’s right bank plenum/pre-throttle pressure |
| Pressure 3* | p22 | 200 | Driver’s left bank manifold/boost pressure |
| Pressure 4* | p22_2 | 200 | Driver’s right bank manifold/boost pressure |
| Pressure 5* | prestrictor | 200 | Driver’s left restrictor throat pressure |
| Pressure 6* | prestrictor2 | 200 | Driver’s right restrictor throat pressure |
| Temperature 1* | tplenum | 200 | Driver’s left plenum/preintercooler temperature |
| Temperature 2* | tplenum2 | 200 | Driver’s right plenum/preintercooler temperature |
| Temperature 3* | tmanifold | 200 | Driver’s left manifold/postintercooler temperature |
| Temperature 4* | tmanifold2 | 200 | Driver’s right manifold/post-intercooler temperature |
| Pitot Pressure | pitot | 20 | Pitot tube pressure |
| Pitot Temperature | pitot | 20 | Pitot tube temperature |
| Logger Status | logger_status | 20 | DDU9 logger status |
| USB Status | usb_status | 20 | USB stick recording status |
| Lambda 1* | lambda | 20 | Driver’s left lambda value |
| Lambda 2* | lambda2 | 20 | Driver’s right lambda |
| Ride Height Front Left | ride fl | 20 | Front left dynamic ride height |
| Ride Height Front Right | ride_fr | 20 | Front right dynamic ride height |
| Ride Height Rear | rider | 20 | Rear dynamic ride height |
| Volumetric Flow Rate | q_fuelflow | 20 | Instantaneous volumetric fuel flow rate |
| Total Volume | V fuel flow | 20 | Total volumetric fuel flow |
| Mass Flow Rate | dm_fuelflow | 20 | Instantaneous fuel mass flow rate |
| Total Mass | m_fuelflow | 20 | Total mass fuel flow |
| Fuel Temperature | Fuel | 200 | Fuel flow meter reported fuel temperature |
| Flowmeter service time* | FFM_ServiceTime | 200 | Hours until service required for fuel flow meter |
| Engine Speed’ | no imsa _ | 20 | Scrutineering sensor reported engine speed |
| Flowmeter calibration* | b_FFMService | 200 | Flowmeter calibration required |
| Lambda Integral• | lam_integral | 200 | Live lambda integral |
| Low Lambda Counters | lam_LowLamCtrOuting | 200 | Low lambda counter |
| High Lambda Counter | lam_HighLamCtrOuting | 200 | High Lambda Counter |
| Filtered Lambda” | lambda_fllt | 50 | Filtered average of lambdas |
| Ambient Pressure | ambient | 1000 | IMSA declared live ambient pressure |
| USB Logging | b_usbLogging | 10 | Data blocks writing to a USB stick |
| Private CAN Error | b_privateCANerror | 50 | Scrutineering only CAN bus errors exist |
| Shared CAN Error | b_sharedCANerror | 50 | Shared chassis and scrutineering bus errors exist |
| Filtered Boost Pressure | pboost_filt | 20 | Filtered boost pressure |
* Denotes DPi only
**Denotes turbocharged DPi only
6.3 Message Bus
Manufacturers may specify which bus (ECU or team) the team transmitted messages are received on.
6.4 DBC file
A DBC file for the transmitted and received channels is available at IMSA.com and bosch-motorsport.com.
Display Pages
There are two pages on the display. A mechanic page used for IMSA safety checks and sensor installation verification is displayed when the vehicle is stationary. A driver page with alarms and information for the driver is shown while the vehicle is moving.
7.1 Driver Page
7.1.1 Standard
While on track the DDU9 display will look as shown below. The laptime shown is calculated internally by the DDU9 and is not the timing and scoring lap time.

7.1.2 Alerts
A series of alerts are set to show on the screen based on scrutineering system status and race control messages. If the Driver ID is changed a banner will appear for a short amount of time showing the new Driver ID based on the resistor connected.

If no resistor is present for the Driver ID, a banner will appear as shown below. This banner will appear until a resistor is connected.

Rainlight On will appear and the outside LED lights to turn on blue if the Rainlight should be on as indicated by Race Control.

A Red Flag block will appear and the LED lights turn on red in the case of a Red Flag as indicated by Race Control. The lights and message will be solid until the track condition is no longer red and the car is moving on the track.

Under full course yellow track conditions the LED lights will alternate blinking yellow and off and a message will be displayed on the screen. The yellow condition is triggered by the Delphi Box and will turn off when the track condition is no longer yellow.

7.2 Mechanic Page
Below is an example of a Mechanic Page. Included on the display while the car is stationary are the values of select scrutineering system sensors for installation verification. Yellow, red, rain light and driver ID change functionality will work as well.
















Vibration Profile 1
Broadband noise: 8h/direction
| Frequency (Hz) | Acceleration density (m/s²)²/Hz² |
| 20 | 50.4 |
| 55 | 26 |
| 180 | 1 |
| 300 | 1 |
| 360 | 0.56 |
| 1,000 | 0.6 |
| 2,000 | 0.6 |
| Effective value aEff | 55.4 m/s² |
Sine: 8h/direction
| Frequency (Hz) | Acceleration peak (m/s²) |
| 100 | 50 |
| 180 | 200 |
| 250 | 200 |
| 350 | 60 |
| 2,000 | 60 |
Motorsport
IMSA Prototype Class Scrutineering System
Order Form – 2021
| Customer Information IPO Number: | Customer POI if issued |
| Team Name | Contact Name |
| Car Make and Competition Class | Contact Email! Phone Number |
| Shipping Preference (FedEx or UPS) | Shipping Address Line 1 |
| Shipping Account Number | Shipping Address Line 2 |
| Product Description | Part Number | O. | Use Case | Price | Comments |
| Spec Kit | |||||
| DPi Kit (DDU9. PBX. LT4) | FO2U.V0U.247-01 | S 12902.95 | Includes: D0U9. PBX. LT4 | ||
| P2 Kit (DDU9. PBX) | FO2U.VOU.248-01 | 5 10.063.12 | Includes: DDU9. PBX | ||
| Spec Sensors | |||||
| Pressure Sensor – 0-1.15 Bar | FO2U.V0U.287-02 | Restrictor. Plenum, Inlet Port (NA) | S 437.50 | ||
| Pressure Sensor – 0-3.5 Bar | FO2U.V0U.205-01 | Boost (Turbo) | S 280.00 | ||
| Pilot Tube | FO2U.V0U.284-01 | Dynamic conditions | S 1,210.00 | ||
| Temperature Sensor – MO | FO2U.V02.358-01 | Engine. Cockpit | S 424.36 | ||
| Lambda Sensor | 0258.988.001 | Lambda | 5 149.35 | ||
| Individual Spare Parts | |||||
| DDU9 Display Unit | FO2U.VOU.290-01 | S 8.230.00 | Includes IMSA configuration and seal | ||
| PBX90 – Control Module | F02U.V01.794-08 | S 4.107.80 | Includes IMSA configuration and seal | ||
| MM5.10 – IMU | FO2U.V01.511-02 | 5 805.94 | |||
| GPS Module – 3000mm Lead | FO2U.VOU.203-01 | 5 385.00 | |||
| GPS Module – 250mm Lead | FO2U.V0U.288-01 | 5 385.00 | |||
| Bosch LT4 Lambda to CAN | FO1T.A20.070-09 | 5 3,120.00 | Includes IMSA configuration and seal | ||
| IMU Mounting Plate | 1271.032.390 | 5 73.00 | Mounting plate for MM5.10 sensor | ||
| Rental Spec Kit (Prices per event) | |||||
| DPi Kit (DDU9. PBX. LT4) | FO2U.VOU247-01 | S 4,109.58 | Includes: DDU9, PBX. LT4 | ||
| P2 Kit (DDU9. PBX) | FO2U.VOU.248-01 | 5 3,881.17 | Includes: DDU9. PBX | ||
| GPS, IMU, and any additional required sensors will be purchased by and remain properly of the team in question. Pricing will be held | |||||
Notes
To order parts please fill out this order form and create a Purchase Order matching your order and send both to Aaron Pfeifer: Aaron.[email protected].
All orders submitted are subject to the Bosch Motorsport terms and conditions.
All prices are in USD and are valid until 12/31/2021.
Unless the customer has credit terms established with Bosch, all orders will require payment before parts will be shipped. All rental kits will be paid in advance.
The customer is responsible for all shipping costs.
For sales/deliveries at the track, there is a 10% service charge
Robert Bosch LLC – Bosch Engineering North America
Motorsport Sales Terms & Conditions
Version: January 20, 2020
- GENERAL. THE SALE OF COMPONENTS, PARTS, OR A SYSTEM INTENDED FOR SERIES PRODUCTION (“SERIAL PRODUCTION PRODUCTS” OR “PRODUCTS”), ALL SAMPLES, PROTOTYPES, NON-PRODUCTION PRODUCTS, AND COMPONENTS (INCLUDING SOFTWARE CONTAINED THEREIN) NOT APPROVED FOR SERIES PRODUCTION OR THAT ARE INTENDED FOR EVALUATION PURPOSES ONLY (“PROTOTYPES”), AND/OR DESIGN AND ENGINEERING OR SIMILAR SERVICES (“SERVICES”) PROVIDED BY ROBERT BOSCH LLC, THROUGH ITS BOSCH ENGINEERING NORTH AMERICA DIVISION (“BOSCH”) TO THE CUSTOMER (“CUSTOMER”) (EACH A “PARTY” AND COLLECTIVELY REFERRED TO AS “PARTIES”) IS EXPRESSLY LIMITED TO CUSTOMER’S ACCEPTANCE OF THE TERMS OF BOSCH’S OFFER (ALSO REFERRED TO AS THE “QUOTATION”) AND THESE BOSCH TERMS, EXCLUDING MODIFICATIONS TO THESE BOSCH TERMS SET FORTH IN THE APPLICABLE BOSCH QUOTATION. NO MODIFICATION OR WAIVER OF ANY OF THESE BOSCH TERMS AND NO ADDITIONAL OR DIFFERENT TERMS OR CONDITIONS WILL BE EFFECTIVE UNLESS EXPRESSLY SET FORTH IN BOSCH’S QUOTATION OR AGREED TO IN WRITING SIGNED BY BOSCH. NO ORAL AGREEMENT, COURSE OF PERFORMANCE, OR OTHER MEANS WILL BE DEEMED TO WAIVE THESE BOSCH TERMS OR ANY OF THE TERMS OF THE QUOTATION. THE CUSTOMER’S ACCEPTANCE OF THE PRODUCTS, PROTOTYPES, AND/OR SERVICES SOLD HEREUNDER WILL CONSTITUTE THE CUSTOMER’S ACCEPTANCE OF THE BOSCH QUOTATION AND BOSCH TERMS.
SCOPE. CUSTOMER acknowledges that Serial Production Products, whether or not modified, are not designed to meet the requirements and demands of motorsport racing.
CUSTOMER acknowledges that modified Serial Production Products and CUSTOMER specified Products cannot be tested to the same degree as Serial Production Products and that production of such modified Serial Production Products or CUSTOMER specified Products does not follow the testing and validation standards applicable to Serial Production Products. CUSTOMER acknowledges that the use of the Products in motorsport racing applications will lead to early wear and that modified Serial Production Products or CUSTOMER specified products are produced with a focus on race performance and not on endurance. The terms of Sections 1 to 2 above apply irrespective of the CUSTOMER’s application of the Products.USE OF THE PRODUCTS. The Products are provided solely for use by (i) racing professionals and CUSTOMER warrants and represent that it possesses the appropriate engineering and professional racing experience to use the Products for motorsport racing and (ii) research institutions trained by professionals. CUSTOMER acknowledges that the use of the Products may be dangerous and that the Products shall not be used in any consumer application. CUSTOMER shall use the Products: (I) only for motorsport racing purposes; (ii) only through engineers and mechanics who are trained and experienced in motorsport racing; (iii) only in vehicles, which are suitable for use in motorsport racing; (iv) only in such suitable vehicles that are operated by trained, professional motorsport race drivers; and (ii) research purposes by trained professionals. CUSTOMER shall not use, nor permit any other party to use, the Products in any vehicle operated on the public roads, or in connection with any consumer application. BOSCH shall not be liable for any use of the Products on public roads. Should a Product be used on public roads or in connection with any consumer application, all Product warranties are void.
- PRICES; TAXES; CURRENCY. All prices are subject to the shipping terms defined in Section 6 below. Bosch reserves the right to adjust prices due to cost increases resulting from variations in labor rates, material costs, or other costs (including but not limited to variations related to tariffs). To the extent the Products contain raw materials, raw material fluctuations will be reviewed on a quarterly basis. Actual material price increases of 5% or more will be paid in a lump sum by the CUSTOMER. The prices are exclusive of any applicable Federal, State, Provincial, or local sales, use, and other similar taxes or assessments. Such taxes and assessments will be included in Bosch’s invoice and paid by the CUSTOMER. CUSTOMER shall be solely responsible for its tax administration and tax liability based upon governing Federal, State, and local laws that relate to these BOSCH Terms. All prices are subject to adjustment, at any time, by Bosch for changes in volume forecasts, economics, or exchange rates as applicable. To the extent CUSTOMER’s actual purchases fall short of the volume forecasts upon which the prices were based, any price adjustments by Bosch will be retroactive. Prices are per piece in U.S. Dollars or EUR. All North American CUSTOMER facilities will be invoiced in U.S. Dollars. Each payment by CUSTOMER is subject to the terms of Section 8 below and will be made without withholding any taxes unless required by law. CUSTOMER shall inform Bosch of any withholding tax obligation on payments due to Bosch under an invoice as soon as CUSTOMER becomes aware of such withholding tax obligation. If Bosch believes that it is eligible for exemption from, or reduction of, any U.S. withholding tax (or other withholding or similar tax of one or more other jurisdictions), Bosch will deliver to CUSTOMER a completed, duly executed IRS Form W-9 or Form W-8 (or another appropriate form of such other jurisdiction(s) as required under the laws of such other jurisdiction) valid through the date of payment. In such an event, the CUSTOMER shall promptly deliver to Bosch a certificate evidencing the payment of any tax actually withheld.
- CANCELLATIONS AND CHANGES. No cancellations of or changes ordered by CUSTOMER to the Products, Prototypes, and/or Services or any delivery or pickup terms related thereto will be effective without Bosch’s written consent and in the event of any such cancellation or change, Bosch will be entitled to all remedies available by law or equity, including without limitation cancellation costs, warehousing fees, and/or increased prices. At a minimum, CUSTOMER will be liable for the following items, or any applicable combination thereof: (a) Products, Prototypes delivered, and/or Services performed prior to cancellation or change that comply with the specifications and other requirements of the Quotation; (b) the reasonable cost of raw materials and components that were purchased by Bosch to meet the requirements of the Quotation and that cannot be returned for refund or credit or immediately used for or sold to any of Bosch’s other CUSTOMERs; (c) the reasonable costs to settle all claims by subcontractors for actual costs that are rendered unrecoverable due to cancellation or change; and (d) the reasonable costs of reassignment of Bosch’s employees specifically dedicated to the satisfaction of Bosch’s obligations under the Quotation, provided Bosch uses reasonable efforts to reassign each such employee.
- SHIPMENT AND DELIVERY. All delivery dates are estimates only. Bosch’s only obligation with respect to delivery dates will be to use reasonable efforts to meet such delivery dates. Unless specified otherwise in the Quotation, the delivery terms will be will be FCA (as defined in Incoterms® 2010) at the designated Bosch facility. Title and risk of loss to the Products and Prototypes will transfer upon completion of delivery of the Products and Prototypes per the applicable delivery term specified above. Unless otherwise instructed, Bosch will ship via industry-standard means for the applicable Products and Prototypes. Bosch will not be liable for any delays, breakage, loss, or damage after having made delivery in good order to the first transportation carrier. All claims for loss or damage in transit are to be made by the CUSTOMER directly to the transportation carrier and the appropriate insurance carrier retained by the CUSTOMER. CUSTOMER shall not make any deductions of any kind from the invoice amount. Unless otherwise specified in the Quotation, standard packing for domestic shipment is included in the quoted price. When special domestic or export packing is requested, the CUSTOMER will be charged for any additional expenses. Shipments will be deemed accepted by the CUSTOMER unless written notice of rejection is received by Bosch within ten (10) days after receipt of the Products and Prototypes by the CUSTOMER. For rejected shipments, the CUSTOMER will bear the risk of loss or damage to the Products and/or Prototypes in transit. If Bosch reasonably determines that the rejection was improper, the CUSTOMER will be responsible for all expenses incurred by Bosch arising from the improper rejection.
- FORCE MAJEURE. In the event either Bosch or CUSTOMER is unable to fully perform its obligations hereunder (except customer’s obligation to pay invoices for Products, Prototypes, and/or Services) due to events beyond its reasonable control, including without limitation, acts of God, action by any governmental authority(whether valid or invalid), fires, floods, windstorms, explosions, riots, natural disasters, wars, sabotage, labor problems (including lockouts, strikes, or slowdowns), inability to obtain power, material, labor, equipment or transportation, or court injunction or order (collectively referred to herein as a “Force Majeure Event”), that party shall be relieved of its obligations to the extent it is unable to perform such obligations. A Party experiencing a Force Majeure Event shall provide reasonable notice of such Force Majeure Event to the other Party. In the event of Bosch’s inability to perform due to a Force Majeure Event, Bosch may allocate available goods and materials among its customers and CUSTOMER will be entitled to reduce its purchase obligations toward Bosch by the quantities purchased from other sources, but shall not have the right to terminate these BOSCH Terms.
- PAYMENT TERMS. Unless specified otherwise in the Quotation, terms of payment are net thirty (30) days from the earlier of the date of shipment or the date of an invoice, with no discount allowed for early payment. Bosch reserves the right to reclaim any Products, Prototypes, and/or Services that have not been paid for in full and Bosch reserves the right to alter or suspend credit terms or require C.O.D. or advance payment whenever Bosch has reasonable doubt as to CUSTOMER’s creditworthiness or the ability of CUSTOMER to pay in a timely manner. If CUSTOMER becomes delinquent in payment or refuses to accept C.O.D. shipments, Bosch will have the right to, in addition to all other available rights and remedies, cancel any or all CUSTOMER orders, withhold further deliveries, and declare all unpaid amounts for Products, Services, and/or Prototypes previously delivered immediately due and payable. Amounts past due will be subject to an interest charge of 1.5% per month or the maximum rate allowed by law, whichever is less. CUSTOMER shall pay all costs and expenses incurred by Bosch as a result of non-payment or delinquent payment by CUSTOMER, including without limitation collection costs, interest, and reasonable attorneys’ fees.
- WARRANTY
9.1 Unless specified otherwise in BOSCH’s quotation BOSCH warrants that, upon delivery, the Products will be free of defects in material and workmanship. BOSCH’s warranty covers only defects, that existed at the time of delivery. The foregoing warranty: (i) is personal to CUSTOMER and does not extend to any subsequent owner of the Products; and (ii) does not cover defects that occur due to the use in a motorsport environment.
9.2 CUSTOMER acknowledges that the Products are designed for race performance, with reduced durability and stability, and that the extreme wear inherent in a racing environment may result in Product malfunction which will not be covered by the limited warranty set forth above.
9.3 BOSCH does not warrant that modified Serial Production Products or CUSTOMER specified Products will display the features or operational performance requested or expected by CUSTOMER.
9.4 BOSCH will provide free of charge to CUSTOMER, replacement Products or, at BOSCH’s option, credit in a fair amount not to exceed the purchase price for Products which prove to be defective under the limited warranty set forth above, provided, however, that CUSTOMER has returned to BOSCH 100% or a statistically relevant share, as mutually agreed upon, of any Products claimed to be defective. BOSCH shall have the right to request reasonable evidence of, and impose reasonable requirements for, submission of a warranty claim including, by way of example and not limitation, printouts of diagnostic test results performed at the CUSTOMER’s dealer level or by CUSTOMER.
9.5 In the event of (a) improper installation or misuse of the Products, (b) use of Products outside of BOSCH approved applications, specified environments or installation conditions, (c) use of Products for racing or testing applications, (d) failure to maintain Products in accordance with applicable maintenance instructions, or (e) alteration or damage caused to the Product, or similar circumstances, no warranty shall apply and BOSCH shall not be liable for such Products or any damage caused by such products. 9.6 THIS WARRANTY IS IN LIEU OF ALL OTHER WARRANTIES EXPRESS OR IMPLIED INCLUDING OF MERCHANTABILITY OR FITNESS FOR A PARTICULAR PURPOSE. THE FOREGOING WARRANTY DOES NOT APPLY TO ANY ISSUES STEMMING FROM THE CUSTOMER’S USE OF THE PRODUCT IN ANY APPLICATION. THE REMEDIES SET FORTH IN THIS SECTION REPRESENT THE CUSTOMER’S SOLE AND EXCLUSIVE REMEDIES FOR ANY BOSCH BREACH OF WARRANTY. - PROTOTYPE WARRANTY AND USE. 10.1 PROTOTYPES ARE PROVIDED “AS IS” AND ALL WARRANTIES, EXPRESSED OR IMPLIED, ARE DISCLAIMED AND EXCLUDED, INCLUDING WITHOUT LIMITATION WARRANTY OF MERCHANTABILITY, FITNESS FOR A PARTICULAR PURPOSE, OR FREEDOM FROM THIRD-PARTY RIGHTS, WHETHER ARISING BY LAW, COURSE OF DEALING, COURSE OF PERFORMANCE, OR OTHERWISE. BOSCH DOES NOT WARRANT THAT THE PROTOTYPES WILL BE ERROR-FREE OR SECURE. PROTOTYPES ARE NOT DESIGNED FOR AND SHOULD NOT BE USED IN ANY FAIL-SAFE APPLICATIONS.
10.2 CUSTOMER acknowledges that Prototypes are intended only for use in evaluation and testing in a suitable and safe evaluation and testing environment and by suitably trained and qualified persons. CUSTOMER shall ensure safe operating conditions for all evaluation and testing purposes at all times during the evaluation and testing. CUSTOMER warrants that no vehicles containing any Prototypes will be driven on public roads, unless and until CUSTOMER and Bosch agree in writing. CUSTOMER shall only use the Prototypes in accordance with written instructions from Bosch. Any use or application of Prototypes, which deviates from written instructions from Bosch, will be considered an impermissible use in breach of these BOSCH Terms. Any use, testing, or evaluation of the Prototypes outside the scope of this Section 10.2 or as agreed in writing between the parties shall be at CUSTOMER’s sole risk. - TERMINATION/CANCELLATION.
11.1 Bosch may terminate the CUSTOMER’s purchase order/acceptance of the Quotation: (a) upon written communication to CUSTOMER in the event CUSTOMER breaches any material term of the Quotation or these BOSCH Terms, provided CUSTOMER has not remedied the breach within 30 days of Bosch providing notice to CUSTOMER of such breach; or (b) if CUSTOMER becomes insolvent or makes an assignment for the benefit of creditors, or CUSTOMER institutes any voluntary proceeding under bankruptcy, reorganization, arrangement, readjustment of debt, or insolvency law of any jurisdiction or for the appointment of a receiver or trustee in respect to any of CUSTOMER’s property, then termination shall be automatic and immediate; however, in the event, any such proceeding is initiated by a third party against CUSTOMER, the termination will be automatic if such proceeding is not dismissed or cured by CUSTOMER within thirty (30) days after the filing thereof. Bosch shall not be liable to CUSTOMER for any claims arising out of or based on termination in accordance with this Section 11.1.
11.2 In the event that CUSTOMER cancels the program after business award but before the agreed-upon end of program duration, CUSTOMER shall reimburse Bosch for reasonable cancellation charges for unrecoverable costs and investments, including without limitation capital equipment, finished Products, cost of all work in process, Bosch paid tooling or licenses (including software licenses and maintenance agreements), engineering costs, application costs, development services, samples, and material obsolescence. CUSTOMER shall pay such cancellation charges in accordance with Section 8. - INTELLECTUAL PROPERTY/SOFTWARE.
12.1 INTELLECTUAL PROPERTY RIGHTS. As between Bosch and CUSTOMER, Bosch exclusively owns and shall retain exclusive ownership of all right, title, and interest, including all worldwide patent, trademark, copyright, trade secret, and other intellectual property and proprietary rights (collectively, “Intellectual Property Rights”) in and related to (a) the Products; (b) the Prototypes; (c) the Services; and (d) all other ideas, inventions (whether patentable or not), concepts, designs, methods, processes, software (including source code and object code), data, and works of authorship authored, developed, or conceived by Bosch in connection with the Products, Prototypes, or Services, along with all software, functions, and related documentation provided by Bosch or any division or affiliate thereof. Bosch reserves the right to brand, mark, or label the Products, Services, and Prototypes and accompanying packaging with Bosch trademarks. Products or Services delivered from Bosch to the independent aftermarket will bear the Bosch trademarks only.
12.2 THIRD-PARTY INTELLECTUAL PROPERTY RIGHTS INDEMNIFICATION. Bosch shall indemnify, defend, and hold harmless CUSTOMER against all final judgments of infringement in the United States of the Intellectual Property Rights of any third party registered and published in the United States (specifically excluding claims of infringement of any affiliate of CUSTOMER) and resulting direct damages and expenses (including reasonable attorney’s fees) arising out of use of any Product or Service as delivered by Bosch, provided Bosch shall have no liability and shall not indemnify, defend, or hold harmless CUSTOMER for or against any claim arising from (i) CUSTOMER’s gross negligence or willful or intentional acts or omissions; or (ii) any modification or alteration of any Products or Services, unless prior written authorization for such modification or alteration is provided by Bosch in writing; or (iii) use of the Products or Services in combination with any other equipment, software, products or services not supplied by Bosch and the use of such combination was not authorized by Bosch; or (iv) CUSTOMER’s designs, specifications, requirements, or instructions; or (v) the application or use of any Products or Services which fails to comply with the specification or other written instruction from Bosch; or (vi) the implementation of Standardized Technologies, to the extent the indemnification obligation stems from the Standardized Technologies or implementation related thereto (as used herein “Standardized Technologies” means technical specifications or functions (x) adopted by a standards organization (e.g., ETSI or IEEE), (y) defined by research institutes, industrial companies, or market participants to ensure technical conformity or compatibility, or (z) established by common practice in a particular field). For the sake of clarity, no indemnification or warranty is provided for Prototypes.
12.3 Bosch shall be entitled, at its discretion, to (i) obtain a right of use for a Product or Service alleged to infringe an Intellectual Property Right, (ii) to modify the Product or Service so that it no longer infringes the Intellectual Property Right, or (iii) to replace the Product or Service with an equivalent substitute that no longer infringes the Intellectual Property Right. Bosch reserves the right to carry out the actions of (i)(iii) in the sentence above at its disposal even if the infringement of the Intellectual Property Right has not been ruled on by a court of law with res judicata effect or acknowledged by Bosch. If Bosch determines that options (i), (ii), or (iii) are not reasonably available, Bosch shall be considered to have fulfilled its obligations under this Section 12 by returning the fees paid by CUSTOMER for Products or Services which are subject to the infringement claim.
12.4 INDEMNIFICATION FROM CUSTOMER. To the fullest extent permitted by applicable law, and subject to the conditions applicable to claims by CUSTOMER against Bosch under Section 12.2, CUSTOMER shall indemnify, defend, and hold harmless Bosch, its affiliates, and their respective directors, officers, employees, successors, and assigns for all claims, liabilities, damages, costs, and expenses (including reasonable attorney fees) asserted by a third party (specifically excluding any affiliate of Bosch) and incurred by Bosch in connection with such claims (including lawsuits, administrative claims, regulatory actions, and other proceedings to recover for personal injury or death, property damage, or economic losses) to the extent caused by: (i) CUSTOMER’s or Bosch’s infringement or misappropriation of any Intellectual Property Rights of any third party caused by (a) CUSTOMER’s technology, products, or services, or Bosch’s use thereof in accordance with these BOSCH Terms or any applicable Quotation, or (b) any modification or alteration of any Products or Services by CUSTOMER, unless prior written authorization for such modification or alteration is provided by Bosch in writing; or (ii) bodily injury or property damage resulting from CUSTOMER’s integration of the Products or Services into vehicle systems or other components within the vehicle system in a manner that is not approved by Bosch or in compliance with all applicable laws; or (iii) any grossly negligent act or omission of CUSTOMER or any of its employees or agents; or (iv) CUSTOMER’s failure to comply with representations, performance, or obligations under these BOSCH Terms or the applicable Quotation; or (v) any design, hardware, software, data, instructions, requirements, or material expressly required or supplied by CUSTOMER.
12.5 The Indemnified Party under Sections 12.2 or 12.4 shall give prompt written notice to the indemnifying party of the claim for which it seeks indemnification (provided that the failure to give such notice will not relieve the indemnifying Party of its obligations under Sections 12.2 or 12.4, except to the extent that such failure materially prejudices the indemnifying Party’s ability to carry out its obligations under Sections 12.2 or 12.4). The indemnifying Party will assume and direct the defense and settlement of any such claim with counsel of the indemnifying Party’s reasonable choosing; the Indemnified Party will provide the indemnifying Party, at the indemnifying Party’s expense, with such information and assistance as may be reasonably necessary for the defense and settlement of the claim. CUSTOMER will not settle or resolve any such claim without the advance written approval of Bosch, approval not to be unreasonably withheld or delayed, unless such settlement or resolution includes a full and unconditional release of Bosch with no admission of guilt from Bosch or its affiliates.
12.6 SOFTWARE. Notwithstanding anything to the contrary set forth in an applicable Quotation or these BOSCH Terms, and excluding any OSS (defined below), all Bosch software and firmware that has been loaded onto, incorporated into, or provided by Bosch in connection with the Products, Prototypes, or Services (the “Software”) is and remains owned by Bosch. or its affiliates. All Software is provided with only a limited right to use as delivered in connection with hardware and/or in accordance with the applicable software license provided to CUSTOMER. In the event, any Software contains a click-through, popup, or other end-user license agreement (collectively, “EULA”), the terms of such EULA shall control over the terms of the applicable Quotation or these BOSCH Terms to the extent the terms of the EULA conflict with the Quotation or BOSCH Terms. In the event CUSTOMER does not accept the EULA at the time of delivery, (i) CUSTOMER shall not use the applicable Software or hardware incorporating such Software for any purpose and return the Software or corresponding hardware within ten (10) days of receipt thereof, and (ii) any use of the Software will be considered an unauthorized use in breach of these BOSCH Terms and the EULA. Unless expressly agreed otherwise, Bosch has no obligation to provide any updates or upgrades to the Software (including, without limitation correcting any bugs identified by Bosch, CUSTOMER, or any third party). Notwithstanding the foregoing sentence, Bosch reserves the right to make the availability of updates, upgrades, and new releases at its sole discretion or conditional upon the existence of a valid service contract.
12.7 OPEN-SOURCE SOFTWARE. Products, Prototypes, and Services which incorporate Software may contain free or open-source software (“OSS”). Such OSS is always subject to separate third-party OSS licensing terms and conditions (“OSS-Terms and Conditions”). The OSS-Terms and Conditions come into effect between the CUSTOMER and the authors of the respective OSS. Under such OSS-Terms and Conditions, Bosch is required to provide the same to CUSTOMER, and CUSTOMER itself has to obey all of the OSS-Terms and Conditions and to fulfill all corresponding obligations in case CUSTOMER further disposes of the Products, Prototypes, or Services through sales or other transfer to third parties. Such obligations may include, for example, documentation obligations or obligations to provide the source code of any software integrated into a product in which the OSS has also been integrated by the CUSTOMER. An overview about all OSS components contained in the Products, Prototypes, or Services as well as corresponding license text of the OSS-Terms and Conditions (of all originating OSS authors) is part of Bosch’s delivery of the Product, Prototype, or Service (e.g. as part of the provided documentation, in a display field within a device, etc.). To the extent that new software versions included in Bosch’s Products, Prototypes, and Services may contain other and/or additional OSS, the same terms and conditions apply as stated in this Section 12.7.
12.8 CUSTOMER’S USE OF OPEN-SOURCE SOFTWARE. CUSTOMER shall use reasonable commercial efforts to not combine or request or otherwise cause others to combine Bosch Software, Products, Prototypes, and/or Services with any OSS or other data in any manner that would result in the Bosch Software, Products, Prototypes, and/or Services becoming subject to the terms of an OSS license. For any software provided to Bosch by CUSTOMER or on behalf of CUSTOMER, CUSTOMER shall disclose in writing a list of all applicable OSS-Terms and Conditions and/or third-party license terms at the time of delivery of such software to Bosch, and CUSTOMER shall indemnify Bosch for all costs, expenses, and damages caused by CUSTOMER’s failure to disclose OSS-Terms and Conditions and/or third-party license terms in software provided by CUSTOMER, directed by CUSTOMER, or on behalf of CUSTOMER. 12.9 NO REPRODUCTION. Unless otherwise permitted under law or agreed to by Bosch in writing, CUSTOMER shall not itself and shall not enable or instruct others to copy/reproduce, reverse engineer, decompile, disassemble, translate, or fragment parts of Software or Prototypes provided by Bosch and CUSTOMER shall treat such Software and Prototypes as Confidential Information as defined in Section 12 of these BOSCH Terms. - GOVERNMENT CONTRACTS. If Products, Prototypes, and/or Services are purchased under a government contract or subcontract, the CUSTOMER shall promptly notify Bosch of the provisions of any government procurement laws and regulations that are required to be included in the contract covering the Products, Prototypes, and/or Services ordered. If compliance with such provisions increases Bosch’s costs or liability or encumbers any Bosch Intellectual Property Rights, Bosch will be entitled, at its option, to adjust the prices accordingly, request separate payment of the additional costs, or terminate this Agreement. CUSTOMER shall be responsible for all costs incurred by Bosch related to such compliance.
- CONFIDENTIAL INFORMATION. Any and all non-public information and data concerning the Products, Prototypes, Services, or any other transaction covered hereunder which Bosch discloses to CUSTOMER, is generated by the Products, Prototypes, or Services, or which CUSTOMER otherwise obtains knowledge of hereunder, and any non-public technical, financial, or business information, trade secrets, orders, content, Prototype, or other information provided by Bosch to CUSTOMER (collectively, “Confidential Information”) remains the exclusive property of Bosch and shall not be disclosed by CUSTOMER to third parties without Bosch’s express written consent. Confidential Information shall be held in confidence and shall not be disclosed and shall not be used except to the extent necessary to carry out CUSTOMER’s obligations or express rights hereunder unless otherwise authorized by Bosch in writing. For the sake of clarity, CUSTOMER shall have no right whatsoever to such Confidential Information other than to use it for evaluation for the purpose of the transaction covered hereunder. If the CUSTOMER is compelled by law to disclose Bosch’s Confidential Information, and a protective order or other remedy is not obtained, CUSTOMER shall furnish only that portion of the Confidential Information that is legally required and CUSTOMER shall use commercially reasonable efforts to obtain assurance that confidential treatment shall be accorded the Confidential Information. This Section 14 (Confidentiality) shall survive the termination or expiration of any purchase order, accepted Quotation, or other termination of CUSTOMER’s use of or CUSTOMER’s right to use the Products, Prototypes, and/or Services.
- REMEDIES/LIMITATION OF REMEDIES. Bosch’s rights and remedies set forth herein shall be in addition to any legal or equitable right or remedy available to Bosch. No waiver of any of Bosch’s rights or remedies shall be effective without Bosch’s express written consent. CUSTOMER’s sole and exclusive remedy after acceptance of the Products or Services shall be the remedy available under the respective warranty provision.
- LIMITATION OF LIABILITY. The liability of BOSCH, and its respective affiliates, officers, directors, employees, shareholders, agents, licensors, or representatives (collectively the “BOSCH Parties”) for any claim, regardless of the form of action, whether in contract, tort, or negligence, for any damages resulting from or in any manner connected with this Agreement and any Products, shall be limited to the lesser of (i) CUSTOMER’s actual direct damages related thereto, or (ii) the amount of the fees paid by CUSTOMER for the portion of the Products which are in error. In no event shall the liability of the BOSCH Parties exceed the fees paid by CUSTOMER during the period such damages were incurred, such period not to exceed three (3) months, for the specific Products that allegedly give rise to the damages. In no event shall any of the BOSCH Parties be liable for any indirect, incidental, special, or consequential damages including, but not limited to, loss of data, lost business, lost profits, and other economic damages, whether foreseeable or not, even if advised of the possibility of such damages. Without limiting the generality of the foregoing, the BOSCH Parties shall not be liable to CUSTOMER with respect to the quality or sufficiency of any business results or motorsport racing results to be achieved with the use of the Products. CUSTOMER agrees, acknowledges, and confirms that the limitations of liability set out in this Section are fair and reasonable in the commercial circumstances of this Agreement and that BOSCH would not have entered into this Agreement but for CUSTOMER’s agreement to limit the liability of the BOSCH Parties in the manner, and to the extent, provided herein. The limitations of liability set out in this Section shall apply even in the event of a breach of condition, a breach of an essential or fundamental term, or a fundamental breach of this Agreement.
- EXPORT. CUSTOMER will not sell, distribute, resell, or transfer (hereinafter collectively, “Transfer”) any Product, Prototype, or Services, including commodities, software and technology/technical data, plans, and specifications relating to the Product, Prototype, or Services (collectively, “Export Control Products”) or take any actions in relation to or in furtherance of these BOSCH Terms, which are contrary to U.S. Export Regulations, including but not limited to U.S. Department of Commerce Export Administration Regulations (“EAR”), the U.S. Treasury Office of Foreign Assets Controls (“OFAC”), U.S. Department of State International Traffic in Arms Regulations (“ITAR”), or any other applicable export control, import control, and economic sanction laws and regulations of the US or any country or countries (collectively, “Export/Import Control Laws”). CUSTOMER further acknowledges that Export/Import Control Laws, include but are not limited to, prohibitions against (a) Transfer any product to U.S. embargoed countries (currently, Cuba, Iran, North Korea, Syria, and Sudan); (b) Transfer of ITAR product to any country with which the U.S. maintains an Arms Embargo; (c) Transfer of certain EAR controlled product for China, Russia, and Venezuela military end-use; (d) Transfer to certain OFAC sanctioned persons or countries; and (e) other restrictions as defined in the Export/Import Control Laws. CUSTOMER will immediately notify Bosch and cease activities with respect to a sale if CUSTOMER knows or has a reasonable suspicion that an Export Control Product has been or may be exported, re-exported, transferred, or released in violation of Export/Import Control Laws. Unless otherwise mutually agreed in writing, CUSTOMER agrees that it will not use an Export Control Product in connection with any activity involving nuclear fission or fusion, any use or handling of any nuclear material, or any nuclear, chemical, or biological weapons. CUSTOMER shall defend, indemnify, and hold Bosch harmless from any and all losses suffered by Bosch as a direct result of CUSTOMER’s or its CUSTOMERs’ noncompliance with Export/Import Control Laws. Bosch will not be liable to CUSTOMER for failure to provide Products, Prototypes, Services, transfers, or technical data as a result of any government actions that impact Bosch’s ability to perform, including (a) the failure to provide or the cancellation of export or re-export licenses; or (b) any subsequent interpretation of applicable import, transfer, export, or re-export law or regulation after the date of any order or commitment that has a material adverse effect on Bosch’s performance.
- ELECTRONIC DATA EXCHANGE; VEHICLE DATA; PRIVACY.
18.1 ELECTRONIC DATA EXCHANGE. Bosch supports most electronic data exchange systems. Each party bears responsibility for its data input and for the part of the system for which it is responsible.
18.2 VEHICLE DATA. CUSTOMER hereby grants to Bosch the unlimited right to use and sublicense to Bosch affiliates, agents, consultants, and subcontractors the unlimited right to use Vehicle Data (defined below) or any portion thereof, wherein such use may include, without limitation, copying, aggregating, creating derivatives, and/or anonymizing such Vehicle Data, for the following purposes: (i) the investigation of any accidents or claims related to a defect, failure, or alleged defect or failure of Bosch’s Products, Prototypes, or Services; (ii) research and development related to improvement, analyses, and modification of Bosch’s Products, Prototypes, and Services; (iii) the defense of any claim against Bosch brought by CUSTOMER or any third party; and (iv) any other purpose as mutually agreed in writing between the parties. To the extent Bosch does not have direct access to or does not directly receive Vehicle Data, CUSTOMER shall provide access or otherwise deliver to Bosch all Vehicle Data in the possession of CUSTOMER within thirty (30) days after a written request from Bosch or on a continual basis, if mutually agreed between the parties. Bosch shall not disclose Vehicle Data to any third party, other than (i) affiliates, and (ii) agents, consultants, and subcontractors contractually required to maintain the confidentiality of Vehicle Data. As used herein, “Vehicle Data” means any and all data produced, collected, transmitted, or processed by Bosch’s Products, Prototypes, or Services, including without limitation components, systems, modules, and electronic control units. 18.3 PROTECTION OF PERSONAL INFORMATION. The terms of the Data Protection Addendum at, available upon request, are hereby incorporated by reference and shall apply to the extent that Vehicle Data includes Personal Data (as defined below) or Bosch processes Personal Data for or on behalf of CUSTOMER as part of the Services. Bosch and CUSTOMER shall complete Bosch’s Data Protection Addendum. “Personal Data” means any information relating to an identified or identifiable natural person. - COMPLIANCE WITH LAWS. Each party represents and warrants to the other party that it and its employees and agents are and will continue to be in compliance with all applicable laws and regulations relating to its performance under the Quotation and these BOSCH Terms, including without limitation laws associated with testing and evaluation of vehicles and Prototypes on a public roadway, and any laws or regulations relating to the processing of Vehicle Data. The applicable laws and regulations that Bosch must comply with are only those jurisdictions set forth in the applicable Quotation.
- SET-OFF. CUSTOMER is not entitled to and shall not set-off any amounts due or allegedly due from Bosch to CUSTOMER from CUSTOMER’s debts towards Bosch.
- ASSIGNMENT. Neither Party shall assign its rights or obligations hereunder without the other Party’s prior written consent. A corporate reorganization, which does not result in a change of control or beneficial owner, will not be deemed an assignment.
- RELATIONSHIP OF THE PARTIES. CUSTOMER and Bosch are independent contracting parties. Nothing hereunder or in the course of performance under the Quotation or these BOSCH Terms will grant either Party the authority to create or assume any obligation on behalf of or in the name of the other Party or will be deemed to create the relationship of the joint venture, partnership, association, or employment between the Parties.
- SEVERABILITY. In the event that any provision of these BOSCH Terms or the Quotation is declared by a court to be void or unenforceable, the validity of any other provisions and of the entire BOSCH Terms or the Quotation will not be affected thereby.
- APPLICABLE LAW; ARBITRATION. These BOSCH Terms, the Quotation, and all disputes between the Parties arising out of or related thereto shall be governed by the laws of the State of Michigan except for its choice of law rules; the United Nations Convention on the International Sale of Goods shall not apply. The Parties acknowledge that these BOSCH Terms and the applicable Quotation evidences a transaction involving interstate commerce. The Parties shall first endeavor to resolve through good faith negotiations any dispute arising under or relating to these BOSCH Terms and the applicable Quotation. If a dispute cannot be resolved through good faith negotiations within thirty (30) days either Party may request non-binding mediation by a mediator approved by both Parties. If mediation fails to resolve the dispute within thirty (30) days after the first mediation session, then, upon notice by either Party to the other, any and all disputes, controversies, differences, or claims arising out of or relating to these BOSCH Terms and the applicable Quotation (including the formation, existence, validity, interpretation (including of this Arbitration clause), breach, or termination thereof) shall be resolved exclusively through binding arbitration, except that either Party shall have the right, at its option, to seek injunctive relief, under seal to maintain confidentiality to the extent permitted by law, (i) in either the Michigan Circuit Court for the County of Oakland or the United States Court for the Eastern District of Michigan or (ii) pursuant to the American Arbitration Association (“AAA”) Optional Rules for Emergency Measures of Protection. A request by a Party to a court of competent jurisdiction for such interim measures shall not be deemed incompatible with, or a waiver of, this agreement to arbitrate. The Parties agree that any ruling by the arbitration tribunal on interim measures shall be deemed to be a final award for purposes of enforcement. The arbitration proceedings shall be conducted in accordance with the Commercial Arbitration Rules of the AAA including the application of the Optional Rules for Emergency Measures of Protection as amended from time to time, except as modified by this clause or by mutual agreement of the Parties, and shall be governed by the United States Federal Arbitration Act. Within 14 days after the commencement of arbitration, each Party shall select one person to act as arbitrator and the two selected shall select a third arbitrator within 10 days of their appointment. If the arbitrators selected by the Parties are unable or fail to agree upon the third arbitrator, the third arbitrator shall be selected by the AAA. The arbitration shall be conducted in Detroit, Michigan, and the language of the arbitration shall be English. The arbitrators’ award shall be final and binding. The arbitrators shall issue a written opinion setting forth the basis for the arbitrators’ decision. The written opinion may be issued separately from the award, at the arbitrators’ discretion. Each Party shall bear its own attorney fees and costs, and each party shall bear one half the cost of the arbitration hearing fees, and the cost of the arbitrators, unless the arbitrators find the claims or defenses to have been frivolous or harassing, in which case the arbitrators may award the party responding to such frivolous or harassing claims/defenses its costs of the arbitration and/or reasonable attorney fees, in the arbitrators’ discretion. Either Party may apply to have the arbitration award confirmed and a court judgment entered upon it. Venue for confirmation of or any challenge to the Arbitration Award shall be in either the Michigan Circuit Court for the County of Oakland or the United States Court for the Eastern District of Michigan and shall be done under seal to maintain confidentiality to the maximum extent permitted by law. The arbitrators shall have no authority to award punitive damages or any other damages excluded herein, to the maximum extent permitted by law. Except as may be required by law, neither a Party nor their counsel nor an arbitrator may disclose the existence, content, or results of any arbitration hereunder without the prior written consent of both Parties.
- SURVIVAL. Any right or obligation of a Party which, by its nature or context is intended to survive termination or expiration of the applicable Quotation or these BOSCH Terms, will survive any such termination or expiration, including without limitation Sections 14-26.
- VALIDITY OF QUOTATION. Any Quotations issued subject to these BOSCH Terms will be valid for 30 days from the date of issuance unless stated otherwise in the Quotation.
Revisions
V1.2.8
⎯ Correct pricing typo for M6 temperature sensor
⎯ Update PBX90 part number to -06 revision
⎯ Change sales process information
V1.2.7
⎯ Add USB logging, CAN error, Filtered boost pressure to team CAN receive a list
⎯ driver alerts changed to purple in DDU9 Alerts
⎯ USB stick removal picture
⎯ Supply voltage range added
⎯ Price sheet update for 2021
⎯ Added recommended DDU9, PBX90, and LT4 maintenance intervals
⎯ Change mounting location instructions to refer to IMSA Scrutineering Homologation Form
V1.2.6
⎯ Add lambda filtered to team CAN received a list
⎯ Add a note to pull the USB collar
⎯ Change FFM service to hours until calibration
⎯ Add ambient to team CAN receive a list
⎯ Change Bosch contact
⎯ Price sheet update
⎯ Remove Bosch Motorsport as Harness Supplier
V1.2.5
⎯ Add b_FFMService to team CAN receive a list
⎯ Add lambda integral regulation channels to CAN list
⎯ Update order form for 2019
V1.2.4
⎯ Updated DDU9 screenshots
⎯ USB stick ownership reiterated
⎯ Part number corrections in Component Table
⎯ LT4 part number update to -09
⎯ Add FFM time and fuel temp to CAN channels sent table
⎯ Update nmot_imsa description in CAN channels sent table
⎯ Sensor Declaration Form removed
⎯ Laser ride height wording clarified
⎯ Connector clarifications
V1.2.4
⎯ Added laser ride height sensor pinout
V1.2.3
⎯ Updated engine speed sensor pinout
V1.2.2
⎯ Updated information related to the engine speed sensor
V1.2.1
⎯ Corrected Laser Ride Height Connector
V1.2.0
⎯ Modified engine speed sensor pinout and recommendation
V1.1.0
⎯ Added laser ride height, engine speed sensor, and fuel flow meter sections.
⎯ Sensor use case reduced text (now see manufacturer homologation form)
⎯ Updated display screens with rain light.
⎯ Harness layout drawing updated.
⎯ Scope overview updated.
⎯ IMSA supplied components marked.
⎯ Vibration profile 1 added.
⎯ Declaration form available online.
⎯ Declaration sheet updated.
⎯ Order form updated.
V1.0.2
⎯ DDU9 brightness range is defined in the main body.
⎯ PBX90 mounting position clarified to in cockpit.
⎯ Display Pages section added.
⎯ CAN message Tables Remove?
⎯ CAN channel Short Names updated.
⎯ The team received the CAN list added.
⎯ DBC is available online.
⎯ Harness drawings updated to Rev -04, label location changes.
⎯ Declaration sheet clarifications.
V1.0.1 – Release
V1.0.0 – Draft Release
© All rights reserved by Bosch Engineering GmbH,
also for the case of patent reports. All rights such
as copying and forwarding through us.
Modifications reserved. 
















